Not starting

Tiny
WGEMAR
  • MEMBER
  • 2012 DODGE AVENGER
  • 0.5L
  • 4 CYL
  • 2WD
  • AUTOMATIC
  • 150,000 MILES
When I go to start the car the lights turn on like it's going to and then when you try to start start it you get nothing complete silence.
Thursday, August 5th, 2021 AT 8:42 AM

1 Reply

Tiny
KASEKENNY
  • MECHANIC
  • 18,907 POSTS
This is most likely a starter issue or the TIPM which is what supplies the power to the starter.

So we need to do some electrical testing.

Here is a guide that will help get us started:

https://www.2carpros.com/articles/how-to-check-wiring

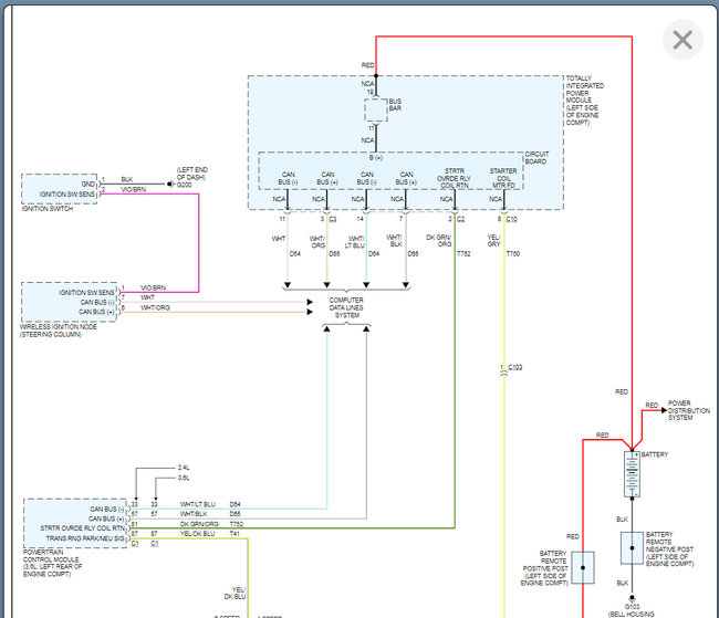
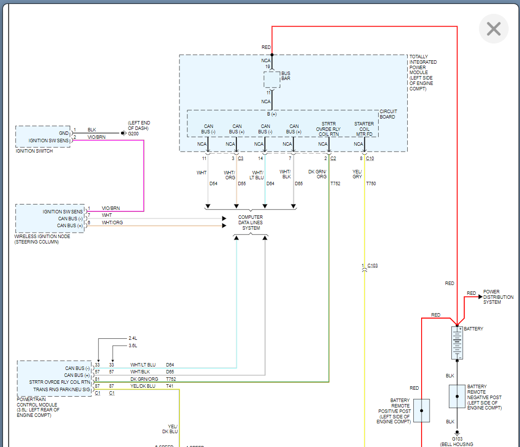
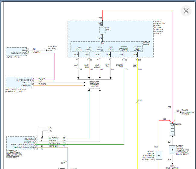
Below you will find the wiring diagram for this. We need to test the voltage at the starter. If there is no voltage then we need to jump over to the PCM and check for a signal from the transmission range sensor.

Basically if you have the correct signal from the TRS then the PCM tells the starter that it is okay to start as it has to be in park or neutral.

However, let's start with this info and go from there because if you have proper voltage at the starter then that is the issue and needs to be replaced.

Please let us know what questions you have.

hanks
Was this
answer
helpful?
Yes
No
Friday, August 6th, 2021 AT 5:16 PM

Please login or register to post a reply.