Car keeps cutting off and stalling?

Tiny
4RUBY
  • MEMBER
  • 1 POST
  • 2005 BUICK LA CROSSE
  • 6 CYL
  • 2WD
  • AUTOMATIC
  • 50,000 MILES
Engine stalls after running a few minutes. Normally car will start after waiting 2 - 3 minutes. Today car totally shut down while driving.
Was this
answer
helpful?
Yes
No
Thursday, August 6th, 2020 AT 9:21 AM (Merged)
Tiny
JACOBANDNICKOLAS
  • MECHANIC
  • 110,192 POSTS
If it doesn't start at all now, have you checked for spark and fuel to the engine? Has the check engine light come on?

Let me know.
Joe
Was this
answer
helpful?
Yes
No
+2
Thursday, August 6th, 2020 AT 9:21 AM (Merged)
Tiny
EDWARD F. VENN JR
  • MEMBER
  • 1 POST
  • 2005 BUICK LA CROSSE
  • 6 CYL
  • 2WD
  • AUTOMATIC
  • 100,785 MILES
Engine shuts off while driving, pull over and stop, crank a couple of times and starts, runs for undetermined amount of time before it happens again.
Was this
answer
helpful?
Yes
No
Saturday, August 8th, 2020 AT 11:46 AM (Merged)
Tiny
KEN L
  • MASTER CERTIFIED MECHANIC
  • 55,260 POSTS
This sounds like a fuel pump is starting to fail causing the engine to stall here is a guide to confirm, please follow it and get back to me.

https://www.2carpros.com/articles/how-to-check-fuel-system-pressure-and-regulator

Please let us know what you find. We are interested to see what it is.

Cheers, Ken

Was this
answer
helpful?
Yes
No
-1
Saturday, August 8th, 2020 AT 11:46 AM (Merged)
Tiny
EDWARD F. VENN JR
  • MEMBER
  • 1 POST
Thanks for the guide I checked the fuel pressure when the engine stalled and there was none then I checked for power at the pump wire and it had it what do I do now?
Was this
answer
helpful?
Yes
No
-1
Saturday, August 8th, 2020 AT 11:46 AM (Merged)
Tiny
KEN L
  • MASTER CERTIFIED MECHANIC
  • 55,260 POSTS
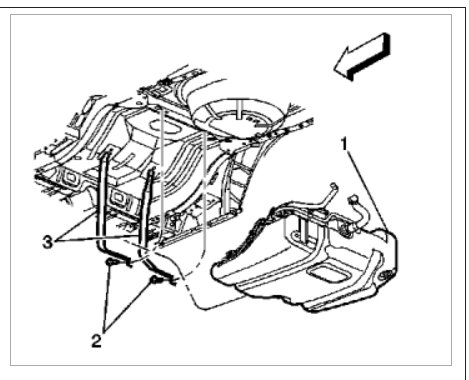
Yep, the pump has gone bad here is a guide to help you see what you are in for when doing the job.

https://www.2carpros.com/articles/how-to-replace-an-electric-fuel-pump

Check out the diagrams (Below)

Please let us know what happens.

Cheers, Ken
Was this
answer
helpful?
Yes
No
-1
Saturday, August 8th, 2020 AT 11:47 AM (Merged)
Tiny
EDWARD F. VENN JR
  • MEMBER
  • 1 POST
Wow great job I pulled the pump and got a new one from Amazon and the car runs again, thanks for your help this site is great.
Was this
answer
helpful?
Yes
No
-2
Saturday, August 8th, 2020 AT 11:47 AM (Merged)

Please login or register to post a reply.