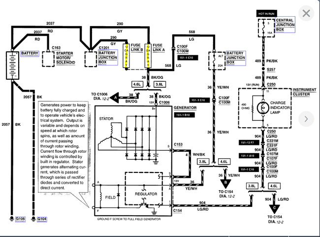
Saturday, August 13th, 2022 AT 11:03 PM
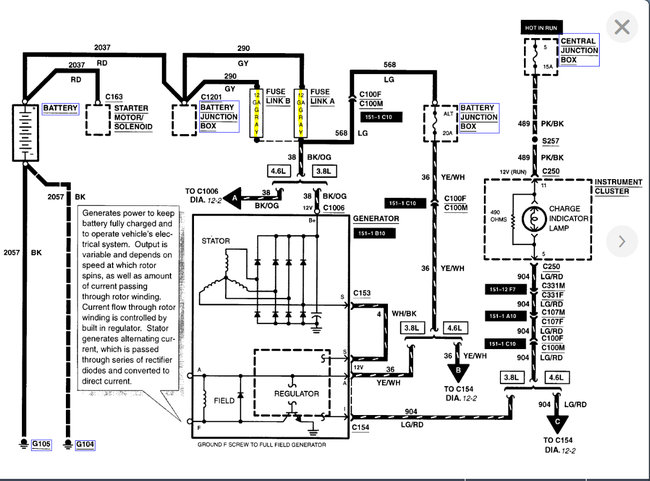
I recently purchased a refurbished alternator, after installing it I started the car and then the car shut off shortly after. I had to jump to get it started and I had the alternator wires disconnected and then I connected the alternator wires and then the battery gauge started to drop, and the car shut off. What do you recommend? Thank you






