Car shuts off while driving

Tiny
ALEX19899
  • MEMBER
  • 2003 HONDA CIVIC
  • 1.7L
  • 4 CYL
  • 2WD
  • AUTOMATIC
  • 155,000 MILES
Car radio and gauge on dash will shut off while driving and car will stall. I replace battery and alternator but the problem is still there.
Sunday, November 4th, 2018 AT 7:05 PM

3 Replies

Tiny
KEN L
  • MASTER CERTIFIED MECHANIC
  • 55,499 POSTS
Thanks for the video helps me do my job. It looks like you have a bad connection at the battery or you have a bad battery cable. Here is a guide that will help us fix the problem:

https://www.2carpros.com/articles/everything-goes-dead-when-engine-is-cranked

Please let us know what you find. We are interested to see what it is.

Cheers, Ken

Was this
answer
helpful?
Yes
No
Tuesday, November 6th, 2018 AT 10:57 AM
Tiny
ALEX19899
  • MEMBER
  • 171 POSTS
It is at the shop right now and they found that the wire to the alternator is burnt. Now since its burnt will the alternator not charge the battery?
Was this
answer
helpful?
Yes
No
Tuesday, November 6th, 2018 AT 11:17 AM
Tiny
KEN L
  • MASTER CERTIFIED MECHANIC
  • 55,499 POSTS
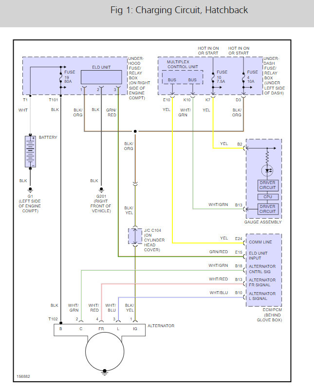
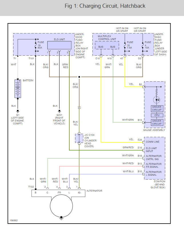
Yes, the alternator must be able to charge the battery. Can you get an image of the what they are talking about so I can confirm? Here is the alternator wiring diagrams so you can confirm the repair and to see how the system works. Please let us know what happens.
Was this
answer
helpful?
Yes
No
Wednesday, November 7th, 2018 AT 9:33 AM

Please login or register to post a reply.