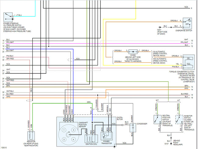
Saturday, March 6th, 2021 AT 2:09 PM
Checked fuses, tried spraying starting fluid in intake. Battery read 12.4 on meter. Half tank of gas. Since I've had it for over four years been using seafoam every so often. Possibility either fuel pump or oil pump? How can I check to see what's the issue for car not wanting to turn over? I replaced spark plugs and fuel filter not long ago couple months ago. The only thing I needed to do was valve adjustment. Did a compressor check and first cylinder was 20% lower than the others.












