Car stalls when driving?

Tiny
BROOKLYGIRL
  • MEMBER
  • 2011 NISSAN SENTRA
  • 5,764 MILES
Had a rear end accident on a 2011 sentra. Only 5,764 miles on car. Body work has been repaired now the car stalls when driving. What could be the cause? Brought car brand new no problems prior to car accident.
Monday, April 2nd, 2012 AT 1:32 PM

29 Replies

Tiny
DJCL
  • MECHANIC
  • 767 POSTS
Does it stall when making right or left turns? I'm thinking something in the fuel tank is allowing air to get picked up . Let me know what you find. This guide can help us fix it.

https://www.2carpros.com/articles/engine-stalls

Please run down this guide and report back.
Was this
answer
helpful?
Yes
No
Monday, April 2nd, 2012 AT 1:38 PM
Tiny
BROOKLYGIRL
  • MEMBER
  • 3 POSTS
No it doesn't stall on left turns. Only on right. Also when I got the car back from the collision shop my grip cap loose sign came on and then the check engine light came on.
Was this
answer
helpful?
Yes
No
Monday, April 2nd, 2012 AT 1:41 PM
Tiny
BROOKLYGIRL
  • MEMBER
  • 3 POSTS
So I found out it was the crankshaft angle sensor it runs great again! Thanks for your help.
Was this
answer
helpful?
Yes
No
Monday, April 2nd, 2012 AT 1:42 PM
Tiny
DJCL
  • MECHANIC
  • 767 POSTS
Glad you could get it fixed, that kind of problem can be tough. Please use 2CarPros anytime we are here to help.
Was this
answer
helpful?
Yes
No
-1
Monday, April 2nd, 2012 AT 1:49 PM
Tiny
JOANNAJU
  • MEMBER
  • 2 POSTS
  • 2009 NISSAN SENTRA
  • 2.0L
  • 4 CYL
  • 2WD
  • AUTOMATIC
  • 189,000 MILES
My son was driving my car and it lost power and stopped. There wasn't any loud noises when it broke down and I didn't have any check engine lights on at the time. He had to have it towed home car wouldn't start. My car sat for over a month and a friend of mine put an obd reader on it and it gave the code PO340. So I bought a new camshaft position sensor. My son installed it and my car still wont start. He had another guy use a different obd reader and it still reads the same code. PO340, but I'm reading now that we have to clear the code?
Was this
answer
helpful?
Yes
No
Thursday, January 7th, 2021 AT 12:52 PM (Merged)
Tiny
JOETECHPRO
  • MECHANIC
  • 705 POSTS
Hey JOANNAJU,

Does the engine crank but not start?

If there is now a signal from the camshaft sensor the vehicle should start.

Try clearing the code and see if it returns after attempting to start.

If this does not work I would check that you have power and ground to the sensor.

Can you please unplug the camshaft position sensor and with the ignition on check the voltage between pin 1 and battery negative?

You should have approx 5V.

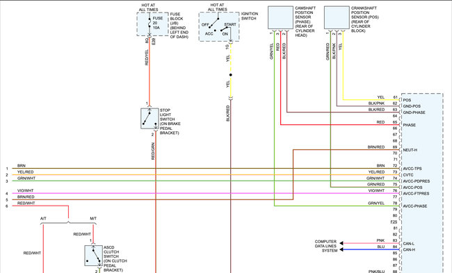
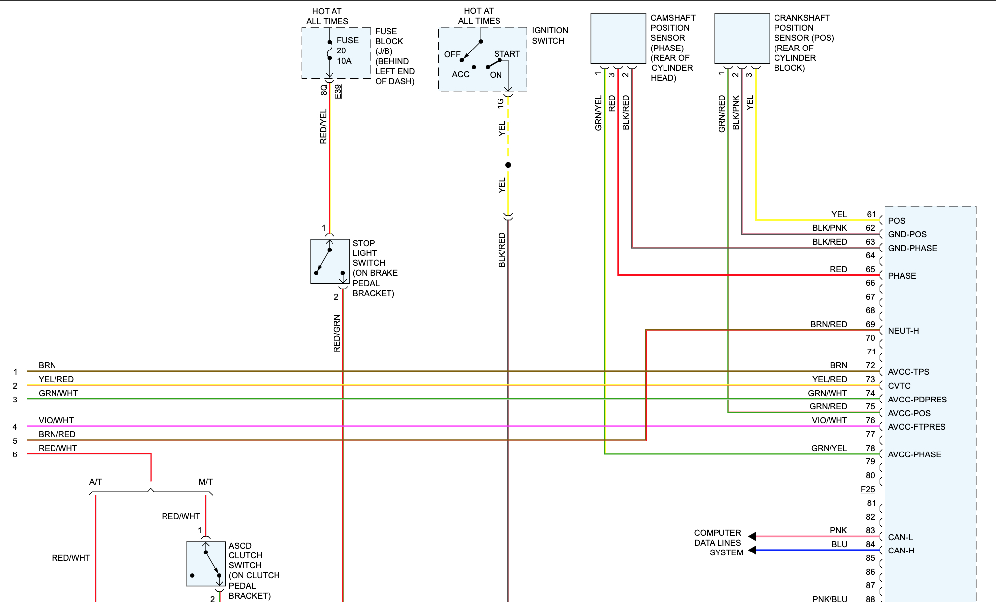
There are two ground connections in the second picture attached, please check these as described.

Regards, Joe
Was this
answer
helpful?
Yes
No
Thursday, January 7th, 2021 AT 12:53 PM (Merged)
Tiny
JOANNAJU
  • MEMBER
  • 2 POSTS
Thank you. I will have my son do what you suggested. Yes it cranks but not start.
Was this
answer
helpful?
Yes
No
Thursday, January 7th, 2021 AT 12:53 PM (Merged)
Tiny
JOETECHPRO
  • MECHANIC
  • 705 POSTS
Hey JOANNAJU,

Please do keep us updated on your progress.

If you need any further instruction on how to carry out the testing don't hesitate to ask.

Regards, Joe
Was this
answer
helpful?
Yes
No
Thursday, January 7th, 2021 AT 12:53 PM (Merged)
Tiny
NISSANHELPME
  • MEMBER
  • 3 POSTS
  • 2008 NISSAN SENTRA
  • 70,000 MILES
When I'm driving at highway speeds and I go to apply the brake, my idle speeds dips to below 500 rpm and my engine stalls. Other times when I'm braking, my idle rpm drops, but does not stall. I am worried what the problem might be. Please help!

Repair topic Engine/Brakes
Was this
answer
helpful?
Yes
No
Thursday, January 7th, 2021 AT 12:53 PM (Merged)
Tiny
JACOBANDNICKOLAS
  • MECHANIC
  • 110,194 POSTS
Check for vacuum leaks on the engine as well as check the idle air control valve (IAC). The IAC is responsible for maintaining the engine idle speed.
Was this
answer
helpful?
Yes
No
Thursday, January 7th, 2021 AT 12:53 PM (Merged)
Tiny
NISSANHELPME
  • MEMBER
  • 3 POSTS
Thanks. Until I am able to get it checked out, is it safe to drive? And where would recommend taking it to be checked?
Was this
answer
helpful?
Yes
No
Thursday, January 7th, 2021 AT 12:53 PM (Merged)
Tiny
JACOBANDNICKOLAS
  • MECHANIC
  • 110,194 POSTS
I really can't make any shop recommendations because I don't know where you are located. Also, chances are I won't know any of the shops near you.

Is it safe to drive this way? I would say yes and no. I don't think you'll hurt anything, but the engine shutting down could create a hazard. You need to be careful.

Let me know if you have other questions.

Joe
Was this
answer
helpful?
Yes
No
Thursday, January 7th, 2021 AT 12:53 PM (Merged)
Tiny
NISSANHELPME
  • MEMBER
  • 3 POSTS
Thanks so much Joe, I'll be careful.
Was this
answer
helpful?
Yes
No
Thursday, January 7th, 2021 AT 12:53 PM (Merged)
Tiny
JACOBANDNICKOLAS
  • MECHANIC
  • 110,194 POSTS
Let me know what you find or if you have other questions.

Joe
Was this
answer
helpful?
Yes
No
Thursday, January 7th, 2021 AT 12:53 PM (Merged)
Tiny
DEEANG3L
  • MEMBER
  • 1 POST
  • 2007 NISSAN SENTRA
  • AUTOMATIC
  • 101,000 MILES
My car has been randomly & infrequently shutting off. I will be driving & if I brake maybe too hard the battery light will come on and the car won't move. The power in the car will still be working (like the radio) but it's like the engine shuts off. When I put the car in park, turn it off and turn it back on it's usually good to go. Yesterday though when I put it in park & tried to turn it back on it just made a clicking sound and would not start. I had the car jump started & it came back on. But then it happened again with the clicking noise and when I had it jump started it would turn back on so I had to have the vehicle towed. Today my uncle who is a mechanic came to have a look & when he put the keys in the car started right up and he took it for a drive around the block & it was "fine." He took a look under the hood and was saying he doesn't see a problem because both my battery and starter look good. I'm not sure what the problem could be.
Was this
answer
helpful?
Yes
No
Thursday, January 7th, 2021 AT 12:53 PM (Merged)
Tiny
CARADIODOC
  • MECHANIC
  • 34,489 POSTS
From what you described, it sounds like the generator is quitting intermittently. That will allow the battery to run down while you're driving. Worn brushes inside the generator is the most common cause for this and will get gradually worse over the next weeks and months, but this usually doesn't happen yet at the mileage you listed. What is important to understand is any testing has to be done while the problem is occurring. If the charging system is tested while the problem is not occurring, of course everything will test fine.
Was this
answer
helpful?
Yes
No
+1
Thursday, January 7th, 2021 AT 12:53 PM (Merged)
Tiny
AFLAGG
  • MEMBER
  • 1 POST
  • 2005 NISSAN SENTRA
  • 170,000 MILES
I own a 2005 Nissan Sentra 1.8 and when I drive my car, suddenly with no warning it begins to decelerate and when I press the gas pedal nothing happens, this happens randomly from a quick run to the local store to a three hour drive home from school, what the heck is going on. It will decelerate steadily to 20 mph first and then slowly decelerate until 10 mph and then finally roll to a stop.
Was this
answer
helpful?
Yes
No
Thursday, January 7th, 2021 AT 12:53 PM (Merged)
Tiny
RIVERMIKERAT
  • MECHANIC
  • 6,110 POSTS
Have the computer scanned for both hard and soft codes and let us know what you find.
Was this
answer
helpful?
Yes
No
Thursday, January 7th, 2021 AT 12:53 PM (Merged)
Tiny
WILDCATD
  • MEMBER
  • 1 POST
I had a similiar problem. 2004 sentra 1.8 you be driving and just would die. Dealer had it for about two weeks changing parts after parts. Finally a tech said change the alternator even though it is reading fine. Haven't had a problem since. Threee different places checked the charging system and all said fine.
Was this
answer
helpful?
Yes
No
Thursday, January 7th, 2021 AT 12:53 PM (Merged)
Tiny
RIVERMIKERAT
  • MECHANIC
  • 6,110 POSTS
Any codes yet aflagg?
Was this
answer
helpful?
Yes
No
Thursday, January 7th, 2021 AT 12:53 PM (Merged)

Please login or register to post a reply.