Brake lights not working

Tiny
JACOBANDNICKOLAS
  • MECHANIC
  • 110,192 POSTS
Are you getting power to the switch? Is there power out of the switch? If there is, there has to be an open between the switch and lights. The only thing you can do is start tracing wires to see where the power is lost.
Was this
answer
helpful?
Yes
No
-1
Tuesday, April 23rd, 2019 AT 2:28 PM (Merged)
Tiny
RIVERATT
  • MEMBER
  • 12 POSTS
  • 2004 CADILLAC CTS
  • 10,200 MILES
Buddy owns a body shop and just checked everything
Bulbs ckecked good
2 boxes under rear seat checked. All relays, fuses, everything checks good.
Bar brake light on trunk lid works
Rear running lights and blinkers work.
Everything works except the R/L brake lights

He says the diagnostic machine indicates that I basically need to take it to the Cadillac Dealer. Something about a module or something and that Cadillac doesn't want me to know what's causing the light failure.
I'm trying to avoid the expenses if possible.
Would anyone know what the problem may be?
Or perhaps this has happened to you and yours was repaired. How?
Was this
answer
helpful?
Yes
No
Tuesday, April 23rd, 2019 AT 2:28 PM (Merged)
Tiny
CARADIODOC
  • MECHANIC
  • 34,480 POSTS
Avoiding expensive repairs went off the table when you bough an expensive car with a lot of "got'chas" built in by one of the three least customer-friendly manufacturers in the world. GM allows internet access to independent shops for only three of their up to 47 computers. They are mandated by the government to allow that access because those three computers are involved with emissions. They tie everything else up for themselves.

First you can try a new brake light switch. The high-mount light is on a different circuit than the other two lights. You should be able to get a clue to by the operation of the cruise control.

Also be aware the Body Computer is the master computer that all the other ones communicate with before they turn on. In an attempt to prevent owners from replacing the high-failure radios, GM built the Body Computer into the radio. When using their scanners on your car, the dealer's mechanics have the option of pressing the "lock" button. That electronically ties every other computer on the car to that radio. You will never notice that was done, and that programming can not be undone. From then on, if that radio ever fails, every other computer on the car must also be replaced and the software installed over their internet connection. Can you think of any legitimate reason to design a car like that?

If the brake light switch doesn't solve the problem, take the car to the dealer and have your wallet ready. If the day ever does come that multiple computers are required, you don't want to have to guess who is to blame for locking them together.
Was this
answer
helpful?
Yes
No
Tuesday, April 23rd, 2019 AT 2:28 PM (Merged)
Tiny
RIVERATT
  • MEMBER
  • 12 POSTS
Caradiodoc: I really appreciate the detailed information provided in your reply. Thanks a bunch for that, my friend.
No doubt you answer has much merit. I wasn't really privvy to exactly what my buddies diagnostic machine was doing but he did mention something about a "coded lock" when mentioning taking it to a dealer because they don't want me knowing what's actually wrong. Most likely as a means to charge their high prices. "Got'cha's". That's about right.
What "clue" might I find when operating the cruise control?
Will it not function correctly or function in a manner that is noticeably different?
This may or may not have any bearing on what the problem is or maybe it will shed some light on exactly what the problem is but I've noticed that the sunroof has open up in the tilted position 2 or 3 times on it's own over the past few weeks. The switch seems to work properly in all positions but opening up on it's own certainly isn't normal.
I will read up some more on changing the brake light switch. I gather the 3rd light switch is in the truck so the common light switch is likely mounted up on the pedal somewhere.
I seem to recall having to do a few steps with the ignition switch and gas pedal when installing a new battery and wonder if anything like that is necessary when replacing the brake light switch?
I'm hoping it's as simple as unplugging it and unmounting it and then maybe having to set the length when installed. And I'm hoping the switch corrects the problem (though I'm seriously doubting it will)
Would you know if it's a NO or NC switch? Maybe I can put a meter on it and test for continuity before buying a replacement that I don't need?
Thanks again for you time in sharing your knowledge, sir.
Was this
answer
helpful?
Yes
No
-1
Tuesday, April 23rd, 2019 AT 2:28 PM (Merged)
Tiny
CARADIODOC
  • MECHANIC
  • 34,480 POSTS
You got me now. The only reason I know about the switch is a former student calls me to chat a couple of times per week and he likes to share some of his stories. He had a GM car last week with the dead main brake lights and just the high-mount one working. On older cars, after leaving the switch, one wire goes to the high-mount light and one goes to the turn signal switch, then to the two brake lights. That is on cars where the brake light and turn signal light are one and the same. His problem was caused by the brake light switch.

The cruise control is tied in, typically on both sides of the main brake light switch which is normally closed, but held open when the pedal pushes it back. When it closes, voltage is sent to the signal switch and to the Engine Computer or cruise control module for the "cancel" signal. Something in the system, commonly the servo, gets its voltage from the feed side of the brake light switch. That is so the cruise control won't work if the brake light fuse is blown. If that fuse is blown, there would be no way to get that cancel signal when you tap the pedal, and the car would keep on going until they found you in the next county!

Some Chrysler models use a third switch inside the brake light switch for the cruise control system. That one is normally open but is held closed when the pedal is released. Current flows through it to power the solenoids in the servo. That is like a backup to insure it cuts out when the brake pedal is tapped. Pitted contacts can prevent that system from working although that isn't real common. To set the system, the brake light circuit still has to be working, but as I recall, the cruise will still work if the brake light switch contacts are open.

I can't remember what I was told last week but the cruise control did provide the clue. I would assume it either didn't set at all or it didn't cancel when tapping the pedal. I find it hard to believe it would work and not cancel. Designing the system that way could leave them open to lawsuits. People will notice a non-working cruise control and investigate further, but most drivers will not notice non-working brake lights.

First look at how many wires go to the switch. On the off chance there's only two, that switch has to be good if the high-mount light is working. Then suspect the turn signal, (multifunction), switch. If your rear signal light bulbs are different than the brake lights, all three brake lights should be wired together. In that case, look for a corroded splice, cut wire, or rusted ground wire. Your car is too new to be expecting corrosion already. What I would expect to find would be where someone used a ScotchLok connector to splice in a wire for a trailer harness. Those connectors don't seal out moisture.

If your brake light switch has four or six wires, you're going to just have to check with the voltmeter to see if voltage switches state when you press the pedal. On older cars, the orange wire was the 12 volt feed and the white wire was the switched 12 volts that went to the signal switch.
Was this
answer
helpful?
Yes
No
+2
Tuesday, April 23rd, 2019 AT 2:28 PM (Merged)
Tiny
RIVERATT
  • MEMBER
  • 12 POSTS
And thanks again. I'm now out of town and won't be able to check things but the cruise control does work. I'll know tomorrow if it seems a bit more touchy or seems out of the norm. I haven't actually looked for an added "tie in" wire for towing brake lights but the crimped, pinched, cut wire theory certainly hit home. The rear bumper has been recently pulled for a minor nick/crack repair. By my buddy that owns the shop and didn't hesitate to put an hours labor into testing what his tech could with the machine. Perhaps a wire has been pinched pulling and replacing the rear bumper. The brake lights failed within 30 days of that work having been done. I'd welcome your opinion on that matter.
Was this
answer
helpful?
Yes
No
Tuesday, April 23rd, 2019 AT 2:28 PM (Merged)
Tiny
CARADIODOC
  • MECHANIC
  • 34,480 POSTS
I'm not an expert at bodywork, but I've already caused problems on my own cars. The place to start looking is where work was recently done.
Was this
answer
helpful?
Yes
No
Tuesday, April 23rd, 2019 AT 2:28 PM (Merged)
Tiny
MONALISA_2
  • MEMBER
  • 1 POST
  • 2004 CADILLAC CTS
  • 118,005 MILES
2004 cts base - 3.6 cyl - But both back brake lights do work. Just had brake light pump and harness replaced because before that, NO brake lights were working. Also, on front passenger headlight, only the small triangle light works, and not the other beams.
Was this
answer
helpful?
Yes
No
Tuesday, April 23rd, 2019 AT 2:28 PM (Merged)
Tiny
FACTORYJACK
  • MECHANIC
  • 4,159 POSTS
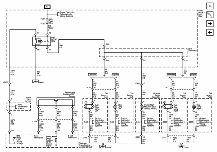
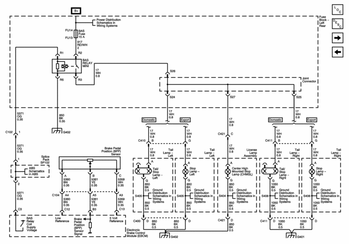
Look at the schematic I have included. If the high mount works, it verifies that the switch, relay, and at least one ground are good. You say the bulbs 'checked' good. Was this check done by just looking at the filaments? Often times it is not the filament that is open. Before you spend much more time pulling your hair out, try some known good bulbs. You may be surprised. If bulbs still don't correct the concern, then look for power getting to the sockets, as well as ground. If you have power, ground, and known good bulbs still provide no stoplamps, you have faulty sockets. Two sockets to be failed, would be rare. Two bulbs failed is more probable. The only module in play is the ABS module(EBCM). If there was a problem there, causing no BAS relay activity, you would have no brake lights at all, and more than likely no cruise. I'm betting you have two bad bulbs.
Was this
answer
helpful?
Yes
No
+1
Tuesday, April 23rd, 2019 AT 2:28 PM (Merged)
Tiny
HMAC300
  • MECHANIC
  • 48,601 POSTS
Check fuses underhood for headlights and check bulbs for third light. The pic shows the part that has to be removed to gain access to light bulbs.
Was this
answer
helpful?
Yes
No
Tuesday, April 23rd, 2019 AT 2:28 PM (Merged)
Tiny
RIVERATT
  • MEMBER
  • 12 POSTS
Thanks for the schematic.
Bulbs checked out = new bulbs were installed.

A new switch has been ordered and we'll see if that corrects the problem.
The cruise control does work at the moment. Whether or not it's "touchy", I don't know. The wife says it feels the same to her but I'm not able to check that at the moment.
I will be forwarding the attached schematic to the Body shop. It may help when they change the switch.
Thanks to all who have posted their knowledge to help. That's really awesome.
Switch shouyld be installed by Friday but I will keep this thread informed as it may prove to be as helpful to someone else as it has been to me. And when it's all wrapped up I will be makin g a donation. This truly is a great site with an even greater cause. Thanks again guys.
Was this
answer
helpful?
Yes
No
Tuesday, April 23rd, 2019 AT 2:28 PM (Merged)
Tiny
CADIEMAN
  • MECHANIC
  • 3,544 POSTS
Check the brake switch and check at the sockets for power with the pedal pushed with a test light. If voltage goes through the brake switch but not to the sockets. Buy a turn signal switch and plug it in without installing it. The rear lights will start working. Then u will need to install the switch. Use a mobil steering colume repair co. Cheeper. Ty for using 2carpros
Was this
answer
helpful?
Yes
No
Tuesday, April 23rd, 2019 AT 2:28 PM (Merged)
Tiny
RIVERATT
  • MEMBER
  • 12 POSTS
So with the pedal pushed in (or the switch in the position it would be with the pedal pushed) if power is going through the switch but not making the circuit through the bulbs, the blinker switch now comes into play? Which side of the blinker switch: hot or ground? I take it hot travels through it on it's way to the relay? And where might the harness/plug in the blinker switch be located? In looking at the schematic, I'm curious about this "EBCM" module. It's location in the vehicle and a means of testing it.
Thanks for sharing. As for using 2carpros, ikt's my pleasure. And thank you and the many like you that share your cost free knowledge.
Was this
answer
helpful?
Yes
No
Tuesday, April 23rd, 2019 AT 2:28 PM (Merged)
Tiny
FACTORYJACK
  • MECHANIC
  • 4,159 POSTS
So, which switch are you working with? There is not a switch in the circuit. There is a brake pedal position sensor. After this sensor has been replaced, it needs to be calibrated after replacement. You need to see if the data for the EBCM is showing a brake pedal applied. Which, by the way, was confirmed before you replaced the switch, as indicated by the high mount illuminating. If the high mount is illuminating, the only faults you have to consider, are wiring, connections, and sockets. The schematic shows wire colors, if there is not power present on the appropriate circuits at the sockets, then start tracing the circuits back to find the loss.
Was this
answer
helpful?
Yes
No
Tuesday, April 23rd, 2019 AT 2:28 PM (Merged)
Tiny
TAVANOT
  • MEMBER
  • 1 POST
  • 2004 CADILLAC CTS
2004 Cadillac CTS 6 cyl 72000 miles

I failed inspection for the lrear brake lights not working. I changed the bulbs but no luck. To it to Meineke and was told that the problem is the brake switch. The next day a got a call and they told me that the switch is part of a brake pedel assembley and it would cost $200 plus 250 labor. Did I get taken? I read on the site that soem guys were able to replace the switch themselves.
Was this
answer
helpful?
Yes
No
Tuesday, April 23rd, 2019 AT 2:28 PM (Merged)
Tiny
KHLOW2008
  • MECHANIC
  • 41,814 POSTS
Hi tavanot,

From our database the stop light switch is listed at $ 20.48 and the time for replacement is 0.5 hour.

This is the first time that I hear of brake switches being integral to the brake pedal. I would get a second opinion.
Was this
answer
helpful?
Yes
No
Tuesday, April 23rd, 2019 AT 2:28 PM (Merged)
Tiny
CADIEMAN
  • MECHANIC
  • 3,544 POSTS
The turn signal harness is mounted to the side of the steering or the wires come out the steering column and they run right to a wiring block. Take the block apart. The turn signal locks on one side of the connecter and the wiper switch on the other side. Lock the 2 connectors to the harness then screw it into the body harness. The brakes should work then u need to have the switch installed. As I said.
Was this
answer
helpful?
Yes
No
Tuesday, April 23rd, 2019 AT 2:28 PM (Merged)
Tiny
RIVERATT
  • MEMBER
  • 12 POSTS
Cadieman: Thanks again. I'm hoping that replacing the brake switch will solve the problem. Replacing the blinker switch sounds like a PIA. So as not to be confused, the brake switch on the pedal needs only be unplugged, unmounted with the new switch going in the same way."Nothing further" required?
Was this
answer
helpful?
Yes
No
Tuesday, April 23rd, 2019 AT 2:28 PM (Merged)
Tiny
FACTORYJACK
  • MECHANIC
  • 4,159 POSTS
I don't know what schematic you all are looking at, but you are getting blown way off course. The turn signal switch does not even come into the picture, because it has separate turn signals, the little amber squares in the bottom of the tail lamp assemblies. Replacing the brake pedal position sensor will not cure the condition, because the functionality is confirmed by the high mount illuminating, right? The white wire that leaves the BAS relay, goes to a junction within the rear fuse block, and then goes to three places, the right/left brake lamps, AND the high mount. It is all the same circuit. If the high mount lights, you have problems at one or more of the following; connector C410 AND C411 on the power side, C400 AND C411 on the ground side, grounds G402 AND G401, terminals S24 AND S25 at the joint connector, BOTH tail/brake sockets, or the appropriate wiring in between.
Was this
answer
helpful?
Yes
No
Tuesday, April 23rd, 2019 AT 2:28 PM (Merged)
Tiny
RIVERATT
  • MEMBER
  • 12 POSTS
The schematic being referred to is the attachment you enclosed in your reply (3 replies up). This is becomming frustrating due to the fact that I know absolutely nothing about the problem I'm having with these lights. Nor how to go about correcting it as cost-effective as possible.
If your 2004 CTS slid around a corner and off the road into a small gulley of a ditch causing minimal body damage and a stripped out plug in the radiator bottom (losing most of the ATF) only and a shop had replaced both headlight assemblies (complete)in addtion to removing/replacing the rear bumper and racking the vehicle to clean the undercaridge, where would you likely start regarding this brake light issue? All lights as well as everything else was checked and confirmed functioning when it left the shop. Somewhere between then and now the brake lights stopped working. Thanks for the help. It's greatly appreciated.
Was this
answer
helpful?
Yes
No
Tuesday, April 23rd, 2019 AT 2:28 PM (Merged)

Please login or register to post a reply.