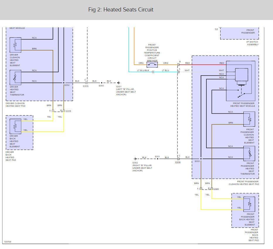
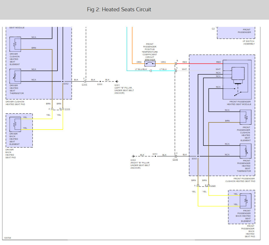
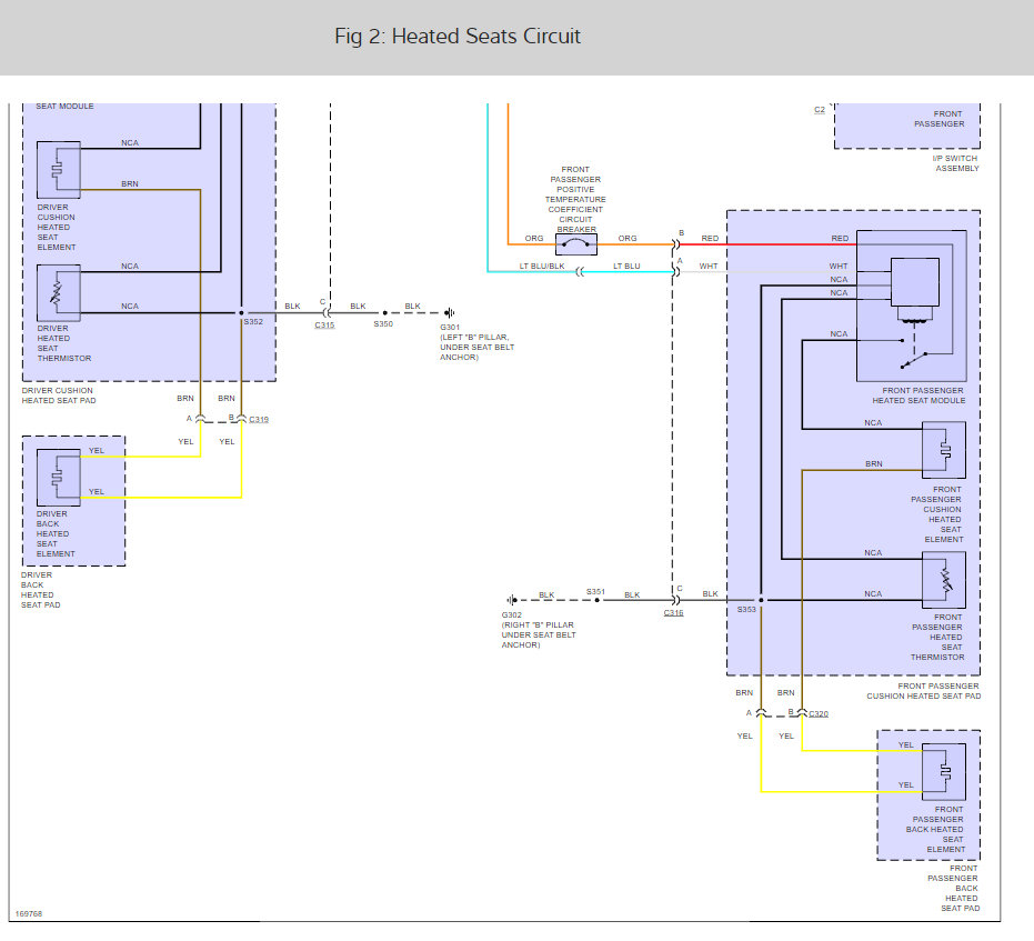
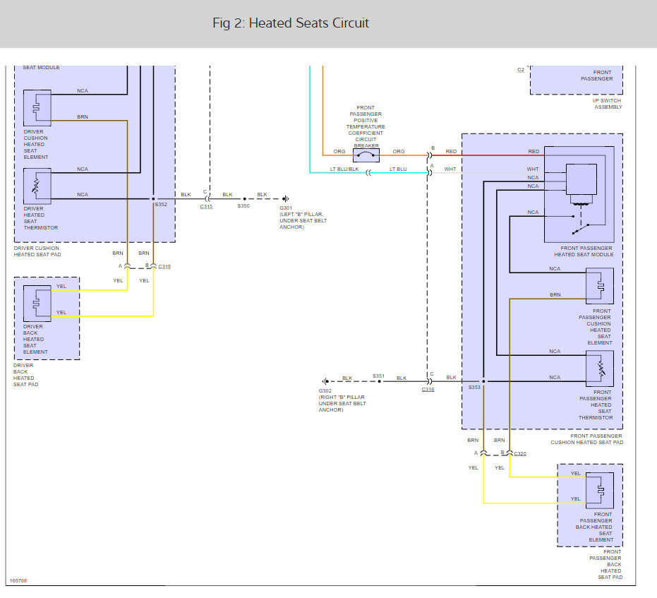
Im pretty much a car idiot, but was hoping to get some advice. Recently, my 2003 Buick Rendezvous, heated seats just stopped working. No light on panel switch button and no heat from seats.
Could this be as simple as a fuse? Or has anyone else experienced this same problem? Any input would be welcome.
Thanks
Friday, November 28th, 2008 AT 10:36 AM













