Monday, December 18th, 2017 AT 1:20 PM
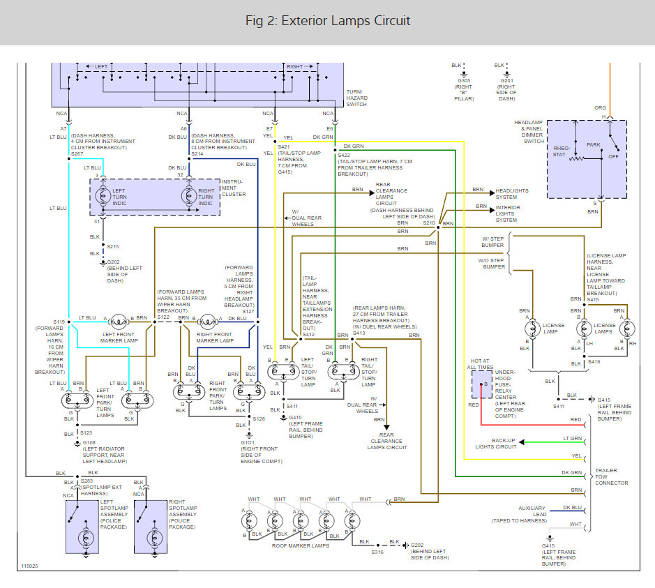
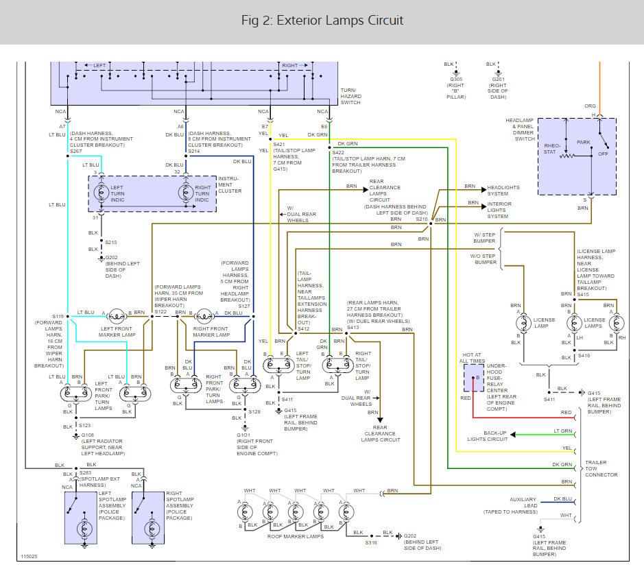
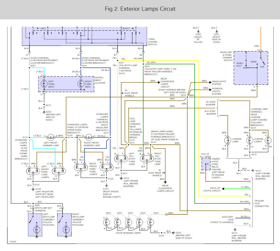
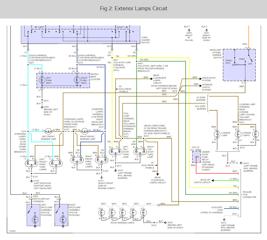
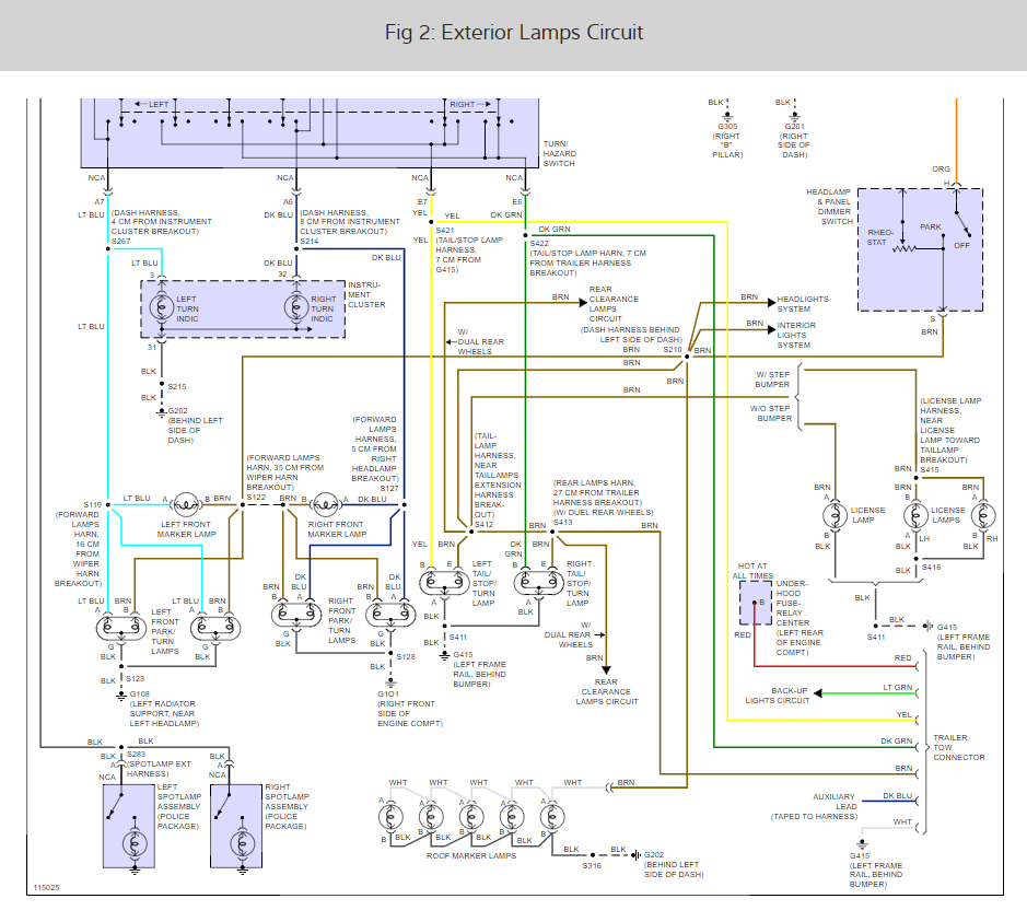
Hello, I am having a problem with my brake lights. I have checked fuses in both under hood as well as inside cab. I have purchased a new brake switch and installed it. I have replaced bulbs. When truck is on the running (top lights ) on brake lights work. The turn signals on both sides (middle bulbs) work and bottom lights work they turn on in reverse. My top third brake lights will not come on either. Any suggestions as to my next step to check?











