Sunday, June 6th, 2021 AT 9:21 AM
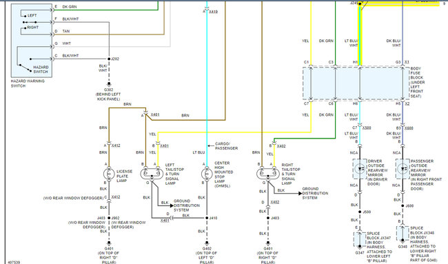
My trailer lights got pulled apart at the trailer, doesn't look like it pulled any wires from inside the van. Now I have no brake lights and my turn signals only flash at the front right.










