Brake lights suddenly stopped working?

Tiny
SHLBTWD
  • MEMBER
  • 2001 CHEVROLET LUMINA
  • AUTOMATIC
  • 178,000 MILES
All of a sudden, the brake lights quit working and the running lights, and the bulbs and the fuses seem to be good still.
Sunday, October 29th, 2023 AT 2:18 PM

1 Reply

Tiny
JACOBANDNICKOLAS
  • MECHANIC
  • 110,194 POSTS
Hi,

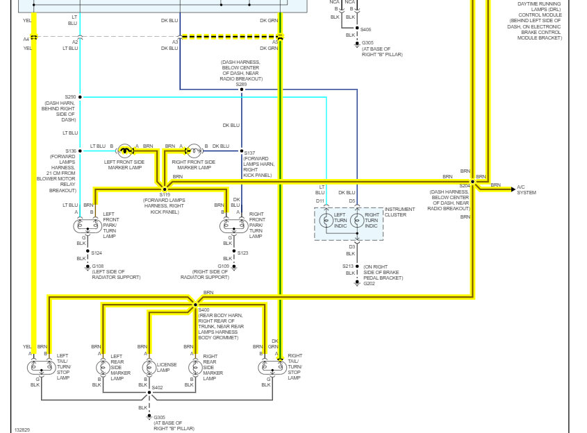
Do the turn signals, backup lights, and license plate lamps work? I ask because they all share a common ground. So, if one works, the ground is an unlikely cause.

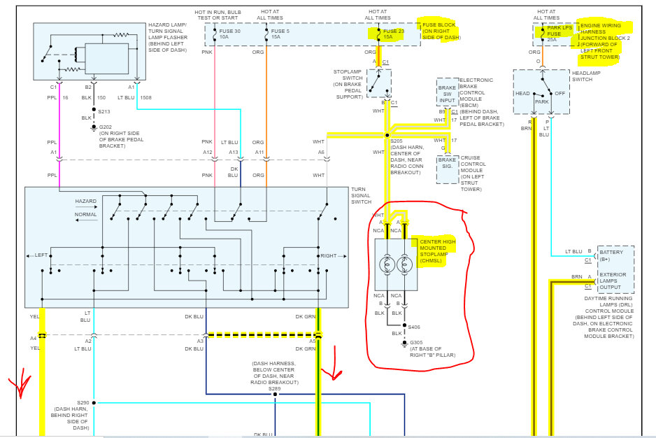
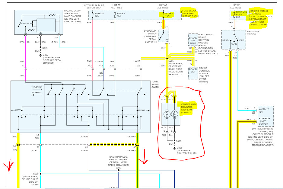
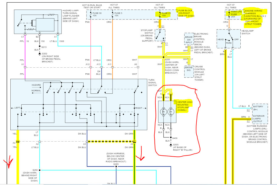
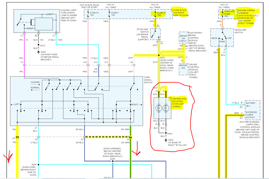
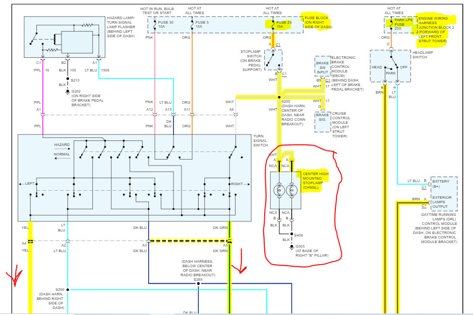
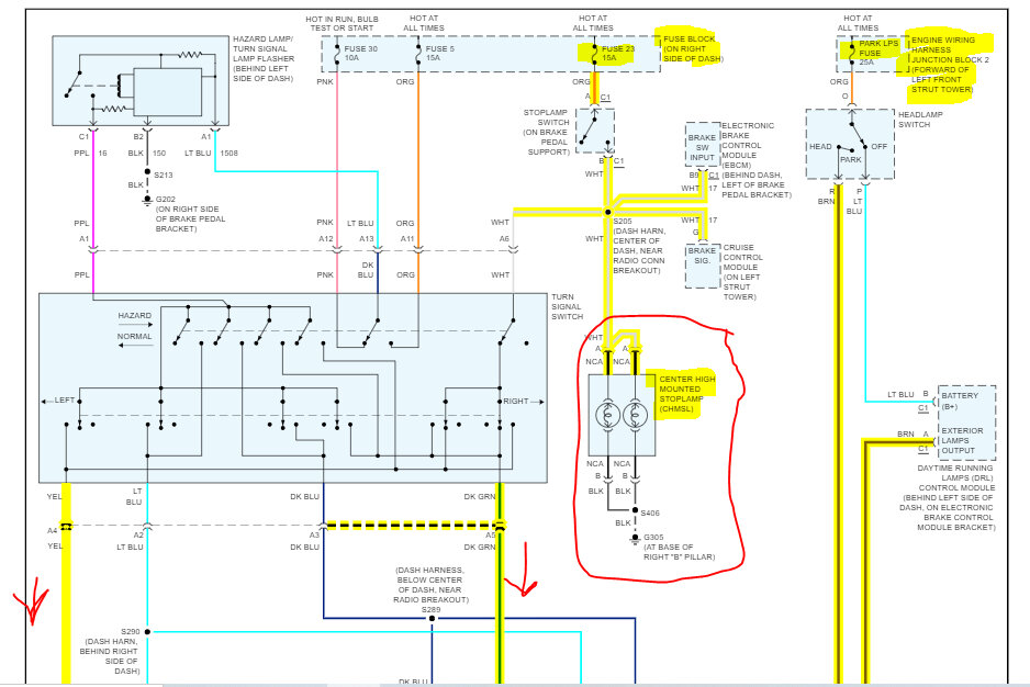
Next, when you depress the brake pedal, does the center high mount stop light work? I ask because the power the CHMSL receives power directly from the brake lamp switch. The other brake lights' power goes through the turn signal switch first. I'm trying to narrow things down.

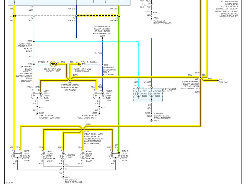
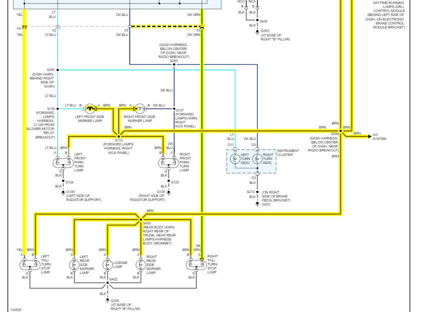
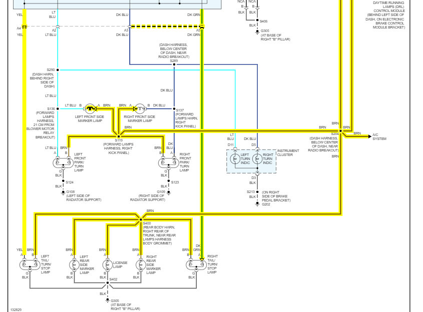
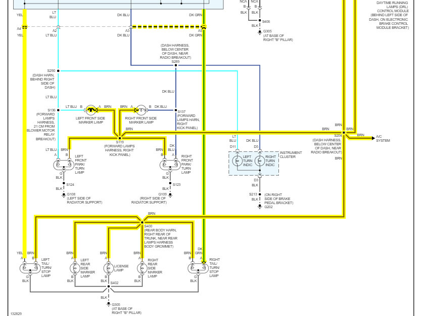
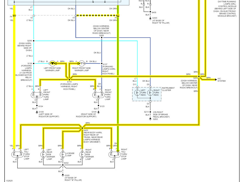
Let me know. Also, confirm if the CHMSL works, the front parking lights, backup lamps, rear turn signals, and if the license plate lamps work. Additionally, I attached the wiring schematic below so that you have a reference. The highlighted wires were from me seeing how the power traveled.

Let me know.

Take care,

joe

See pics below. Note: I had to cut the schematic in half to make them readable for you. I did overlap the two so you can follow from one to the next.
Was this
answer
helpful?
Yes
No
Sunday, October 29th, 2023 AT 7:57 PM

Please login or register to post a reply.