2000 Lumina Break Lights

Tiny
BSCOTTMCC
  • MEMBER
  • 2000 CHEVROLET LUMINA
  • 6 CYL
  • 2WD
  • AUTOMATIC
  • 75,000 MILES
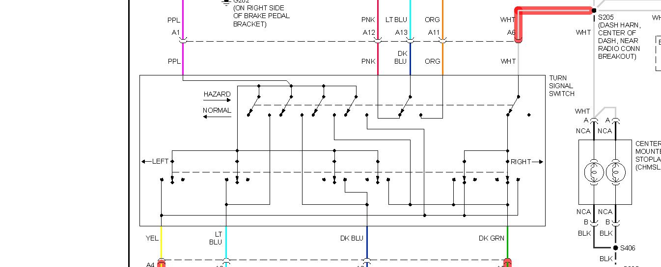
First no light s were working. Had a guy work on it and got all my lights working except the break lights. My middle light worked. He said the middle light was on a different conection, and that I needed a break light switch. So I got one, and it break lights still don't work. I've had 2 people check to make sure switch was installed properly and needed no adjustment. Course. Checed all bulbs and fuses. Any help or advise would be grealy appreciated.
Thanks
Scott
Sunday, February 6th, 2011 AT 7:12 AM

2 Replies

Tiny
FIXITMR
  • MECHANIC
  • 9,990 POSTS
Check bulb socket for hot and ground to see which is missing. Check in and out of switch for power.
Was this
answer
helpful?
Yes
No
Sunday, February 6th, 2011 AT 7:25 AM
Tiny
RASMATAZ
  • MECHANIC
  • 75,992 POSTS
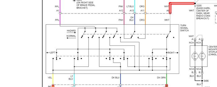
If the checks above are okay-test the turn signal switch the brake light ciruit goes thru there before the light
Was this
answer
helpful?
Yes
No
Sunday, February 6th, 2011 AT 9:21 AM

Please login or register to post a reply.