Tuesday, October 6th, 2009 AT 8:29 AM
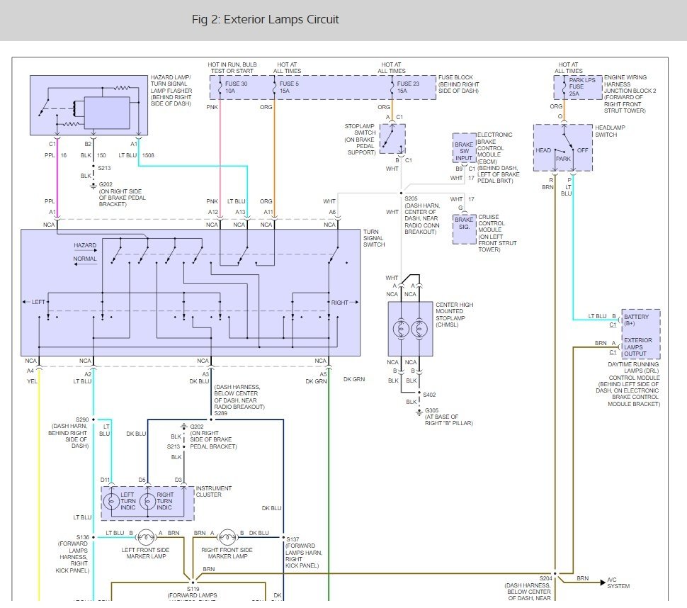
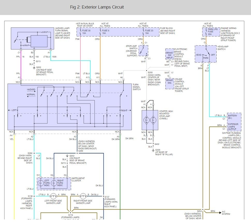
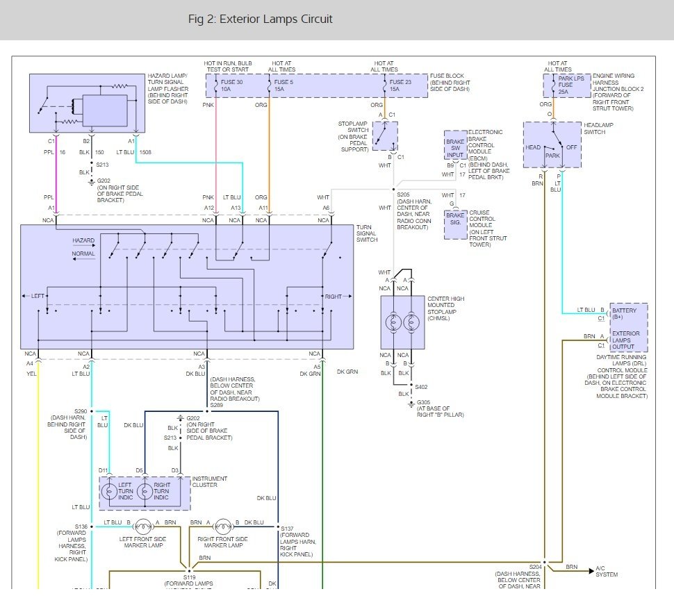
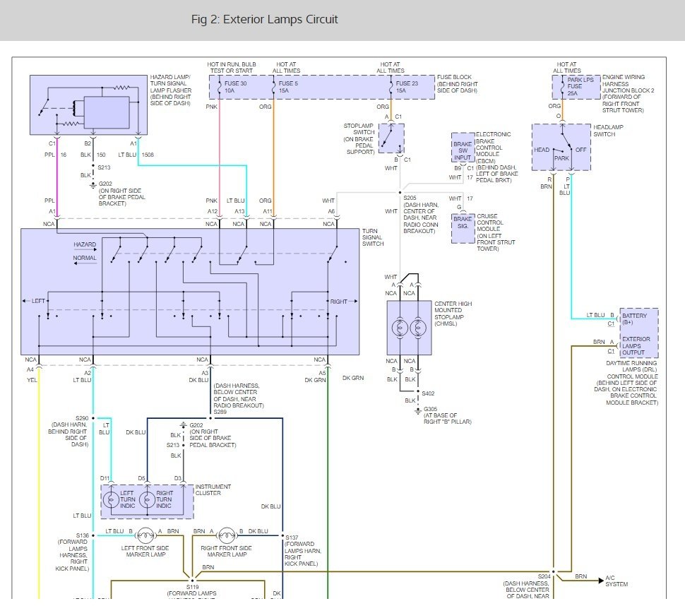
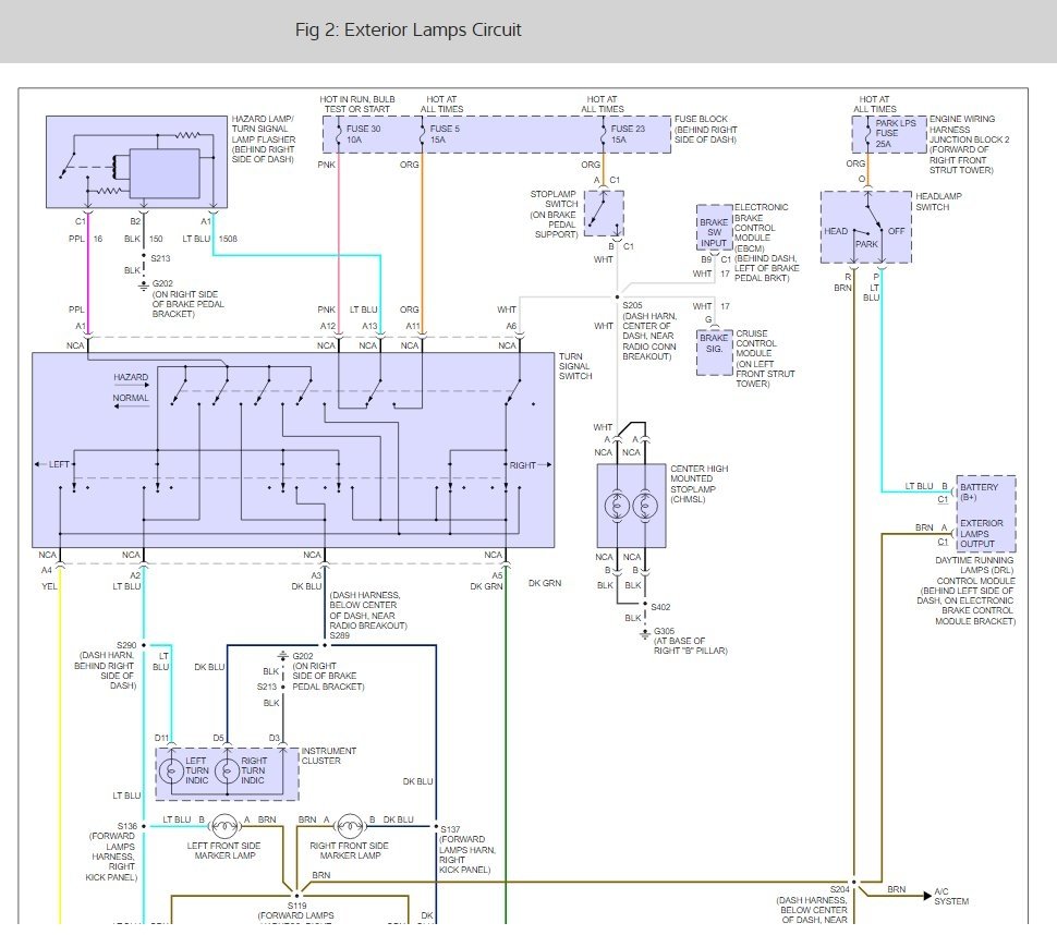
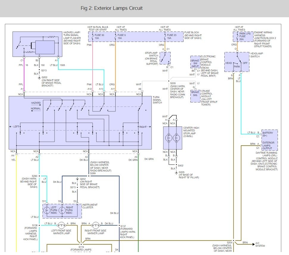
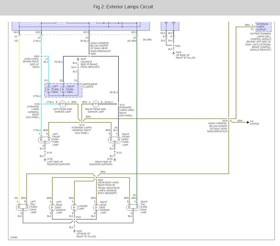
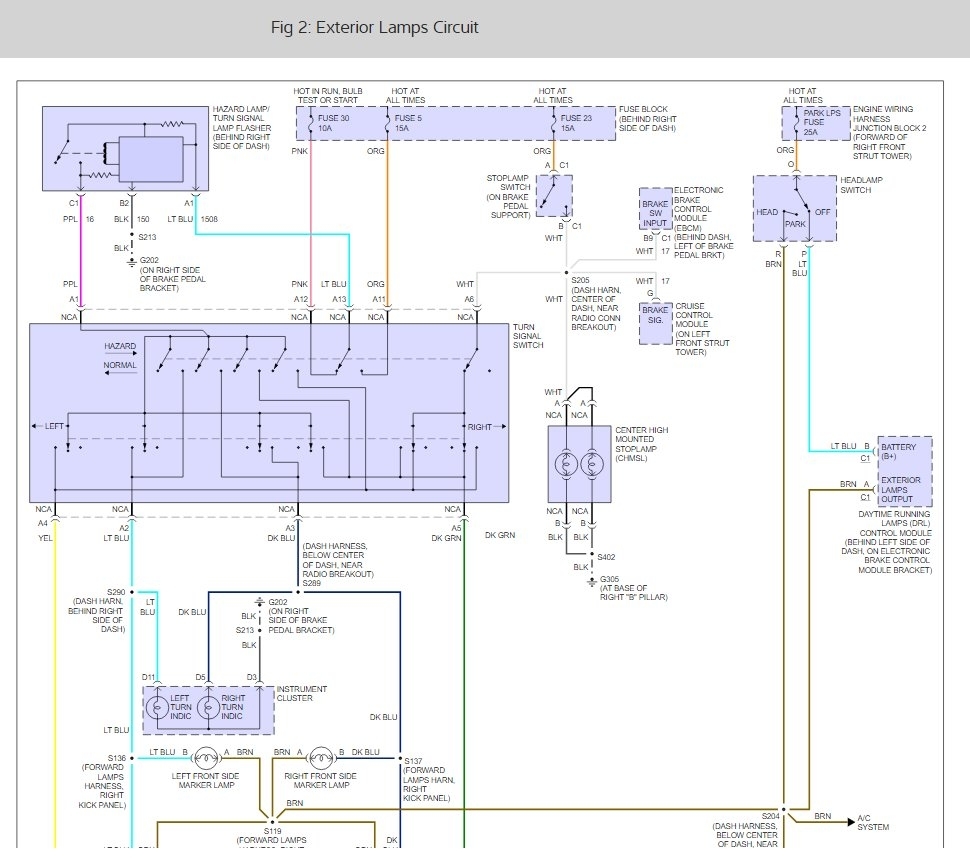
The brake lights in my car aren't working. My husband replaced all the light bulbs for the tail lights in my car, but when I put my foot on the brake pedal, the brake lights don't light up and there is no way to tell that I've put my foot on the brakes. I have a third light in my car, at the back dashboard, at the back windshield, on the inside of the car, and it lights up when I put my foot on the brake. But the tail lights of my car don't light up when I put my foot on the brake. I was wondering if you might know if this may be a wiring problem or electrical problem, or any other reason why my brake lights aren't lighting up when I put my foot on the brake? Thanks for your help.


