I think a got bad brake Master

Tiny
ELIZABETH DAVIS FREAR
  • MEMBER
  • 2008 CHEVROLET SILVERADO
  • 4.3L
  • V8
  • 4WD
  • AUTOMATIC
  • 168,000 MILES
Replaced the master cylinder. Bled them getting only fluid. Have pressure in pedal until starting engine then pedal goes all the way to floor. I think a got bad master.
Tuesday, September 24th, 2019 AT 3:21 PM

24 Replies

Tiny
SCGRANTURISMO
  • MECHANIC
  • 4,897 POSTS
Hello,

This could be a problem with the brake master cylinder not being bench bleed. These guides can help you fix it.

https://youtu.be/w7gUsj2us0U

and

https://youtu.be/WDxvEQrMkBg

and

https://www.2carpros.com/articles/brake-pedal-goes-to-the-floor

Please run down this guide and report back.
Was this
answer
helpful?
Yes
No
Wednesday, September 25th, 2019 AT 3:00 AM
Tiny
JWHITT
  • MEMBER
  • 1 POST
  • 2006 CHEVROLET SILVERADO
  • 0.6L
  • V8
  • TURBO
  • 4WD
  • AUTOMATIC
  • 140,000 MILES
Code says master cylinder pressure sensor means I need to replace the master can you help me please?
Was this
answer
helpful?
Yes
No
-1
Monday, February 22nd, 2021 AT 5:40 PM (Merged)
Tiny
KEN L
  • MASTER CERTIFIED MECHANIC
  • 55,322 POSTS
Hello,

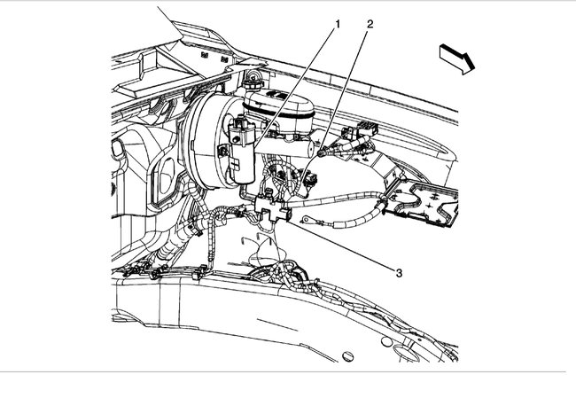
The sensor is on the brake master cylinder here is a diagram to help you see where it is. This guide and video will help you get the job done. Here is a guide to help you step by step with instructions in the diagrams below to show you how on your car.

https://youtu.be/WDxvEQrMkBg

and

https://www.2carpros.com/articles/how-to-replace-a-brake-master-cylinder

Check out the diagrams (Below). Please let us know if you need anything else to get the problem fixed.
Was this
answer
helpful?
Yes
No
+1
Monday, February 22nd, 2021 AT 5:40 PM (Merged)
Tiny
SEYMOUR STREIGOLD
  • MEMBER
  • 1 POST
  • 2003 CHEVROLET SILVERADO
  • V6
  • 2WD
  • AUTOMATIC
  • 100,000 MILES
Driving truck stepped on brakes pedal went to floor. No leaking fluid, master full. With engine off full pedal. With engine running pedal goes to floor.
ABS light been on for a while before problem.
Was this
answer
helpful?
Yes
No
Monday, February 22nd, 2021 AT 5:41 PM (Merged)
Tiny
KASEKENNY
  • MECHANIC
  • 18,907 POSTS
Sounds like the master cylinder has an internal leak. The master cylinder relies on two chambers being sealed to create the pressure advantage to apply the brakes.

It seems like you have a pedal when the engine is off because you don't have the vacuum assist from the booster.

Let me know if this makes sense or if I am missing something. Thanks
Was this
answer
helpful?
Yes
No
+1
Monday, February 22nd, 2021 AT 5:41 PM (Merged)
Tiny
JOHNATHAN ADAMS
  • MEMBER
  • 2 POSTS
  • 2003 CHEVROLET SILVERADO
  • 5.3L
  • V8
  • 4WD
  • AUTOMATIC
  • 170,000 MILES
My dads truck had a brake line blow. We changed the line, bled all four corners, and another blew. Got it changed, had to change master cylinder as well because it was leaking internally. Got everything changed out, had pressure without the truck on, but as soon as the key was turned they went to the floor. It has ABS brakes. What else could cause it to have no pressure when running? The truck is the 1500 model.
Was this
answer
helpful?
Yes
No
Monday, February 22nd, 2021 AT 5:41 PM (Merged)
Tiny
KEN L
  • MASTER CERTIFIED MECHANIC
  • 55,322 POSTS
It sounds like you have air still trapped int he system. When you replaced the master cylinder did you bench bleed it?

Here is a guide to help you get the job done and back on the road:

https://www.2carpros.com/articles/how-to-replace-a-brake-master-cylinder

and

https://www.2carpros.com/articles/how-to-bleed-or-flush-a-car-brake-system

Please let us know what happens and upload pictures or videos of the problem.

Cheers, Ken
Was this
answer
helpful?
Yes
No
+2
Monday, February 22nd, 2021 AT 5:41 PM (Merged)
Tiny
JOHNATHAN ADAMS
  • MEMBER
  • 2 POSTS
Thanks for the information Ken.

Yeah we bench bled the cylinder. I am thinking that when we did that, I accidentally shoved the piston to far into the cylinder and blew a seal in it. Or it was just a defective cylinder to begin with. Or a combination of the two. Could that have caused it? The last time we changed it, we did not bench bleed it, but we bled it on the truck and never had this problem. So a new cylinder is probably in order, but we are going to change out the rear calipers first because the driver side is froze. I will post pictures when we get up to the garage to work on it. I have none at the moment. I am also wondering if an air pocket in the frozen caliper could cause the problem? I know enough about working on cars to get me into trouble, but not enough to consider myself a mechanic.

Thanks again,
Johnathan
Was this
answer
helpful?
Yes
No
+1
Monday, February 22nd, 2021 AT 5:41 PM (Merged)
Tiny
KEN L
  • MASTER CERTIFIED MECHANIC
  • 55,322 POSTS
That is what you have us for, we can help you with anything. :) The air in the system should be able to be bled out even with a frozen caliper. Let me know what happens after the new master cylinder.

Best, Ken
Was this
answer
helpful?
Yes
No
Monday, February 22nd, 2021 AT 5:41 PM (Merged)
Tiny
RONNIEFRANKIN
  • MEMBER
  • 7 POSTS
  • 1998 CHEVROLET SILVERADO
  • 5.7L
  • V8
  • 300,000 MILES
I installed a new master cylinder on my truck but it leaks between the master cylinder and the booster. Does it require a gasket or what am I doing wrong? Thanks
Was this
answer
helpful?
Yes
No
Monday, February 22nd, 2021 AT 5:41 PM (Merged)
Tiny
CARADIODOC
  • MECHANIC
  • 34,468 POSTS
Nope. The rear seal is leaking. Since this is a newly-rebuilt master cylinder, the seal got torn by improper or careless installation procedures, there is a scratch on the metal push rod that got overlooked, or a little impacted debris got missed and cut the seal. Any reputable auto parts store will exchange it for another one. This does not happen very often, so I would not be worried about getting a replacement from the same supplier.

Be aware too that rubber seals are lubricated with Brake Assembly Lube to make installation easier. That is essentially real thick brake fluid. If you are seeing residue of that, you do not have to worry about it. The clue that the rear seal is leaking is the fluid level will keep on going lower in the reservoir.
Was this
answer
helpful?
Yes
No
+1
Monday, February 22nd, 2021 AT 5:41 PM (Merged)
Tiny
SGTMAJOR6869
  • MEMBER
  • 1 POST
  • 1997 CHEVROLET SILVERADO
  • V8
  • 4WD
  • AUTOMATIC
  • 126,000 MILES
The front and rear brakes were repaired on my vehicle. The truck sat for about a week and when I went to drive it I had hardly no brakes. On checking the system I found the the master cylinder had no fluid in the front portion. I cant see any leaks but I have not removed the wheels and I see no fluid on the ground. Any ideas? Thanks.
Was this
answer
helpful?
Yes
No
Monday, February 22nd, 2021 AT 5:41 PM (Merged)
Tiny
WRENCHTECH
  • MECHANIC
  • 20,761 POSTS
If the reservoir is low or empty, then you surely have a leak. The front reservoir may be for the rear brakes, especially if it is the smaller reservoir. You are not looking for puddle type leaks because there isn't that kind of quantity and water washes it off. You just looking for a moist area.
Was this
answer
helpful?
Yes
No
Monday, February 22nd, 2021 AT 5:41 PM (Merged)
Tiny
HENRYR79
  • MEMBER
  • 46 POSTS
  • 1985 CHEVROLET SILVERADO
  • 5.7L
  • V8
  • 2WD
  • AUTOMATIC
What would cause three master cylinders to go out within approximately three years on this truck? It is driven only about 6 to 8 months out of the year and these times are usually short trips around town. Two for sure have gone bad leaking fluid out of the rear into the brake booster. I have had to change this as a result once within the past three years.
Was this
answer
helpful?
Yes
No
Monday, February 22nd, 2021 AT 5:41 PM (Merged)
Tiny
CARADIODOC
  • MECHANIC
  • 34,468 POSTS
Are these used or rebuilt master cylinders?
Was this
answer
helpful?
Yes
No
Monday, February 22nd, 2021 AT 5:41 PM (Merged)
Tiny
HENRYR79
  • MEMBER
  • 46 POSTS
I am not sure. Haven't found the receipt, but they are from O'Reilly Auto.
Was this
answer
helpful?
Yes
No
Monday, February 22nd, 2021 AT 5:41 PM (Merged)
Tiny
CARADIODOC
  • MECHANIC
  • 34,468 POSTS
Dandy. That means they're professionally-rebuilt, not used ones from a salvage yard.

The most common cause of repeat failure is improper bleeding procedures, namely pushing the brake pedal all the way to the floor, but that results in different symptoms, and it doesn't cause leaking from the rear seal. This also doesn't apply to master cylinders less than about one year old. On older ones, crud and corrosion build up in the bottom halves of the two bores where the pistons don't normally travel. Pushing the brake pedal all the way to the floor runs the lip seals over that crud and can rip them. Often that takes a while to show up, but it results in the pedal slowly sinking to the floor under light foot pressure.

The next common thing is brake fluid contaminated with a petroleum product like engine oil, transmission fluid, or power steering fluid. We used to see that after someone repacked wheel bearings by hand, then wiped them off to pop the rubber bladder seal back into the reservoir cap. The residue on their fingers was more than enough to contaminate the brake fluid. Most professionals even wash their hands with soap and water before handling any parts that will contact brake fluid so they don't get fingerprint grease in there.

The repair for this gets real expensive because the only proper way to fix it is to remove every part with rubber in the hydraulic system that contacts brake fluid, flush and dry the steel lines, then install all new parts. If any part is not replaced, the contamination will leach out of the rubber parts and recontaminate the new brake fluid. That means replacing the master cylinder and reservoir cap, three or four rubber flex hoses, calipers, wheel cylinders, height-sensing proportioning valve, and combination valve.

If your fluid is contaminated, it is going to damage the next master cylinder you install, but you should have noticed other symptoms first. The first complaint almost always is brakes that don't release, or they self-apply, and they get so hot they start smoking. The rubber lip seals in the master cylinder grow past the fluid return ports and block them. The clue is the stuck brake will release when you loosen the lines at the master cylinder.

The rear seal in the master cylinder can also get soft and mushy and start to leak, but if contamination is the cause, expect to see other symptoms.

The last thing to look for pertains to trucks, diesels mostly, with the hydro-boost brake power boosters. If those leak power steering fluid in front, it can get onto the push rod for the master cylinder and find its way into the brake fluid. If you have a standard vacuum booster, you don't have to worry about that.
Was this
answer
helpful?
Yes
No
Monday, February 22nd, 2021 AT 5:41 PM (Merged)
Tiny
HENRYR79
  • MEMBER
  • 46 POSTS
As far as I know I haven't been doing anything to contaminate the seals or the fluid upon installation of these m/c. I did change both rear wheel cylinders about three years ago. Last year I never could get the brake light on the dash to go off so I let a professional mechanic work on the truck and they claimed the reason why I never could get the light to go off was because I had not gotten all the air out of the line and I think they might have even changed the m/c. The truck is not mine, I am doing the work for a family member. It is hard to keep up with the repairs done to this truck and my own vehicles also.
Was this
answer
helpful?
Yes
No
Monday, February 22nd, 2021 AT 5:41 PM (Merged)
Tiny
CARADIODOC
  • MECHANIC
  • 34,468 POSTS
If there's air in a line it can make the red warning light turn on, but you would have a low, mushy brake pedal too. The switch responsible for that is the pressure-differential switch located inside the combination valve. That sits on the frame right under the master cylinder. The two lines from the master cylinder run to it. To verify that is the reason for the light being on, just unplug that single wire in the middle of it on top.

Those switches are REAL frustrating to reset on Fords, but on GMs and Chryslers, they're spring-loaded and will reset automatically when you release the brakes. Often the valve sticks and the switch stays on. A good, quick jab on the brake pedal usually pops them free.

The red warning light also is turned on by the parking brake and the low-fluid level switch on the master cylinder, if there is one. You can unplug those too to see which one is keeping the light on.

Next time you replace a master cylinder, here's a trick to keep you from having to bleed at the wheels. This works best when the master cylinder has only two steel lines and they're on the same side. Loosen the nuts for those lines just a little so you don't have to tug on them later. Unbolt the master cylinder and pull it forward off the mounting studs. Use it as a handle to bend the steel lines upward a little. Unbolt the lines to remove the master cylinder. The fluid won't be able to run out of the lines now.

After bench-bleeding the new master cylinder, start the lines by hand, then use the master cylinder as a handle again to bend the lines back down. Snug the line nuts, then have a helper push the brake pedal down very slowly to about halfway to the floor. That should take about ten seconds. When he does that, loosen one of the line nuts a little. You'll see air bubbles come out. Be sure to tighten that nut before the helper releases the pedal, otherwise air will get sucked back in. Do that a second or third time if necessary until no more air bubbles come out, then do the other line the same way.

The secret is in pushing the pedal down slowly, and allowing it to spring back rapidly. When it is pressed, the fluid will go down toward the wheels but the air bubbles will have time to float back up. When the pedal is released quickly, the fluid rushing back into the reservoir will wash any last air bubbles with it.
Was this
answer
helpful?
Yes
No
+1
Monday, February 22nd, 2021 AT 5:41 PM (Merged)
Tiny
HENRYR79
  • MEMBER
  • 46 POSTS
I found out that the wrong master cylinders were being but on the truck. They were for the wrong size rear brake drums.
Was this
answer
helpful?
Yes
No
Monday, February 22nd, 2021 AT 5:41 PM (Merged)

Please login or register to post a reply.