Brake bleeding procedure

Tiny
CENTRIPRO
  • MEMBER
  • 2008 CHEVROLET SILVERADO
  • 4WD
  • AUTOMATIC
  • 85,000 MILES
Im having a problem with my brakes on my 2008 Chevy Silverado 4x4. I repaced my pads, shoes, drums(one was below specs so I replaced both) and rotors(aftermarket under warranty. Easier to replace for "free"than to have them turned). I followed Haynes guide rather than change brakes the way I have always done, by removing 2/3 of brake fluid from MC and to place drums so that they do not rub shoes when rotating it(adjuster bar full open, one thread exposed). And assuming the self adjuster will do its job and adjust the shoes out every time the truck is stopped in reverse. I have a pedal that goes to the floor and I assumed Haynes screwed me and consequentially air got in the system. I purchased a Mityvac since I have noone to help me and now my problem is that I cannot get my wrench and tubing on the rear wheel cylinders at the same time to bleed the brakes. Is there a special wrench that you have to use or are there "deeper"bleeders that have a larger zerk fitting? I am using a 5/16 gear wrench and there is no room for it. I am also reading posts/threads re: ABS bleeding, etc. Will I need to do this under these circumstances?
Sunday, March 27th, 2011 AT 2:52 PM

36 Replies

Tiny
SATURNTECH9
  • MECHANIC
  • 30,869 POSTS
I posted both the automated abs bleed procedure's but that take's a scan tool with the correct software.I also posted the manual bleed procedure.let me know if you have anymore question's or concern's.

This guide can help us fix it with instructions below.

https://youtu.be/w7gUsj2us0U

and

https://www.2carpros.com/articles/how-to-bleed-or-flush-a-car-brake-system

Antilock Brake System Automated Bleed

Notice: Avoid spilling brake fluid onto painted surfaces, electrical connections, wiring, or cables. Brake fluid will damage painted surfaces and cause corrosion to electrical components. If any brake fluid comes in contact with painted surfaces, immediately flush the area with water. If any brake fluid comes in contact with electrical connections, wiring, or cables, use a clean shop cloth to wipe away the fluid.

Important: The base hydraulic brake system must be bled before performing this automated bleeding procedure. If you have not yet performed the base hydraulic brake system bleeding procedure, refer to Hydraulic Brake System Bleeding before proceeding.

1. Install a scan tool to the vehicle.
2. Start the engine and allow the engine to idle.
3. Using the scan tool, begin the automated bleed procedure.
4. Follow the instructions on the scan tool to complete the automated bleed procedure. Apply the brake pedal when instructed by the scan tool.
5. Turn the ignition OFF.
6. Remove the scan tool from the vehicle.
7. Fill the brake master cylinder reservoir to the maximum-fill level with Delco Supreme 11, GM P/N 12377967 (Canadian P/N 992667), or equivalent DOT-3 brake fluid from a clean, sealed brake fluid container.
8. Bleed the hydraulic brake system.
9. With the ignition OFF, apply the brakes 3-5 times, or until the brake pedal becomes firm, in order to deplete the brake booster power reserve.
10. Slowly depress and release the brake pedal. Observe the feel of the brake pedal.
11. If the brake pedal feels spongy, repeat the automated bleeding procedure. If the brake pedal still feels spongy after repeating the automated bleeding procedure inspect the brake system for external leaks. Refer to Brake System External Leak Inspection. See: Hydraulic SystemTesting and InspectionComponent Tests and General DiagnosticsBrake System External Leak Inspection
12. Turn the ignition key ON, with the engine OFF; check to see if the brake system warning lamp remains illuminated.
13. If the brake system warning lamp remains illuminated, DO NOT allow the vehicle to be driven until it is diagnosed and repaired. Refer to Symptoms - Hydraulic Brakes. See: Hydraulic SystemTesting and InspectionSymptom Related Diagnostic Procedures
14. Drive the vehicle to exceed 13 km/h (8 mph) to allow ABS initialization to occur. Observe brake pedal feel.
15. If the brake pedal feels spongy, repeat the automated bleeding procedure until a firm brake pedal is obtained.

Hydraulic Brake System Bleeding (Manual)
Caution: Refer to Brake Fluid Irritant Caution .

Notice: Refer to Brake Fluid Effects on Paint and Electrical Components Notice .

Notice: When adding fluid to the brake master cylinder reservoir, use only Delco Supreme 11(R), GM P/N 12377967 (Canadian P/N 992667), or equivalent DOT-3 brake fluid from a clean, sealed brake fluid container. The use of any type of fluid other than the recommended type of brake fluid, may cause contamination which could result in damage to the internal rubber seals and/or rubber linings of hydraulic brake system components.

1. Place a clean shop cloth beneath the brake master cylinder to prevent brake fluid spills.
2. With the ignition OFF and the brakes cool, apply the brakes 3-5 times, or until the brake pedal effort increases significantly, in order to deplete the brake booster power reserve.
3. If you have performed a brake master cylinder bench bleeding on this vehicle, or if you disconnected the brake pipes from the master cylinder, you must perform the following steps:

1. Ensure that the brake master cylinder reservoir is full to the maximum-fill level. If necessary add Delco Supreme 11(R), GM P/N 12377967 (Canadian P/N 992667), or equivalent DOT-3 brake fluid from a clean, sealed brake fluid container. If removal of the reservoir cap and diaphragm is necessary, clean the outside of the reservoir on and around the cap prior to removal.
2. With the rear brake pipe installed securely to the master cylinder, loosen and separate the front brake pipe from the front port of the brake master cylinder.
3. Allow a small amount of brake fluid to gravity bleed from the open port of the master cylinder.
4. Reconnect the brake pipe to the master cylinder port and tighten securely.
5. Have an assistant slowly depress the brake pedal fully and maintain steady pressure on the pedal.
6. Loosen the same brake pipe to purge air from the open port of the master cylinder.
7. Tighten the brake pipe, then have the assistant slowly release the brake pedal.
8. Wait 15 seconds, then repeat steps 3.3-3.7 until all air is purged from the same port of the master cylinder.
9. With the front brake pipe installed securely to the master cylinder, after all air has been purged from the front port of the master cylinder, loosen and separate the rear brake pipe from the master cylinder, then repeat steps 3.3-3.8.
10. After completing the final master cylinder port bleeding procedure, ensure that both of the brake pipe-to-master cylinder fittings are properly tightened.

4. Fill the brake master cylinder reservoir with Delco Supreme 11(R), GM P/N 12377967 (Canadian P/N 992667), or equivalent DOT-3 brake fluid from a clean, sealed brake fluid container. Ensure that the brake master cylinder reservoir remains at least half-full during this bleeding procedure. Add fluid as needed to maintain the proper level. Clean the outside of the reservoir on and around the reservoir cap prior to removing the cap and diaphragm.
5. Install a proper box-end wrench onto the RIGHT REAR wheel hydraulic circuit bleeder valve.
6. Install a transparent hose over the end of the bleeder valve.
7. Submerge the open end of the transparent hose into a transparent container partially filled with Delco Supreme 11(R), GM P/N 12377967 (Canadian P/N 992667), or equivalent DOT-3 brake fluid from a clean, sealed brake fluid container.
8. Have an assistant slowly depress the brake pedal fully and maintain steady pressure on the pedal.
9. Loosen the bleeder valve to purge air from the wheel hydraulic circuit.
10. Tighten the bleeder valve, then have the assistant slowly release the brake pedal.
11. Wait 15 seconds, then repeat steps 8-10 until all air is purged from the same wheel hydraulic circuit.
12. With the right rear wheel hydraulic circuit bleeder valve tightened securely, after all air has been purged from the right rear hydraulic circuit install a proper box-end wrench onto the LEFT REAR wheel hydraulic circuit bleeder valve.
13. Install a transparent hose over the end of the bleeder valve, then repeat steps 7-11.
14. With the left rear wheel hydraulic circuit bleeder valve tightened securely, after all air purged from the left rear hydraulic circuit, install a proper box-end wrench onto the RIGHT FRONT wheel hydraulic circuit bleeder valve.
15. Install a transparent hose over the end of the bleeder valve, then repeat steps 7-11.
16. With the right front wheel hydraulic circuit bleeder valve tightened securely, after all air has been purged from the right front hydraulic circuit, install a proper box-end wrench onto the LEFT FRONT wheel hydraulic circuit bleeder valve.
17. Install a transparent hose over the end of the bleeder valve, then repeat steps 7-11.
18. After completing the final wheel hydraulic circuit bleeding procedure, ensure that each of the 4 wheel hydraulic circuit bleeder valves are properly tightened.
19. Fill the brake master cylinder reservoir to the maximum-fill level with Delco Supreme 11(R), GM P/N 12377967 (Canadian P/N 992667), or equivalent DOT-3 brake fluid from a clean, sealed brake fluid container.
20. Slowly depress and release the brake pedal. Observe the feel of the brake pedal.
21. If the brake pedal feels spongy, repeat the bleeding procedure again. If the brake pedal still feels spongy after repeating the bleeding procedure, perform the following steps:

1. Inspect the brake system for external leaks. Refer to Brake System External Leak Inspection (See: Hydraulic SystemTesting and InspectionComponent Tests and General DiagnosticsBrake System External Leak Inspection) .
2. Pressure bleed the hydraulic brake system in order to purge any air that may still be trapped in the system.

22. Turn the ignition key ON, with the engine OFF. Check to see if the brake system warning lamp remains illuminated.

Important: If the brake system warning lamp remains illuminated, DO NOT allow the vehicle to be driven until it is diagnosed and repaired.

23. If the brake system warning lamp remains illuminated, refer to Symptoms - Hydraulic Brakes (See: Hydraulic System Testing and Inspection Symptom Related Diagnostic Procedures Symptoms - Hydraulic Brakes) .
Was this
answer
helpful?
Yes
No
+1
Sunday, March 27th, 2011 AT 7:45 PM
Tiny
CENTRIPRO
  • MEMBER
  • 4 POSTS
Awesome! That is a lot of good information working perfect now.
Was this
answer
helpful?
Yes
No
Monday, March 28th, 2011 AT 2:35 AM
Tiny
ASEMASTER6371
  • MECHANIC
  • 52,796 POSTS
Good morning,

I attached the procedure for you for the automated bleed for the ABS. You will need a scan tool for this.

https://www.2carpros.com/articles/brake-pedal-goes-to-the-floor

https://www.2carpros.com/articles/how-to-bleed-or-flush-a-car-brake-system

Roy

Was this
answer
helpful?
Yes
No
+1
Tuesday, February 23rd, 2021 AT 8:02 AM
Tiny
THOMAS JAMES CRAVALHO
  • MEMBER
  • 1 POST
  • 2004 CHEVROLET SILVERADO
  • 4.8L
  • V8
  • 4WD
  • AUTOMATIC
  • 90,000 MILES
How can I get air out of the ABS module without scan tool?
Was this
answer
helpful?
Yes
No
Tuesday, February 23rd, 2021 AT 9:25 AM (Merged)
Tiny
CARADIODOC
  • MECHANIC
  • 34,489 POSTS
If we are to assume there really is air trapped in a chamber, you need to open that valve to let the air out, but there has to be brake fluid under pressure ready to take its place. Scanners will command the controller to run the pump or pressurize the fluid. Scanners are used for that because it is much easier than the alternative. The computer will open each valve. That alternative is to unplug the connector, then apply ground and 12 volts to the two wires for each solenoid. That would take a long time and may not be very effective.

First you need to tell me why you want to bleed the system so I am in the right frame of mind. I have a number of tricks to get air out of any system without bleeding at the wheels. If you can get the hydraulic controller to kick in, let it keep on activating until the vehicle comes to a stop, but keep on holding the brake pedal down in the same position. Try very hard to never ever push the brake pedal more than halfway to the floor as that can damage a master cylinder from crud and corrosion if it is more than about a year old. Wait like that for about ten seconds, then let the brake pedal snap back quickly on its own.

While the valves are being pulsed, you'll be pushing brake fluid down to them, and if you are lucky, the air will come out of the chambers and float upward. The ten seconds is to let them float up as much as possible. Releasing the brake pedal quickly will make the brake fluid rush back to the reservoir and wash the air bubbles up with it. Stroking the brake pedal 1/4 way down can do that too. Push it very slowly so the air bubbles keep on floating up. Release quickly to wash the bubbles up. You don't have to be concerned with which wheel(s) skid during the stop. Individual wheel valves only block fluid flow momentarily when activated in a skid. Those wont trap air.

That pedal stroking also works as a secondary method after replacing the master cylinder.

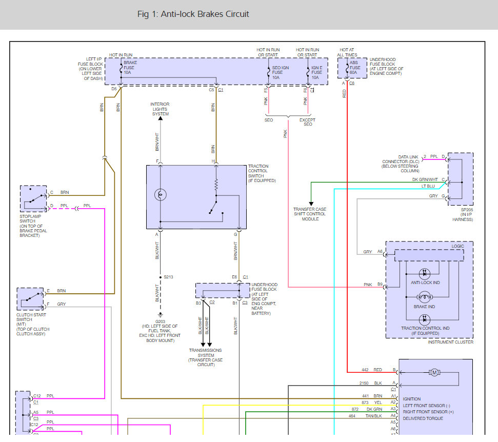
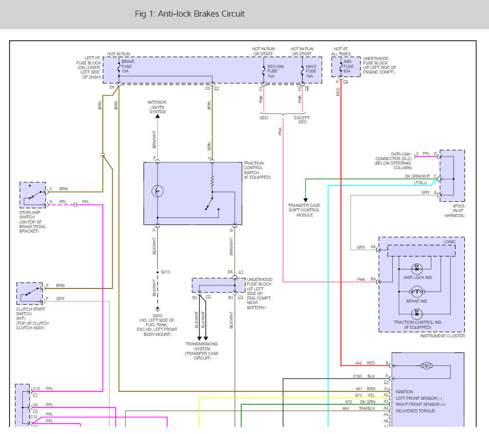
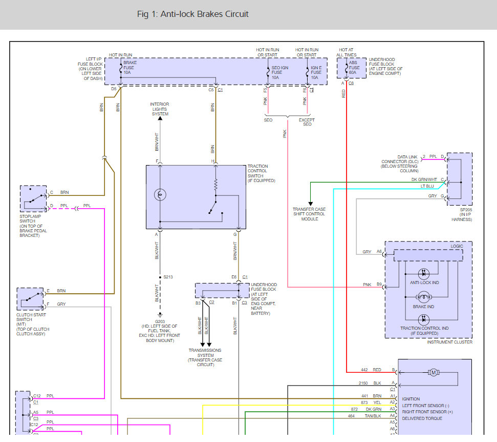
There are wiring diagrams further down on this post that can help you activate the valves manually.
Was this
answer
helpful?
Yes
No
+19
Tuesday, February 23rd, 2021 AT 9:25 AM (Merged)
Tiny
8592795367
  • MEMBER
  • 3 POSTS
I have a 2001 gmc dually 6.6l turbo diesel. How can I manually bleed the abs pump or and module
Was this
answer
helpful?
Yes
No
+15
Tuesday, February 23rd, 2021 AT 9:25 AM (Merged)
Tiny
CARADIODOC
  • MECHANIC
  • 34,489 POSTS
Here is a wiring diagram for the ABS (BELOW) to figure out which wires are for each solenoid, then apply 12 volts and ground to apply them, then do the normal bleeding. YOU might be smart enough to figure out how to make that work, but I'm not. In normal operation during a skid, the computer pulses the various solenoids on and off very quickly, and for only a few seconds. With a scanner, the bleeding process is over almost as fast as you can push the buttons. If you were to apply 12 volts, I'd be concerned a solenoid could become overheated if it is kept applied too long.

Also be aware some solenoid-controlled valves are normally open, and they block fluid flow when applied, ("block" valves), and some are normally closed, and open to pass fluid when turned on, ("dump" valves). We don't know which valves to apply power to or if multiple valves have to be energized at the same time. Some engineer much smarter than us figured that out, then programmed their scanners to do it.

What you might consider is turning the ignition switch on while you're in the middle of bleeding. Most ABS Computers exercise the valves during the six-second self-test process when the yellow warning light is on. I could envision doing that two or three times, and that might be enough to expel air from the chambers. The self-test might be aborted if the computer sees you have the brake pedal applied, so consider pushing the brake pedal two or three seconds after you turn on the ignition switch. That might be enough to push any released air bubbles further down the line, then they can be bled out the rest of the way like normal. Have the bleeder screws open so fluid and air can flow down the lines and away from the valves.

Remember to never push the brake pedal over half way to the floor. Crud and corrosion build up in the lower halves of the bores where the pistons in the master cylinder don't normally travel. Pushing the pedal over half way runs the rubber lip seal over that crud and can rip them. That can result in a slowly-sinking brake pedal, and that often doesn't show up until two or three days later.
Was this
answer
helpful?
Yes
No
+26
Tuesday, February 23rd, 2021 AT 9:25 AM (Merged)
Tiny
8592795367
  • MEMBER
  • 3 POSTS
So pretty much I have to either use the brake peddle and only go half way like I was bleeding the brakes at the wheels or ur 12 volts on it but not for long period of time. And my brake peddle is spongy and goes to the floor does that matter or still just pump the brakes peddle only half way with each pump. Also is driving the truck and making it go in to an abs skid out of the question or do you think it wouldn't hurt to try it.
Was this
answer
helpful?
Yes
No
+2
Tuesday, February 23rd, 2021 AT 9:25 AM (Merged)
Tiny
CARADIODOC
  • MECHANIC
  • 34,489 POSTS
You won't get the tires to skid if the brake pedal is mushy. Even if you could, you wouldn't be driving with the bleeder screws open, so no fluid, or the air in it, is going to flow out of the chambers. The fluid and air would just pulsate back and forth.

When you have a nail that needs to be smacked, you need a hammer. When you're stumbling around in the dark, you need a light bulb. When you need to bleed the ABS system, you need a scanner.

As for running the brake pedal all the way to the floor, my warning does not apply to any master cylinder that is less than about a year old. Also, if you've already done that, if a seal was going to be damaged, it has happened already. If no seal was damaged, it is a good bet none will be damaged in the near future from your bleeding attempts.
Was this
answer
helpful?
Yes
No
+2
Tuesday, February 23rd, 2021 AT 9:25 AM (Merged)
Tiny
CHRYSLEMAN
  • MEMBER
  • 1 POST
  • 2002 CHEVROLET SILVERADO
  • 4.8L
  • V8
  • 4WD
  • AUTOMATIC
  • 146,000 MILES
I bleed the back brakes then went to the front and nothing comes out of the bleeders.
Was this
answer
helpful?
Yes
No
Tuesday, February 23rd, 2021 AT 9:25 AM (Merged)
Tiny
ASEMASTER6371
  • MECHANIC
  • 52,796 POSTS
Good evening,

Do you have ABS brakes? The reason I ask is the ABS has to be bled with a scan tool.

https://www.2carpros.com/articles/brake-pedal-goes-to-the-floor

What is the original issue that made you bleed the brakes?

https://www.2carpros.com/articles/how-to-bleed-or-flush-a-car-brake-system

Roy

Automated Bleed Procedure

Notice: When adding fluid to the brake master cylinder reservoir, use only Delco Supreme II, GM P/N 12377967 (Canadian P/N 992667), or equivalent DOT-3 brake fluid from a clean, sealed brake fluid container. The use of any type of fluid other than the recommended type of brake fluid, may cause contamination which could result in damage to the internal rubber seals and/or rubber linings of hydraulic brake system components.

Notice: Refer to Brake Fluid Effects on paint and Electrical Components Notice in Service Precautions.

Important: This procedure may be performed on all vehicles EXCEPT those equipped with option code JL4, Vehicle Stability Enhancement System (VSES).

Important: The base hydraulic brake system must be bled before performing this automated bleeding procedure. If you have not yet performed the base hydraulic brake system bleeding procedure, refer to Hydraulic Brake System Bleeding before proceeding.

1. Install a scan tool to the vehicle.
2. Start the engine and allow the engine to idle.
3. Depress the brake pedal firmly and maintain steady pressure on the pedal.
4. Using the scan tool, begin the automated bleed procedure.
5. Follow the instructions on the scan tool to complete the automated bleed procedure. Release the brake pedal between each test sequence.
6. Turn the ignition OFF.
7. Remove the scan tool from the vehicle.
8. Fill the brake master cylinder reservoir to the maximum-fill level with Delco Supreme II GM P/N 12377967 (Canadian P/N 992667) or equivalent DOT-3 brake fluid from-a clean, sealed brake fluid container.
9. Bleed the hydraulic brake system.
10. With the ignition OFF, apply the brakes 3-5 times, or until the brake pedal becomes firm, in order to deplete the brake booster power reserve.
11. Slowly depress and release the brake pedal. Observe the feel of the brake pedal.
12. If the brake pedal feels spongy, repeat the automated bleeding procedure. If the brake pedal still feels spongy after repeating the automated bleeding procedure inspect the brake system for external leaks.
13. Turn the ignition key ON, with the engine OFF; check to see if the brake system warning lamp remains illuminated.
14. If the brake system warning lamp remains illuminated, DO NOT allow the vehicle to be driven until it is diagnosed and repaired. Refer to Symptoms - Hydraulic Brakes.
15. Drive the vehicle to exceed 13 kpa (8 mph) to allow ABS initialization to occur. Observe brake pedal feel.
16. If the brake pedal feels spongy, repeat the automated bleeding procedure until a firm brake pedal is obtained.
Was this
answer
helpful?
Yes
No
Tuesday, February 23rd, 2021 AT 9:25 AM (Merged)
Tiny
THOMAS A. MUSARRA JR.
  • MEMBER
  • 3 POSTS
  • 2002 CHEVROLET SILVERADO
  • 5.3L
  • V8
  • 4WD
  • AUTOMATIC
  • 150,000 MILES
New York truck. Replaced all brake lines, master cylinder, rotors and pads. Did a bleed. Back brakes bled okay. Front brakes are bleeding solid stream but the pedal will not bottom out when bleeder is open and all fluid expended. Pedal is mushy after bleeding and takes a few pumps to get pedal again but never stays solid and eventually drifts to floor and the front rotors are not holding solid. Thought it was defective new master cylinder and put a new one one. Bench bled and could not depress the piston when the breeding was finished. Same result as before. Back brakes bleed normal, ie. Full stream of fluid and pedal bottoms out. Front brakes, full stream but pedal will not go to floor with bleeder valve open.
Thinking it is ABS problem but does not make sense because truck is stationary. Tried this with engine running but no change in the result.
Was this
answer
helpful?
Yes
No
Tuesday, February 23rd, 2021 AT 9:25 AM (Merged)
Tiny
ASEMASTER6371
  • MECHANIC
  • 52,796 POSTS
Good afternoon.

Yes, it is the ABS. you need an advanced scan tool that can access the ABS and perform the brake bleeding procedure. These guides can help you fix it.

https://youtu.be/w7gUsj2us0U

and

https://youtu.be/WDxvEQrMkBg

and

https://www.2carpros.com/articles/brake-pedal-goes-to-the-floor

Please run down this guide and report back.

Automated Bleed Procedure:

Notice: When adding fluid to the brake master cylinder reservoir, use only Delco Supreme II, GM P/N 12377967 (Canadian P/N 992667), or equivalent DOT-3 brake fluid from a clean, sealed brake fluid container. The use of any type of fluid other than the recommended type of brake fluid, may cause contamination which could result in damage to the internal rubber seals and/or rubber linings of hydraulic brake system components.

Notice: Refer to Brake Fluid Effects on paint and Electrical Components Notice in Service Precautions.

Important: This procedure may be performed on all vehicles EXCEPT those equipped with option code JL4, Vehicle Stability Enhancement System (VSES).

Important: The base hydraulic brake system must be bled before performing this automated bleeding procedure. If you have not yet performed the base hydraulic brake system bleeding procedure, refer to Hydraulic Brake System Bleeding before proceeding.

1. Install a scan tool to the vehicle.
2. Start the engine and allow the engine to idle.
3. Depress the brake pedal firmly and maintain steady pressure on the pedal.
4. Using the scan tool, begin the automated bleed procedure.
5. Follow the instructions on the scan tool to complete the automated bleed procedure. Release the brake pedal between each test sequence.
6. Turn the ignition OFF.
7. Remove the scan tool from the vehicle.
8. Fill the brake master cylinder reservoir to the maximum-fill level with Delco Supreme II GM P/N 12377967 (Canadian P/N 992667) or equivalent DOT-3 brake fluid from-a clean, sealed brake fluid container.
9. Bleed the hydraulic brake system.
10. With the ignition OFF, apply the brakes 3-5 times, or until the brake pedal becomes firm, in order to deplete the brake booster power reserve.
11. Slowly depress and release the brake pedal. Observe the feel of the brake pedal.
12. If the brake pedal feels spongy, repeat the automated bleeding procedure. If the brake pedal still feels spongy after repeating the automated bleeding procedure inspect the brake system for external leaks.
13. Turn the ignition key ON, with the engine OFF; check to see if the brake system warning lamp remains illuminated.
14. If the brake system warning lamp remains illuminated, DO NOT allow the vehicle to be driven until it is diagnosed and repaired. Refer to Symptoms - Hydraulic Brakes.
15. Drive the vehicle to exceed 13 kpa (8 mph) to allow ABS initialization to occur. Observe brake pedal feel.
16. If the brake pedal feels spongy, repeat the automated bleeding procedure until a firm brake pedal is obtained.

Roy
Was this
answer
helpful?
Yes
No
Tuesday, February 23rd, 2021 AT 9:25 AM (Merged)
Tiny
THOMAS A. MUSARRA JR.
  • MEMBER
  • 3 POSTS
Thank you for reply. Can you recommend what to look for in scan tool? If I have to spend big money, might as well tow it to brake shop and have them do it.

You need an advanced scan tool that can access the ABS and perform the brake bleeding procedure.
Was this
answer
helpful?
Yes
No
Tuesday, February 23rd, 2021 AT 9:25 AM (Merged)
Tiny
ASEMASTER6371
  • MECHANIC
  • 52,796 POSTS
A scan tool can run $2,000.00 to $2,500.00. The service at a shop is under $100.00.

Roy
Was this
answer
helpful?
Yes
No
Tuesday, February 23rd, 2021 AT 9:25 AM (Merged)
Tiny
THOMAS A. MUSARRA JR.
  • MEMBER
  • 3 POSTS
Thanks. Looks like the shop is the answer.
Was this
answer
helpful?
Yes
No
Tuesday, February 23rd, 2021 AT 9:26 AM (Merged)
Tiny
ASEMASTER6371
  • MECHANIC
  • 52,796 POSTS
Yes, the right move.

Roy
Was this
answer
helpful?
Yes
No
Tuesday, February 23rd, 2021 AT 9:26 AM (Merged)
Tiny
CMBUCK52
  • MEMBER
  • 1 POST
  • 2001 CHEVROLET SILVERADO
  • V8
  • 2WD
  • AUTOMATIC
  • 107,888 MILES
Does my truck engine have to be running to push down on my brake pedal to bleed my brakes?
Was this
answer
helpful?
Yes
No
Tuesday, February 23rd, 2021 AT 9:26 AM (Merged)
Tiny
CEMENT HEAD
  • MEMBER
  • 38 POSTS
No it does not but when you bleed your brakes make sure you start at the bleeder valve farthest away from master cylinder and work your way in to get a oil the air out. This guide can help us fix it with instructions below.

https://youtu.be/w7gUsj2us0U

and

https://www.2carpros.com/articles/how-to-bleed-or-flush-a-car-brake-system
Was this
answer
helpful?
Yes
No
-2
Tuesday, February 23rd, 2021 AT 9:26 AM (Merged)
Tiny
CRUISEBUTTON
  • MEMBER
  • 1 POST
  • 2001 CHEVROLET SILVERADO
  • 5.3L
  • V8
  • 4WD
  • AUTOMATIC
  • 175,000 MILES
Without the scanner what is another way to bleed the ABS system without tearing my truck apart?
Was this
answer
helpful?
Yes
No
Tuesday, February 23rd, 2021 AT 9:26 AM (Merged)

Please login or register to post a reply.