All three brake lights are not working

Tiny
DEVON O
  • MEMBER
  • 2000 PLYMOUTH BREEZE
  • 119,910 MILES
I replaced the bulbs and when I brake the lights still don’t turn on. How do I fix it?
Wednesday, March 24th, 2021 AT 7:33 AM

1 Reply

Tiny
ASEMASTER6371
  • MECHANIC
  • 52,796 POSTS
Good evening,

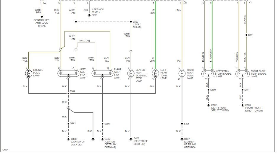
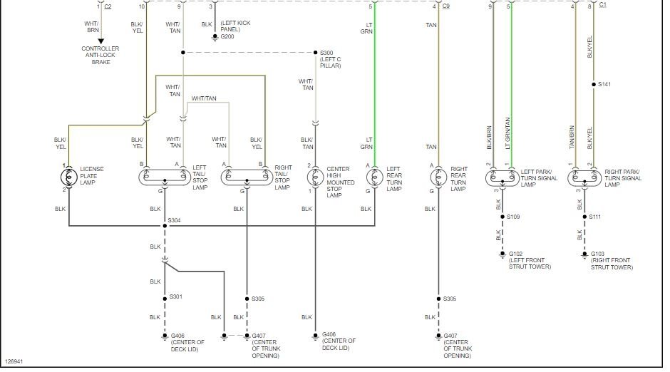
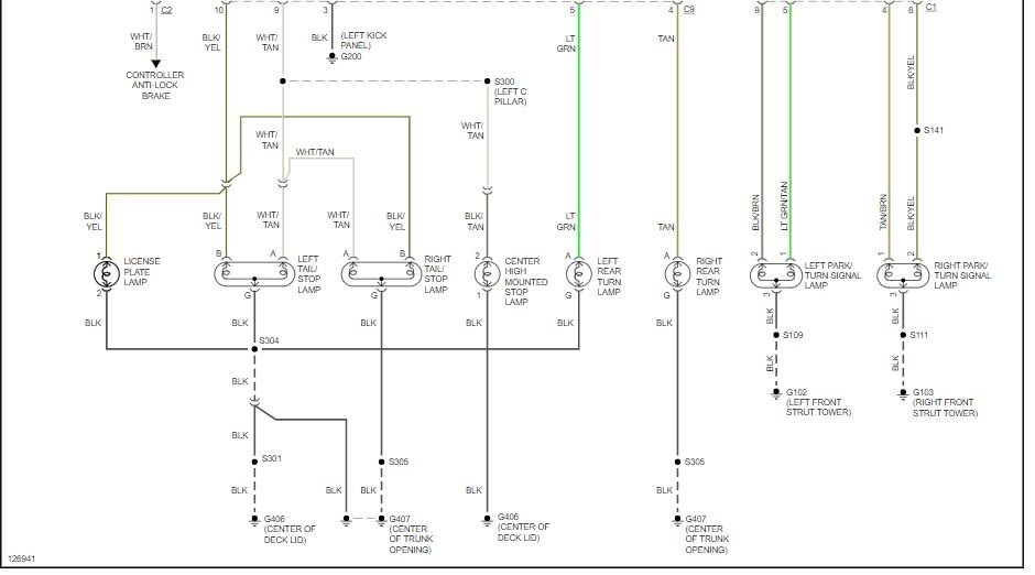
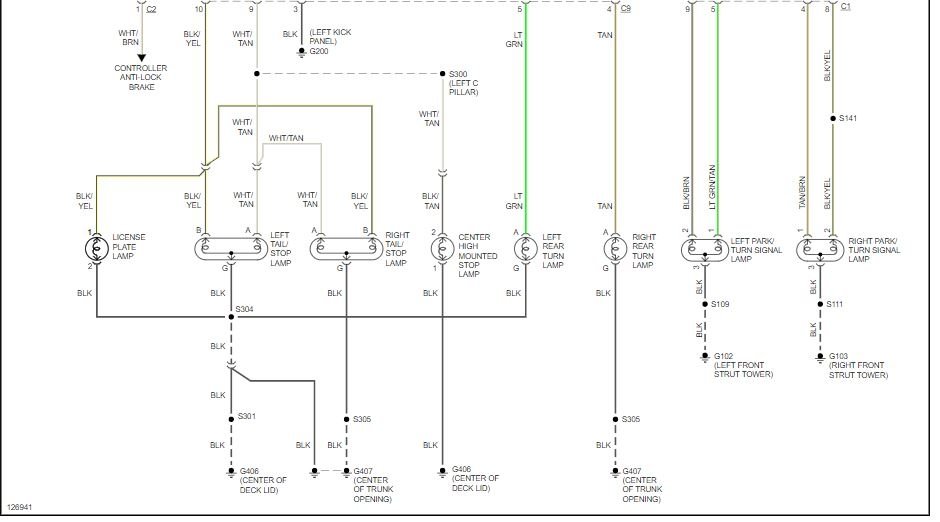
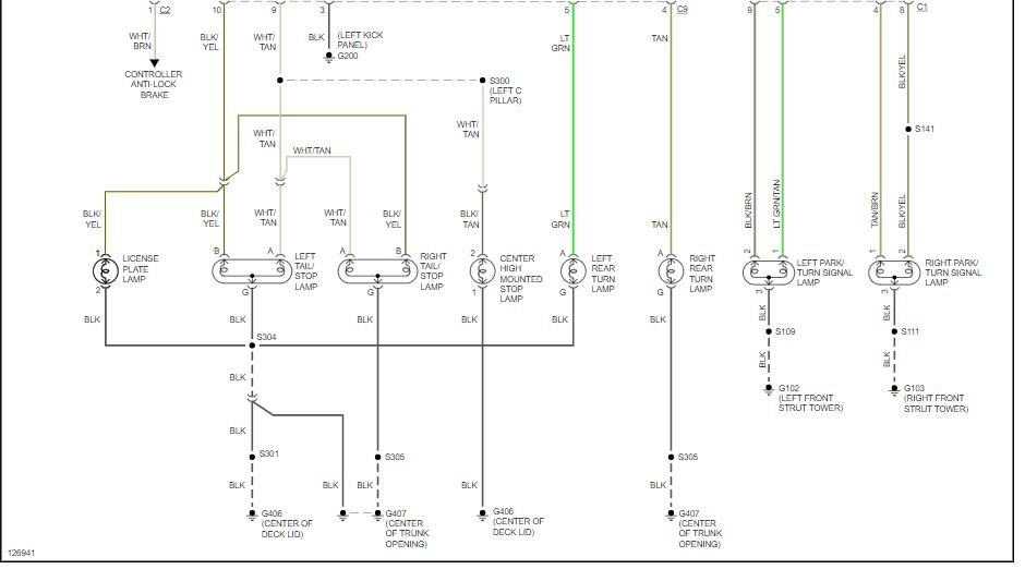
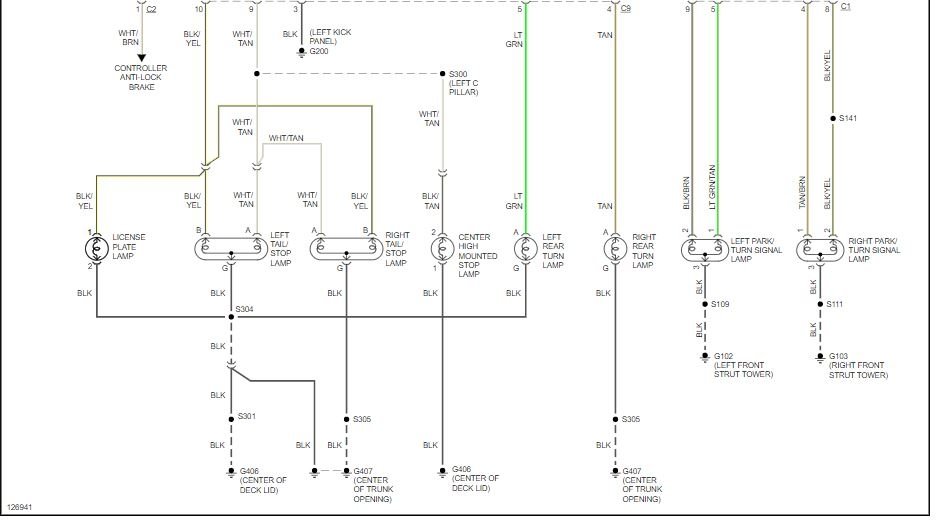
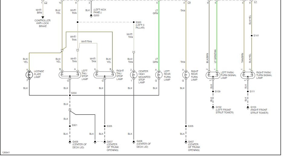
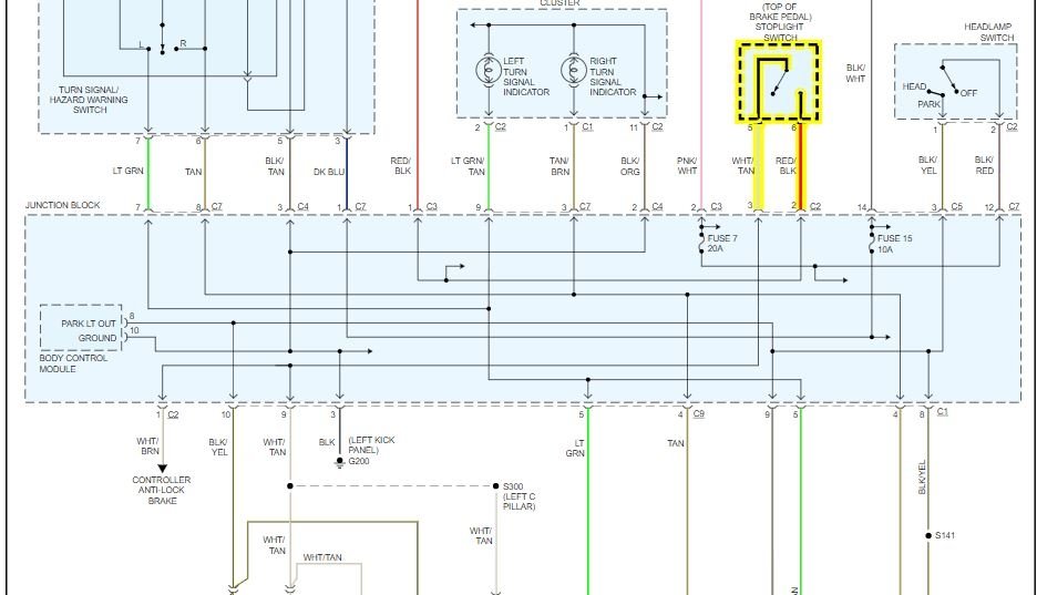
I attached a wiring diagram for you to view.

https://www.2carpros.com/articles/how-to-check-wiring

Check for power to the brake light switch. If there is, push down the pedal and see if the other wire has power. This will test the switch.

https://www.2carpros.com/articles/how-to-check-a-car-fuse

https://www.2carpros.com/articles/how-to-check-an-electrical-relay-and-wiring-control-circuit

https://www.2carpros.com/articles/how-to-use-a-voltmeter

If that is good, then good chance the body control module may be a failure.

https://www.2carpros.com/articles/how-to-replace-a-bcm-body-control-module

Roy

1. Remove the brake lamp switch from its bracket. The brake lamp switch is removed by depressing and holding the brake pedal while rotating brake lamp switch in a counter-clockwise direction approximately 30 °. Pull the switch rearward and remove it from its mounting bracket.
2. Disconnect the wiring harness connector from the switch.

INSTALLATION

NOTE: Prior to installing brake lamp switch into the mounting bracket, the plunger must be moved to its fully extended position using the procedure in Step 1.

1. Hold the brake lamp switch firmly in one hand. Using the other hand, pull outward on the plunger of the switch until it has ratcheted out to its fully extended position.
2. Connect the wiring harness connector to the brake lamp switch.
3. Install the brake lamp switch in the brake pedal bracket. Install it using the following procedure:
- Depress the brake pedal as far down as possible.
- Install the switch in its bracket by aligning the index tab on the switch with the slot in the mounting bracket.

REMOVAL
1. Disconnect the remote battery negative cable from the terminal on the shock tower.
The Junction Block and Body Control Module (BCM) are attached to each other. After removal they can be separated.
2. Remove Junction Block I Body Control Module from vehicle.
3. With the Junction Block/BCM removed from the vehicle, separate the BCM from the Junction Block.
4. Remove the two BCM attaching screws and release the two BCM locking latches from the Junction Block.
5. Disconnect BCM from the Junction Block.

NOTE:
- The Remote Keyless Entry (RKE) module is attached to the BCM with three screws. This must be transferred (if equipped) to the new BCM if being replaced.
- If BCM is replaced, the VTSS must be enabled in the new BCM via the DRB III(R) in order to start the vehicle.

INSTALLATION
For installation, reverse the above procedures.
Was this
answer
helpful?
Yes
No
Wednesday, March 24th, 2021 AT 6:37 PM

Please login or register to post a reply.