Brake lights and hazard quit working

Tiny
DANOC22
  • MEMBER
  • 2000 CHEVROLET 3500
  • 7.4L
  • V8
  • 4WD
  • AUTOMATIC
  • 130,000 MILES
All fuses and bulbs are good. My cab brake light works. So I ran a wire from my cab light and tide it through my trailer wires. Changed out the brake relay still not working?
Sunday, December 6th, 2020 AT 4:04 AM

82 Replies

Tiny
ASEMASTER6371
  • MECHANIC
  • 52,796 POSTS
Good morning,

I attached a wiring diagram for you to view. Check the fuse for power to the switch.

https://www.2carpros.com/articles/how-to-check-wiring

Then check voltage at the switch itself. It is under the dash on the brake pedal.

https://www.2carpros.com/articles/how-to-check-a-car-fuse

Roy

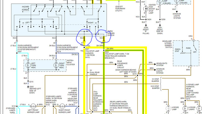
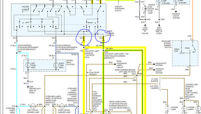
For information on stop lamp circuit diagnosis, refer to Diagrams, Diagnostic Aids.

Caution: Refer to Battery Disconnect Caution in Service Precautions.

1. Disconnect the battery negative cable.
2. Disable the SIR. Refer to Disabling the SIR System.
3. Remove the pushrod retainer from the brake pedal pin. Use snap ring pliers.
4. Unsnap the stop lamp switch from the pushrod.
5. Disconnect the electrical connector from the stop lamp switch.

Installation Procedure

imageOpen In New TabZoom/Print

1. Connect the electrical connector to the stop lamp switch.
2. Snap the stop lamp switch onto the pushrod.
3. Install a new pushrod retainer on the brake pedal pin. Use an 11 mm (7/16 inch) socket in order to push a new clip onto the pin.
4. Connect the negative battery cable.
5. Enable the SIR. Refer to Enabling the SIR System in Restraint Systems.
Was this
answer
helpful?
Yes
No
Sunday, December 6th, 2020 AT 5:11 AM
Tiny
DANOC22
  • MEMBER
  • 45 POSTS
If my cab brake light works doesn't that mean my switch is good?
Was this
answer
helpful?
Yes
No
Sunday, December 6th, 2020 AT 12:17 PM
Tiny
ASEMASTER6371
  • MECHANIC
  • 52,796 POSTS
Correct. If it works, then the switch is good.

This means either the turn signal switch is bad or the wiring to the bulbs is an issue.

Roy

Assembly Procedure

Important: Be sure that the electrical contact of the turn signal and multifunction switch assembly (2) rests on the turn signal cancel cam assembly.

Notice: Refer to Fastener Notice in Service Precautions.

ImageOpen In New TabZoom/Print

1. Install the turn signal and multifunction switch assembly (2).
2. Install the 2 pan head tapping screws (1).
Tighten the screws to 7 Nm (62 inch lbs.).

ImageOpen In New TabZoom/Print

3. Slide the 2 connectors (2) of the turn signal and multifunction switch assembly into the bulk head connector (1).

ImageOpen In New TabZoom/Print

4. Pop the wire harness assembly (4) into the wire harness strap (5). Install the wire harness strap (2) into the steering column support assembly (1). Install the wire harness straps (3) onto the wire harness assembly (4).
5. Install the upper and lower shrouds. Refer to Steering Column Trim Covers - Assemble Off Vehicle (Column Shift). See: Steering Column > Removal and Replacement
Was this
answer
helpful?
Yes
No
Sunday, December 6th, 2020 AT 12:34 PM
Tiny
DANOC22
  • MEMBER
  • 45 POSTS
My turn singles work fine, my hazard lights don't work?
Was this
answer
helpful?
Yes
No
Sunday, December 6th, 2020 AT 1:02 PM
Tiny
ASEMASTER6371
  • MECHANIC
  • 52,796 POSTS
That would be from the switch itself.

Replace the switch.

Roy
Was this
answer
helpful?
Yes
No
Monday, December 7th, 2020 AT 12:49 AM
Tiny
DANOC22
  • MEMBER
  • 45 POSTS
The brake light switch?
Was this
answer
helpful?
Yes
No
Monday, December 7th, 2020 AT 8:07 AM
Tiny
ASEMASTER6371
  • MECHANIC
  • 52,796 POSTS
The turn signal switch.

Roy
Was this
answer
helpful?
Yes
No
Monday, December 7th, 2020 AT 9:03 AM
Tiny
DANOC22
  • MEMBER
  • 45 POSTS
Got my switch in replaced it it took care of my hazard light issue. Thank you for that. Still no brake lights. I am not getting power to my brake relay or fuse box in the under the hood fuse box all other fuses work fine. I took out the brake light switch it did not look good, replaced it. It is getting power but still no power to my fuse box or relay. Third brake light works?
Was this
answer
helpful?
Yes
No
Thursday, December 17th, 2020 AT 11:05 AM
Tiny
ASEMASTER6371
  • MECHANIC
  • 52,796 POSTS
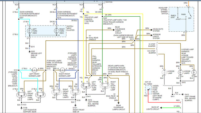
Okay, I attached a diagram for you to view. Check for power out of the multifunction switch with the brake pedal depressed with a voltmeter.

Roy
Was this
answer
helpful?
Yes
No
Thursday, December 17th, 2020 AT 2:47 PM
Tiny
DANOC22
  • MEMBER
  • 45 POSTS
I replaced it to fix my hazard light issue and the brake light issue was there before. I will do it.
Was this
answer
helpful?
Yes
No
Thursday, December 17th, 2020 AT 6:38 PM
Tiny
ASEMASTER6371
  • MECHANIC
  • 52,796 POSTS
Let me know if there is power on those wires with the pedal depressed.

Roy
Was this
answer
helpful?
Yes
No
Thursday, December 17th, 2020 AT 6:40 PM
Tiny
DANOC22
  • MEMBER
  • 45 POSTS
I will thank you.
Was this
answer
helpful?
Yes
No
Thursday, December 17th, 2020 AT 6:42 PM
Tiny
ASEMASTER6371
  • MECHANIC
  • 52,796 POSTS
You are welcome.

Always glad to help.

Roy
Was this
answer
helpful?
Yes
No
Thursday, December 17th, 2020 AT 6:51 PM
Tiny
DANOC22
  • MEMBER
  • 45 POSTS
This has a trailer brake on it under the dash. Not a very good looking job. The wires in the back are hooked to nothing there taped off would this have anything to do with it?
Was this
answer
helpful?
Yes
No
Thursday, December 17th, 2020 AT 7:02 PM
Tiny
ASEMASTER6371
  • MECHANIC
  • 52,796 POSTS
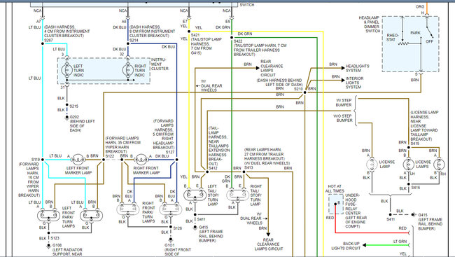
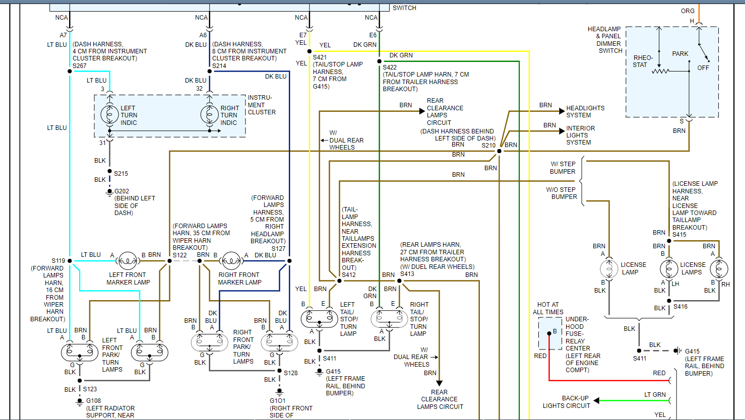
If they go to the rear brake lights, yes. Check the colors and match them to the diagram.

Roy
Was this
answer
helpful?
Yes
No
Thursday, December 17th, 2020 AT 7:15 PM
Tiny
DANOC22
  • MEMBER
  • 45 POSTS
I have a yellow, light green, dark green, brown, blue, orange. Orange and brown are hot.
Was this
answer
helpful?
Yes
No
Thursday, December 17th, 2020 AT 7:34 PM
Tiny
ASEMASTER6371
  • MECHANIC
  • 52,796 POSTS
Yellow and dark green are the ones going to the rear lights. Check the diagram I sent you to verify.

Roy
Was this
answer
helpful?
Yes
No
Thursday, December 17th, 2020 AT 7:43 PM
Tiny
DANOC22
  • MEMBER
  • 45 POSTS
I see what your talking about. These wires go to the trailer plug so I don't know what to do with them.
Was this
answer
helpful?
Yes
No
Thursday, December 17th, 2020 AT 8:04 PM
Tiny
ASEMASTER6371
  • MECHANIC
  • 52,796 POSTS
Do a continuity check to the rear lights from those wires to be sure that they are the wires.

Roy
Was this
answer
helpful?
Yes
No
Friday, December 18th, 2020 AT 4:15 AM
Tiny
DANOC22
  • MEMBER
  • 45 POSTS
I tested at the new switch 2 yellow and 3 dark green to the switch 1yellow is hot with brake on or off. 1 dark green was hot with brake on or off.
Was this
answer
helpful?
Yes
No
Sunday, December 20th, 2020 AT 12:36 PM

Please login or register to post a reply.