Brake lights and hazard quit working

2000 CHEVROLET 3500
130,000 MILES • 7.4L • V8 • 4WD • AUTOMATIC
Advertisement
Repair Safety Notice: This information is for general instructional purposes only. Vehicle repair can be dangerous. Verify all information, follow manufacturer service procedures, use proper tools and safety equipment, and consult a qualified repair shop when needed.
Avatar
ASEMASTER6371
  • AUTOMOTIVE REPAIR CONTRIBUTOR
  • 52,796 POSTS
This is at the rear of the truck? You never mentioned that at all.

Was there a cap on the back of the truck at some point?


Roy
Dec 28, 2020 at 3:24 PM
Avatar
DANOC22
  • MEMBER
  • 45 POSTS
You saw it in the picture of the connector. Cap you mean like a camper type cover? I have only had the truck 2 years. It has a trailer harness.
Dec 28, 2020 at 3:31 PM
Advertisement
Avatar
ASEMASTER6371
  • AUTOMOTIVE REPAIR CONTRIBUTOR
  • 52,796 POSTS
Okay, at this point you need a shop that is good at electrical work. You have a harness issue somewhere that was modified or changed by someone and needs to be traced to find out why you do not have rear brake lights.

Roy
Dec 28, 2020 at 3:42 PM
Avatar
DANOC22
  • MEMBER
  • 45 POSTS
I had them they just quit. I do appreciate your time. Thanks Roy and everyone that helps. Dan
Dec 28, 2020 at 3:54 PM
Advertisement
Avatar
DANNY L
  • AUTOMOTIVE REPAIR CONTRIBUTOR
  • 5,648 POSTS
Hello again.

I caught this post toward the end of the repair. What was fixed and what still is the issue and needs to be repaired? Just want to be on the same page. Thanks again for using 2CarPros and Happy Holidays.

Danny-
Dec 30, 2020 at 5:08 PM
Avatar
DANOC22
  • MEMBER
  • 45 POSTS
i don't have the always hot wire at the brake light relay fuse box under the hood. replaced the brake switch the multi switch. i took the white wire that tested hot when the brake on. i spliced it into my brake wire and now have brake light and two hot in the relay box with the brake on. but lose my right turn signal. i did take those two wires apart. i just wanted see if it would tell me anything. bottom line my brake light on the cab works all light work but tail brake light.
Dec 30, 2020 at 7:00 PM
Avatar
ASEMASTER6371
  • AUTOMOTIVE REPAIR CONTRIBUTOR
  • 52,796 POSTS
Going back to the start, do you have power out of the multifunction switch to the wires to the rear tail lights with the brake pedal depressed?

Roy
Dec 30, 2020 at 7:06 PM
Avatar
DANOC22
  • MEMBER
  • 45 POSTS
yes.
Dec 30, 2020 at 7:17 PM
Avatar
ASEMASTER6371
  • AUTOMOTIVE REPAIR CONTRIBUTOR
  • 52,796 POSTS
Okay, if you have power out of the switch, then it is wiring to the rear lights. It is a direct path to the rear sockets.

Did you test for power to the rear sockets?

Roy
Dec 30, 2020 at 7:23 PM
Avatar
DANOC22
  • MEMBER
  • 45 POSTS
all lights work. the brake lights work. i wired them to my cab brake light they work then.
Dec 30, 2020 at 7:27 PM
Avatar
ASEMASTER6371
  • AUTOMOTIVE REPAIR CONTRIBUTOR
  • 52,796 POSTS
What happens when you use the turn signals?

Roy
Dec 30, 2020 at 7:31 PM
Avatar
DANOC22
  • MEMBER
  • 45 POSTS
all lights work exactly the way they should, not the brake light.
Dec 30, 2020 at 7:33 PM
Avatar
DANOC22
  • MEMBER
  • 45 POSTS
in the brake relay wiring is one wire hot all the time?
Dec 30, 2020 at 7:35 PM
Avatar
ASEMASTER6371
  • AUTOMOTIVE REPAIR CONTRIBUTOR
  • 52,796 POSTS
They should not if you went around by tying into the 3rd light.

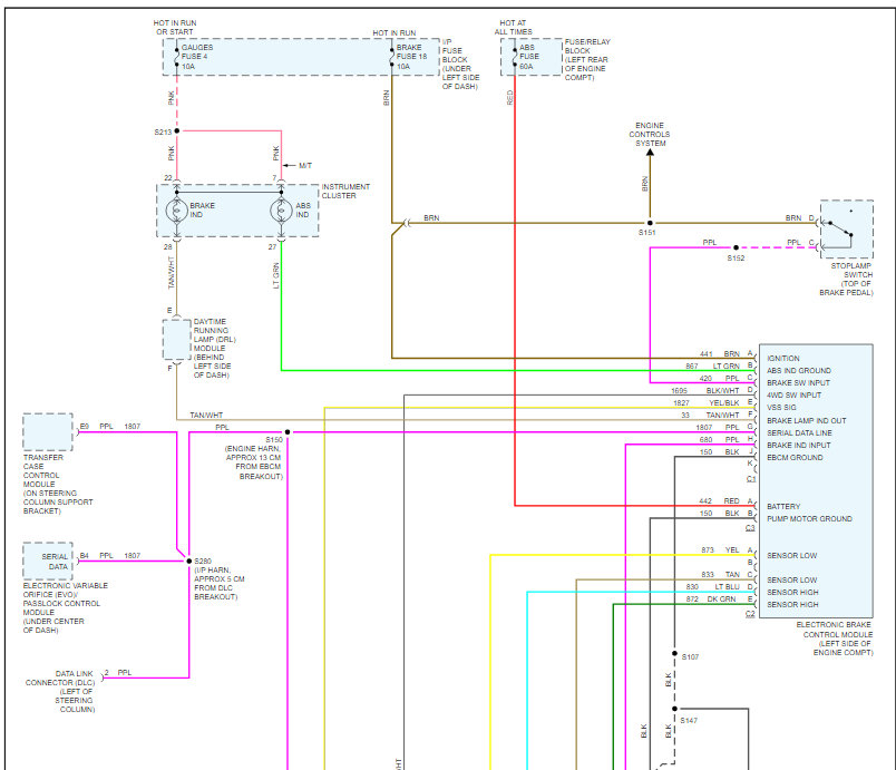
Going back to the diagram, there is a fuse that supplies power all the time to the relay. The white wire feeds it only after the pedal is depressed.

Check the diagram I posted in the beginning.

Roy
Dec 30, 2020 at 7:42 PM
Avatar
DANOC22
  • MEMBER
  • 45 POSTS
that fuse is good. so the cab light does not go through the relay?
Dec 30, 2020 at 7:47 PM
Avatar
ASEMASTER6371
  • AUTOMOTIVE REPAIR CONTRIBUTOR
  • 52,796 POSTS
No, if you look at the diagram, it comes from the brake light switch white wire.

Roy
Dec 30, 2020 at 7:53 PM
Avatar
DANOC22
  • MEMBER
  • 45 POSTS
that's the one that hangs down in the picture at rear from the harness. is that right?
Dec 30, 2020 at 7:58 PM
Avatar
ASEMASTER6371
  • AUTOMOTIVE REPAIR CONTRIBUTOR
  • 52,796 POSTS
No, this is all from the front by the brake light switch. That wire was added by someone for some reason.

Roy
Dec 30, 2020 at 8:01 PM
Avatar
DANOC22
  • MEMBER
  • 45 POSTS
there is a surge brake in it.
Dec 30, 2020 at 8:06 PM
Avatar
ASEMASTER6371
  • AUTOMOTIVE REPAIR CONTRIBUTOR
  • 52,796 POSTS
Surge brake is like a master cylinder that activates the trailer brakes.

The only electricity you have for the trailer is the lights. That is the white wire at the back that you have hanging free.

Roy
Dec 30, 2020 at 8:11 PM
Avatar
DANOC22
  • MEMBER
  • 45 POSTS
the white wire is the one i connected to the rear brakes wire to make them work, but i lost my right turn signal when i brake. it was different then i did with the cab light.
Dec 30, 2020 at 8:19 PM
Avatar
ASEMASTER6371
  • AUTOMOTIVE REPAIR CONTRIBUTOR
  • 52,796 POSTS
You have a wiring issue with the rear lights from the multifunction switch. I mentioned that to you before. There is no bypassing and wiring around the issue and having all the lights work the way they should.

I know you had it to several places that do not know much about electricity but you do need help with this from someone who knows electricity and how to trace the wiring.

Roy
Dec 30, 2020 at 8:22 PM
Avatar
DANOC22
  • MEMBER
  • 45 POSTS
i agree, Danny ask me a question i thought he might have an idea. i am retired and $140.00. an hour is not possible.
Dec 30, 2020 at 8:32 PM
Avatar
ASEMASTER6371
  • AUTOMOTIVE REPAIR CONTRIBUTOR
  • 52,796 POSTS
There is no wiring around it at all.

I would look for a harness from the switch to the back lights. You will need to call salvage yards to see if anyone has it.

Roy
Dec 30, 2020 at 8:42 PM
Avatar
DANOC22
  • MEMBER
  • 45 POSTS
the switch?
Dec 30, 2020 at 8:44 PM
Avatar
ASEMASTER6371
  • AUTOMOTIVE REPAIR CONTRIBUTOR
  • 52,796 POSTS
Yes, from the multifunction switch to the rear lights.

Roy
Dec 30, 2020 at 8:47 PM
Avatar
DANOC22
  • MEMBER
  • 45 POSTS
so from what plugs in to the switch to the rear. that's what i need?
Dec 30, 2020 at 9:00 PM
Avatar
ASEMASTER6371
  • AUTOMOTIVE REPAIR CONTRIBUTOR
  • 52,796 POSTS
That is correct.

Roy
Dec 30, 2020 at 9:02 PM
Avatar
DANOC22
  • MEMBER
  • 45 POSTS
again thanks. so there must be multiple truck that have that harness. any where i can find that info?
Dec 30, 2020 at 9:16 PM
Avatar
ASEMASTER6371
  • AUTOMOTIVE REPAIR CONTRIBUTOR
  • 52,796 POSTS
You are welcome.

Try going to www.car-part.com. good site with all kinds of parts.

Roy
Dec 30, 2020 at 9:39 PM
Avatar
DANOC22
  • MEMBER
  • 45 POSTS
am i looking for the body harness?
Dec 30, 2020 at 9:48 PM
Avatar
ASEMASTER6371
  • AUTOMOTIVE REPAIR CONTRIBUTOR
  • 52,796 POSTS
You are looking for the under-dash harness and external harness to the rear of the truck.

Roy
Jan 2, 2021 at 2:46 AM
Avatar
DANOC22
  • MEMBER
  • 45 POSTS
i am.
Jan 2, 2021 at 7:09 PM
Avatar
ASEMASTER6371
  • AUTOMOTIVE REPAIR CONTRIBUTOR
  • 52,796 POSTS
Did you try www.car-part.com? You may have to call the supplier to be sure you are getting the correct harness.

Roy
Jan 3, 2021 at 2:47 AM
Avatar
DANOC22
  • MEMBER
  • 45 POSTS
i am looking at the junkyard. It's about the money.
Jan 3, 2021 at 1:08 PM
Avatar
ASEMASTER6371
  • AUTOMOTIVE REPAIR CONTRIBUTOR
  • 52,796 POSTS
Okay, got it.

Roy
Jan 3, 2021 at 1:15 PM
Avatar
DANNY L
  • AUTOMOTIVE REPAIR CONTRIBUTOR
  • 5,648 POSTS
Hello again.

I've attached picture information below of the Chevrolet truck wrecking yard I use here in Southern California. Ask for Tom he knows his stuff and I'm sure he will have your wiring harness and can ship if you don't find it in your area. Hope this helps and thanks again for using 2CarPros.

Danny-
Jan 3, 2021 at 9:33 PM
Avatar
DANOC22
  • MEMBER
  • 45 POSTS
Thanks man.
Jan 3, 2021 at 9:52 PM
Avatar
DANOC22
  • MEMBER
  • 45 POSTS
I am in Vegas, it a 4 hour drive.
Jan 3, 2021 at 9:53 PM
Avatar
DANNY L
  • AUTOMOTIVE REPAIR CONTRIBUTOR
  • 5,648 POSTS
You're welcome!

Give him a call I'm sure his business can ship it to you if you can't find it in your area. Thanks again for using 2CarPros.

Danny-
Jan 3, 2021 at 10:00 PM