Brake Lights stopped working

Tiny
OUSLYDOG
  • MEMBER
  • 2000 NISSAN SENTRA
  • 100,000 MILES
Car listed above is a 2002 not 2000 as posted above. Both brake lights just stopped working. Replaced the bulbs and brake light switch, fuses look fine. Still nothing.
Also, there are no stoppers in the pedal plate, just two holes, shouldn't there be stoppers?
Monday, December 6th, 2021 AT 11:54 AM

3 Replies

Tiny
JACOBANDNICKOLAS
  • MECHANIC
  • 110,194 POSTS
Hi,

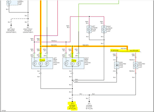
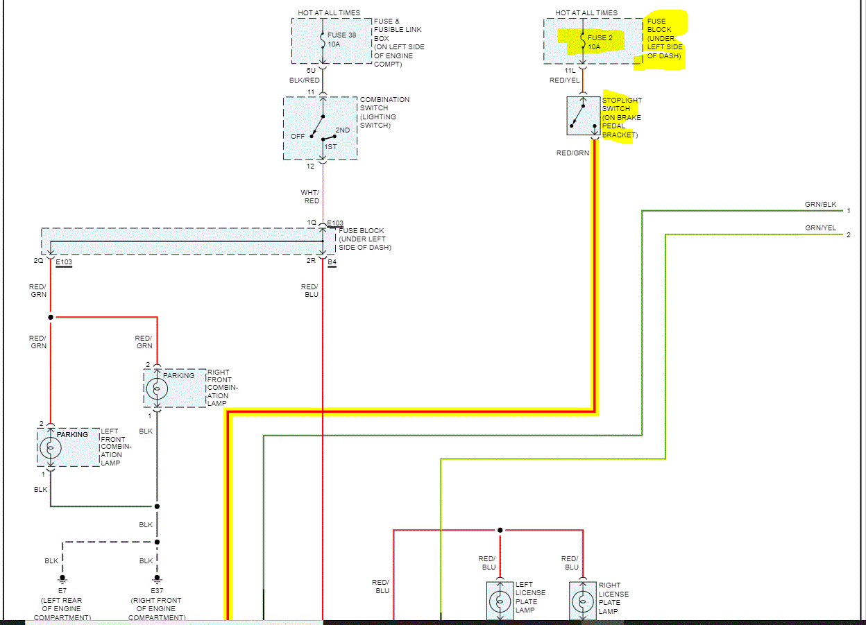
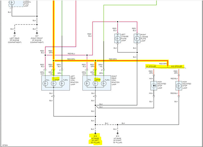
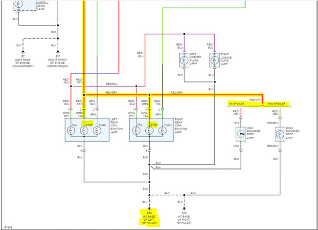
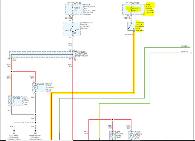
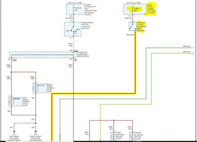
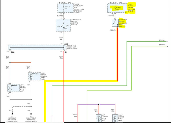
This is a straightforward circuit. The fuse supplies power to the brake light switch. When the switch closes, power travels to the lights. I attached the wiring schematic below. Note, I had to cut it in half to make it readable, but I did overlap them and highlighted the wires, switch, and fuse. Pic 3 below shows the fuse location in the fuse box in the vehicle.

Now, I need you to check fuse 2. If the fuse is good, confirm there is power to and from it.

Here is a link that you may find helpful:

https://www.2carpros.com/articles/how-to-check-a-car-fuse

If the fuse is good and has power, move to the brake light switch. There will be two wires on it. The red wire with a yellow tracer is the power supply. The red wire with a green tracer sends power to the lights when the switch is closed.

First, confirm power at the red/yellow wire. If there is power, actuate the switch and check for power at the red/green wire.

Here is a link you may find helpful:

https://www.2carpros.com/articles/how-to-check-wiring

Do this and let me know the results.

Take care.

Joe

See pics below. Also, take a pic of the brake pedal so I can see what you are referring to.

Was this
answer
helpful?
Yes
No
+1
Monday, December 6th, 2021 AT 7:16 PM
Tiny
OUSLYDOG
  • MEMBER
  • 2 POSTS
First, thanks for your help. Fuse 2 lights up on both in and out. Brake light switch- both wires light up whether or not the switch is pushed in and no change in brightness. Attached a pic of the brake pedal that shows the 2 holes and the wires connected to the brake light switch.
Was this
answer
helpful?
Yes
No
Tuesday, December 7th, 2021 AT 1:21 PM
Tiny
JACOBANDNICKOLAS
  • MECHANIC
  • 110,194 POSTS
Hi,

If the switch is allowing power at all times even when the switch isn't actuated, the switch is bad. When you release the switch, power should stop to the red/green wire. Also, if that wire always has power, the brake lights should stay on at all times. So, disconnect the switch and probe both wires (one at a time), and see if power is present to both wires.

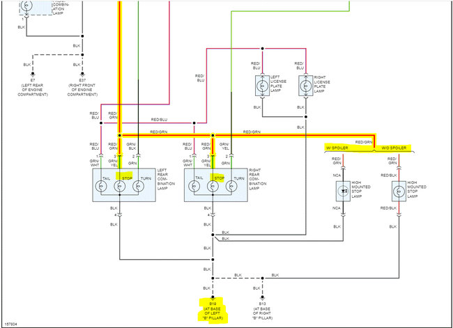
We are missing something simple. If you remove the taillight assembly and check for power there, does it exist? Note: The red/green wire changes color at the assembly to green with a yellow tracer. Check that.

If there is power, then we either lost ground (which is a common ground for the brake lights) or bulbs or sockets are bad.

So, if there is power, the next thing I need you to check is the black wire at the lights for continuity to ground.

I attached the things below to help from the schematic.

Let me know. Also, if you still have the old brake light switch, switch it with the new one and see if it responds the same.

I will watch for your reply.

Joe

See pic below.
Was this
answer
helpful?
Yes
No
Tuesday, December 7th, 2021 AT 8:16 PM

Please login or register to post a reply.