Brake lights not working?

Tiny
AMANDA ARMSTRONG
  • MEMBER
  • 1999 CHEVROLET SUBURBAN
  • 7.4L
  • 4WD
  • AUTOMATIC
  • 24,264,200 MILES
My brake lights don't work on either side I've already replaced all the bulbs and still doesn't work.
Sunday, October 15th, 2023 AT 6:41 PM

1 Reply

Tiny
JACOBANDNICKOLAS
  • MECHANIC
  • 110,192 POSTS
Hi,

Have you checked to see if there is power to the light sockets? Do the hazard lamps work properly?

Next, I need you to check the stop/hazard fuse in the interior fuse box. It is fuse 1. When you check the fuse, confirm there is power to and from it.

Here is a link you may find helpful:

https://www.2carpros.com/articles/how-to-check-a-car-fuse

If the fuse is good and has power, then I need you to locate the brake lamp switch at the top of the brake pedal. There will be two wires present at the switch. Disconnect the connector and check the orange wire in the connector for power. It should have power at all times regardless of the key position. If it has power, reconnect the connector. For this test, you need to back probe the white wire. Basically, with the switch connected, you need to make contact the white wire inside the connector. I often use something like a thin paper clip or whatever is needed to push into the wire pin.

The white wire will not have power at all times. It should get power when you depress the brake pedal. Check if that is what is happening and let me know.

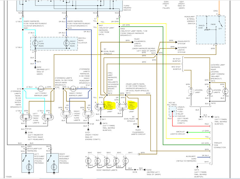
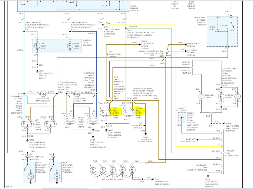
I attached the wiring schematic below for the exterior lighting so that you have a reference. I did note that there is a brake lamp relay, but the schematic indicates "except suburban utility" so I don't think it pertains to this vehicle. However, if everything checks good, I will need to research that for you.

Let me know.

Take care,

Joe

See pic below. Note: I had to cut the schematic in half to make it readable. I did overlap the two pics so you can follow from one to the next.
Was this
answer
helpful?
Yes
No
Sunday, October 15th, 2023 AT 8:12 PM

Please login or register to post a reply.