HOME
ASK A QUESTION
REPAIR GUIDES
BECOME A MEMBER
LOG IN
Login with Facebook
OR
Remember me
NOT A MEMBER?
FORGOT PASSWORD?
CONTACT US
PRIVACY POLICY
TERMS AND CONDITIONS
☰
Home
Chevrolet
Silverado
Exterior Light
Brake Light
Not Working
Brake lights are not working?
MARK MCFARLING
MEMBER
1992 CHEVROLET SILVERADO
V6
RWD
MANUAL
92,000 MILES
Brake lights do not work can you help me fix it?
Thursday, January 19th, 2017 AT 11:43 AM
3 Replies
HMAC300
MECHANIC
48,601 POSTS
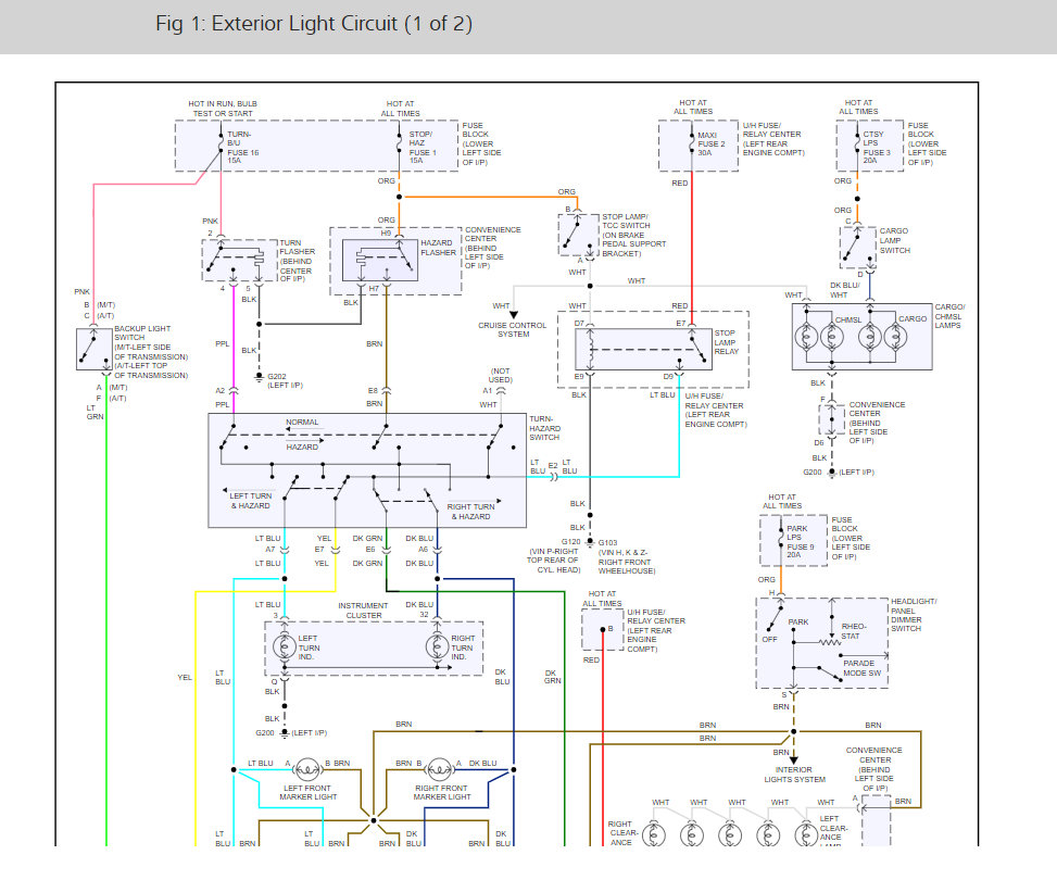
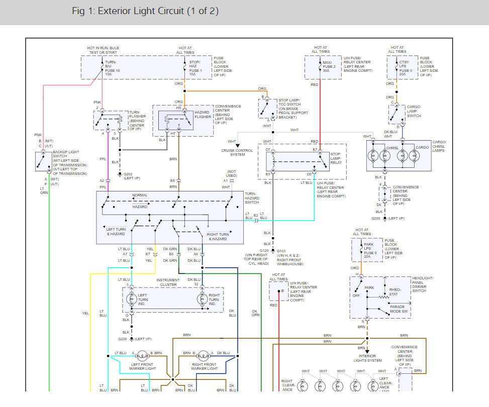
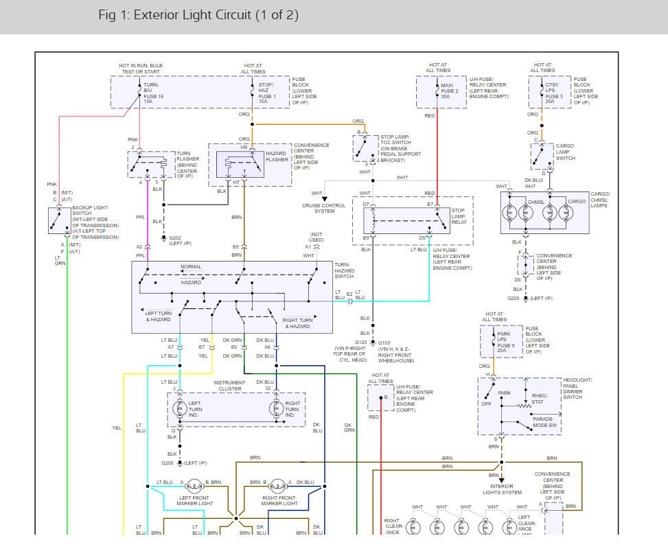
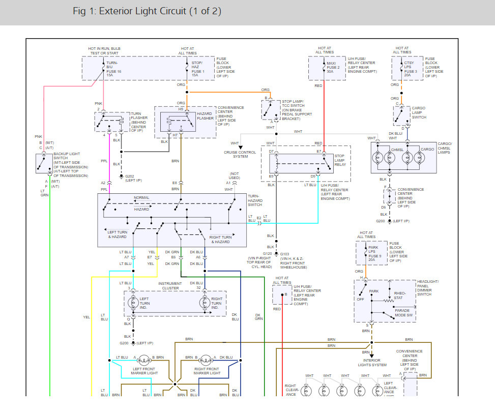
The brake light switch could be out which is common check out this guide to help you find it. lets check the fuses as well
https://www.2carpros.com/articles/brake-lights-not-working
and
https://www.2carpros.com/articles/how-to-check-a-car-fuse
Check out the diagrams (Below). Please let us know what happens.
Images (Click to make bigger)
Was this
answer
helpful?
Yes
No
Friday, February 26th, 2021 AT 10:47 AM
MARK MCFARLING
MEMBER
2 POSTS
The guide was great it was the brake light switch I got a new one and boom, they work again !
Was this
answer
helpful?
Yes
No
Friday, February 26th, 2021 AT 10:47 AM
HMAC300
MECHANIC
48,601 POSTS
Use 2CarPros anytime, we are here to help. Please tell a friend.
Was this
answer
helpful?
Yes
No
Friday, February 26th, 2021 AT 10:47 AM
Please
login
or
register
to post a reply.
Related Brake Light Not Working Content
I Have A 1992 Chevy Stepside 1500 Automatic 350 With...
Brake Lights Do Not Work - Blinkers Do And Rear Tail Lights - Anyone Know Whatup - Fuse Is Ok Too! Thanks
Asked by
jrobb
·
4 ANSWERS
1992
CHEVROLET SILVERADO
I Have No Brake Lights I Need To Fix It
We Have Tested Fuses And They Are Good! But We Still Don't Have Any Brake Lights! Have Tail Lights And Back Up Lights. Is There A Brake...
Asked by
toolx09
·
40 ANSWERS
21 IMAGES
1996
CHEVROLET SILVERADO
My Brake Light Has Stopped Working On My Silverado?
My Brake Light Has Stopped Working On My 2014 Silverado. I Have A Truck Topper Installed And The Center Brake Light Is Out On It As Well....
Asked by
norbs87
·
33 ANSWERS
34 IMAGES
2014
CHEVROLET SILVERADO
Brake Lights Not Working
I Have Tail Lights Back Up Lights, 4way Flashers And Left And Right Turn Signals But No Brake Lights. Can You Help Out
Asked by
s35Mudbogger
·
2 ANSWERS
1 IMAGE
1993
CHEVROLET SILVERADO
Brake Lights Not Working?
My Brake Lights Do Not Work. The Blinkers, Reverse And Tail Lights All Work Fine. I Also Have A Topper On The Truck, Which The Third...
Asked by
Rossickle
·
35 ANSWERS
5 IMAGES
1997
CHEVROLET SILVERADO
VIEW MORE
Ask a Car Question. It's Free!
How to Use a Test Light
Turn Signals Blink Fast
Have a Dim Headlight? - Try Replacing This!