Brake lights do not work

Tiny
DANIEL CHEATHAM
  • MEMBER
  • 2005 CHEVROLET SILVERADO
  • 5.3L
  • V8
  • 4WD
  • AUTOMATIC
  • 157,000 MILES
My brake lights aren’t working but the third one on the cab does. My blinkers work as well as my running lights. I’ve checked fuses, they all seem to look and appear good. I’ve replaced the taillight circuit board, brake light switch, and turn signal switch and the brake lights still don’t work. I’m not sure what to do now.
Thursday, January 13th, 2022 AT 5:04 PM

1 Reply

Tiny
AL514
  • MECHANIC
  • 5,590 POSTS
Hello, since you have turn signals, tail lights etc.. Ive narrowed this down to 2 locations. I will post the wiring diagrams to show you what I believe is happening here, There is a simple test you can do to rule out 1 of these junction areas that the wiring runs threw,
I will post them in just one minute

Starting with the 3rd diagram, you see the wire I labelled going to your cruise control unit. The test you can do, is run the truck and use your cruise control, the cruise control should turn off when you tap the brake pedal. If it doesnt that means the cruise control unit is probably not receiving a signal from the brake pedal switch and the issue is most likely in that Under Hood Fuse Block.
If the cruise control does turn off, then it is receiving the brake pedal switch signal. and the problem has to be further down the circuit.
Next to the 1st diagram. If your rear turn signals work, it cant be a Ground problem because the Brake lights and turn signals, tail lights share a Ground back there (circled in green).
Then the issue looks like its in that Rear Lamps Junction Block, you should be able to test for power from the brake pedal circuit going into that junction on the Light Blue wire and see if its coming out to the Brake lights (1st Diagram Connector C1 Pin B). If its going in but not coming out there, the problem is in that Junction Block. You can use a 12volt Automotive test light to test this circuit.
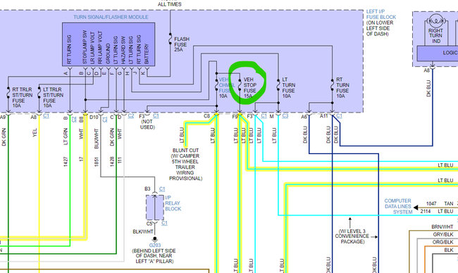
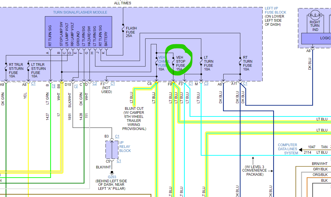
I would recheck the Fuse also (6th diagram,Veh Stop Fuse)

https://www.2carpros.com/articles/how-to-use-a-test-light-circuit-tester

https://www.2carpros.com/articles/how-to-check-wiring
Was this
answer
helpful?
Yes
No
+1
Thursday, January 13th, 2022 AT 5:57 PM

Please login or register to post a reply.