Sunday, March 12th, 2023 AT 2:13 PM
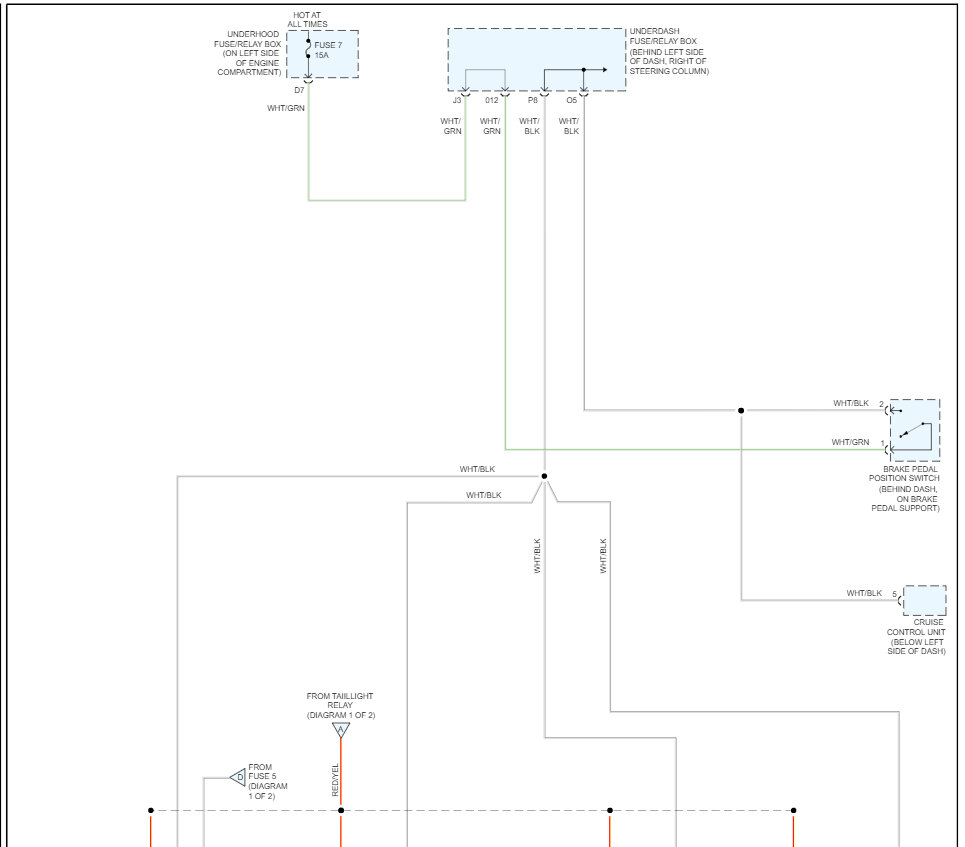
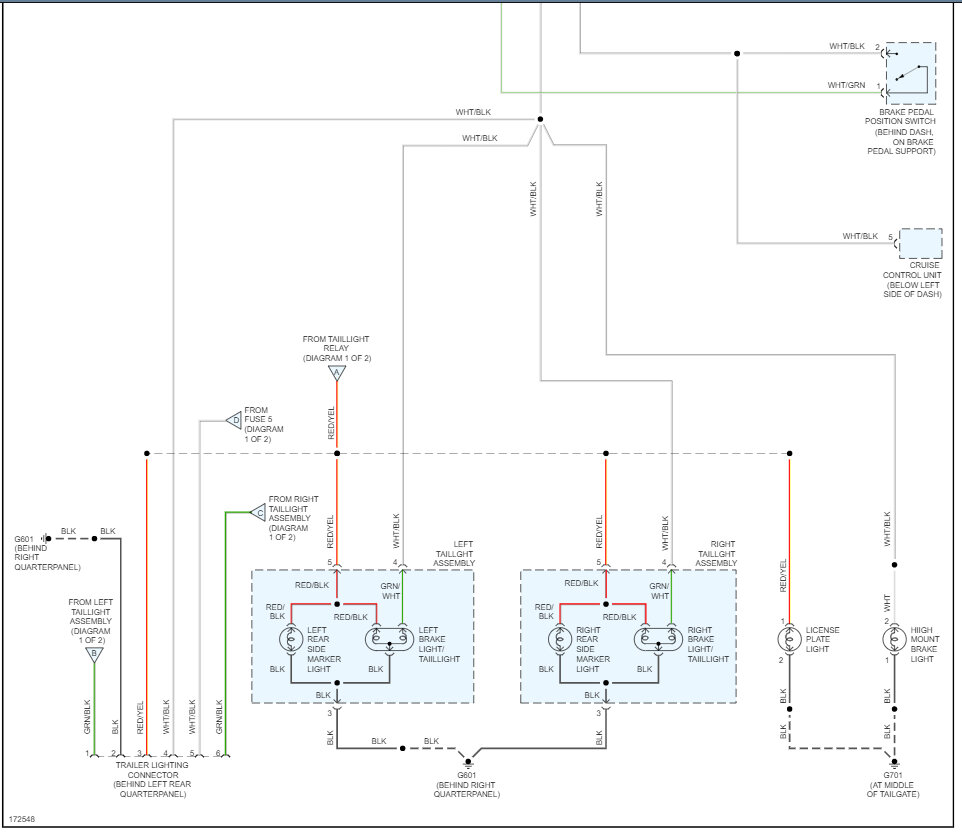
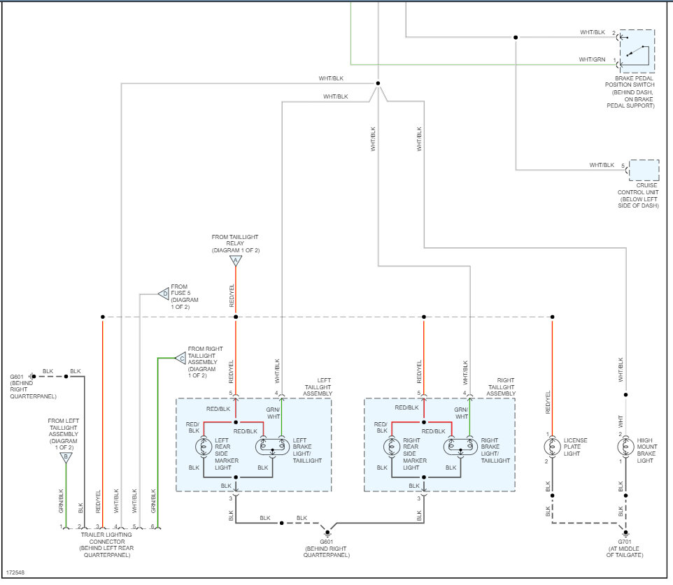
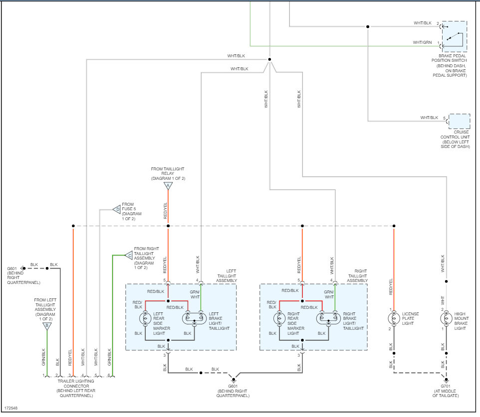
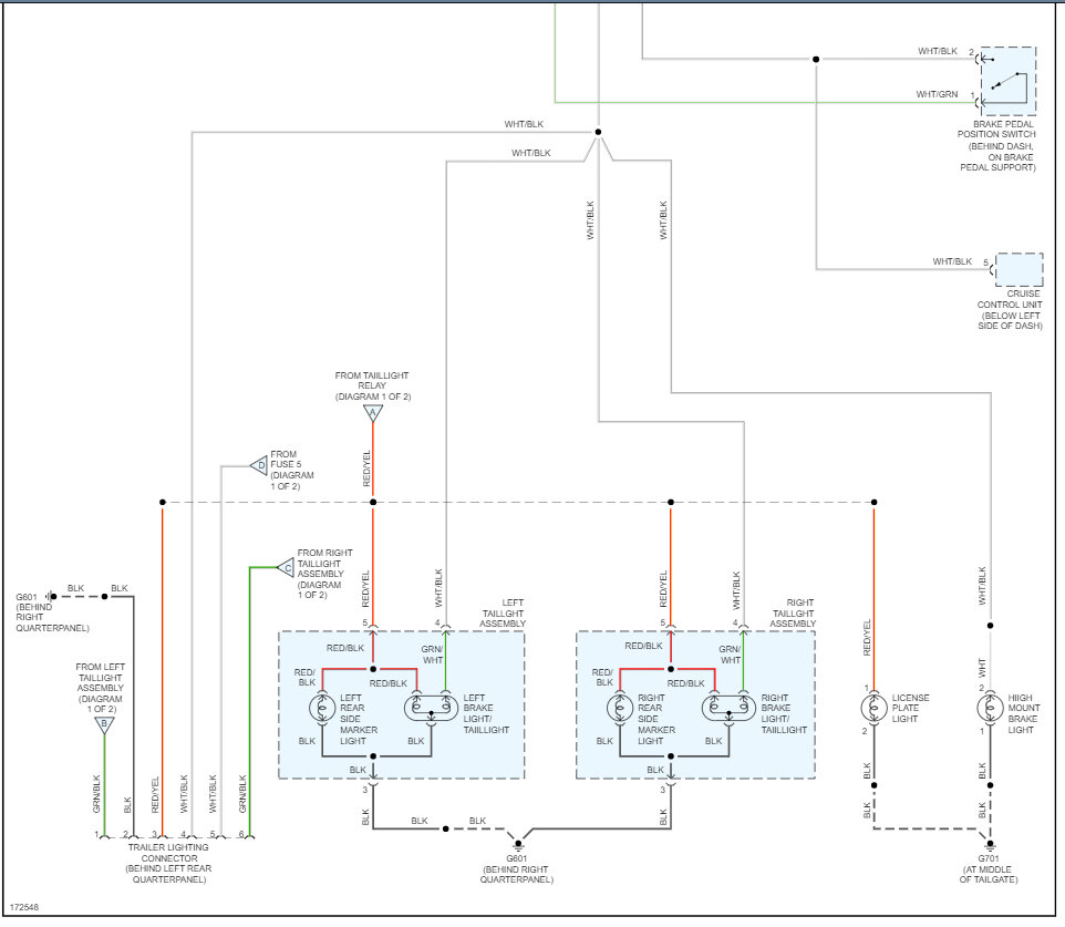
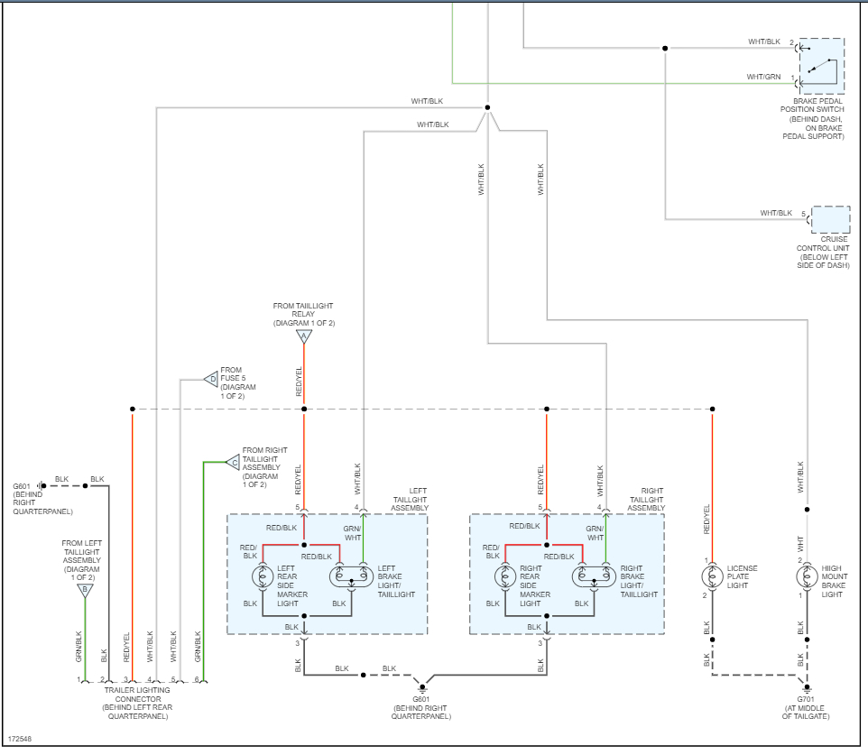
With key/car on, the brake lights would stay on. I replaced the brake switch at the pedal as well as the "stopper" on the pedal arm. Fixed this issue. However, when I turn on the running/parking lights the brake lights are also on. Whether the switch is to the running/parking lights or the headlights, whether I press the brake pedal or not, the brake lights are on. I have noticed before that when I do press the brake pedal, lights off, my running/parking lights come on as well.






















