HOME
ASK A QUESTION
REPAIR GUIDES
BECOME A MEMBER
LOG IN
Login with Facebook
OR
Remember me
NOT A MEMBER?
FORGOT PASSWORD?
CONTACT US
PRIVACY POLICY
TERMS AND CONDITIONS
☰
Home
Buick
Century
Exterior Light
Brake Light
Not Working
Brake lights not working?
DARRELL SIEGRIST
MEMBER
2003 BUICK CENTURY
3.1L
V6
2WD
AUTOMATIC
200,000 MILES
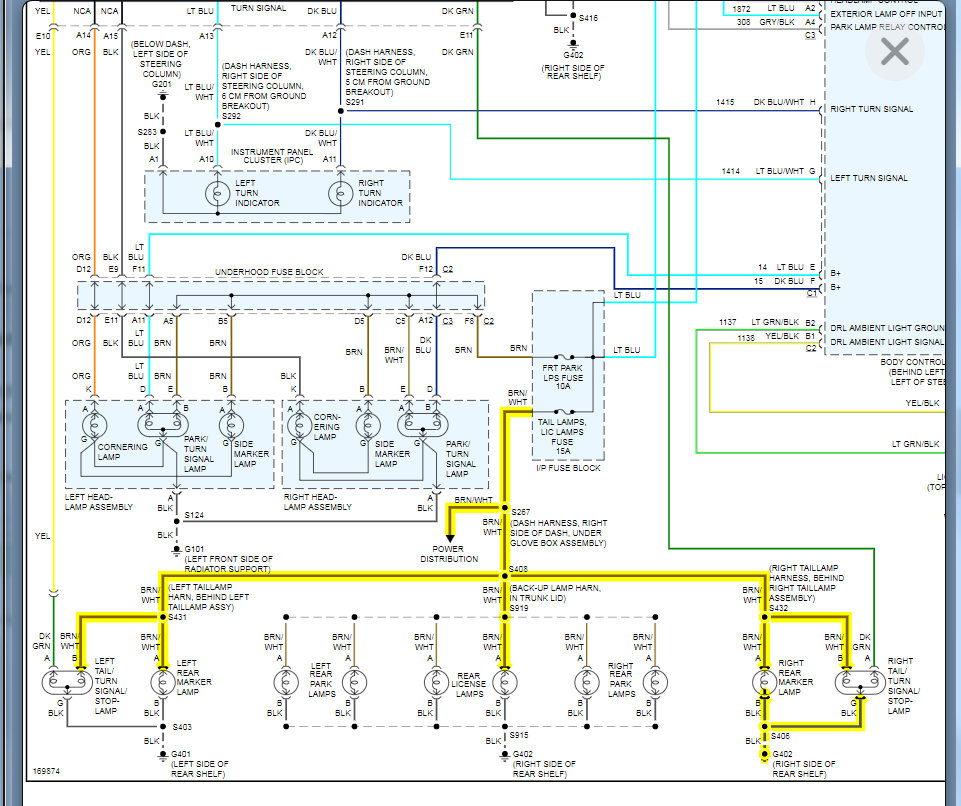
Replaced bulbs, markers work fine. Even switched the left side pigtail with the right side still no brake light?
Sunday, January 24th, 2021 AT 2:07 PM
1 Reply
KASEKENNY
MECHANIC
18,907 POSTS
More than likely we have a ground issue if this is the only light that is not working.
We need to check to see if there is voltage on the ground side of the bulb.
Here is a guide that will help with this testing:
https://www.2carpros.com/articles/how-to-check-wiring
and
https://www.2carpros.com/articles/brake-lights-not-working
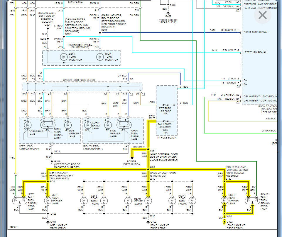
Below is a copy of the wiring diagram that will help with this. Please let us know what you find. Thanks
Image (Click to make bigger)
Was this
answer
helpful?
Yes
No
Monday, May 10th, 2021 AT 6:26 PM
Please
login
or
register
to post a reply.
Related Brake Light Not Working Content
Headlights Will Not Come On
I Have A 1996 Buick Century. The Headlights Will Not Come On And The Brake Lights Dont Work Either. Also The Turn Signals Work But The...
Asked by
christina26
·
1 ANSWER
2 IMAGES
1996
BUICK CENTURY
1995 Buick Century Lights
My Headlights And Brake Lights Are Not Working Even After I Replaced The Fuses. What Else Could Be Wrong?
Asked by
ssouth
·
2 ANSWERS
1995
BUICK CENTURY
Driver Side Brake Light Does Not Work?
I Have Changed The Bulb And It Did Not Work. I Put A Test Light To The Plug And It Barely Lights It Up Compared To The Other Side That...
Asked by
jerryarvid
·
3 ANSWERS
1998
BUICK CENTURY
Brake Lights Stopped Working
My Brake Lights (as Well As Rear Turn Lights) Stopped Working 2 Days Ago. I Checked The Fuses (all Okay) Replaced The Bulbs (all Burned Out...
Asked by
Anonymous
·
3 ANSWERS
1 IMAGE
2001
BUICK CENTURY
Buick Century 1989 Brake Lights
Hi I Have A Buick Century Where The Brake Lights Remain On After The Car Is Turned Off. This Has Only Been Occuring For The Last 2 Weeks....
Asked by
canterbury
·
2 ANSWERS
1989
BUICK CENTURY
VIEW MORE
Ask a Car Question. It's Free!
How to Use a Test Light
Headlight Dim or Dull
Have a Dim Headlight? - Try Replacing This!