Headlights will not come on

Tiny
CHRISTINA26
  • MEMBER
  • 1996 BUICK CENTURY
  • 6 CYL
  • FWD
  • MANUAL
  • 148,000 MILES
I have a 1996 buick century. The headlights will not come on and the brake lights dont work either. Also the Turn signals work but the hazards don't. I have check the bulbs and the fuses in the glove compartment. I don't know what else to check.
Monday, November 22nd, 2010 AT 8:53 AM

1 Reply

Tiny
KASEKENNY
  • MECHANIC
  • 18,907 POSTS
More than likely this is a module issue however, the way to figure this out is to pick one of the systems and diagnose that one until you fix it and if it fixes the other issues then that is a bonus but if not, we can move onto the next.

https://www.2carpros.com/articles/how-to-check-wiring

https://www.2carpros.com/articles/how-to-use-a-voltmeter

https://youtu.be/Hlna_kUt7As

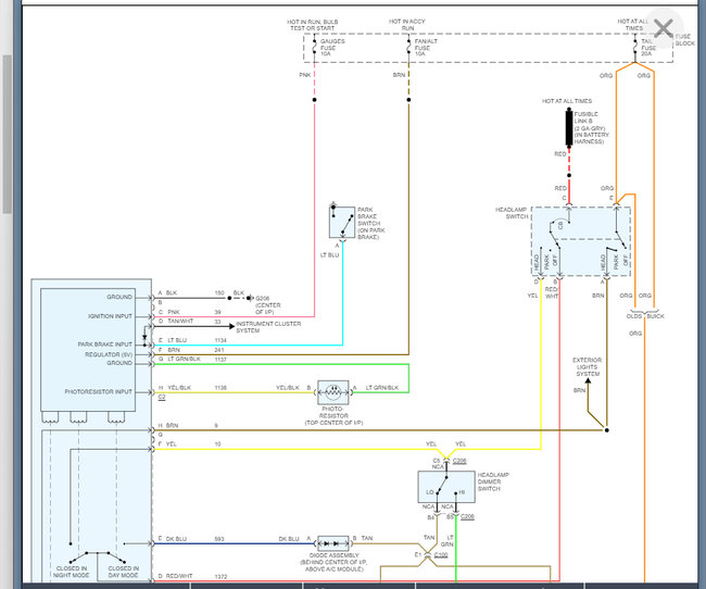
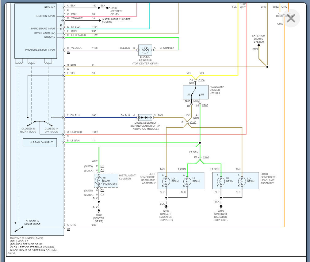
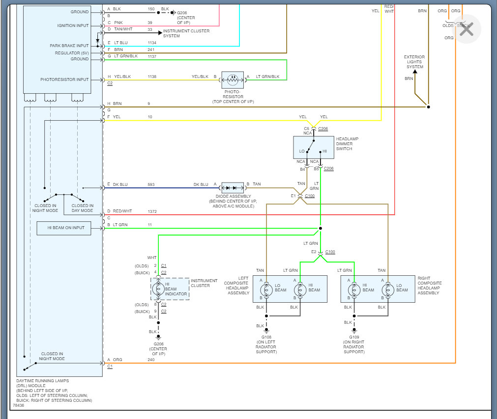
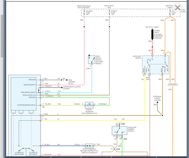
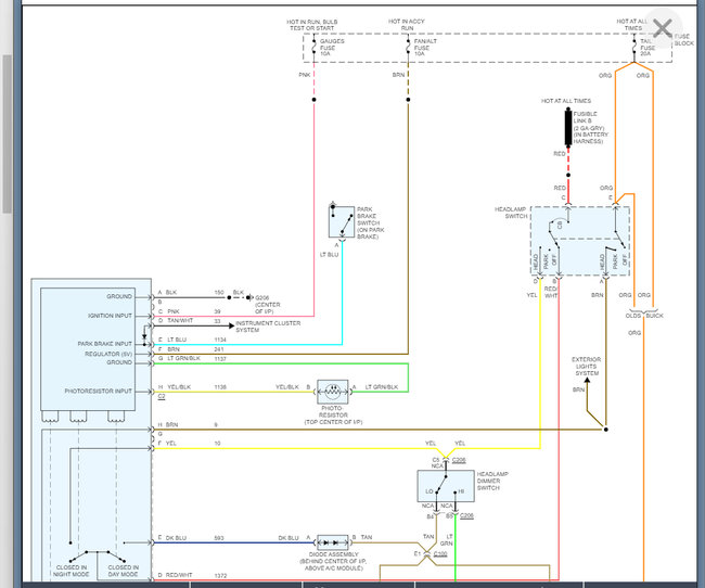
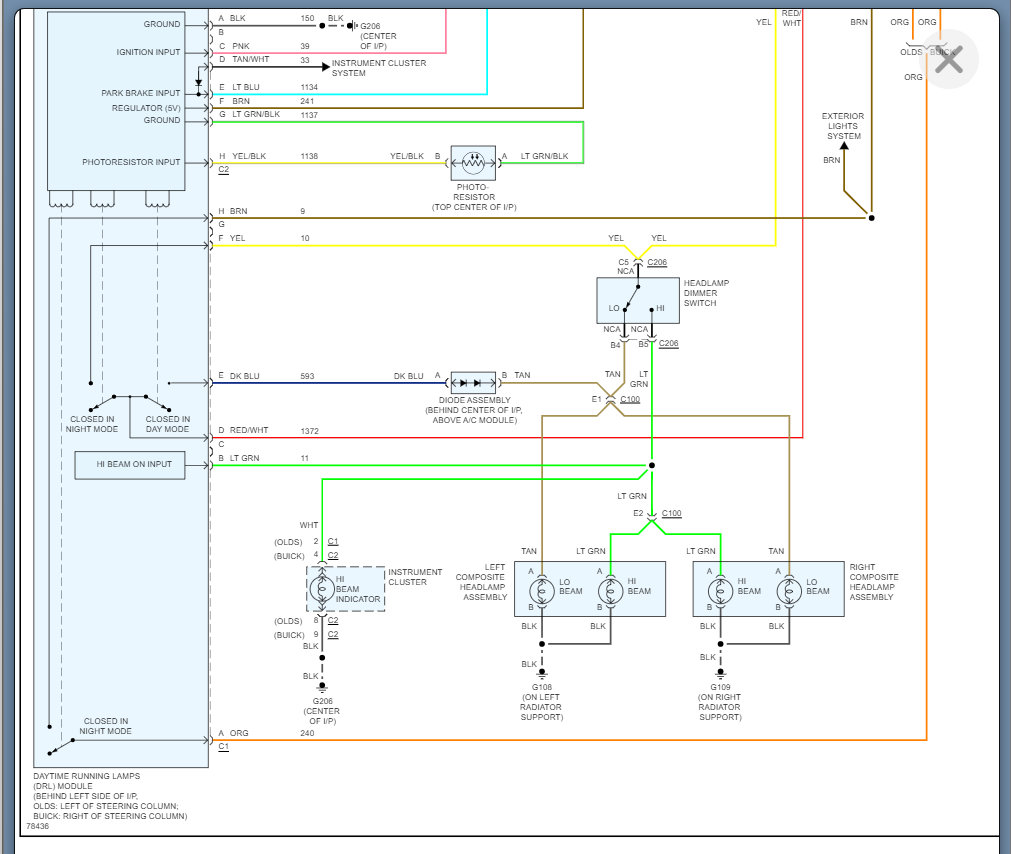
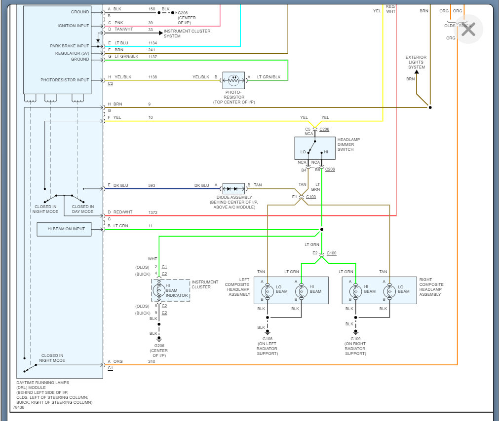
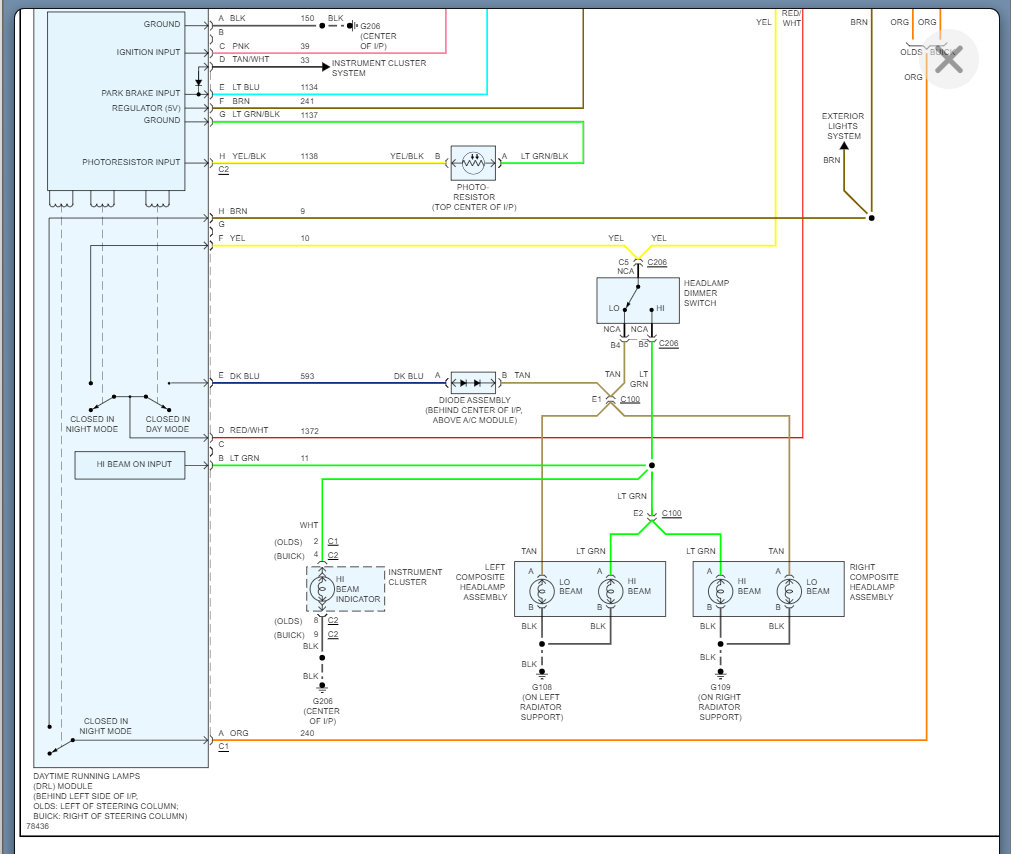
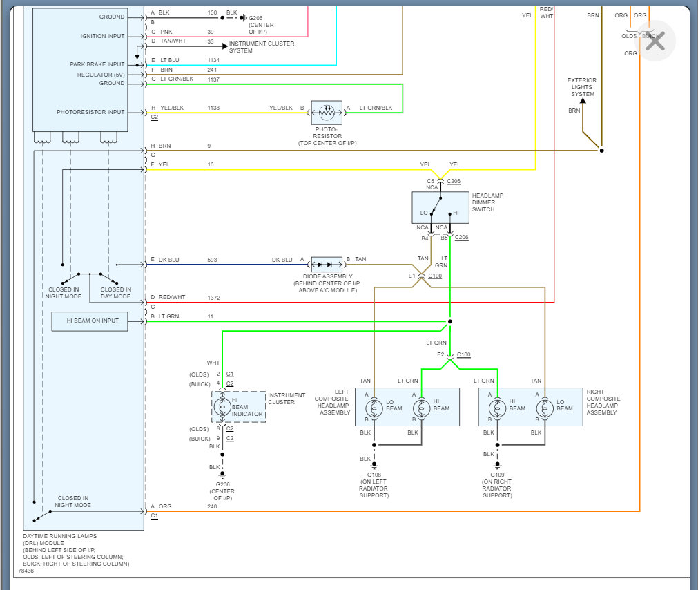
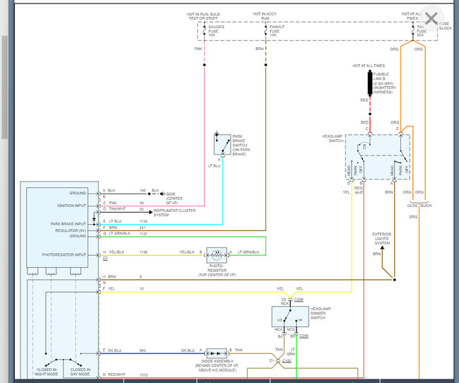
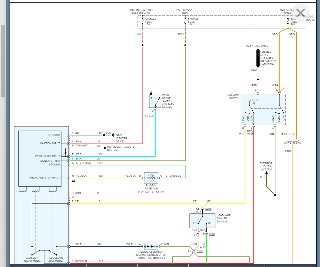
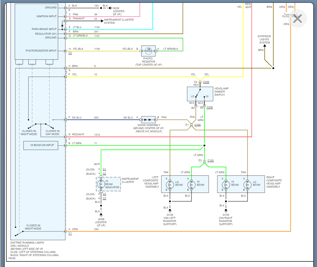
I am attaching the wiring diagrams for the headlights, so we basically need to start to find out if you have voltage coming out of the DRL module and if not, then check the switch and if there is voltage going in and not coming out then the module is the issue.

Please let me know what questions you have, and we can go from there.

Thanks
Was this
answer
helpful?
Yes
No
Monday, December 6th, 2021 AT 3:32 PM

Please login or register to post a reply.