1995 Buick Century lights

Tiny
SSOUTH
  • MEMBER
  • 1995 BUICK CENTURY
  • 4 CYL
  • 2WD
  • AUTOMATIC
  • 14,000 MILES
My headlights and brake lights are not working even after I replaced the fuses. What else could be wrong?
Thursday, February 19th, 2009 AT 11:35 AM

2 Replies

Tiny
ZACKMAN
  • MECHANIC
  • 4,202 POSTS


http://www.2carpros.com/forum/automotive_pictures/55316_95centuryheadlight_1.jpg



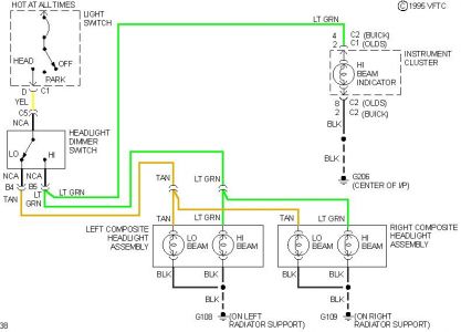
Headlight: Either your light switch or the dimmer switch. Most likely you headlight switch.

Brake light: Either stop/hazard fuse 20A or the stop light switch on top of the brake pedal.
Was this
answer
helpful?
Yes
No
+1
Sunday, February 22nd, 2009 AT 12:36 AM
Tiny
NICK H
  • MEMBER
  • 5 POSTS
If you havent figured it out yet I had the same problem in a 94 buick century, I followed the positive cable directly off the battery and 1 thick wire runs to the starter but the other connection off the positive connection runs toward your driverside fender into a plug, unplug this and see if anything looks bad, possiby burnt like mine was, I cleaned up the connection plugged it in and no problems since, My service engine soon light even went off! Hope this helps.
Was this
answer
helpful?
Yes
No
+3
Thursday, March 26th, 2009 AT 5:00 PM

Please login or register to post a reply.