Rough idle on cold start

Tiny
NAT GKM
  • MEMBER
  • 2007 BMW 325I
  • MANUAL
  • 35,000 MILES
E90 325i.
Sounds like the car is switching on and off all the time.
When the car shuts off it loses memory and doesn’t start again.
Wednesday, March 30th, 2022 AT 2:19 AM

10 Replies

Tiny
BORIS K
  • MECHANIC
  • 836 POSTS
Hello,

Rough idle when cold on your model BMW usually points towards bad fuel injectors. But this would not cause the vehicle to lose memory and not restart.

It sounds like you might have a possible low voltage issue such as a bad battery or alternator not charging properly.

How to test battery.
https://www.2carpros.com/articles/car-battery-load-test

How to test alternator.
https://www.2carpros.com/articles/how-to-check-a-car-alternator

Has the vehicle been scanned for any fault codes?
This would be advisable, once done please post the codes on here so that we can help diagnose further

How to do a CAN scan.
https://www.2carpros.com/articles/can-scan-controller-area-network-easy

Please let us know how you get along.

Cheers, Boris
Was this
answer
helpful?
Yes
No
Wednesday, March 30th, 2022 AT 8:58 AM
Tiny
NAT GKM
  • MEMBER
  • 7 POSTS
Thank you for getting back to me. I did a diagnosis on the BMW. I have the following faulty codes: 2E7C 2EF5.
Was this
answer
helpful?
Yes
No
+1
Wednesday, March 30th, 2022 AT 9:10 AM
Tiny
NAT GKM
  • MEMBER
  • 7 POSTS
This is one that was picked up.
Was this
answer
helpful?
Yes
No
Wednesday, March 30th, 2022 AT 9:11 AM
Tiny
NAT GKM
  • MEMBER
  • 7 POSTS
This is the other one we picked up.
Was this
answer
helpful?
Yes
No
Wednesday, March 30th, 2022 AT 9:11 AM
Tiny
NAT GKM
  • MEMBER
  • 7 POSTS
Battery is brand new. It was tested and alternator was tested as well, and all seems fine.
Was this
answer
helpful?
Yes
No
Wednesday, March 30th, 2022 AT 9:14 AM
Tiny
BORIS K
  • MECHANIC
  • 836 POSTS
Hello,

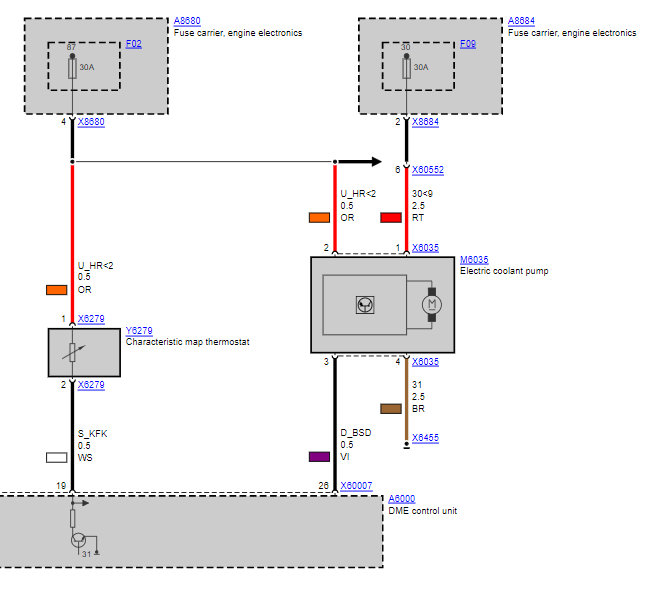
Code 2E7C- BSD interface signal fault.
Your vehicle is fitted with a DME control unit, Digital Motor Electronics.

The bit-serial data interface is a single-wire data bus with a data transfer rate of 1.2 kBit.

The following components are connected across the bit-serial data interface with the DME/DDE control unit:

Alternator (varies according to version).

Intelligent battery sensor (depending on model series).

Electric coolant pump (depending on variant).

Oil condition sensor (depending on variant).
See system layout at the bottom, image 1.

Function.
The following data is interchanged between the DME and the connected components:

Functional requirements from the DME to the components.

Identification data of the components to the DME.

Operating values of the components and their functions to the DME.

Fault messages of the components to the DME.

Diagnosis
The DME monitors communication across the bit-serial data interface to the connected components. This means that line faults are also detected.

The connected components have their own diagnosis functionality and monitor the following:

The executed functions are monitored for faults
Internal faults in the components

If a component detects a fault, it reports the fault across the bit-serial data interface to the DME/DDE. The DME/DDE then enters fault 2E7C in the fault memory.

Check the wiring between each component listed on the wiring diagram and the DME.
A list of various connectors on the DME is in image 2.

How to test wiring for an open circuit, short to ground.
https://www.2carpros.com/articles/how-to-check-wiring

How to use a test light.
https://www.2carpros.com/articles/how-to-use-a-test-light-circuit-tester

How to use a voltmeter.
https://www.2carpros.com/articles/how-to-use-a-voltmeter

A good video on BSD diagnostic.
https://youtu.be/4MCoQ4QrxsY

Regarding 2EF5.
2EF5 DME: Map thermostat, activation - Open circuit.

This fault might point towards a possible faulty thermostat

I would suggest first checking the fused power supply to the thermostat.

Pin 1 at thermostat, orange wire 12V supply from fuse F2, 30A.
Pin 2 at thermostat, white wire, control from DME at pin 19 at connector X60007.

See image 3 below.

Cheers, Boris
Was this
answer
helpful?
Yes
No
Friday, April 1st, 2022 AT 3:36 AM
Tiny
NAT GKM
  • MEMBER
  • 7 POSTS
Thank you, I will definitely check that and get back to you. Much appreciated.
Was this
answer
helpful?
Yes
No
Friday, April 1st, 2022 AT 4:09 AM
Tiny
NAT GKM
  • MEMBER
  • 7 POSTS
Hi. Okay, so, the car is still not starting. I had a guy here to do a diagnostic on the car BMW for me and the Fault code is 2f44 and I have searched and read a whole lot of stuff and I’m still sitting with a car that’s just standing in my garage. Any advice for me for further steps?
Was this
answer
helpful?
Yes
No
Tuesday, April 12th, 2022 AT 6:27 AM
Tiny
BORIS K
  • MECHANIC
  • 836 POSTS
Hello,

2F44 EWS preventing manipulation stored and present.
You have a situation where there are too many failed starts; it will activate the immobilizer; the car thinks there is a theft attempt. There is a certain amount of coded communication signals between the DME and the CAS that can be exceeded. Once this happens the two modules get out of synchronization and need to be re-aligned with the same matching random synchronized starting codes.

The only way to get around this is to perform a DME CAS Alignment.
This has to be done with either BMW ISTA or another suitable diagnostic tool.

Hope this helps.

Cheers, Boris
Was this
answer
helpful?
Yes
No
Tuesday, April 12th, 2022 AT 9:27 AM
Tiny
NAT GKM
  • MEMBER
  • 7 POSTS
Understand perfectly thank you. Will let you know what happens within the next couple of days and how far I get with the rainy weather my side in fixing the car.
Was this
answer
helpful?
Yes
No
Tuesday, April 12th, 2022 AT 9:38 AM

Please login or register to post a reply.