Blows out hot air when should be cold

Tiny
TONYA LYNN
  • MEMBER
  • 1995 LINCOLN TOWN CAR
  • 4.9L
  • V8
  • RWD
  • AUTOMATIC
  • 165,000 MILES
When the air is turning all the way down it still blows out very hot air.
Monday, October 9th, 2017 AT 3:44 PM

1 Reply

Tiny
KEN L
  • MASTER CERTIFIED MECHANIC
  • 55,141 POSTS
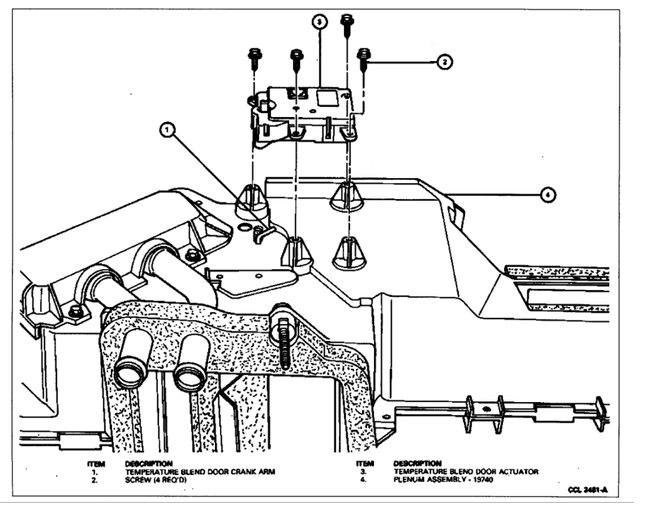
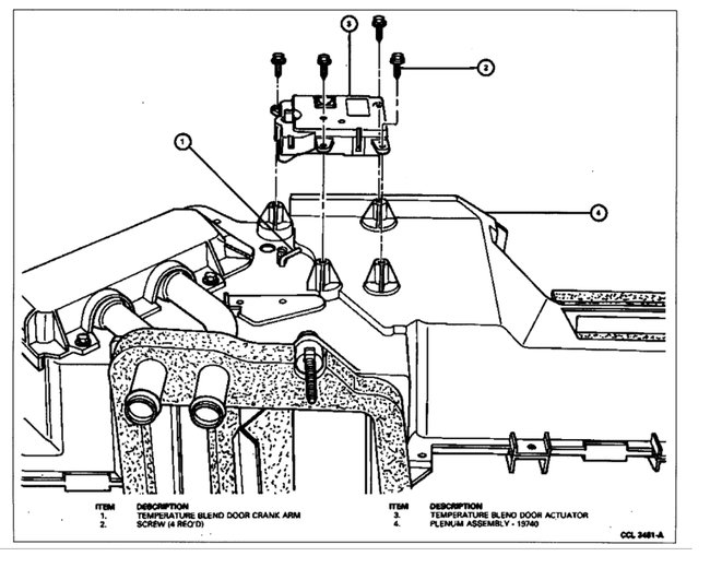
It sounds like you have a temperature blend door actuator that is out.

Here is a guide that will shoe you what you are in for when doing the repair:

https://www.2carpros.com/articles/replace-blend-door-motor

Below is what it will be like on your car.

You should be able to get to it from the glove box.

Please let us know what happens.

Cheers, Ken
Was this
answer
helpful?
Yes
No
Tuesday, October 10th, 2017 AT 12:36 PM

Please login or register to post a reply.