Blowing through defrost

2000 FORD E-SERIES VAN
950,000 MILES
Avatar
CHRISTIAN REX GALVAN
  • MEMBER
  • 2 POSTS
Okay, I’ve done almost everything to this thing. I did the vacuum pump replacement and the whole 100 yards even changed the blend door Actuator. Nothing.
Aug 15, 2021 at 8:37 PM
Advertisement
Avatar
STEVE W.
  • CAR REPAIR CONTRIBUTOR
  • 15,153 POSTS
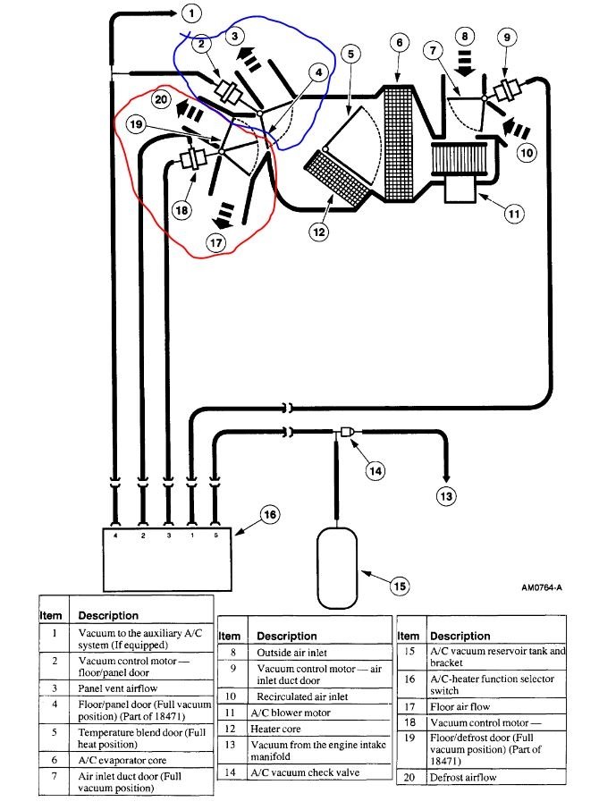
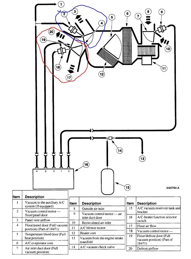
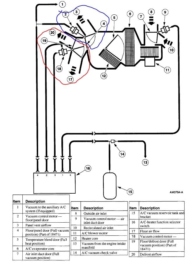
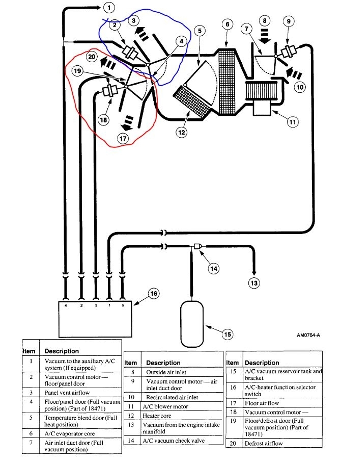
So the air only blows through the defrost duct? It will not switch to dash or floor correct? If that is the case then it's likely a vacuum problem. The floor/defrost door is controlled by one vacuum motor while the dash vents are a different one and it's not common for both to fail at the same time. To test this you can remove the access panel to get to the door motors. With the panel off, start the engine and select floor and defrost on the control panel while you watch the vacuum motors and see if they move. If they don't then remove the vacuum lines and listen and feel for vacuum as you select defrost and floor. If you hear and feel nothing try to select recirculate or outside air, does that control operate? If not those are all vacuum controlled from the dash control. However I would start by checking the vacuum lines from the manifold to the vacuum reserve canister and it's check valve. Ford made this very difficult as the vacuum reservoir is now part of the HVAC case and not easily replaceable, However it could be replaced by adding an external vacuum canister if needed. In the third image you can see the vacuum lines. If you move the controls but see no motion look on the intake manifold of the engine and find the line that runs back to the firewall and check it for cracks or damage. If it looks okay the next step will be to check at the heater control itself for vacuum. For that you need to remove the center trim panel from the dash. With it off you can remove the screws that secure the heater control to the dash. Pull it out and on the rear you will find the vacuum harness connection in the 5th image. Remove that and start the engine. One of the lines (port 5) should have vacuum on it with the engine running. If you have a good vacuum there put a vacuum gauge on that line and then shut off the engine, does it hold a vacuum for a few minutes? If yes then the control head is the likely problem, the seals and rotor in them can fail. If you don't feel or hear the vacuum you will need to trace the line over to the HVAC case. If you find no breaks in the line you likely have a bad line or vacuum reservoir that is leaking. What I would do in that case is replace the factory unit with one from a different vehicle, like a Dorman 47077 and a check valve like the Motorcraft YG193 and use those parts to repair the system without the need to remove the HVAC case to get to the original one. You would run the vacuum line from the engine to the check valve inlet, then a hose from one of the outlets to the vacuum canister and a hose from the other outlet to the coupler that goes to the dash control unit. That would replicate the OE vacuum system but in an accessible location.

Hopefully it's just a bad connection or failed line under the hood.
Aug 16, 2021 at 3:46 AM
Advertisement
Avatar
CHRISTIAN REX GALVAN
  • MEMBER
  • 2 POSTS
Okay, I need to recheck the vacuum motors. But I did follow the vacuum lines to the manifold they r all bunched up into one port. I think it’s the tree. And then one of those is going into the firewall where I connected to the new vacuum reservoir and check valve. If that’s the case can I just replace all the stock lines with new hoses? Just to be sure. Also there’s this box idk what the part is called. It has 2 metal pieces like pins that move a motor right when you remove the dog house. One of the metal pieces is broken. any help with that? What sensor is that coming out manifold? The van stutters bad and has a hard time starting. Huge gas guzzler as well. I know it’s a lot into just need part names and what I should do. For now ima run with the HVAC and A/C. This was my grandfathers van who recently passed.
Trying to get this in best shape as possible to do some travelling with. Thanks again.
Aug 16, 2021 at 9:46 AM
Avatar
STEVE W.
  • CAR REPAIR CONTRIBUTOR
  • 15,153 POSTS
The problem could be the vacuum can inside the dash itself, you can't get to that one without pulling the heater case out because it is on the back of the case. The line gong up to the dash should be the one that goes to the back of the heater control. If you already have the vacuum can and valve you can run a new line from those to the vacuum line cluster on the back of the heater control to bypass the built in parts.
Aug 16, 2021 at 3:37 PM
Repair Safety Notice: This information is for general instructional purposes only. Vehicle repair can be dangerous. Verify all information, follow manufacturer service procedures, use proper tools and safety equipment, and consult a qualified repair shop when needed.