Monday, June 29th, 2015 AT 5:01 PM
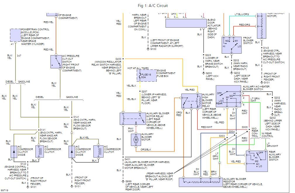
A/C clutch will not in gage. You can jump power to it and it works and cools. Need help with wiring diagrams if you have one. This is a Shrine bus.



