The interior blower fan is not working when you turn it on

Tiny
MLOYD13
  • MEMBER
  • 2005 BUICK LESABRE
  • 2WD
  • AUTOMATIC
  • 186,357 MILES
The interior fan is not working when you turn it on. I've checked the fuses and the blower motor. When I removed the blower motor and reattached it to the power supply it worked perfectly but when I place it back into the case it won't work. I've looked for obstructions but found nothing. How can I fix this?
Tuesday, July 2nd, 2019 AT 2:37 PM

39 Replies

Tiny
JACOBANDNICKOLAS
  • MECHANIC
  • 110,194 POSTS
Welcome to 2CarPros.

It sounds like a bad connections in the wiring. If you turn it on while installed and move the wiring around to it, does it begin to work? Was the connector in good condition and none of the pins were pushed in? What I would recommend is to disconnect the connections at the fan motor and see if there is power to it. See if moving the wiring around to different positions cause power spikes or loss of power.

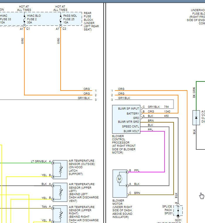
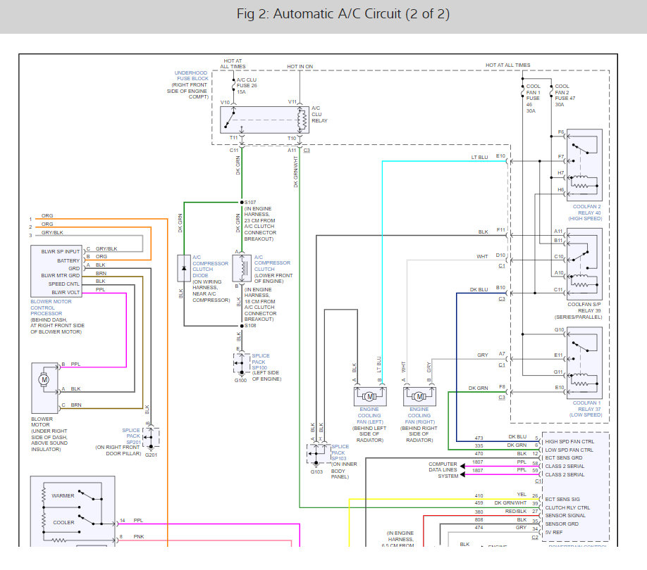
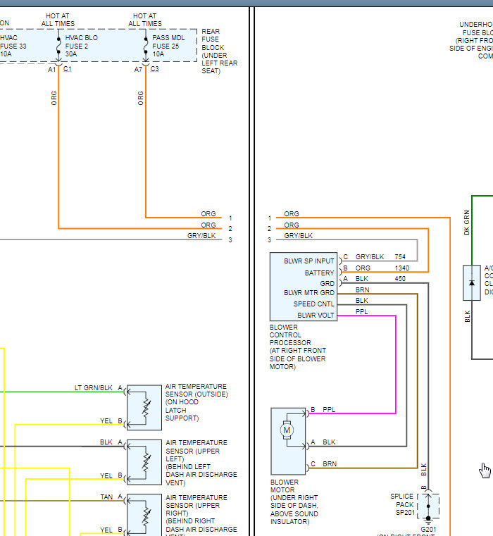
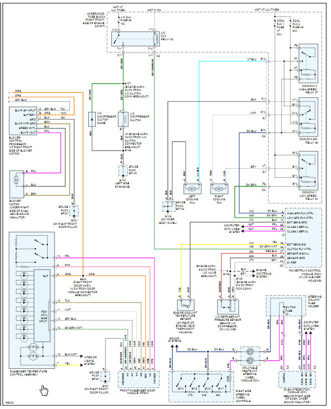
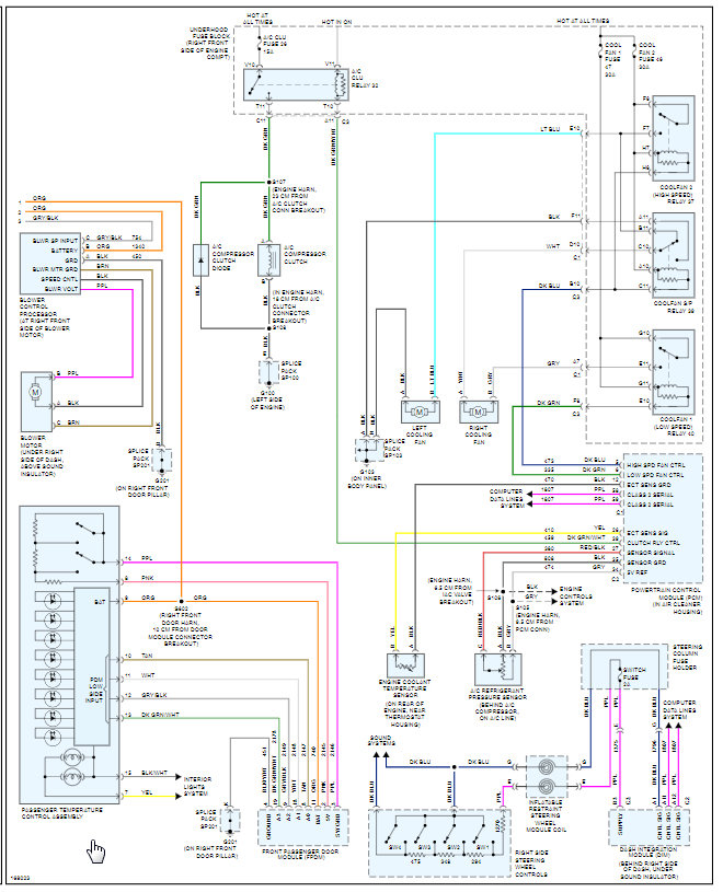
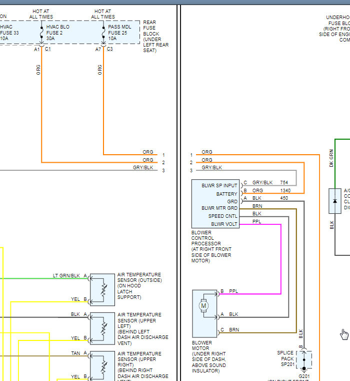
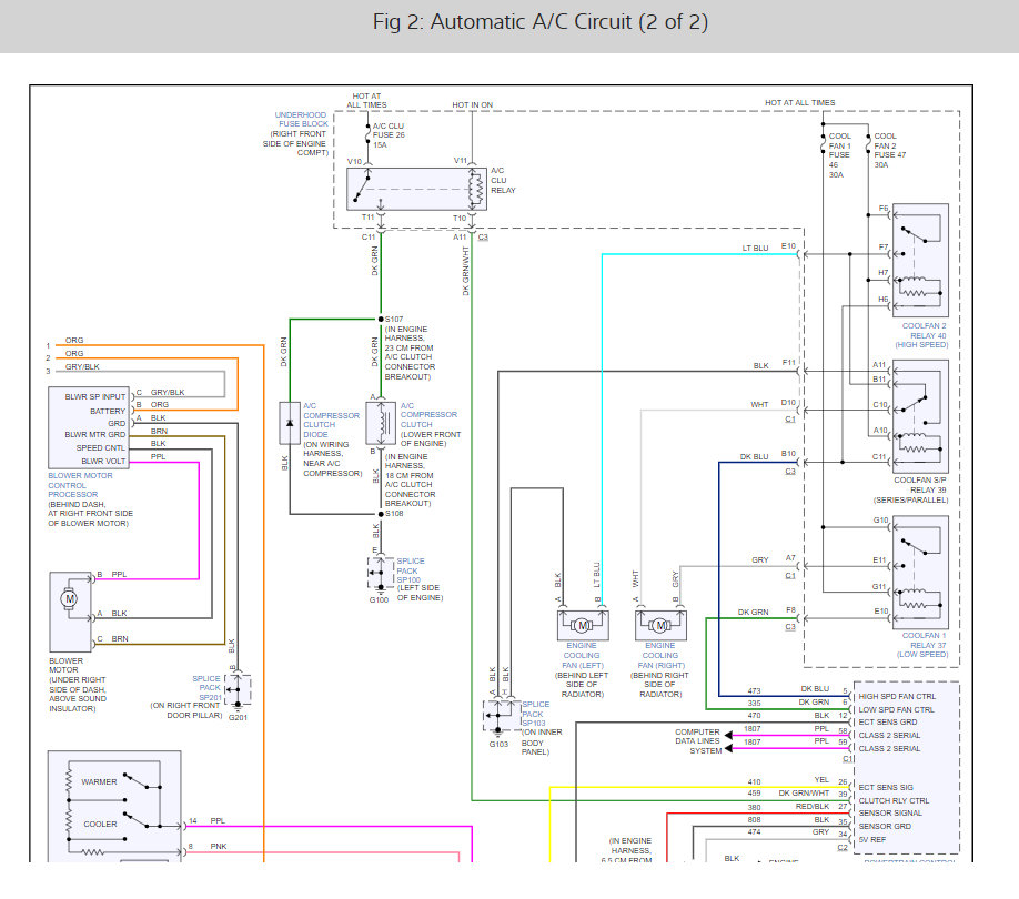
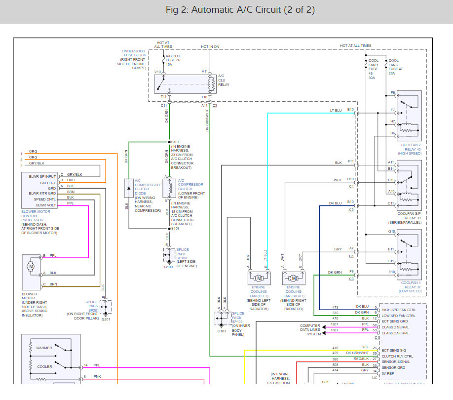
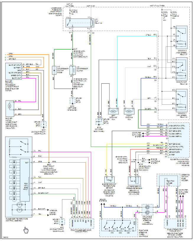
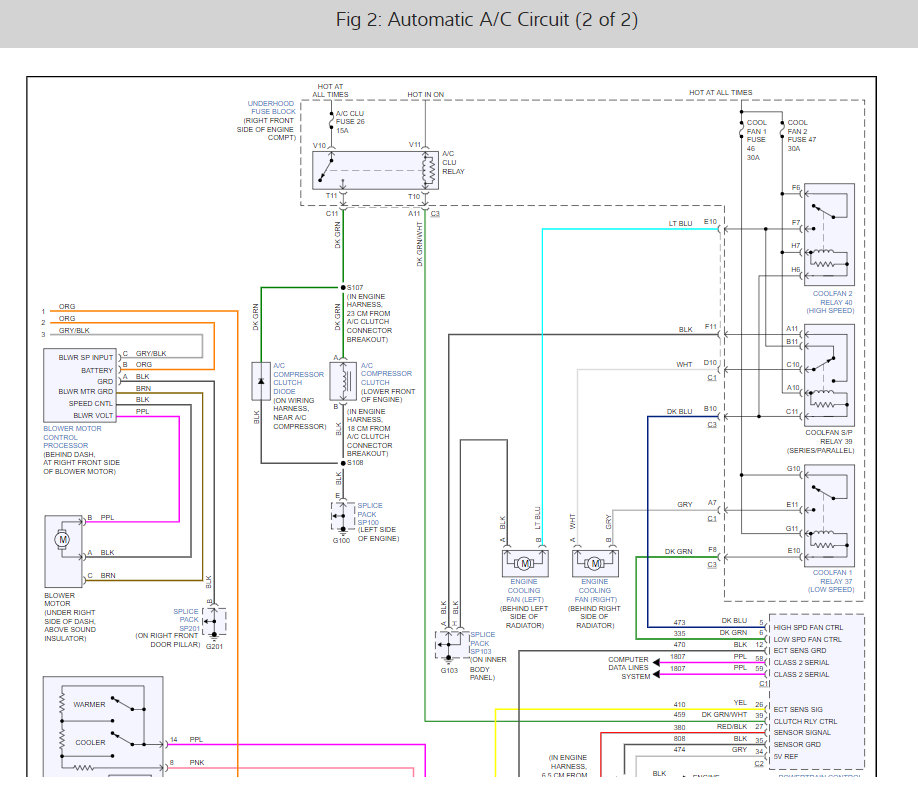
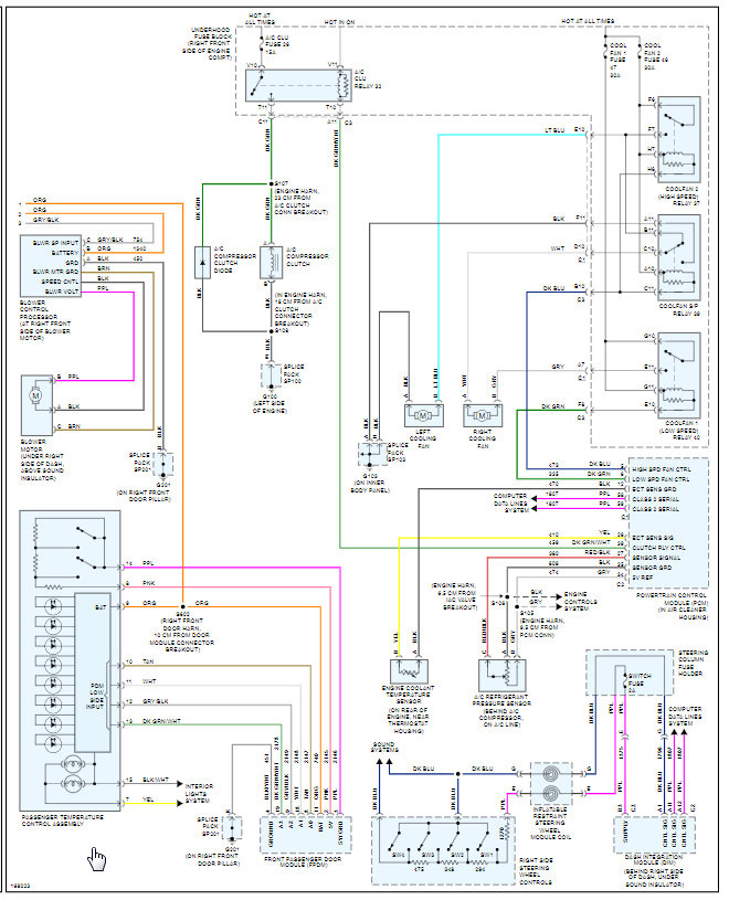
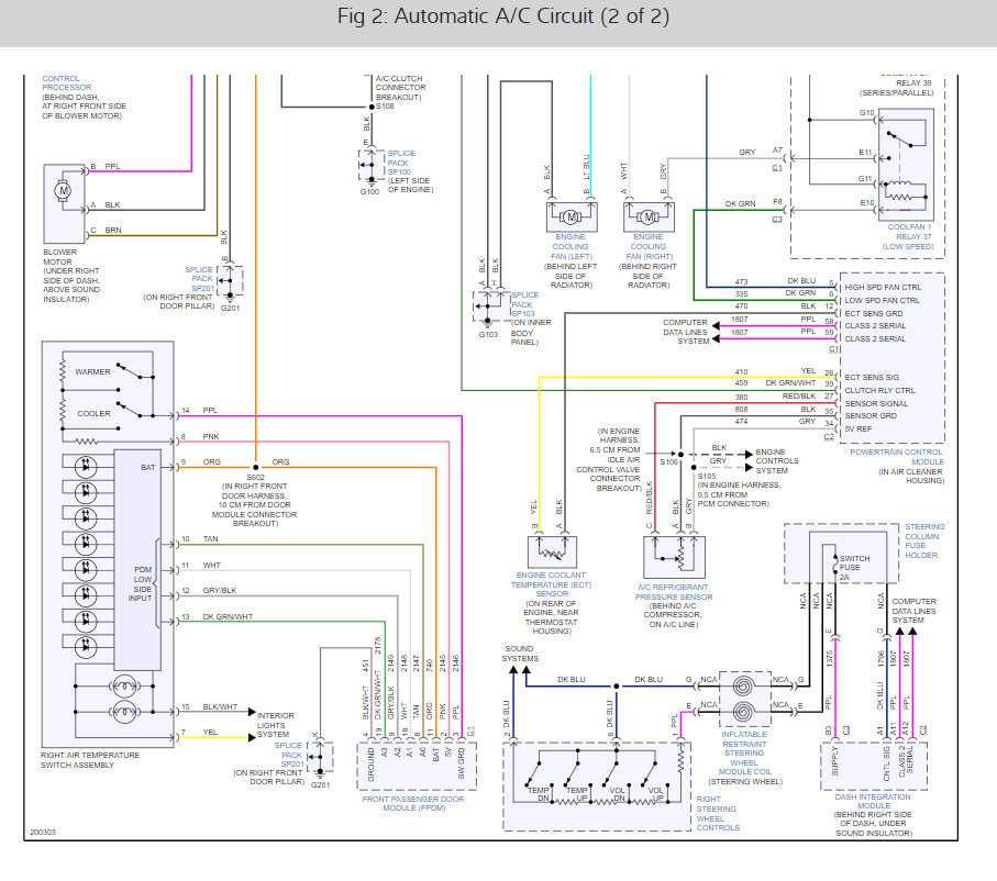
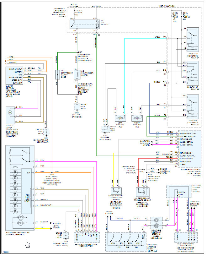
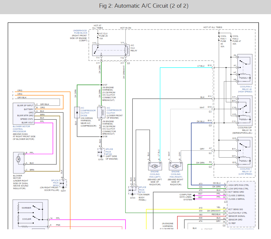
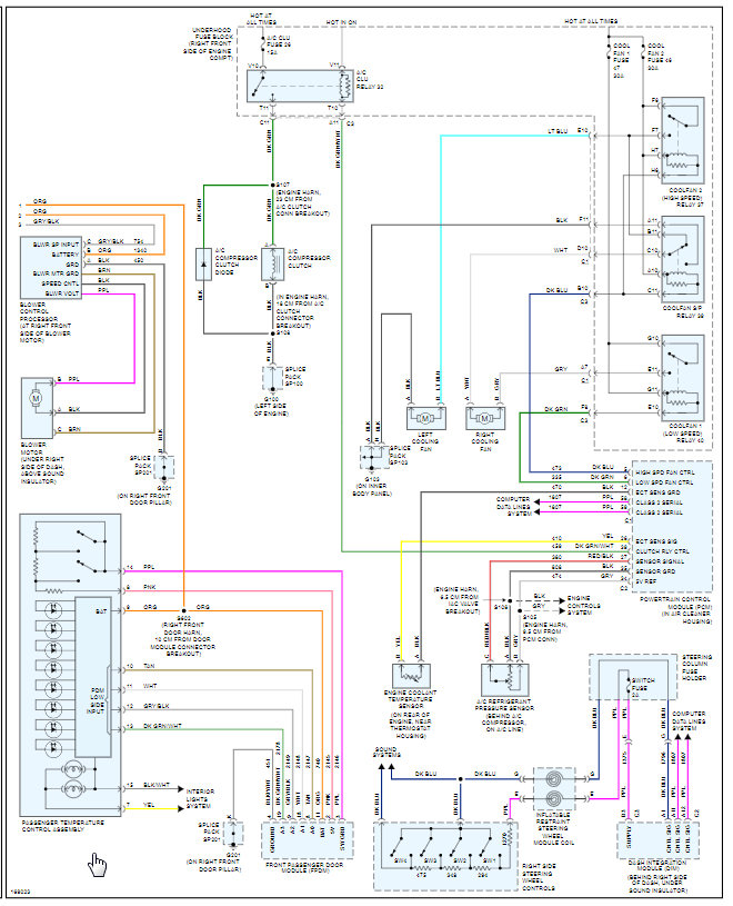
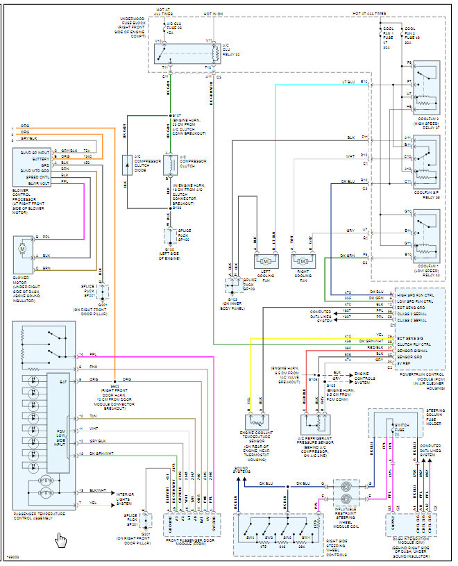
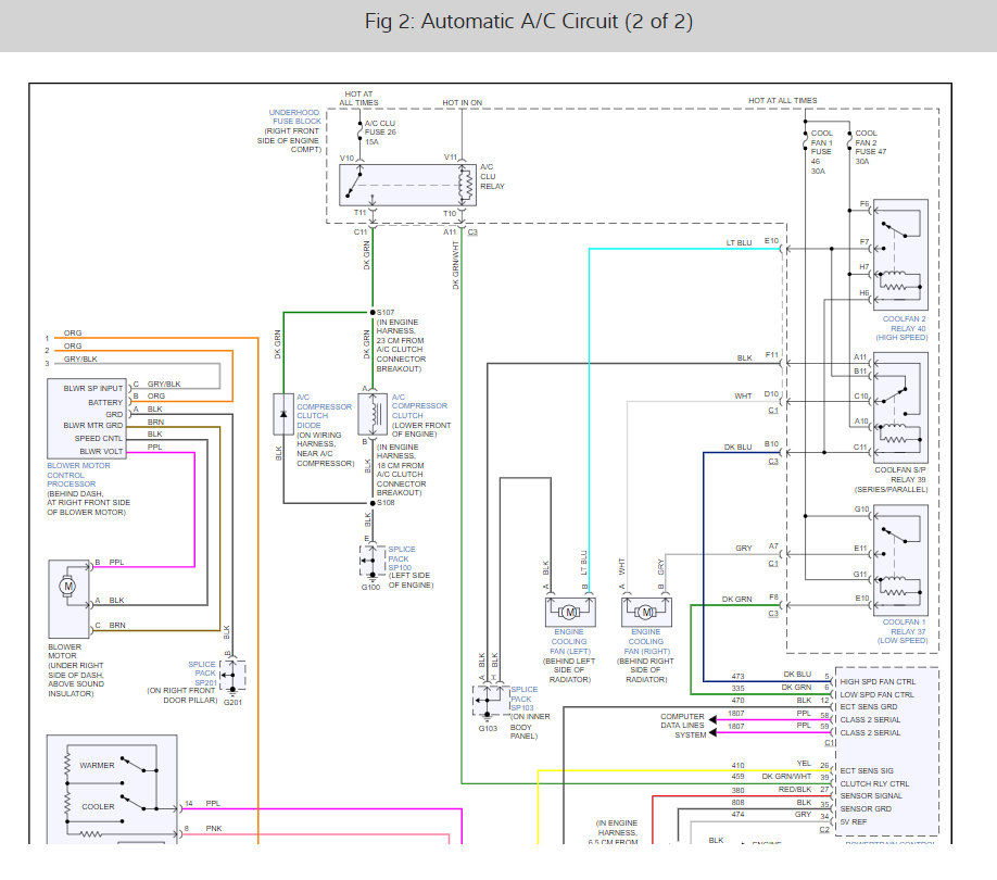
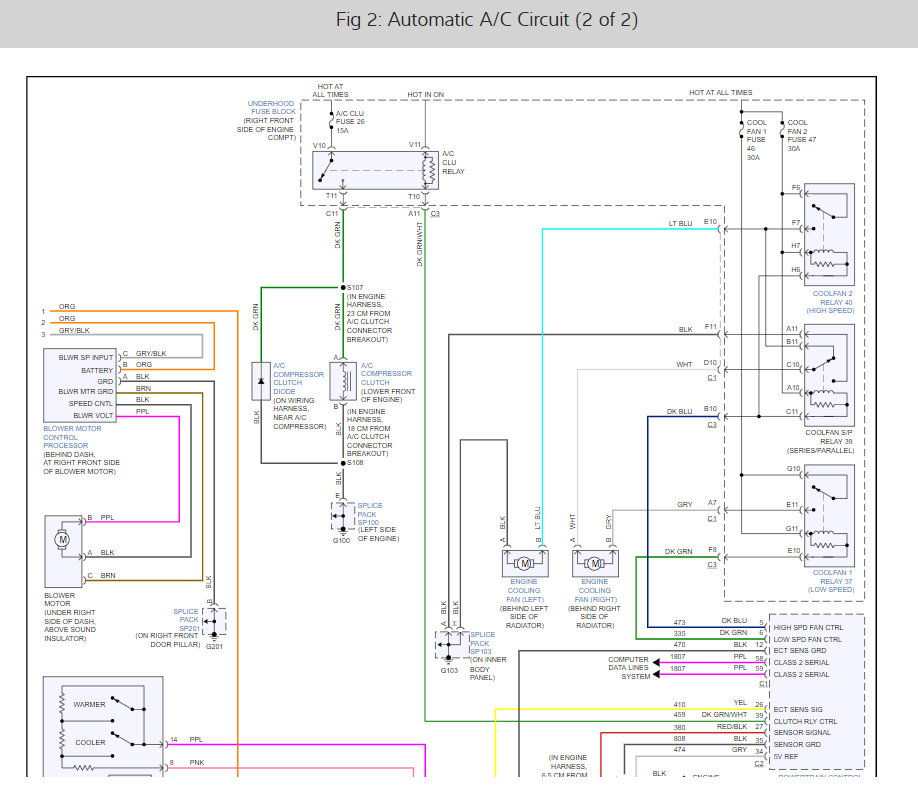
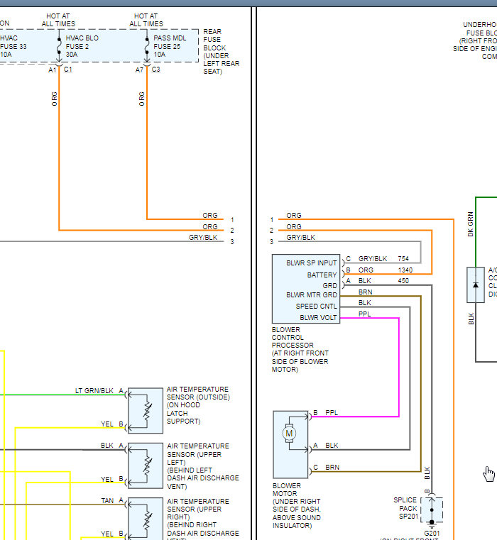
One other thing, if the blower motor only works on high, then suspect the blower motor resistor. I have included the blower motor wiring diagrams so you can see how the system works Let me know.

this guide can help us

https://www.2carpros.com/articles/blower-fan-motor-works-on-high-speed-only

If moving it does nothing, I need you to check for a good ground and power. I attached two pics below. Pic 1 is for manual climate control and pic 2 is for automatic. Check the pins shows (based on your system) for power and ground.

Here are a few links you may find helpful:

https://www.2carpros.com/articles/how-to-use-a-test-light-circuit-tester

Check out the diagrams (Below). Let us know what happens and please upload pictures or videos of the problem.
Was this
answer
helpful?
Yes
No
+2
Tuesday, July 2nd, 2019 AT 9:22 PM
Tiny
CECELIA TINKLE
  • MEMBER
  • 1 POST
  • 2005 BUICK LESABRE
Where are the fuses for the heater-fan located?
Was this
answer
helpful?
Yes
No
Monday, March 22nd, 2021 AT 11:38 AM (Merged)
Tiny
HMAC300
  • MECHANIC
  • 48,601 POSTS
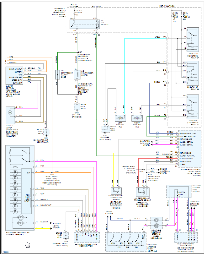
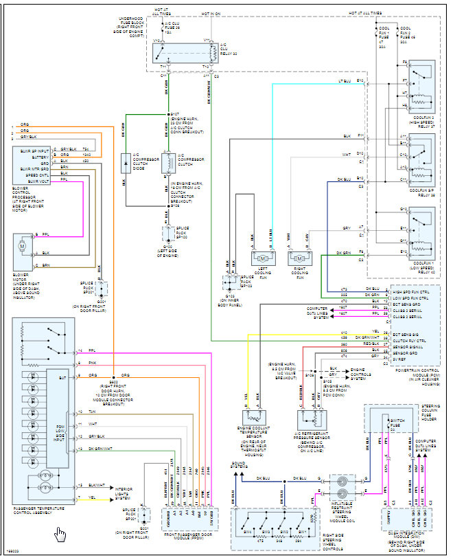
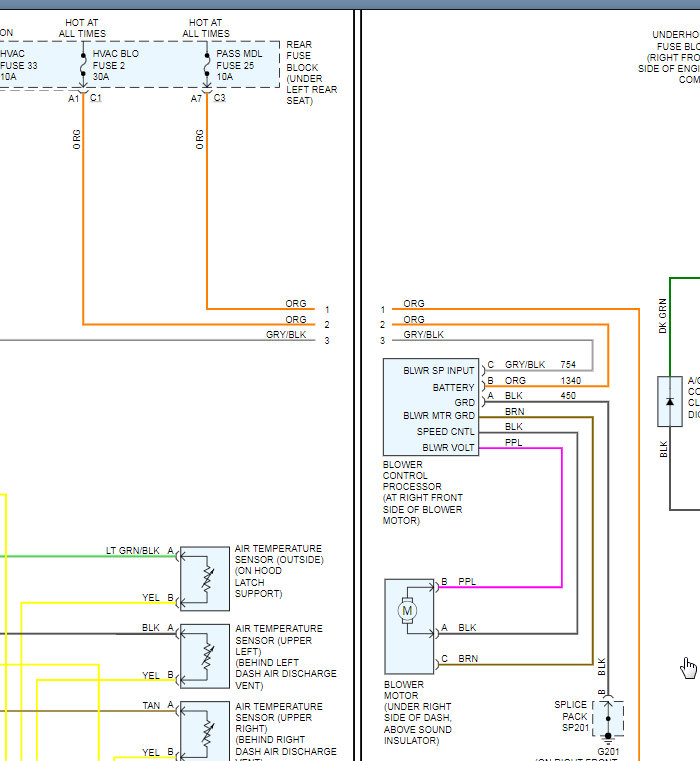
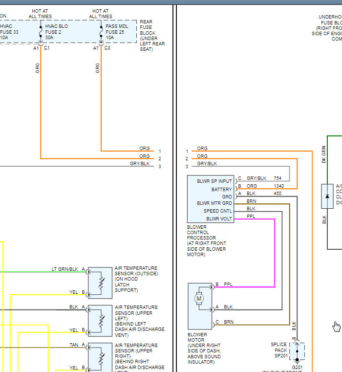
Your heater blower fuse may be in the underhood electrical center. But there should be a relay as well for it so check that by jus t replacing it with another. if it works then get a good realy and replace it. if not, then have the car checked for a bad switch or resistor. Here is a guide to help you check the fuses with the fuse location is the diagrams below.

https://www.2carpros.com/articles/how-to-check-a-car-fuse

Check out the diagrams (Below). Please let us know what you find.
Was this
answer
helpful?
Yes
No
+7
Monday, March 22nd, 2021 AT 11:38 AM (Merged)
Tiny
WILLIE N
  • MEMBER
  • 1 POST
  • 2004 BUICK LESABRE
  • V6
  • 139,000 MILES
My Blower fan in my 2004 Buick LeSabre will not turn on. Have checked the fuse and that appears to be okay. Is there anything else I should check before I make the assumption the fan is bad and replace that?
Was this
answer
helpful?
Yes
No
+1
Monday, March 22nd, 2021 AT 11:39 AM (Merged)
Tiny
JDL
  • MECHANIC
  • 16,098 POSTS
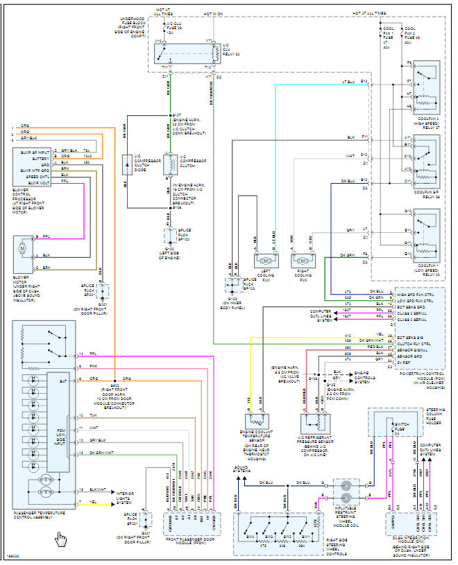
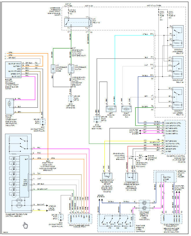
Check for voltage and ground at the blower motor wiring, if good voltage and ground with no blower action, suspect the blower motor.

Checking applicable fuses is good. Also, check for voltage at the fuse.

Here are the locations and a guide to help you test

https://www.2carpros.com/articles/how-to-check-a-car-fuse

All fuses and relays are below with the wiring diagrams to help you test

Please run this test and get back to us.

Cheers
Was this
answer
helpful?
Yes
No
+4
Monday, March 22nd, 2021 AT 11:39 AM (Merged)
Tiny
WILLIE N
  • MEMBER
  • 1 POST
Yep it was the blower motor I found this guide which helped

https://www.2carpros.com/articles/blower-fan-motor-works-on-high-speed-only

Once I replaced the blower motor everything is now working thanks for the diagrams.

Was this
answer
helpful?
Yes
No
+3
Monday, March 22nd, 2021 AT 11:39 AM (Merged)
Tiny
RROSS1050
  • MEMBER
  • 2 POSTS
  • 2004 BUICK LESABRE
The air conditioning fan stopped working one day when we turned it on - and then it would all of a sudden come on. Then when it was on, when we went over a bump, it would affect the fan running. Now it won't come on at all.

I live in Florida and I have to have the air working due to asthma for most of the year if it even gets a little warm. I would appreciate any assistance you can give me.

Thank you.
Was this
answer
helpful?
Yes
No
Monday, March 22nd, 2021 AT 11:41 AM (Merged)
Tiny
SATURNTECH9
  • MECHANIC
  • 30,869 POSTS
It sound's like you could have a bad blower motor or loose connection. On the passenger side under the dash remove the hush panel that cover's the a/c box. Then put the fan on high when the fan doesn't work try wiggling the connector around that goes to the blower motor see if the fan come's on.
Was this
answer
helpful?
Yes
No
Monday, March 22nd, 2021 AT 11:41 AM (Merged)
Tiny
RROSS1050
  • MEMBER
  • 2 POSTS
Thank you! I was thinking it was possibly a loose connection. I will definitely check it out when I get home. I was going to mention that we had just had the car serviced a few weeks ago, and they told us we didn't have a filter for the A/C and did we want one. We weren't aware there wasn't one! So they put a new one in. I was wondering if that didn't have something to do with it cause I read online that sometimes the fan will quit if the filter needs to be replaced.

Thank you again - you ROCK!
Roberta in Tampa, Florida

PS: I will defiinitely give a donation!
Was this
answer
helpful?
Yes
No
Monday, March 22nd, 2021 AT 11:41 AM (Merged)
Tiny
SATURNTECH9
  • MECHANIC
  • 30,869 POSTS
If the filter get's restricted it will block the air flow of the fan but won't keep the motor from spinning.
Was this
answer
helpful?
Yes
No
Monday, March 22nd, 2021 AT 11:41 AM (Merged)
Tiny
SMILEEZ4CONNIE
  • MEMBER
  • 3 POSTS
  • 2003 BUICK LESABRE
  • 3.8L
  • AUTOMATIC
  • 220,000 MILES
Car listed above is the Limited model. Air wouldn't come on all the time so I would have to tap blower motor to make it start, but that stopped working. So replaced blower motor and air worked fine for a few weeks and then stopped randomly while I was driving and will not come on anymore! A friend checked and said it is getting power but that's all I know.
Was this
answer
helpful?
Yes
No
Monday, March 22nd, 2021 AT 11:41 AM (Merged)
Tiny
KASEKENNY
  • MECHANIC
  • 18,907 POSTS
Unfortunately, it sounds like the new blower motor has failed. If there is power to the motor and it doesn't work then the motor has failed. However, we are going to need to confirm where there is power on the motor and where there is not. There should be power on the purple wire when it is turned on and then there should be varying voltage on the black wire depending on the speed you have it set on. The brown wire is the ground wire.

Let us know what the voltage is on each wire and we can go from there. Thanks
Was this
answer
helpful?
Yes
No
Monday, March 22nd, 2021 AT 11:41 AM (Merged)
Tiny
SMILEEZ4CONNIE
  • MEMBER
  • 3 POSTS
I asked the person that checked if it had power and I will quote his answer "the constant power was 8 volts when it was on high and the varying voltage jumped around".
Was this
answer
helpful?
Yes
No
Monday, March 22nd, 2021 AT 11:41 AM (Merged)
Tiny
KASEKENNY
  • MECHANIC
  • 18,907 POSTS
Okay. Any chance they told you which wire this was? If there is 8 volts on the control wire and the blower still does not come on at all, the I suspect the blower motor is faulty. Let me know if they remember which wire this was and we can try to confirm the motor is the issue. Thanks
Was this
answer
helpful?
Yes
No
Monday, March 22nd, 2021 AT 11:41 AM (Merged)
Tiny
MIKED-WYD
  • MEMBER
  • 4 POSTS
  • 2002 BUICK LESABRE
  • 6 CYL
  • 2WD
  • AUTOMATIC
  • 100,000 MILES
My moms car heat and a/c stopped blowing out any kind of air!We don't have alot of money so don't want to spend alot of money on buying parts do not need.I didn't know if has a resistor like my dodge dakota did when I fixed it!Please help and thank you!
Was this
answer
helpful?
Yes
No
Monday, March 22nd, 2021 AT 11:42 AM (Merged)
Tiny
RASMATAZ
  • MECHANIC
  • 75,992 POSTS
If you don't hear the blower come On-wire it direct from the battery-see below and check and test all the components within, 1-4 items. One of this is causing the problem


https://www.2carpros.com/forum/automotive_pictures/12900_blower_motor_4.jpg

Was this
answer
helpful?
Yes
No
+2
Monday, March 22nd, 2021 AT 11:42 AM (Merged)
Tiny
DAN COX2
  • MEMBER
  • 2 POSTS
  • 2002 BUICK LESABRE
  • 3.8L
  • V6
  • 2WD
  • AUTOMATIC
  • 140,000 MILES
Why the heater not chime on? The digital read out works but no heat.
Was this
answer
helpful?
Yes
No
Monday, March 22nd, 2021 AT 11:43 AM (Merged)
Tiny
HARRY P
  • MECHANIC
  • 2,296 POSTS
I would start with checking he fuses. Here is the fuse box information for the rear fuse box. Prodemand is not real specific on where it is, so you might have to look in your owner's manual for more specifics. I would check every HVAC related fuse.
Was this
answer
helpful?
Yes
No
Monday, March 22nd, 2021 AT 11:43 AM (Merged)
Tiny
PATENTED_REPAIR_PRO
  • MECHANIC
  • 1,853 POSTS
The rear fuse block is under the left rear seat.
Was this
answer
helpful?
Yes
No
+1
Monday, March 22nd, 2021 AT 11:43 AM (Merged)
Tiny
WOLF6300
  • MEMBER
  • 1 POST
  • 2001 BUICK LESABRE
  • 3.8L
  • 6 CYL
  • AUTOMATIC
  • 160,000 MILES
What size heater blower fuse is used for this car. The fan was working and not the heater blower, now the fan is not coming on.
Was this
answer
helpful?
Yes
No
Monday, March 22nd, 2021 AT 11:43 AM (Merged)

Please login or register to post a reply.