Blower fan not working

Tiny
JJAYMECH
  • MEMBER
  • 1997 BUICK LESABRE
  • 3.8L
  • 6 CYL
  • 2WD
  • AUTOMATIC
  • 100,000 MILES
Car has CJ2 climate control with the programmer sending a variable voltage to the blower control module. The module transistor varies the voltage to the blower motor. I tested motor with 12 volts direct. OK. The module receives 12 volts power and ground . OK. Output wire from module to motor. OK.
But, with module disconnected, I try to check the variable voltage coming from programmer. It reads 8.2 volts at every fan speed with ignition in "run" position.
Tuesday, June 22nd, 2021 AT 11:01 PM

9 Replies

Tiny
ASEMASTER6371
  • MECHANIC
  • 52,796 POSTS
Good morning,

This sounds like the blower motor control module has failed internally and not changing voltage the way it should.

I would verify power to the module. If you have battery power to the module then most likely the blower module is the issue.

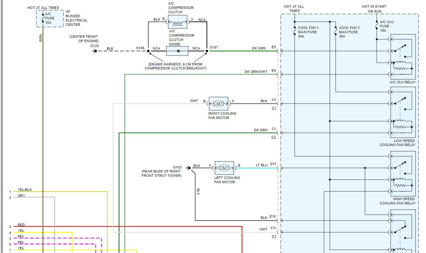
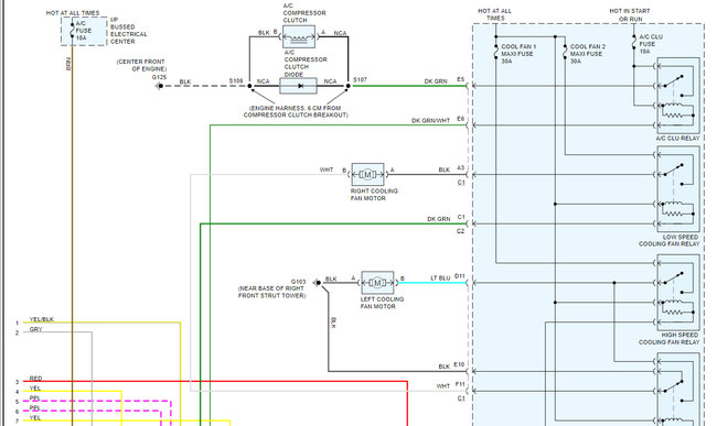
I attached the diagram of the system for you below for you to view. I also attached the procedure for you for the replacement.

https://www.2carpros.com/articles/how-to-check-wiring

https://www.2carpros.com/articles/how-to-use-a-voltmeter

Roy
Was this
answer
helpful?
Yes
No
Wednesday, June 23rd, 2021 AT 2:49 AM
Tiny
JJAYMECH
  • MEMBER
  • 14 POSTS
The diagrams are quite different from the factory manual drawings. The module has 4 terminals: hot power, ground, input signal, and output voltage. I have checked those things. My concern is the input signal from the HVAC programmer. With the module disconnected, the signal reads 8.2 volts instead of a variable voltage as the speed button is changed. If that were true it shows the programmer is at fault. But all the door functions work normally, except blower fan. I guess my next step is to back probe the input signal when the module is connected. The symptoms indicate a bad module, but only if the input signal checks okay. My module is ACDelco 15-8684.
Was this
answer
helpful?
Yes
No
-1
Wednesday, June 23rd, 2021 AT 6:46 AM
Tiny
ASEMASTER6371
  • MECHANIC
  • 52,796 POSTS
Can I have your complete VIN number for the car?

Roy
Was this
answer
helpful?
Yes
No
Wednesday, June 23rd, 2021 AT 7:45 AM
Tiny
ASEMASTER6371
  • MECHANIC
  • 52,796 POSTS
The 8.2 might be good. It or the control may just be calling for a slower speed than full blast. I attached the correct diagram for you.

Check the fuse I circled for power on both sides.

https://www.2carpros.com/articles/how-to-check-a-car-fuse

https://www.2carpros.com/articles/how-to-use-a-voltmeter

Roy
Was this
answer
helpful?
Yes
No
Wednesday, June 23rd, 2021 AT 9:07 AM
Tiny
JJAYMECH
  • MEMBER
  • 14 POSTS
The blower feedback fuse 11 in the relay center checks good. The factory flow chart says the input signal voltage should be between 6-8 volts, definitely not less than 6 volts. So that checks okay. I am 99% certain it is the blower control module. A new module is $200.00 plus shipping to Canada. Since I am also an Electronics Tech, I am going to replace Power Transistor.
Was this
answer
helpful?
Yes
No
Wednesday, June 23rd, 2021 AT 10:05 AM
Tiny
JJAYMECH
  • MEMBER
  • 14 POSTS
When the module is disconnected, I believe the input signal just shows a standby voltage since there is no blower feedback signal. Getting closer!
Was this
answer
helpful?
Yes
No
Wednesday, June 23rd, 2021 AT 10:07 AM
Tiny
ASEMASTER6371
  • MECHANIC
  • 52,796 POSTS
That is correct.

I attached the part for you from Rock Auto. It has a power transistor attached to it. It is only $110.00. Call them and see what the shipping is to your location.

Roy
Was this
answer
helpful?
Yes
No
Wednesday, June 23rd, 2021 AT 12:09 PM
Tiny
JJAYMECH
  • MEMBER
  • 14 POSTS
I ordered a new module from RockAuto, after soldering in a new power transistor did not work. Now it works great. During my initial testing I spun the squirrel cage blower by hand to confirm that it was not tight or seized. I also applies a direct 12 volts to it. All was good.
Was this
answer
helpful?
Yes
No
Thursday, July 1st, 2021 AT 9:26 PM
Tiny
ASEMASTER6371
  • MECHANIC
  • 52,796 POSTS
Glad to hear it worked for you.

Always glad to help.

Roy
Was this
answer
helpful?
Yes
No
Friday, July 2nd, 2021 AT 4:48 AM

Please login or register to post a reply.