Blower fan not working

Tiny
EEDGE
  • MEMBER
  • 1990 OLDSMOBILE DELTA 88
  • 6 CYL
  • 2WD
  • AUTOMATIC
  • 125,000 MILES
The car listed above is an Olds 88 Royale Brougham. The blower fan continued to run after turning off the car and had to disconnect the battery to get it to stop. Now the blower fan won't come on at all for heat or A/C. The A/C compressor comes on, but nothing comes from the vents. I tested the blower fan and it is good. Tested the relay and it opens and closes. New A/C was installed last year. Any ideas on what to check?
Tuesday, April 26th, 2022 AT 9:39 AM

8 Replies

Tiny
JACOBANDNICKOLAS
  • MECHANIC
  • 110,192 POSTS
Hi,

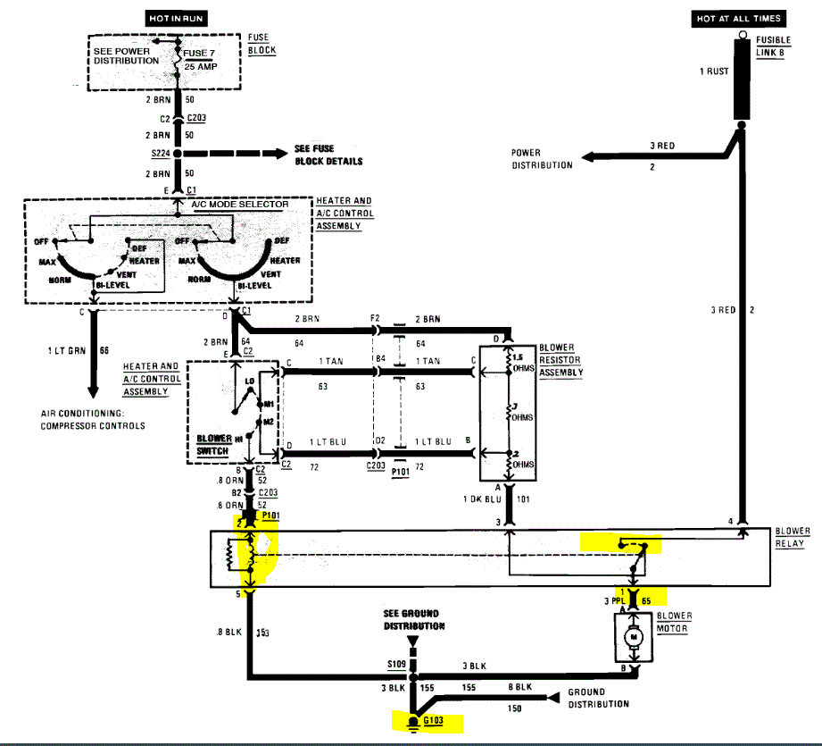
Did you confirm there is power at the relay? There should be 4 pins. Each pin should be numbered on the relay. Pins 85 and 86 are the primary sides. Pin 85 receives power, and it gets grounded through 86. When that happens, the relay switch is closed, and power goes from pin 87 through pin 30 through the resistor, the motor, and then to ground.

You need to check the relay connector for power in the box. The key should be on, and the fan should be on as well. Put it on high.

If there is power, go to the motor and locate the purple wire to the blower motor. Confirm power there. If there is, check the black wire for continuity to ground.

Here is a link you may find helpful:

https://www.2carpros.com/articles/how-to-check-wiring

Also, here is one you may find of interest as well:

https://www.2carpros.com/articles/how-to-check-an-electrical-relay-and-wiring-control-circuit

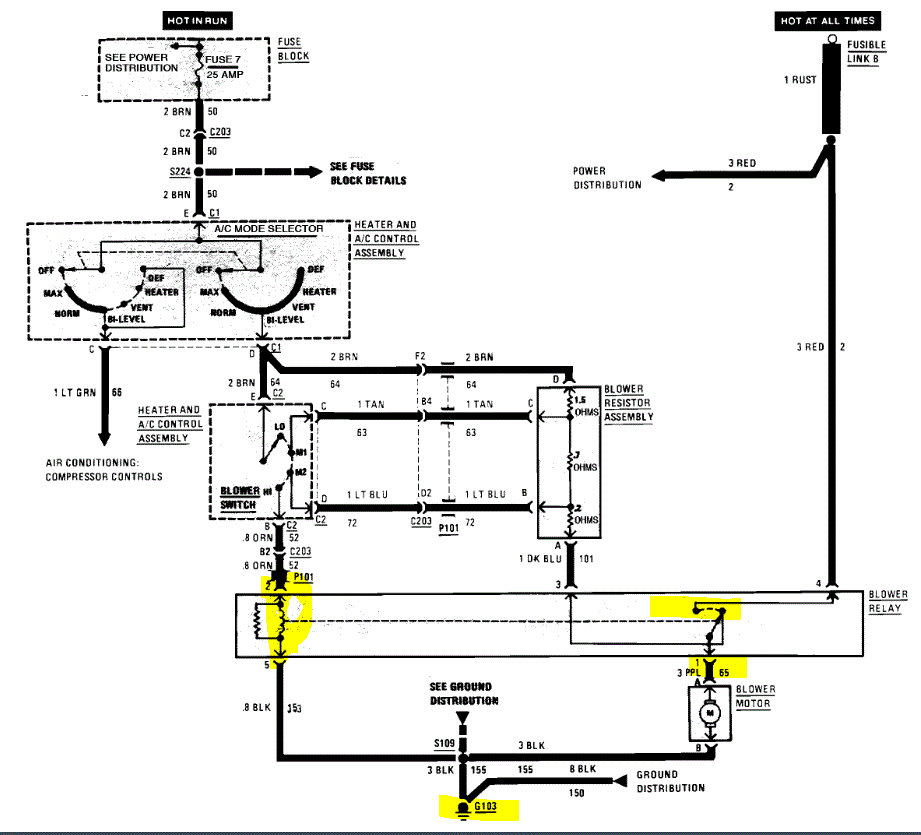
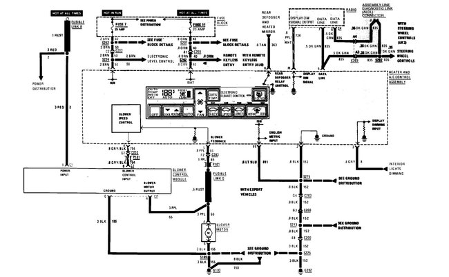
I attached the wiring schematic below for your review and reference.

Let me know what you find or if you have other questions.

Take care,

Joe

See pic below.

Was this
answer
helpful?
Yes
No
+1
Tuesday, April 26th, 2022 AT 7:23 PM
Tiny
STEVE W.
  • MECHANIC
  • 15,679 POSTS
The symptoms suggest two issues; however the first thing is to turn the key on, then turn the blower speed too high, the relay should turn on and you should get battery voltage at the blower motor purple wire. If you don't have that turn the key off and use a test light. You should find one pin with full battery power in the relay socket. Now turn the key on and the blower speed too high, now there should be two power feeds in the relay socket.
If you have both but no blower, then check the black ground wire on the blower.
If you have the first power feed but not the second it is likely the blower speed switch.
The full on could be the switch or the relay sticking on.
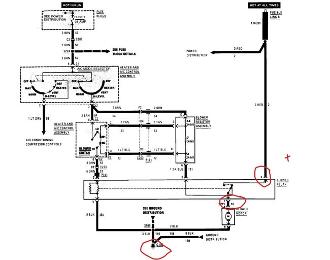
Attached is the wiring diagram for that blower. The relay selects either high speed when on, or when the other speeds are selected it becomes a jumper to the blower speed resistor.
Was this
answer
helpful?
Yes
No
+1
Tuesday, April 26th, 2022 AT 7:40 PM
Tiny
EEDGE
  • MEMBER
  • 4 POSTS
Okay, confirmed power to relay but no power at purple wire going to fan. Sorry about the delay. Thank you for your assistance.
Was this
answer
helpful?
Yes
No
Thursday, April 28th, 2022 AT 10:09 AM
Tiny
STEVE W.
  • MECHANIC
  • 15,679 POSTS
Sounds like a bad relay or socket, be careful swapping relays to test them, this is one of the few relays that needs the 5th pin on there to work. Most of them are only four. The 4-pin relay would plug in, but you would have only high speed as the other contact is used for the resistor voltage feed. The easy way to test the wiring is to pull the relay, turn on the key to high speed and jump the voltage to the feed to the blower motor. If it runs, the wiring is good, just a bad relay.
Was this
answer
helpful?
Yes
No
+1
Thursday, April 28th, 2022 AT 10:23 AM
Tiny
EEDGE
  • MEMBER
  • 4 POSTS
It has all the electronic stuff and no knobs for turning on the fan if that makes a difference. But now off to find a relay. Thanks again
Was this
answer
helpful?
Yes
No
Thursday, April 28th, 2022 AT 10:31 AM
Tiny
STEVE W.
  • MECHANIC
  • 15,679 POSTS
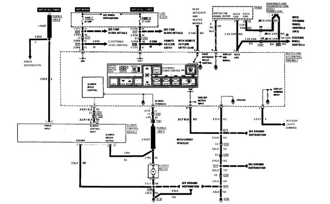
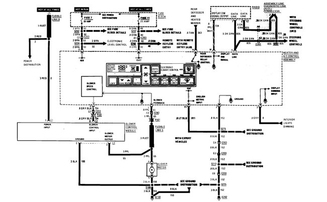
Okay, that makes it a bit different. The electronic controls use a blower control module and not a common relay. To test it you unplug the connector from the module and verify power at the red wire in the connector. Then use a test light on the gray wire with a black stripe. That is the control output. If you plug the connector back in and probe the back of that wire the test light should get brighter as you turn up the blower speed. If it does then the controller is bad, if it doesn't then the control head in the dash may have failed.
Was this
answer
helpful?
Yes
No
+1
Thursday, April 28th, 2022 AT 10:47 AM
Tiny
EEDGE
  • MEMBER
  • 4 POSTS
Finally got time to test. There is power at the red wire but I get nothing on the grey wire with the black stripe.
Was this
answer
helpful?
Yes
No
Wednesday, May 11th, 2022 AT 2:14 PM
Tiny
STEVE W.
  • MECHANIC
  • 15,679 POSTS
Okay, try connecting the test light to the red wire then touching that to the grey wire with red. Then move the blower speed control. See if it changes now. If not, then the issue is likely in the dash controller. If it now shows a light that changes as you adjust the fan speed, then it's the speed controller. These early systems were never really designed for testing, the SOP was to grab a new one and install it as the test.
Was this
answer
helpful?
Yes
No
Wednesday, May 11th, 2022 AT 2:57 PM

Please login or register to post a reply.