Blower fan not working

Tiny
HENRY BANH
  • MEMBER
  • 2014 HONDA CIVIC
  • 4 CYL
  • 2WD
  • AUTOMATIC
  • 160,000 MILES
The air stopped flowing in my car and after I replaced the blower motor and resistor. It is still not working. I think I will check the fuse next, but I am not sure which fuses to check.

Anything else I should consider before taking it to a mechanic?
Wednesday, December 23rd, 2020 AT 7:06 AM

1 Reply

Tiny
ASEMASTER6371
  • MECHANIC
  • 52,796 POSTS
Good morning.

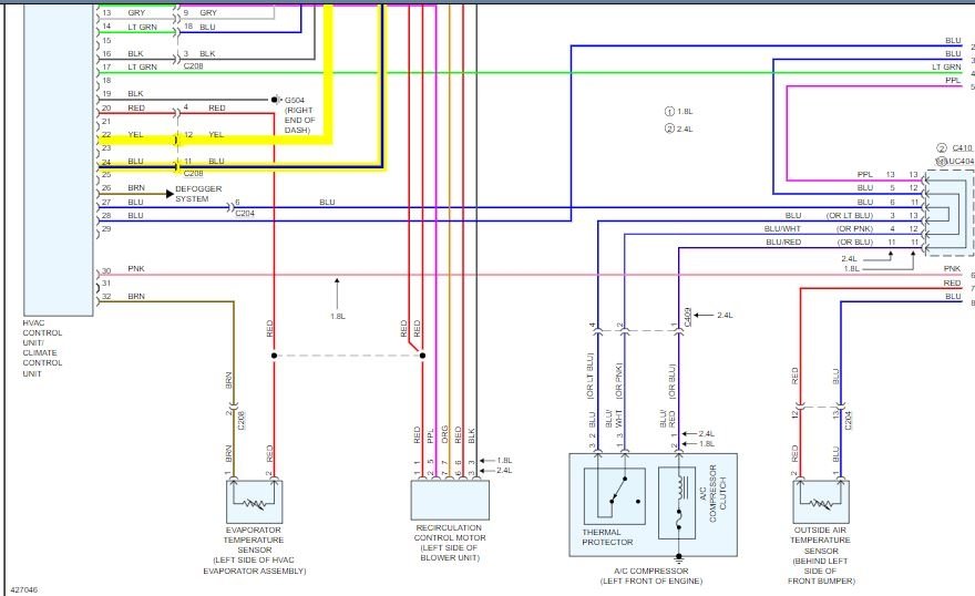
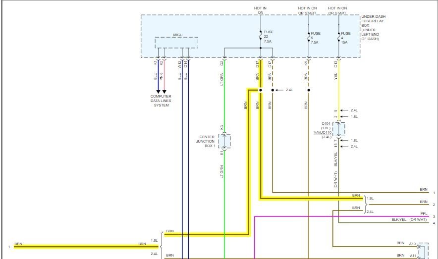
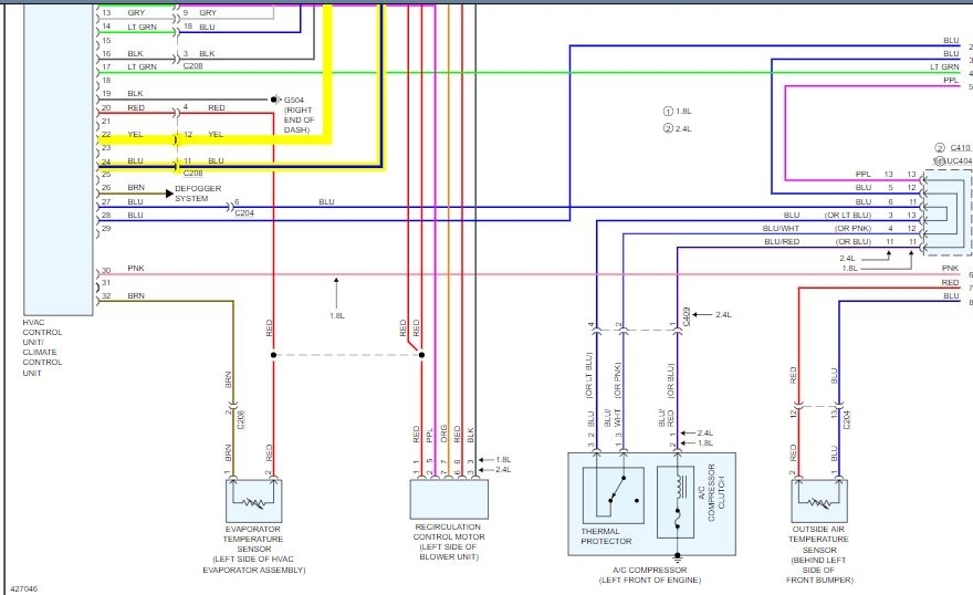
I attached a wiring diagram for you to view. Check the fuses for the relay to be sure power is at the blower motor itself.

https://www.2carpros.com/articles/how-to-check-wiring

https://www.2carpros.com/articles/how-to-check-a-car-fuse

https://www.2carpros.com/articles/how-to-check-an-electrical-relay-and-wiring-control-circuit

Roy
Was this
answer
helpful?
Yes
No
Wednesday, December 23rd, 2020 AT 8:47 AM

Please login or register to post a reply.