Turn signals not working?

Tiny
TRINITY2976
  • MEMBER
  • 1998 DODGE DURANGO
  • 5.2L
  • V8
  • 4WD
  • AUTOMATIC
  • 234,000 MILES
The blinkers stopped working. Hazards work fine. Replaced blinker stock, problem still exists. We can't figure out what is wrong. We checked fuse 10 15amp in the cab, not blown. Please help.
Saturday, January 14th, 2023 AT 12:42 PM

1 Reply

Tiny
JACOBANDNICKOLAS
  • MECHANIC
  • 110,192 POSTS
Hi,

When you say blinker stock, are you referring to the multi-function switch?
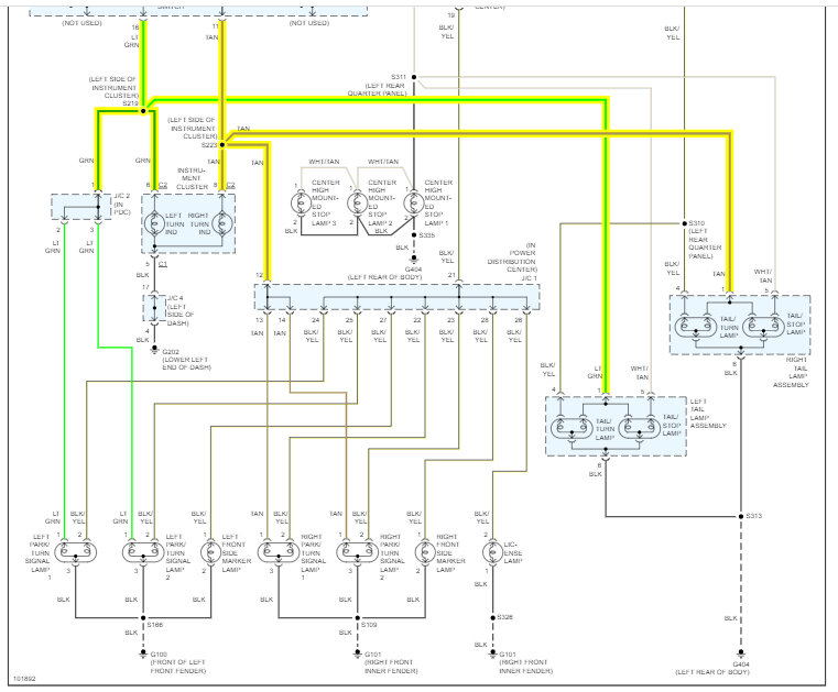
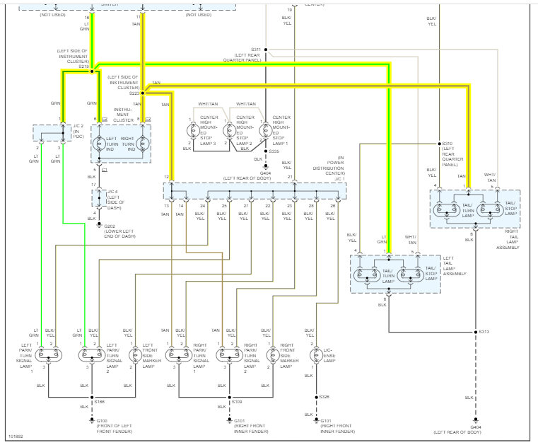
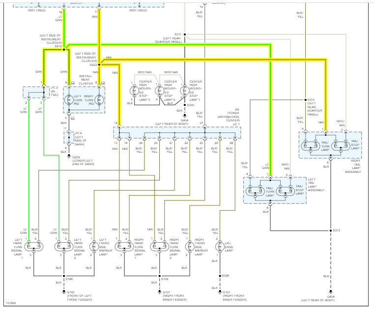
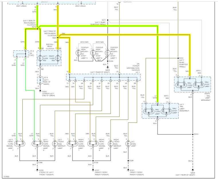
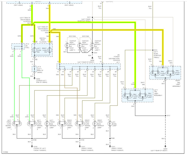
I attached the wiring schematic below, so you have a reference.

When you checked fuse 10, did you check if there is power to it? The fuse could be good but no power is available. If you haven't, here is a link that explains how it's done:

https://www.2carpros.com/articles/how-to-check-a-car-fuse

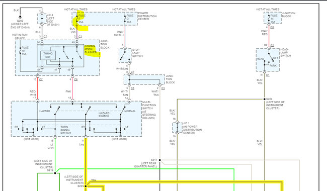
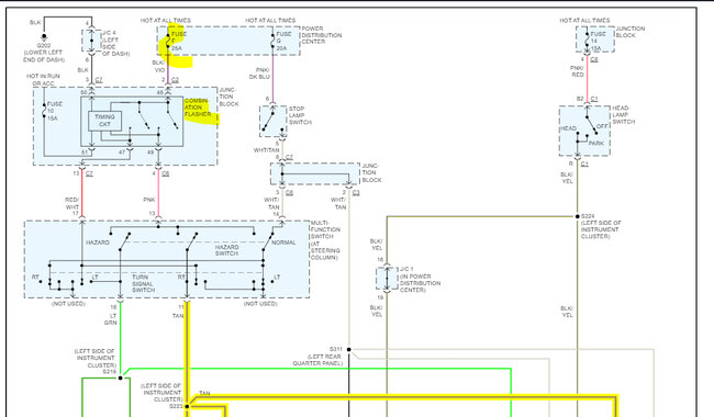
If fuse 10 is good and has power to and from it, chances are the flasher is faulty. If you notice on the wiring schematic, power for the signals and hazard come from different places to the flasher unit. The hazard can work and the signal side fail.

Let me know if this helps. To help, the last pic below shows the fuse I believe you replaced and the flasher location.

Joe

See pics below.

Was this
answer
helpful?
Yes
No
Saturday, January 14th, 2023 AT 10:22 PM

Please login or register to post a reply.