Left turn signal not working

Tiny
JESUS_GARCIA
  • MEMBER
  • 2010 FORD F-150
  • 5.4L
  • V8
  • 4WD
  • AUTOMATIC
  • 180,000 MILES
My left blinker will not come on.
My right blinker stays on when switched to right side, but continues to stay on at the off position. Right blinker only turns off at left position.
No blown bulbs.
New turn signal switch.
No LED bulbs.
Where do I start?
Tuesday, November 30th, 2021 AT 6:54 PM

3 Replies

Tiny
KASEKENNY
  • MECHANIC
  • 18,907 POSTS
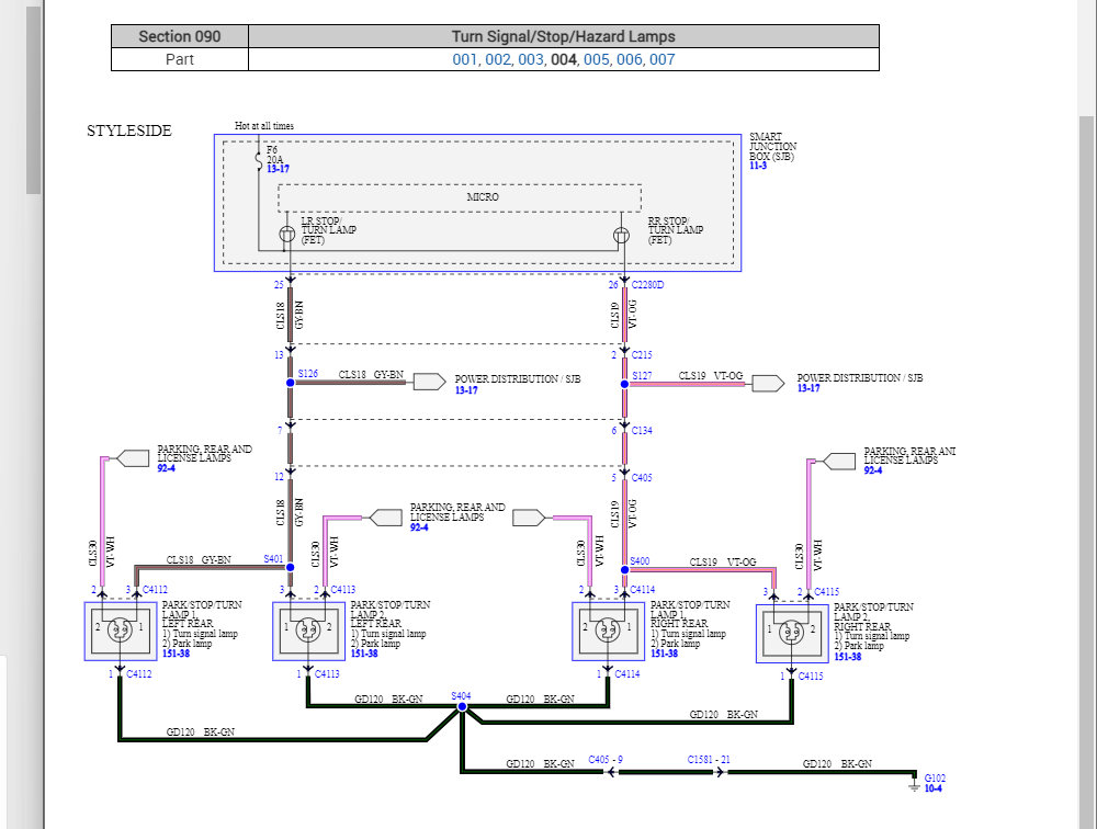
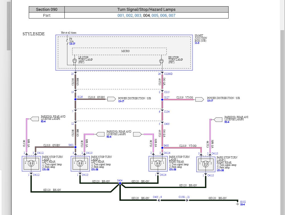
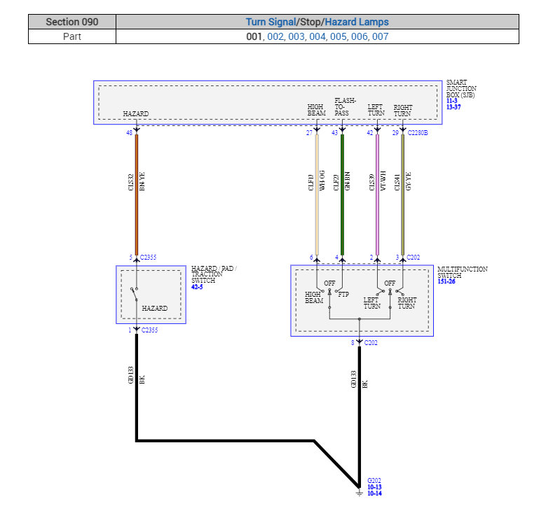
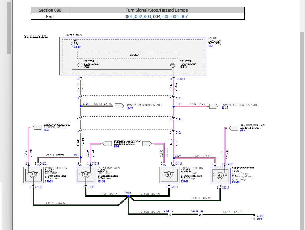
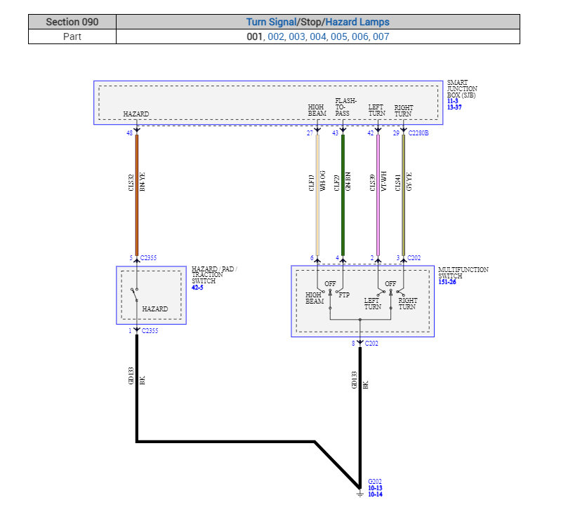
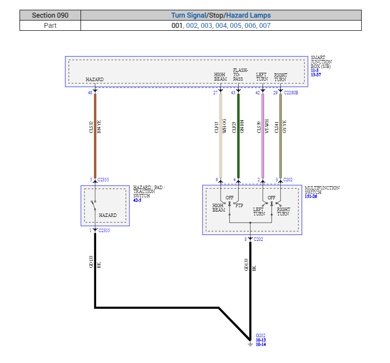
More than likely you have an issue with the smart junction box but we need to start with checking the voltage from the switch to the SJB when you are turning it in each direction.

Basically, the voltage should be sending the signal to the SJB and then the SJB is what turns the lights on.

https://www.2carpros.com/articles/how-to-check-wiring

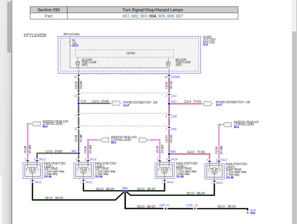
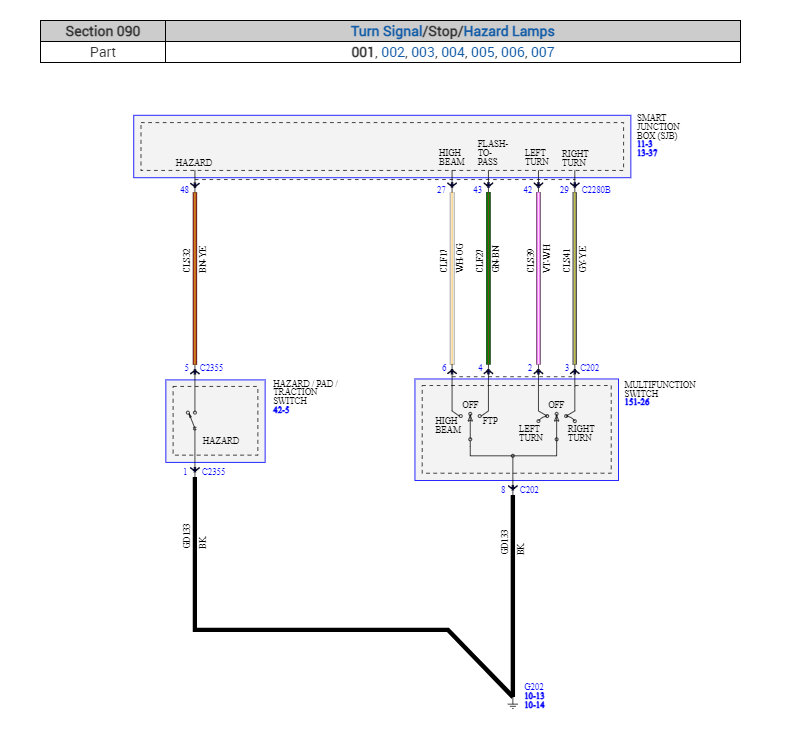
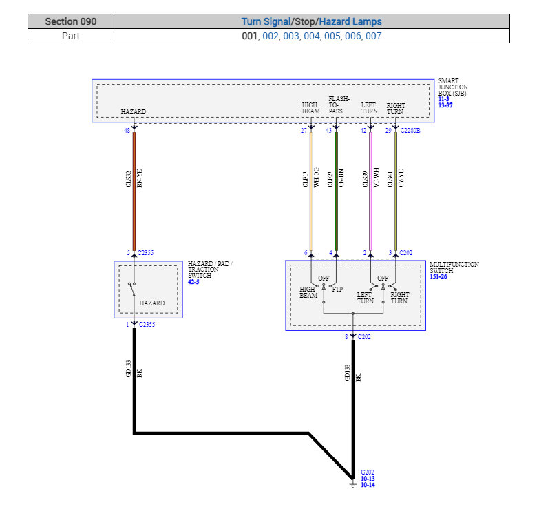
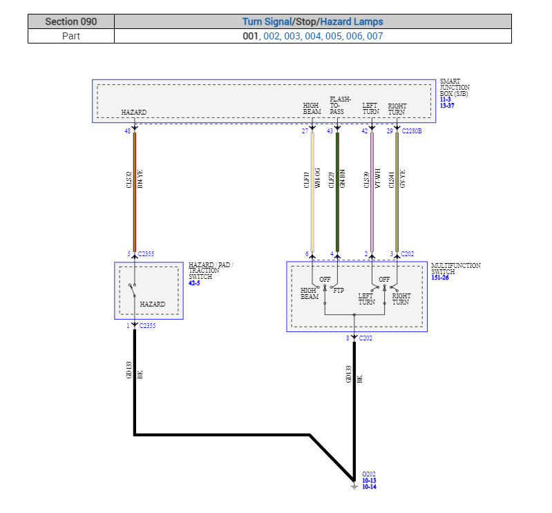
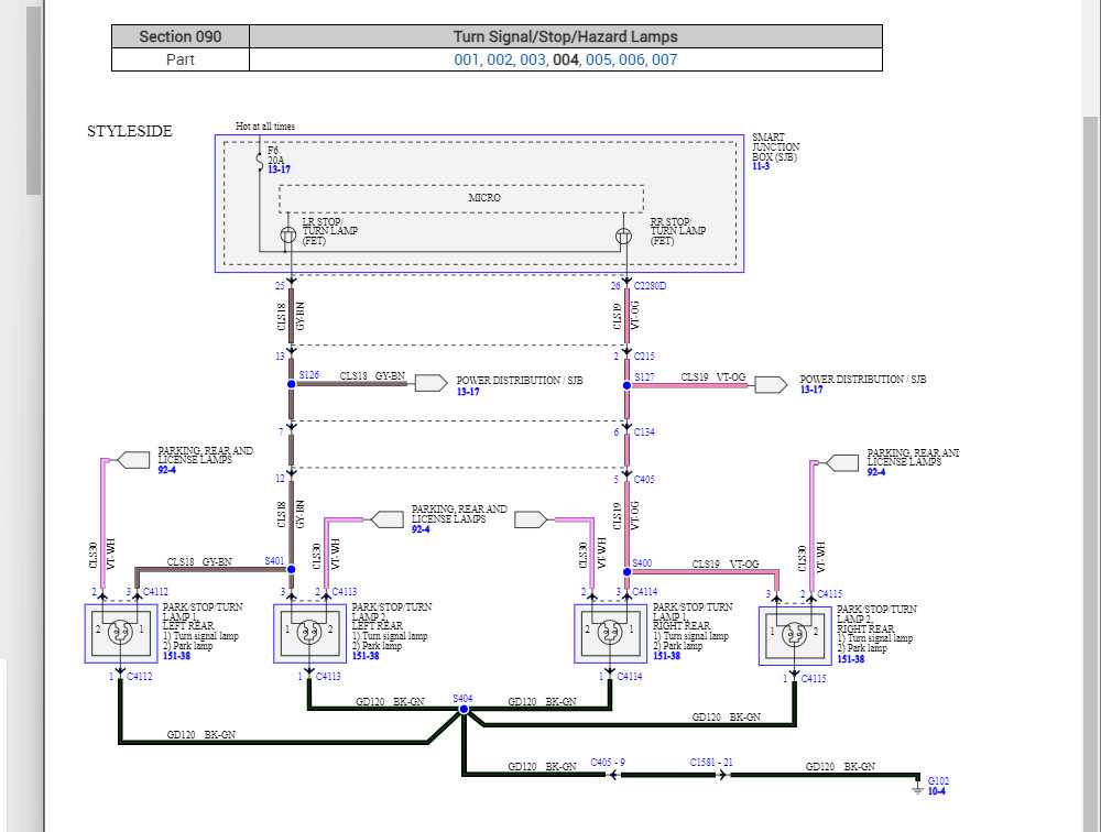
I attached the wiring diagrams below but I suspect since the switch is new, that the SBJ is faulty and just not sending a good signal when the switch is turned on.

So, once we verify this voltage then we need to then check the signal from the SJB to to the lamps, and I suspect you will find it is not matching the voltage from the switch. Meaning the SJB will be sending voltage to keep the light on or off which means it will need to be replaced.

Please see the wiring diagrams and let's go from there. Thanks
Was this
answer
helpful?
Yes
No
Wednesday, December 1st, 2021 AT 11:12 AM
Tiny
JESUS_GARCIA
  • MEMBER
  • 3 POSTS
What sjb do I need to buy?
Was this
answer
helpful?
Yes
No
Saturday, March 19th, 2022 AT 10:13 AM
Tiny
KASEKENNY
  • MECHANIC
  • 18,907 POSTS
Please see below for the part detail but it appears this is VIN specific as it is ordered and programmed to your specific vehicle.

The best bet is to contact a dealer and just get the part number per your VIN. Then you can order this part from your source and get it programmed if where you are getting it is not able to program it for you.
Was this
answer
helpful?
Yes
No
Saturday, March 19th, 2022 AT 7:18 PM

Please login or register to post a reply.