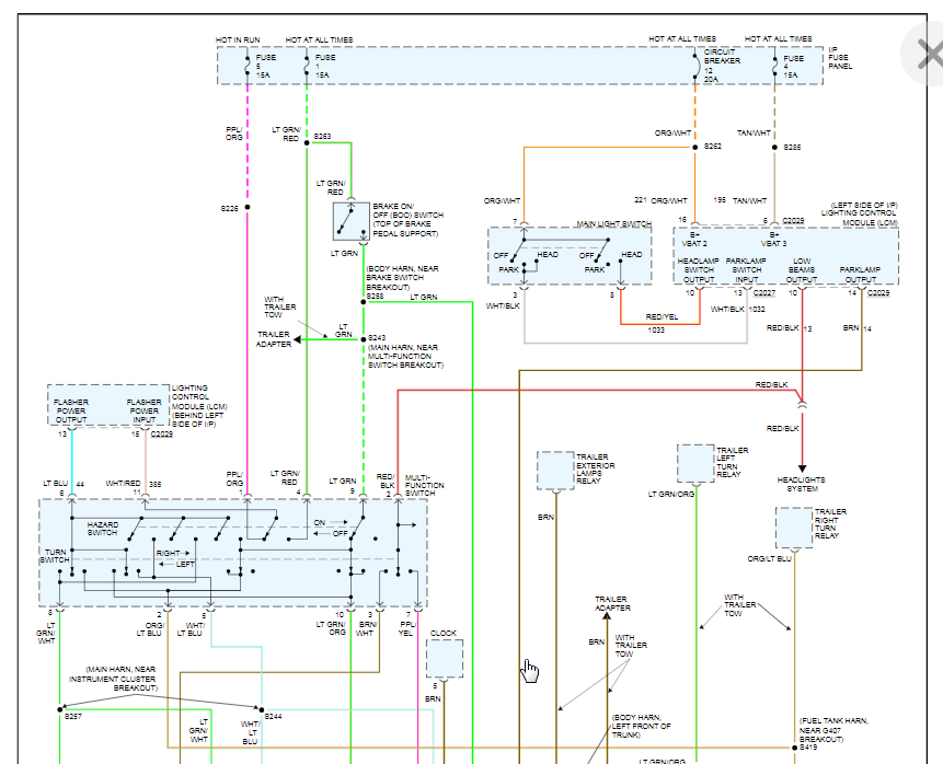
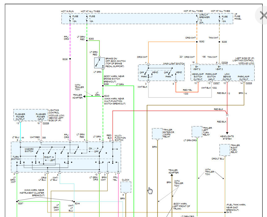
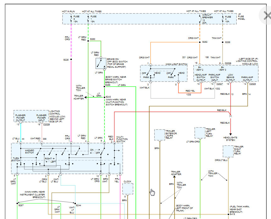
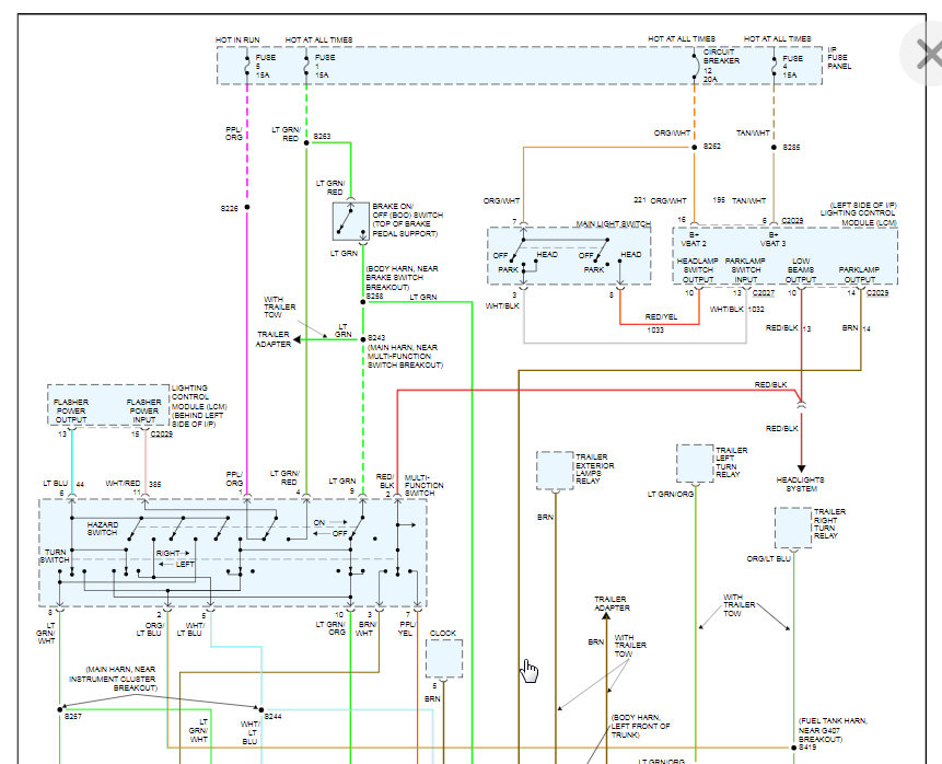
Blinker and hazards do not work

Tiny
SALROB
  • MEMBER
  • 1997 MERCURY MARQUIS
  • V8
  • 2WD
  • AUTOMATIC
  • 925,000 MILES
Can't locate relay. Empty socket in fuse box, another in trunk. Can I use either or without causing a problem or reaction, or where is other socket located?
Thursday, March 11th, 2021 AT 1:59 PM

1 Reply

Tiny
KASEKENNY
  • MECHANIC
  • 18,907 POSTS
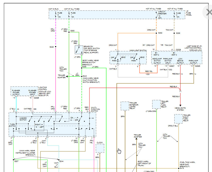
Your vehicle does not use a relay for the turn signals or hazards. You have what is called a lighting control module. So if you have no operation then we need to check the voltage coming out of the LCM.

https://www.2carpros.com/articles/how-to-check-wiring

So if you have no voltage coming out then you need to replace the LCM assuming that the LCM is getting the switch input which is most likely there but worth checking to make sure. However, it is unlikely that both the turn signal switch and hazard switch stopped working.

Let me know if you have questions and we can go from there. Thanks
Was this
answer
helpful?
Yes
No
Friday, March 12th, 2021 AT 4:26 PM

Please login or register to post a reply.