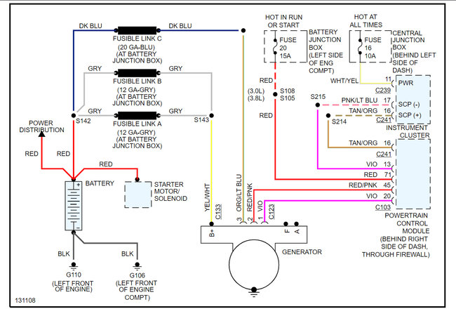
Monday, July 5th, 2021 AT 12:57 AM
My alternator is making 13.6 volts DC. When I turn on all lights and A/C it goes to 13.5. I did this at idle without increasing rpm. Do I need another alternator?






