Battery Jumped backwards?

Tiny
SILK ROSE
  • MEMBER
  • 2005 FORD TAURUS
  • 0.6L
  • 6 CYL
  • 4WD
  • AUTOMATIC
  • 300,000 MILES
Hello my name is Jae. My boyfriend hooked the battery cables backwards. Long story short. I have replaced alternator (brand new) and battery. I am still getting a check charging system code with the battery icon lit. I also have replaced battery cables. Any thoughts or advice?
Thursday, June 15th, 2017 AT 9:38 AM

1 Reply

Tiny
KASEKENNY
  • MECHANIC
  • 18,907 POSTS
This could be a couple things so we need to find out what codes are there to start.

https://www.2carpros.com/articles/checking-a-service-engine-soon-or-check-engine-light-on-or-flashing

If there are no codes then we need to find out if the PCM is getting the correct voltage signal from the generator.

https://www.2carpros.com/articles/how-a-car-electrical-system-works

The way this works is it gets the voltage and then the PCM sends the info to the cluster to turn the light on or off.

If the PCM is getting the proper voltage on the generator sense wires then the PCM is the issue. I suspect what is happening is the PCM has a circuit issue and is incorrectly turning on the lamp. So if the PCM is getting the proper voltage then it is a PCM.

https://www.2carpros.com/articles/how-to-check-wiring

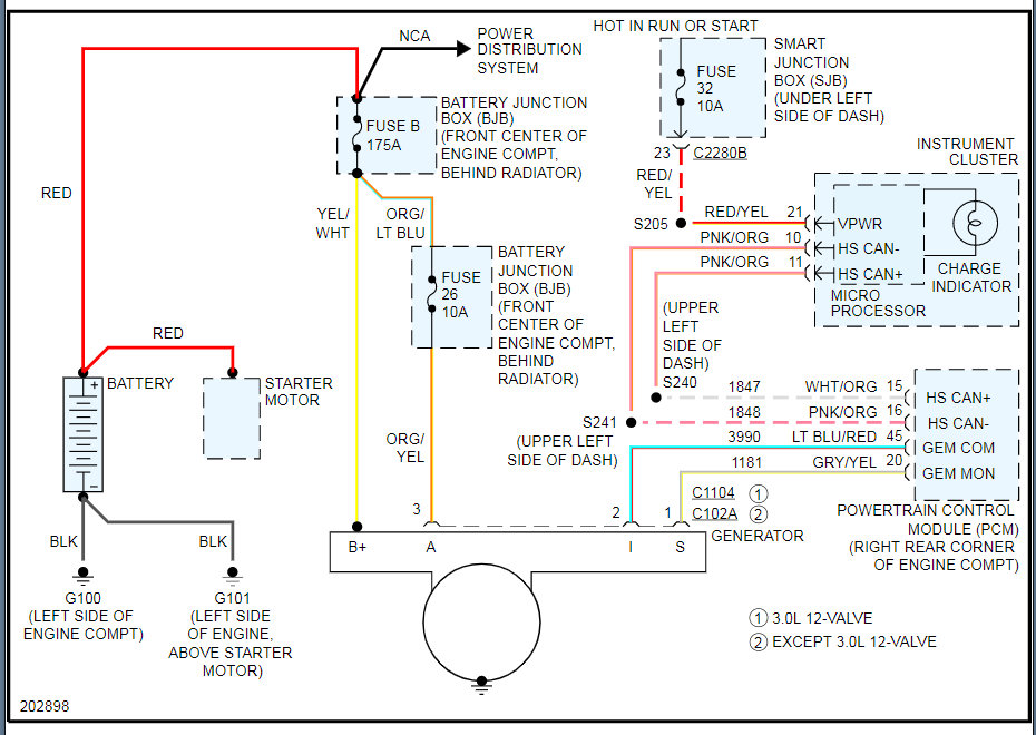
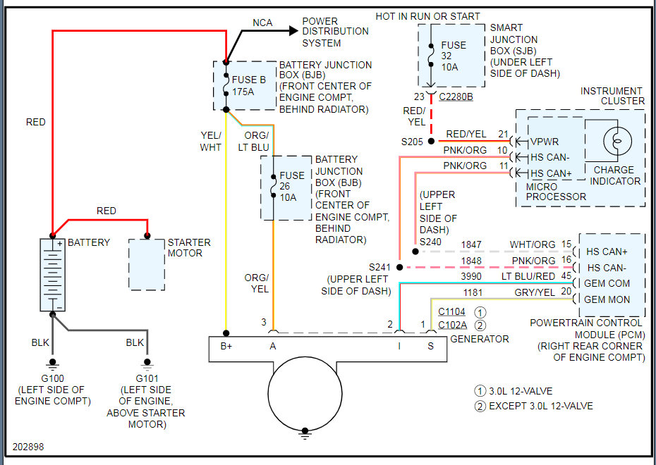
Please see the wiring diagram below for the info on this. Thanks
Was this
answer
helpful?
Yes
No
Wednesday, June 9th, 2021 AT 2:57 PM

Please login or register to post a reply.