Driver's window has no power

Tiny
KRIS BLANCHARD
  • MEMBER
  • 2008 CHEVROLET AVALANCHE
  • 5.3L
  • V8
  • 4WD
  • AUTOMATIC
  • 160,000 MILES
I already know it's not a switch issue. I cant seem to find wiring diagrams. There is a Bosch 15906881 block in the door and Connector J1 has a red/white wire that has no power to it. If I jump power to it then the windows roll up and everything works, but I would rather find the issue then have to keep jumping it just to rollup windows or change mirror because its power for the entire block.
Sunday, March 14th, 2021 AT 5:06 PM

17 Replies

Tiny
ASEMASTER6371
  • MECHANIC
  • 52,796 POSTS
Good morning,

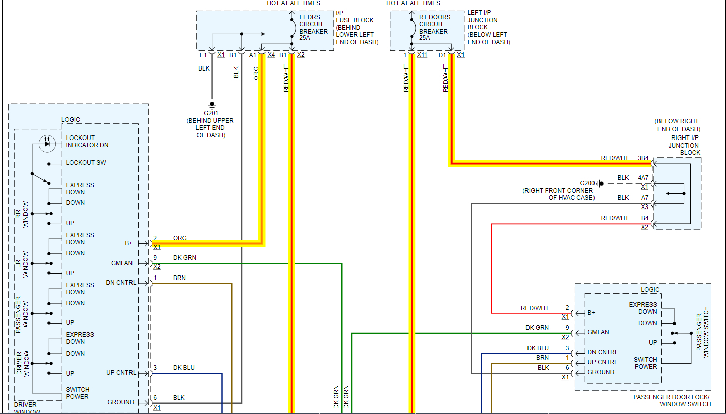
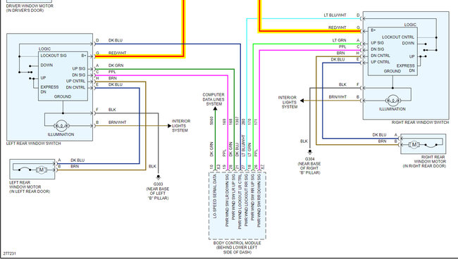
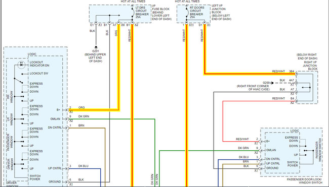
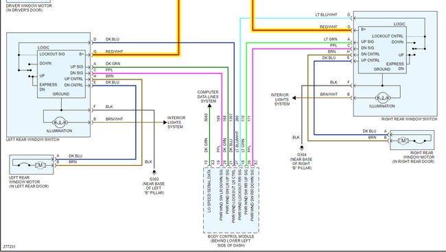
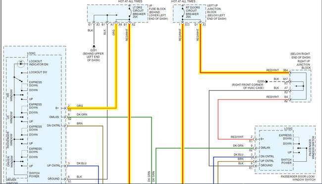
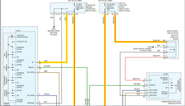
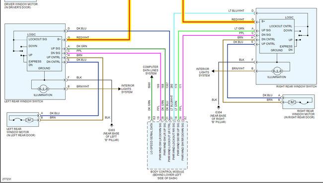
I attached a wiring diagram for you to view.

https://www.2carpros.com/articles/how-to-check-wiring

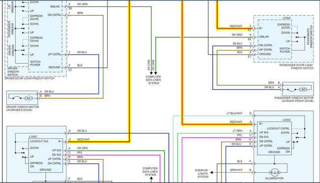
The drivers front has an orange wire powering it up. The others have the red/white.

https://www.2carpros.com/articles/how-to-check-a-car-fuse

Did you verify power from the circuit breakers on both sides? If you did then you have a harness issue between the fuse block and the switch.

Roy

Was this
answer
helpful?
Yes
No
Monday, March 15th, 2021 AT 2:41 AM
Tiny
KRIS BLANCHARD
  • MEMBER
  • 9 POSTS
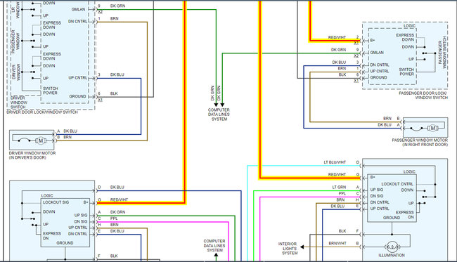
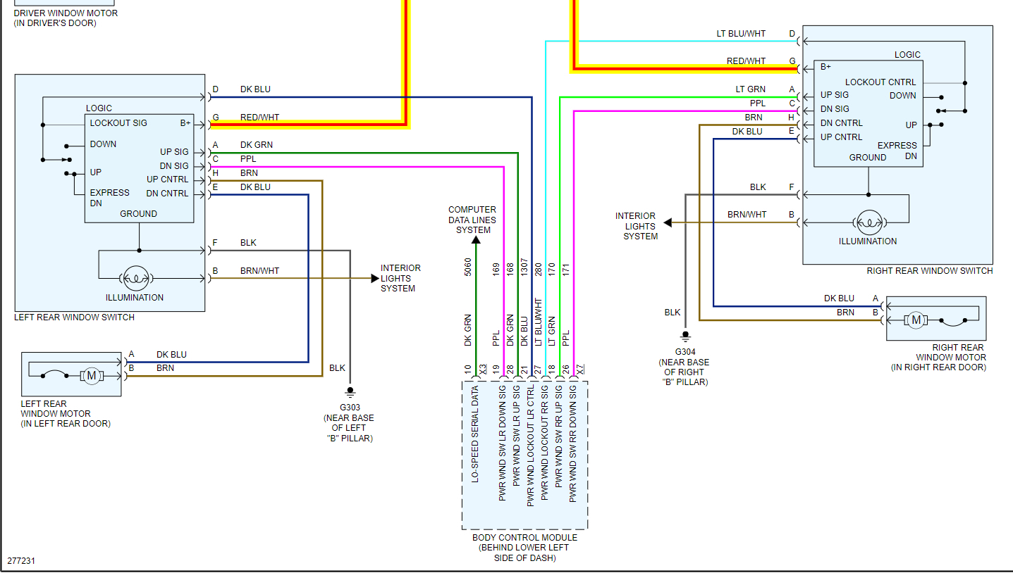
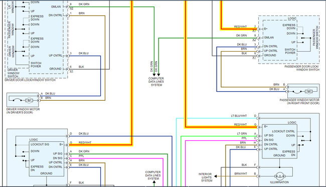
First picture is the entire drivers door module. It has door lock unlock window lock windows up down for 4 doors 3 buttons for changing mirrors and 2 buttons for folding the mirror. On the left side of the first picture is the wiring harness for the issue. The second picture the red/white on bottom left is the wire that has no power going to it. If you hook power to it the entire unit works windows locks mirrors everything without it none works. I put a test light to both of those red/white wires and one has power but one doesn't. I'm also wondering why there is 2 red/white wires going into this unit. I switched the circuit breakers around and nothing happened. While I had the truck started I also realized it definitely isn't the DDM because the heated seat switches don't work either unless the power goes from the DDM to power the heated seats switch. I also have a carsoft code reader it wont connect to the DDM but it connects to the passenger door module and it gives code u0199 cannot connect to DDM.
Was this
answer
helpful?
Yes
No
+2
Monday, March 15th, 2021 AT 8:42 AM
Tiny
ASEMASTER6371
  • MECHANIC
  • 52,796 POSTS
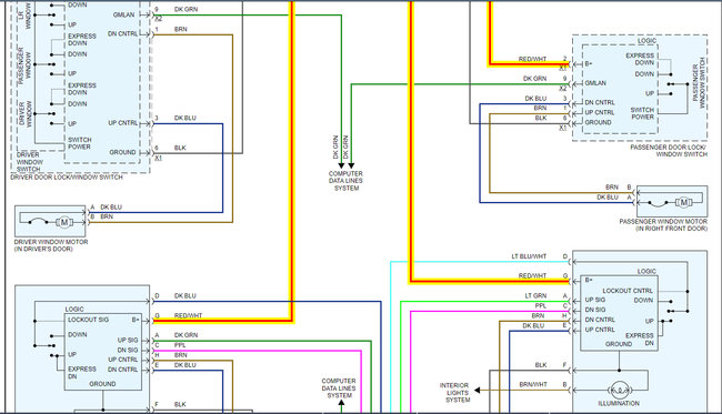
If you look at the first diagram, there are 2 circuit breakers that control power. Check them.

Roy
Was this
answer
helpful?
Yes
No
Monday, March 15th, 2021 AT 10:37 AM
Tiny
KRIS BLANCHARD
  • MEMBER
  • 9 POSTS
Checked them nothing working yet.
Was this
answer
helpful?
Yes
No
Monday, March 15th, 2021 AT 11:01 AM
Tiny
ASEMASTER6371
  • MECHANIC
  • 52,796 POSTS
Did they have power on both side going to the module?

Roy
Was this
answer
helpful?
Yes
No
Monday, March 15th, 2021 AT 12:41 PM
Tiny
KRIS BLANCHARD
  • MEMBER
  • 9 POSTS
Not sure where you mean to check. But on this picture the only power going to it is the front red/white wire the back red/white wire is smaller in thickness and as you can see I have 2 needles there you connect the 2 with a jumper wire and everything works.
Was this
answer
helpful?
Yes
No
Monday, March 15th, 2021 AT 1:47 PM
Tiny
ASEMASTER6371
  • MECHANIC
  • 52,796 POSTS
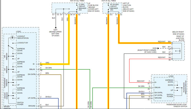
They are the ones that are controlled by the 25 amp circuit breakers in the first diagram.

Roy
Was this
answer
helpful?
Yes
No
-1
Monday, March 15th, 2021 AT 1:57 PM
Tiny
KRIS BLANCHARD
  • MEMBER
  • 9 POSTS
So i'm guessing bad wire between breaker and the DDM? Will have to wait until tomorrow I can do a continuity test from the breaker to the switch. One thing that i'm wondering before I buy it could it be the DDM. The bigger red/white wire goes in and the smaller guage red/white is out direction and it wont connect because something inside it, but that's all a guess?
Was this
answer
helpful?
Yes
No
Monday, March 15th, 2021 AT 2:03 PM
Tiny
ASEMASTER6371
  • MECHANIC
  • 52,796 POSTS
The power for the red/white needs to be restored. That is your issue, not the DDM.

Roy
Was this
answer
helpful?
Yes
No
Monday, March 15th, 2021 AT 2:13 PM
Tiny
KRIS BLANCHARD
  • MEMBER
  • 9 POSTS
Okay, I used a test light there is power going to all 4 circuit breakers and you said it goes from the breaker to the door. So the part that usually goes out between those 2 areas is wiring inside the boot. Now I have to figure out how to get boot off without breaking.
Was this
answer
helpful?
Yes
No
Monday, March 15th, 2021 AT 2:33 PM
Tiny
ASEMASTER6371
  • MECHANIC
  • 52,796 POSTS
I usually slice it open to access the wires then glue it closed and wrap it.

Make sure you solder and shrink wrap any damaged wiring.

Roy
Was this
answer
helpful?
Yes
No
Monday, March 15th, 2021 AT 2:37 PM
Tiny
KRIS BLANCHARD
  • MEMBER
  • 9 POSTS
Well, thank you for your help. I took off the boot and found the red/white wire it was broken completely. Now I just have to repair.
Was this
answer
helpful?
Yes
No
Monday, March 15th, 2021 AT 2:50 PM
Tiny
ASEMASTER6371
  • MECHANIC
  • 52,796 POSTS
Good find. Very common issue.

Roy
Was this
answer
helpful?
Yes
No
-1
Monday, March 15th, 2021 AT 2:53 PM
Tiny
KRIS BLANCHARD
  • MEMBER
  • 9 POSTS
Yeah, there was 2 red/white wires one was bigger around the the other one. You wouldn't happen to know what gauge is the smaller wire is that I should buy to splice it together?
Was this
answer
helpful?
Yes
No
Monday, March 15th, 2021 AT 2:58 PM
Tiny
ASEMASTER6371
  • MECHANIC
  • 52,796 POSTS
It should be 18 gauge.

Roy
Was this
answer
helpful?
Yes
No
-1
Monday, March 15th, 2021 AT 3:16 PM
Tiny
KRIS BLANCHARD
  • MEMBER
  • 9 POSTS
Thank you again and enjoy your night.
Was this
answer
helpful?
Yes
No
Monday, March 15th, 2021 AT 3:33 PM
Tiny
ASEMASTER6371
  • MECHANIC
  • 52,796 POSTS
You are welcome.

Always glad to help.

Roy
Was this
answer
helpful?
Yes
No
Monday, March 15th, 2021 AT 3:38 PM

Please login or register to post a reply.