Tracing current drain is very PITA. You are at the right direction though. Here is what I would if I were you on a day that you are off from work.
Get yourself a DVOM )digital volt/ohm meter).

It is about $15 from you local parts store or even Walmart... 1. Set it to check voltage at DCV V20 (checking DC voltage at around 20 volts).
2. Remove both battery terminals. Check battery voltage without any current draw. Write in a piece of paper. Now you have your base voltage. For example: Battery - no load - 12.65 volts
3. Attach both battery terminals. Check and write down voltage. Battery with terminals attached - 12.48 volts. Subtract this number from your base: 12.65 - 12.48 = 0.17 volts. Now you know, you have 0.17 volts of parasitic current draw.
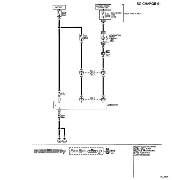
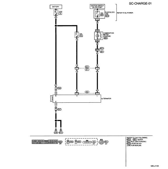
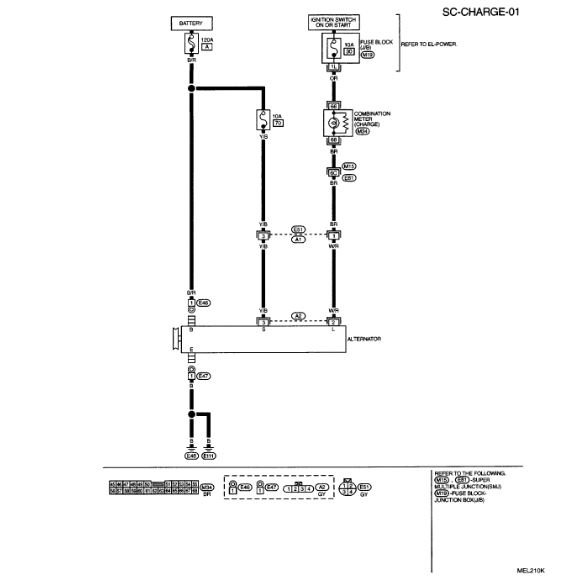
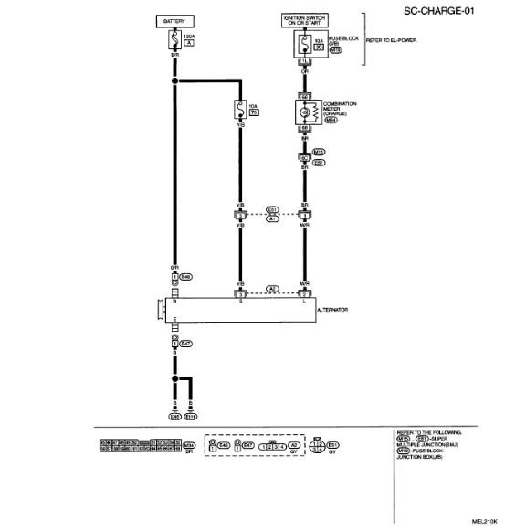
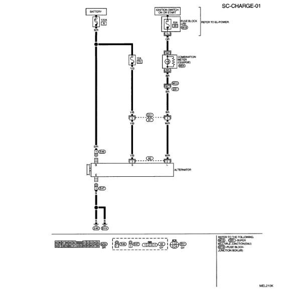
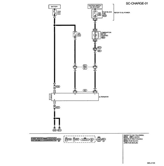
4. Now, under the hood, you should have (if I remember right) 3 different fuse/relay boxes. Pull a fuse/relay one at a time. Write down what fuse or relay you pull, and check the voltage. Do this until you have tested every circuitry under the hood. If there is no change in the voltage, continue to the fuse box under the dash, left side.
5. You will find one fuse or relay that will give your battery voltage higher than 12.48 volts. Usually a fuse controls one or more circuits. At least now you can concentrate your energy on that particular circuit.
Good luck....
Wednesday, November 11th, 2020 AT 11:59 AM
(Merged)