Intake air control valve?

Tiny
JACOBANDNICKOLAS
  • MECHANIC
  • 110,192 POSTS
Okay, my mistake. The idle is good. At 2500 it's a bit off.

Let me know.
Joe
Was this
answer
helpful?
Yes
No
Saturday, February 29th, 2020 AT 6:56 PM
Tiny
UHSNOEBIRD
  • MEMBER
  • 342 POSTS
Joe, what's the EGI relay for? Does EGI stand for Electronic Gas Injection? If it does couldn't that be causing me problems? My truck has this relay near the fuel pump relay.
Was this
answer
helpful?
Yes
No
Saturday, February 29th, 2020 AT 7:02 PM
Tiny
UHSNOEBIRD
  • MEMBER
  • 342 POSTS
Joe, what's the EGI relay for? Does EGI stand for Electronic Gas Injection, if it does couldn't that be causing me problems? My truck has this relay near the fuel pump relay. I'm not sure what it's purpose is.
Was this
answer
helpful?
Yes
No
Saturday, February 29th, 2020 AT 7:22 PM
Tiny
JACOBANDNICKOLAS
  • MECHANIC
  • 110,192 POSTS
It does stand for electronic gas injection (AKA EFI). If it was bad, the vehicle wouldn't run.
Was this
answer
helpful?
Yes
No
Saturday, February 29th, 2020 AT 8:12 PM
Tiny
UHSNOEBIRD
  • MEMBER
  • 342 POSTS
Okay, USPS said I'd be getting that MAF sensor on Tuesday instead of Thursday this week.
I might put that Hitachi IACV on Tomorrow or wait and try the MAF sensor first.
Was this
answer
helpful?
Yes
No
Saturday, February 29th, 2020 AT 8:32 PM
Tiny
JACOBANDNICKOLAS
  • MECHANIC
  • 110,192 POSTS
Sounds like a plan. Let me know.

Joe
Was this
answer
helpful?
Yes
No
Saturday, February 29th, 2020 AT 8:40 PM
Tiny
UHSNOEBIRD
  • MEMBER
  • 342 POSTS
Joe, hang in there with me, we'll get this figured out, hopefully it's not in the wiring or computer which could be possible, I assume. I think I'll wait until Tuesday and put the MAF on first to see if that fixes it, hopefully so. I'll let you know the results.
Was this
answer
helpful?
Yes
No
Sunday, March 1st, 2020 AT 6:30 AM
Tiny
UHSNOEBIRD
  • MEMBER
  • 342 POSTS
I drove it some today. It has no direct check engine codes but it's showing on the pending codes p0100 and p0120. Which are the MAF and TPS .
Was this
answer
helpful?
Yes
No
Sunday, March 1st, 2020 AT 6:17 PM
Tiny
JACOBANDNICKOLAS
  • MECHANIC
  • 110,192 POSTS
You have already replaced both, correct? Is it running any better or is it still the same?

Joe
Was this
answer
helpful?
Yes
No
Sunday, March 1st, 2020 AT 6:19 PM
Tiny
UHSNOEBIRD
  • MEMBER
  • 342 POSTS
Are those 2 codes related? What I mean by that is if the p0100 comes on does that have a chance of bringing on the p0120 code without the TPS being bad?
Was this
answer
helpful?
Yes
No
Sunday, March 1st, 2020 AT 6:20 PM
Tiny
UHSNOEBIRD
  • MEMBER
  • 342 POSTS
No, I have not replaced either, I've replaced the IACV twice but will be replacing The MAF tuesday.
Was this
answer
helpful?
Yes
No
Sunday, March 1st, 2020 AT 6:23 PM
Tiny
JACOBANDNICKOLAS
  • MECHANIC
  • 110,192 POSTS
Sounds like a plan. Once you replace it, let me know what you find.

__________________

I don't know if you want it but here are the diagnostics for the codes.

___________________

1997 Nissan-Datsun Truck D21 Hardbody XE 2WD L4-2389cc 2.4L SOHC MFI (KA24E)
P0100
Vehicle ALL Diagnostic Trouble Codes ( DTC ) Testing and Inspection P Code Charts P0100
P0100

pic 1
COMPONENT DESCRIPTION
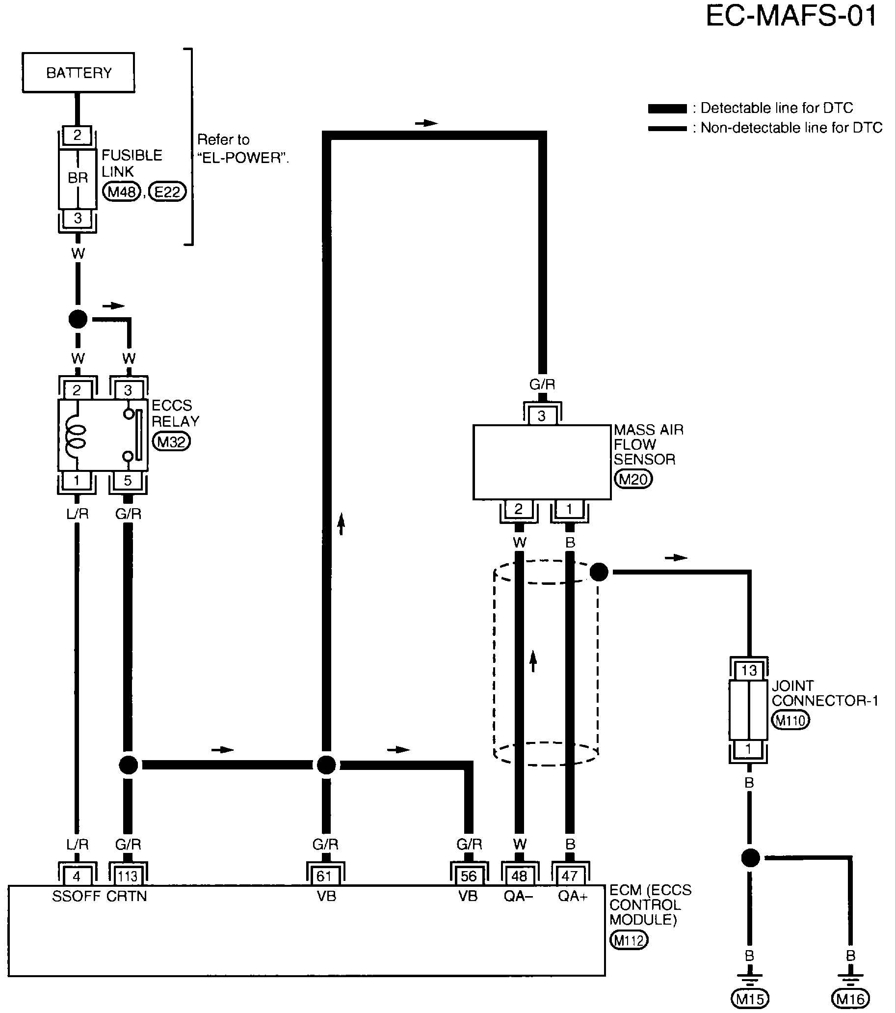
The mass air flow sensor is placed in the stream of intake air. It measures the intake flow rate by measuring a part of the entire intake flow. It consists of a hot wire that is supplied with electric current from the ECM. The temperature of the hot wire is controlled by the ECM a certain amount. The heat generated by the hot wire is reduced as the intake air flows around it. The more air, the greater the heat loss.
Therefore, the ECM must supply more electric current to the hot wire as air flow increases. This maintains the temperature of the hot wire. The ECM detects the air flow by means of this current change.

Pic 2

ECM TERMINALS AND REFERENCE VALUE
Specification data are reference values and are measured between each terminal and (43) (ECCS ground).

Pic 3

CONSULT REFERENCE VALUE IN DATA MONITOR MODE
Specification data are reference values.

Pic 4

OPEN BOARD DIAGNOSIS LOGIC
Engine operating condition in fail-safe mode
Engine speed will not rise more than 2,400 rpm due to the fuel cut.

DIAGNOSTIC TROUBLE CODE CONFIRMATION PROCEDURE
Perform "Procedure for malfunction A" first. If the 1st trip DTC cannot be confirmed, perform "Procedure for malfunction B". If there is no problem on "Procedure for malfunction B", perform "Procedure for malfunction C", "OVERALL FUNCTION CHECK".

Procedure for Malfunction A
With CONSULT
(1)Turn ignition switch "ON" and wait at least 6 seconds.

Pic 5

(2)Select "DATA MONITOR" mode with CONSULT.
(3)Start engine and wait at least 3 seconds.

OR

With GST
(1)Turn ignition switch "ON" and wait at least 6 seconds.
(2)Start engine and wait at least 3 seconds.
(3)Select "MODE 7" with GST.

OR

NO TOOLS
(1)Turn ignition switch "ON" and wait at least 6 seconds.
(2)Start engine and wait at least 3 seconds.
(3)Turn ignition switch "OFF", wait at least 7 seconds and then turn "ON".
(4)Perform "Diagnostic Test Mode II (Self-diagnostic results)" with ECM.

Procedure for Malfunction B
With CONSULT
(1)Turn ignition switch "ON".

Pic 6

(2)Select "DATA MONITOR" mode with CONSULT.
(3)Start engine and warm it up sufficiently.
(4)Run engine for at least 10 seconds at idle speed.

OR

With GST
(1)Turn ignition switch "ON".
(2)Start engine and warm it up sufficiently.
(3)Run engine for at least 10 seconds at idle speed.
(4)Select "MODE 7" with GST.

OR

NO TOOLS
(1)Turn ignition switch "ON".
(2)Start engine and warm it up sufficiently.
(3)Run engine for at least 10 seconds at idle speed.
(4)Turn ignition switch "OFF", wait at least 7 seconds and then turn "ON".
(5)Perform "Diagnostic Test Mode II (Self-diagnostic results)" with ECM.

OVERALL FUNCTION CHECK
Use this procedure to check the overall function of mass air flow sensor. During this check a 1st trip DTC might not be confirmed.

Procedure for Malfunction C
With CONSULT
(1)Turn ignition switch "ON".
(2)Start engine and warm it up sufficiently.
(3)Select "DATA MONITOR" mode with CONSULT.

Pic 7

(4)Check the voltage of mass air flow sensor with "DATA MONITOR".
(5)Check for linear voltage rise in response to increases to about 4,000 rpm in engine speed.

OR

With GST
(1)Turn ignition switch "ON".
(2)Start engine and warm it up sufficiently.

Pic 8

(3)Select "MODE 1" with GST.
(4)Check the mass air flow with "MODE 1".
(5)Check for linear mass air flow rise in response to increases to about 4,000 rpm in engine speed.

OR

NO TOOLS
(1)Turn ignition switch "ON".
(2)Start engine and warm it up sufficiently.

Pic 9

(3)Check the voltage between ECM terminal (47) and ground.
(4)Check for linear voltage rise in response to increases to about 4,000 rpm in engine speed.

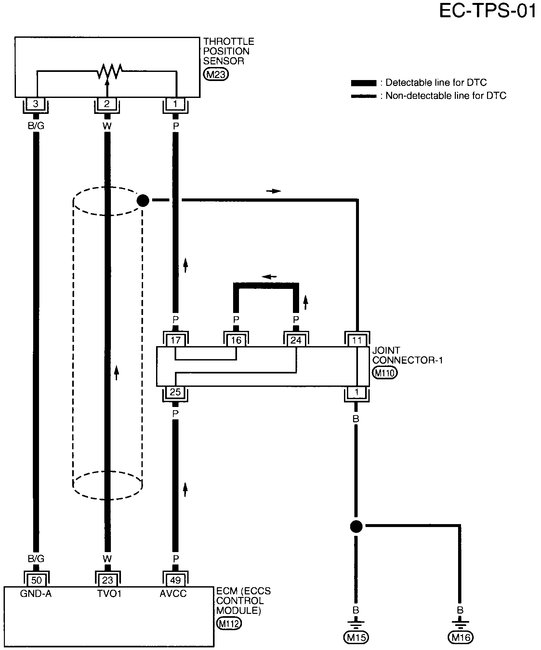
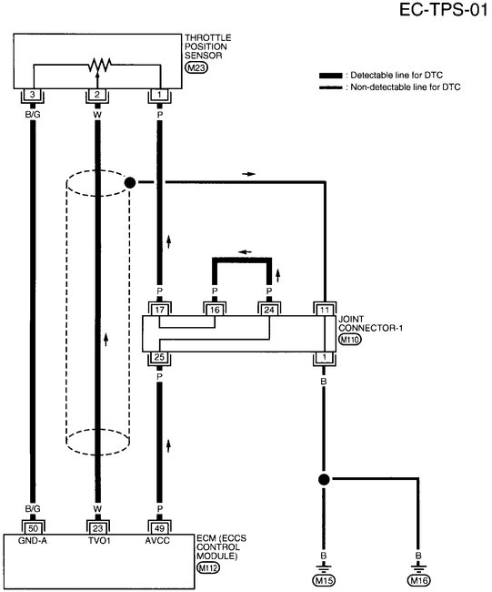
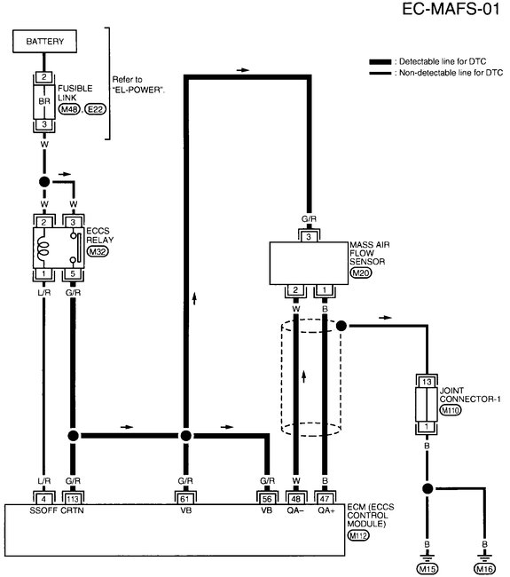
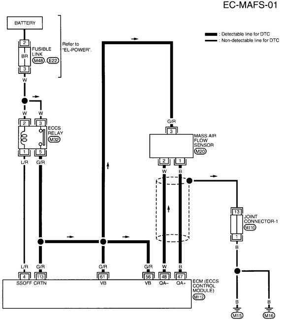
EC-MAFS-01 Mass Air Flow Sensor (MAFS) (DTC P0100)

Pic 10

WIRING DIAGRAM

pic 11

DIAGNOSTIC PROCEDURE

COMPONENT INSPECTION
Mass Air Flow Sensor
1. Turn ignition switch "ON".
2. Start engine and warm it up sufficiently.

Pic 12

3. Check voltage between terminal 1 and ground.

Conditions / Voltage, V
Ignition switch "ON" (Engine stopped.) / Less than 1.0
Idle (Engine is warmed-up sufficiently.) / 1.3 - 1.7
2,500 rpm / 1.7 - 2.3
Idle to about 4,000 rpm / 1.3 - 1.7 to Approx. 4.0

*: Check for linear voltage rise in response to increases to about 4,000 rpm in engine speed.

Pic 13

4. If NG, remove mass air flow sensor from air duct. Check hot wire for damage or dust.
____________________________________________________________________________________

1997 Nissan-Datsun Truck D21 Hardbody XE 2WD L4-2389cc 2.4L SOHC MFI (KA24E)
P0120
Vehicle ALL Diagnostic Trouble Codes ( DTC ) Testing and Inspection P Code Charts P0120
P0120

pic 14

pic 15

COMPONENT DESCRIPTION
The throttle position sensor responds to the accelerator pedal movement. This sensor is a kind of potentiometer which transforms the throttle position into output voltage and emits the voltage signal to the ECM. In addition, the sensor detects the opening and closing speed of the throttle valve and feeds the voltage signal to the ECM.
Idle position of the throttle valve is determined by the ECM receiving the signal from the throttle position sensor. This controls engine operation such as fuel cut. The throttle position sensor unit contains a built-in "Wide open and closed throttle position switch".

Pic 16

ECM TERMINALS AND REFERENCE VALUE
Specification data are reference values and are measured between each terminal and (43) (ECCS ground).

Pic 17

CONSULT REFERENCE VALUE IN DATA MONITOR MODE
Specification data are reference values

pic 18

ON BOARD DIAGNOSIS LOGIC
Engine operating condition in fail-safe mode
Throttle position will be determined based on the injected fuel amount and the engine speed.
Therefore, acceleration will be poor.

Condition / Driving Condition
When Engine is Idling / Normal
When accelerating / Poor accelerating

OVERALL FUNCTION CHECK
Use this procedure to check the overall function of the throttle position sensor circuit. During this check, a 1st trip DTC might not be confirmed.

With CONSULT
(1)Start engine and warm it up sufficiently.
(2)Turn ignition switch "OFF" and wait at least 7 seconds.
(3)Turn ignition switch "ON".

Pic 19

(4)Select "MANU TRIG" and "HI SPEED" in "DATA MONITOR" mode with CONSULT
(5)Select "THRTL POS SEN" and "AE3SOL TH.P/S" in "DATA MONITOR" mode with CONSULT.
(6)Press RECORD on CONSULT SCREEN at the same time accelerator pedal is depressed.

Pic 20

(7)Print out the recorded data and check the following:
- The voltage when accelerator pedal fully released is 0.3 - 0.7V.
- The voltage rise is linear in response to accelerator pedal depression.
- The voltage when accelerator pedal fully depressed is approximately 4V.

OR

Without CONSULT
(1)Start engine and warm it up sufficiently.
(2)Turn ignition switch "OFF" and wait at least 7 seconds.
(3)Turn ignition switch "ON".

Pic 21

(4)Check the voltage between ECM terminal (23) and (43) (ground) and check the following:
- The voltage when accelerator pedal fully released is 0.3 - 0.7V.
- The voltage rise is linear in response to accelerator pedal depression.
- The voltage when accelerator pedal fully depressed is approximately 4V.

EC-TPS-01 Throttle Position (DTC P0120)

pic 22

WIRING DIAGRAM

pic 23

pic 24

DIAGNOSTIC PROCEDURE

COMPONENT INSPECTION
Throttle Position Sensor
1. Start engine and warm it up sufficiently.
2. Turn ignition switch "OFF".
3. Disconnect throttle position sensor harness connector.

Pic 25

4. Check resistance between terminals 2 and 3 while opening throttle valve manually.

Throttle Valve conditions / Resistance at 25°C(77°F)
Completely closed / Approximately 0.5 k Ohms
Partially open / 0.5 - 0.4 K Ohms
Completely open / Approximately 4.0 K Ohms

If NG, replace throttle position sensor.
To adjust throttle position sensor, perform "BASIC INSPECTION".

____________________________

I hope something here helps.

Joe
Was this
answer
helpful?
Yes
No
Sunday, March 1st, 2020 AT 7:41 PM
Tiny
UHSNOEBIRD
  • MEMBER
  • 342 POSTS
Joe, I received the MAF early today. I removed the original one and wasn't paying attention to the way the MAF looked after it came out of the throttle body (the part that goes in throttle body). So I take the new one and it will not fit into the throttle body so I'm thinking they sent me one for another year than my truck. My original didn't look right where that part goes into the T. Body so I took my flashlight and looked into T. Body through a small hole and seen a plastic piece still in there, the tip was lodged and had stayed in there. This plastic piece slips over the sensor. I Took a screwdriver and pushed it out, now the new sensor is in and working as of now, will let you know more when I drive the truck tonight.
Was this
answer
helpful?
Yes
No
Monday, March 2nd, 2020 AT 2:49 PM
Tiny
UHSNOEBIRD
  • MEMBER
  • 342 POSTS
The truck is running good but I'll probably get a TPS for later on in case I need it.
Was this
answer
helpful?
Yes
No
Wednesday, March 4th, 2020 AT 8:29 PM
Tiny
UHSNOEBIRD
  • MEMBER
  • 342 POSTS
Joe, thanks for all your help.
Was this
answer
helpful?
Yes
No
Thursday, March 5th, 2020 AT 7:33 PM
Tiny
JACOBANDNICKOLAS
  • MECHANIC
  • 110,192 POSTS
You are very welcome. I'm glad to hear it is running good for you.

Take care of yourself.
Joe
Was this
answer
helpful?
Yes
No
Thursday, March 5th, 2020 AT 8:27 PM
Tiny
UHSNOEBIRD
  • MEMBER
  • 342 POSTS
Joe, it's got a little miss when it is warming up when I get to a certain speed but I think that could be that TPS and I have one on the way, should be here in a couple days in the mean time had to replace my passenger caliper on drivers side, seals leaking brake fluid. It's running is all that counts, has a great motor in it, only 178,000 miles.
Was this
answer
helpful?
Yes
No
Friday, March 6th, 2020 AT 12:48 PM
Tiny
UHSNOEBIRD
  • MEMBER
  • 342 POSTS
Caliper was on passenger side, miss stated that up above, sorry.
Was this
answer
helpful?
Yes
No
Friday, March 6th, 2020 AT 12:51 PM
Tiny
UHSNOEBIRD
  • MEMBER
  • 342 POSTS
Joe the mathematical formula for changing lbs/minute to grans per second is we take the lbs/minute x 117 and that gives us the grains/s.
Was this
answer
helpful?
Yes
No
Wednesday, March 18th, 2020 AT 3:30 PM
Tiny
ASEMASTER6371
  • MECHANIC
  • 52,796 POSTS
Just to add to your conversation with Joe, the fuel pressure is within specs.

Roy
Was this
answer
helpful?
Yes
No
+1
Thursday, March 19th, 2020 AT 5:19 AM

Please login or register to post a reply.