Intake air control valve?

Tiny
UHSNOEBIRD
  • MEMBER
  • 342 POSTS
Okay, I'll drive it about 10 or more miles to see what happens.
Was this
answer
helpful?
Yes
No
Saturday, February 22nd, 2020 AT 7:44 PM
Tiny
UHSNOEBIRD
  • MEMBER
  • 342 POSTS
Joe, I drove it today and it ran good for a while but then it started acting up then I brought it home and took the MAF sensor out and cleaned it with MAF Sensor spray. I drove it tonight and it seems to be running better. It did not quit on me tonight. I checked the pending codes and they were P0100 - maf and P0120 P0120 is the generic OBD-II code which indicates that the Engine Control Module (ECM) has seen the TPS sensor circuit A output voltage going below or above the sensor's expected range, or is chattering when compared to TPS sensor circuit B.
What is your thoughts on this information. Thanks
Was this
answer
helpful?
Yes
No
Sunday, February 23rd, 2020 AT 5:39 PM
Tiny
JACOBANDNICKOLAS
  • MECHANIC
  • 110,192 POSTS
Since it is happening after you drive it for awhile, it seems it could be heat related. A bad connection or a sensor could be the issue. Here is the entire list regarding the P0120. If you page through it, it explains how to test the sensor and connection with the ECM. The last test is for the throttle position sensor. I would suggest doing the test, but I would do it when everything is warm and you are experiencing the issue.

The attached pics correlate with the directions.

________________-

1997 Nissan-Datsun Truck D21 Hardbody XE 2WD L4-2389cc 2.4L SOHC MFI (KA24E)
P0120
Vehicle ALL Diagnostic Trouble Codes ( DTC ) Testing and Inspection P Code Charts P0120
P0120

pic 1

pic 2

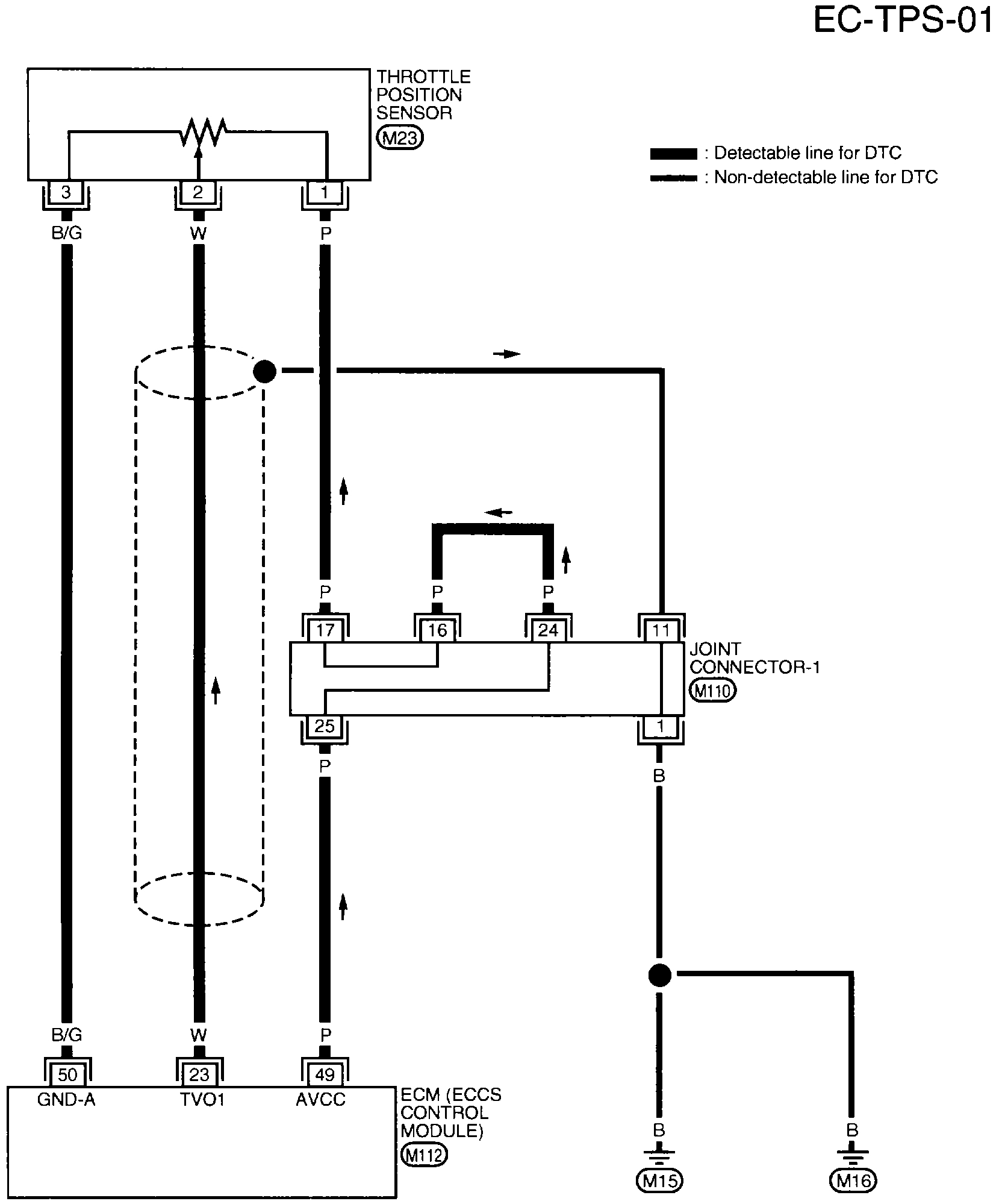
COMPONENT DESCRIPTION
The throttle position sensor responds to the accelerator pedal movement. This sensor is a kind of potentiometer which transforms the throttle position into output voltage and emits the voltage signal to the ECM. In addition, the sensor detects the opening and closing speed of the throttle valve and feeds the voltage signal to the ECM.
Idle position of the throttle valve is determined by the ECM receiving the signal from the throttle position sensor. This controls engine operation such as fuel cut. The throttle position sensor unit contains a built-in "Wide open and closed throttle position switch".

Pic 3

ECM TERMINALS AND REFERENCE VALUE
Specification data are reference values and are measured between each terminal and (43) (ECCS ground).

Pic 4

CONSULT REFERENCE VALUE IN DATA MONITOR MODE
Specification data are reference values

pic 5

ON BOARD DIAGNOSIS LOGIC
Engine operating condition in fail-safe mode
Throttle position will be determined based on the injected fuel amount and the engine speed.
Therefore, acceleration will be poor.

Condition / Driving Condition
When Engine is Idling / Normal
When accelerating / Poor accelerating

OVERALL FUNCTION CHECK
Use this procedure to check the overall function of the throttle position sensor circuit. During this check, a 1st trip DTC might not be confirmed.

With CONSULT
(1)Start engine and warm it up sufficiently.
(2)Turn ignition switch "OFF" and wait at least 7 seconds.
(3)Turn ignition switch "ON".

Pic 6

(4)Select "MANU TRIG" and "HI SPEED" in "DATA MONITOR" mode with CONSULT
(5)Select "THRTL POS SEN" and "AE3SOL TH.P/S" in "DATA MONITOR" mode with CONSULT.
(6)Press RECORD on CONSULT SCREEN at the same time accelerator pedal is depressed.

Pic 7

(7)Print out the recorded data and check the following:
- The voltage when accelerator pedal fully released is 0.3 - 0.7V.
- The voltage rise is linear in response to accelerator pedal depression.
- The voltage when accelerator pedal fully depressed is approximately 4V.

OR

Without CONSULT
(1)Start engine and warm it up sufficiently.
(2)Turn ignition switch "OFF" and wait at least 7 seconds.
(3)Turn ignition switch "ON".

Pic 8

(4)Check the voltage between ECM terminal (23) and (43) (ground) and check the following:
- The voltage when accelerator pedal fully released is 0.3 - 0.7V.
- The voltage rise is linear in response to accelerator pedal depression.
- The voltage when accelerator pedal fully depressed is approximately 4V.

EC-TPS-01 Throttle Position (DTC P0120)
imageOpen In New TabZoom/Print

WIRING DIAGRAM

pic 9

pic 10

DIAGNOSTIC PROCEDURE

COMPONENT INSPECTION
Throttle Position Sensor
1. Start engine and warm it up sufficiently.
2. Turn ignition switch "OFF".
3. Disconnect throttle position sensor harness connector.

Pic 11

4. Check resistance between terminals 2 and 3 while opening throttle valve manually.

Throttle Valve conditions / Resistance at 25°C(77°F)
Completely closed / Approximately 0.5 k Ohms
Partially open / 0.5 - 0.4 K Ohms
Completely open / Approximately 4.0 K Ohms

If NG, replace throttle position sensor.
To adjust throttle position sensor, perform "BASIC INSPECTION".

____________________________

Let me know the results.

Joe
Was this
answer
helpful?
Yes
No
Sunday, February 23rd, 2020 AT 8:00 PM
Tiny
UHSNOEBIRD
  • MEMBER
  • 342 POSTS
It will be a few days, we got rain. Thank you
Was this
answer
helpful?
Yes
No
Monday, February 24th, 2020 AT 1:00 PM
Tiny
UHSNOEBIRD
  • MEMBER
  • 342 POSTS
I drove my truck tonight and it never quit or even tried to quit, it missed a little bit when I drove it but maybe the problem is in the gas, weird things happening. I will try it for a day or two and see what happens, then if I have to I'll check the things you recommended yesterday. Thanks for your help.
Was this
answer
helpful?
Yes
No
Monday, February 24th, 2020 AT 7:06 PM
Tiny
JACOBANDNICKOLAS
  • MECHANIC
  • 110,192 POSTS
Sounds like a plan. Take care and let me know the results.

Joe
Was this
answer
helpful?
Yes
No
Monday, February 24th, 2020 AT 8:34 PM
Tiny
UHSNOEBIRD
  • MEMBER
  • 342 POSTS
I drove it about 20 miles today and the truck ran fine, then tonight it started acting up on me, I raised the hood and the fuel pump pressure was only showing 22 psi, so it looks like I'll be installing the fuel pump I already have. Seems you mentioned that to me but the pressures were showing good as long as the truck was idling but I guess the pressures changed when I started driving it. Not sure when I'll get it installed.
Was this
answer
helpful?
Yes
No
Tuesday, February 25th, 2020 AT 6:00 PM
Tiny
JACOBANDNICKOLAS
  • MECHANIC
  • 110,192 POSTS
It sounds like a good idea. If pressure is low, that's an issue. Here are the directions for removal of the tank and the pump. All pics correlate with the directions.

________________________________________

1997 Nissan-Datsun Truck D21 Hardbody XE 2WD L4-2389cc 2.4L SOHC MFI (KA24E)
Procedures
Vehicle Powertrain Management Fuel Delivery and Air Induction Fuel Tank Service and Repair Procedures
PROCEDURES
WARNING:
When replacing fuel line parts, be sure to observe the following:
- Put a "CAUTION: FLAMMABLE" sign in workshop.
- Do not smoke while servicing fuel system. Keep open flames and sparks away from work area.
- Furnish workshop with a CO2 fire extinguisher.

CAUTION:
- Before removing fuel line parts, carry out the following procedures:
a. Put drained fuel in an explosion-proof container and put the lid on securely.
B. Release fuel pressure from fuel line. Refer to ("Fuel Pressure Release").
C. Disconnect battery ground cable.
- When installing fuel check valve, install it in the correct direction.
- Always replace O-ring with a new one.
- Do not kink or twist tubes and hoses during installation.
- To avoid damaging hoses, do not tighten hose clamps excessively.
- After installing tubes, run engine and check for fuel leaks at connections.
- Use only a genuine fuel filler cap as a replacement. If an incorrect fuel filler cap is used, the MIL may turn on.

Pic 1

REMOVAL

CAUTION:
- Do not disconnect any fuel line unless absolutely necessary.
- Plug hose and pipe openings to prevent entry of dust or dirt.

1. Release fuel pressure. Refer to ("Fuel Pressure Release").
2. Disconnect battery ground cable.
3. Drain fuel from fuel tank.

Pic 2

4. Disconnect electrical connector.
5. Remove filler protector.
6. Disconnect filler tubes, fuel supply tube and fuel return tube.

Pic 3

7. Remove fuel tank protector.

Pic 4

8. Remove six fuel tank mounting bolts while supporting fuel tank.

Pic 5

9. Remove rear fuel tank mounting bracket.

Pic 6

10. Remove fuel tank.

INSTALLATION

INSTALLATION HINT: To install, reverse the removal procedure.

CAUTION:
- Do not kink or twist hoses and tubes during installation.
- To avoid damaging hoses, do not tighten hose clamps excessively.
- Tighten bolts to specified torque.
- After installation, run engine and check for leaks at connections.

______________________________

1997 Nissan-Datsun Truck D21 Hardbody XE 2WD L4-2389cc 2.4L SOHC MFI (KA24E)
Procedures
Vehicle Powertrain Management Fuel Delivery and Air Induction Fuel Pump Service and Repair Procedures
PROCEDURES

Pic 7

REMOVAL
1. Remove fuel tank.
2. Disconnect fuel supply tube, fuel return tube and electrical connector.
3. Remove the six screws.

Pic 8

4. Remove fuel pump and gauge.

INSTALLATION
Installation Hint: To install, reverse the removal procedure.

CAUTION:
- Tighten bolts to specified torque.

2.0 - 2.5 N-m (0.20 - 0.26 kg-m, 17.4 - 22.6 in-lb)

- Always replace O-ring with a new one.
- After installation, run engine and check for leaks at connections.

__________________

Hope this helps.

Joe
Was this
answer
helpful?
Yes
No
Tuesday, February 25th, 2020 AT 6:37 PM
Tiny
UHSNOEBIRD
  • MEMBER
  • 342 POSTS
Thanks, it might a few days since we suppose to get snow plus I just filled my tank up today and some 5 gallon jugs and have nothing to siphon the gas into. Can't win for losing, lol.
Was this
answer
helpful?
Yes
No
Wednesday, February 26th, 2020 AT 10:39 AM
Tiny
JACOBANDNICKOLAS
  • MECHANIC
  • 110,192 POSTS
Not a problem. We are going to see the snow as well. Let me know when you get to it. I'm interested in knowing if that takes care of the issues.

Joe
Was this
answer
helpful?
Yes
No
Wednesday, February 26th, 2020 AT 5:18 PM
Tiny
UHSNOEBIRD
  • MEMBER
  • 342 POSTS
You're going to be surprised at what I'm telling you, I rechecked the screw on connection on the T fitting I had installed to use a gas gauge and the darn thing had loosened up and was not giving me the proper pressures, I re-tightened it and now it's showing the correct pressures and I drove it today and it ran pretty good and also it ran pretty good tonight. It still isn't 100% right but it might be in the gas or some other little sensor.I am thinking that the fuel pump sock (screen) in the tank might be sucking together preventing the gas to flow.I need to install a fuel pump because this one is 22 years. Old. I'll need to drive it some more and see what happens, thanks for your answers. I'll get back to you.
Was this
answer
helpful?
Yes
No
Wednesday, February 26th, 2020 AT 6:30 PM
Tiny
JACOBANDNICKOLAS
  • MECHANIC
  • 110,192 POSTS
If it was leaking fuel, that is certainly an issue. If, however, the pressure is within spec, there shouldn't be any issue with the sock or a need to replace it.

Drive it awhile and see how things go.

Take care and enjoy the snow.

Joe
Was this
answer
helpful?
Yes
No
Wednesday, February 26th, 2020 AT 6:36 PM
Tiny
UHSNOEBIRD
  • MEMBER
  • 342 POSTS
I'm not sure if I told you or not but I received the Hitachi IACV brand that I ordered and if my truck keeps acting up I'm going to put this part on. If the IACV that's on it now has a slight delay (hesitation) that might be what is causing the problem. What's your thoughts on that? Thanks
Was this
answer
helpful?
Yes
No
Wednesday, February 26th, 2020 AT 7:02 PM
Tiny
JACOBANDNICKOLAS
  • MECHANIC
  • 110,192 POSTS
The IACV really shouldn't cause a hesitation. It will, however, cause idle issues.

Joe
Was this
answer
helpful?
Yes
No
Wednesday, February 26th, 2020 AT 7:08 PM
Tiny
UHSNOEBIRD
  • MEMBER
  • 342 POSTS
I had my AurtoXray 7ooo Scanner connected today and I noticed that when I press my gas pedal the TPS on the screen doesn't show a percentage of the gas pedal being pressed, in other words shouldn't it show me that the gas pedal is pressed at 10%, 20% or some other percentage when I press the pedal when I' m idling the truck and if I press it WOT it should show me 100%? What are your thoughts on that? I haven't tried your suggestions yet, it's cold and snowing here probably there too.
Was this
answer
helpful?
Yes
No
Friday, February 28th, 2020 AT 2:51 PM
Tiny
UHSNOEBIRD
  • MEMBER
  • 342 POSTS
The scanner will not anything on the percentage at idle but it does when I drive it. I had the code p0100 come on again and I just ordered the MAF sensor, we'll see what this does.
Was this
answer
helpful?
Yes
No
Friday, February 28th, 2020 AT 7:31 PM
Tiny
JACOBANDNICKOLAS
  • MECHANIC
  • 110,192 POSTS
The MAF may be the problem. With your live data scanner, tell me what the readings are for the MAF at idle and at 2500 RPM's. At idle, they should be around 5 grams per second (G/S). When you get to around 2500 RPM's, it should be around 20 (G/S).

Let me know.
Joe
Was this
answer
helpful?
Yes
No
Friday, February 28th, 2020 AT 8:06 PM
Tiny
UHSNOEBIRD
  • MEMBER
  • 342 POSTS
My Autoxray 7000 scanner only shows it in lb/m ( lbs per minute ), it does not show it G/S.
The other day it was showing MAF (lb/m ).64 at about 1,000 rpms but drops as the idling comes down like it suppose to I assume. Does G/S stand for grains per second & lb/m mean pounds per minute? I guess lb/m can be changed to G/S. I will try what you said today sometime.
Can I check that as soon as the truck is started or do I need to wait until the motor is warmed up or does it matter? Here's what I found,

Home: Kyle's ConverterKyle's CalculatorsKyle's Conversion Blog
Convert Pounds Per Minute to Grains Per Second
Kyle's Converter > Mass Flow > Pounds Per Minute > Pounds Per Minute to Grains Per Second
Pounds Per Minute (lbm/min).64 = Grains Per Second (gr/s) =74.67
I'll get back to you later today if my truck will run, almost never got it home last night, it was missing so bad. I ordered one of those $20 MAF sensor probably made in China. I think that part should be in on Mar. 5th, it's coming from Calif. .
Was this
answer
helpful?
Yes
No
Saturday, February 29th, 2020 AT 5:08 AM
Tiny
JACOBANDNICKOLAS
  • MECHANIC
  • 110,192 POSTS
Hi,

G/S stands for grams per second. At idle, it should be around 5. If your conversion is correct, (74.67), that is way off.

Joe
Was this
answer
helpful?
Yes
No
Saturday, February 29th, 2020 AT 5:27 PM
Tiny
UHSNOEBIRD
  • MEMBER
  • 342 POSTS
Joe, that lb/m.64 was at idle, not at 2,500 rpm like you wanted me to have the rpm's. When I had the truck at 2,500 rpm's the MAF was 1.48 lb/m = g/s 11.18861179333 from the conversion chart.
Was this
answer
helpful?
Yes
No
Saturday, February 29th, 2020 AT 6:42 PM

Please login or register to post a reply.