Alternator charging light turns on?

Tiny
JACOBANDNICKOLAS
  • MECHANIC
  • 110,194 POSTS
Hi,

Was there power to the new brake light switch from where you rewired?

Joe
Was this
answer
helpful?
Yes
No
Thursday, September 3rd, 2020 AT 6:25 PM (Merged)
Tiny
ZACKMAN
  • MECHANIC
  • 4,202 POSTS
While I understand that you have replaced the alternator, you should check the entire system to make sure that the ENTIRE system is working properly. The diagnostic is meant for use with GM scan tool, but you can do some of them yourself. Start by checking if the new alternator is working properly. You may have an intermittent problem, that can be a result of poor connection from the alternator and the PCM. The best way to check the entire system is to bring the vehicle to an auto parts store and have them test the entire electrical system. If the test comes back good, and you still have the intermittent problem, you have poor/damage connection.
Was this
answer
helpful?
Yes
No
Thursday, September 3rd, 2020 AT 6:25 PM (Merged)
Tiny
ANGEL LONG
  • MEMBER
  • 17 POSTS
Hello again Joe,

We haven't checked that out just yet. We plan to install the knock sensors Sunday. I'll update after. Side note: I truly appreciate you taking the time to help with this. I realize I haven't been very gracious thus far, but sounding ideas off with you has helped matters exponentially. Thank you.
Was this
answer
helpful?
Yes
No
Thursday, September 3rd, 2020 AT 6:25 PM (Merged)
Tiny
JACOBANDNICKOLAS
  • MECHANIC
  • 110,194 POSTS
No problem whatsoever! And you are welcome. I just hope I can help. Let me know when you get the chance to check power to the switch.

Take care,

Joe
Was this
answer
helpful?
Yes
No
+1
Thursday, September 3rd, 2020 AT 6:25 PM (Merged)
Tiny
ANGEL LONG
  • MEMBER
  • 17 POSTS
Howdy Joe,

I asked my mechanic friend how we could check to see if the brake light switch is getting power to it and he said I'd need a tester. I've ordered an AC/DC/Ohm reader. It should arrive by Friday. If you have any ideas on how I might figure this out in the meantime I'd sure appreciate your input as I don't believe my mechanic friend is tech/electrical savvy. Don't get me wrong. He's brilliant. That's just not his area of expertise.
Was this
answer
helpful?
Yes
No
Thursday, September 3rd, 2020 AT 6:25 PM (Merged)
Tiny
JACOBANDNICKOLAS
  • MECHANIC
  • 110,194 POSTS
You could use a simple test light to see if power is at the switch. Do you have one?

https://www.2carpros.com/articles/how-to-use-a-test-light-circuit-tester

Let me know.

Joe
Was this
answer
helpful?
Yes
No
Thursday, September 3rd, 2020 AT 6:25 PM (Merged)
Tiny
RWSCHLAF
  • MEMBER
  • 1 POST
  • 2002 CHEVROLET SILVERADO
  • V8
  • 4WD
  • AUTOMATIC
  • 70,000 MILES
The message center flashes a battery picture 2-3 times and then goes out. This happens about every 10 minutes while driving. Battery was replaced and the voltage after setting over night is 12.3-12.4. After start voltage goes up to about 14.4-14.6. Battery terminals are clean and I cleaned the large wire at the back of the alternator. Driving and starting all seem fine.

Thanks for the info. I don't have a scan tool but have ordered one. I also cleaned the connections at the red junction box and reseated the small 4 conductor connector on the alternator. I looked clean. I am monitoring the voltage wit a DVM plugged into the cigarette lighter and after the cleaning, it is working better. I noticed that when the light was blinking (after 2 hours of operation), the voltage dropped to 14.1. I happened to change from Auto 4WD to 2WD and the light went out and voltage came up. It has been working fine after. I will get the codes and let you know. Thanks for the help.

The final update is that all has been working fine for the last several days and no Battery light, voltages are fine and the truck operates fine. I did check for fault codes and none were found. Must have been coincidental with the problem clearing when I changed the 4WD controls. Thanks for your help.
Was this
answer
helpful?
Yes
No
Thursday, September 3rd, 2020 AT 6:25 PM (Merged)
Tiny
JACOBANDNICKOLAS
  • MECHANIC
  • 110,194 POSTS
It sounds like everything is good and working as it should. To diagnose this problem, you will need to drive the vehicle with an on board scanner that will identify why the light is coming on. It could be a faulty regulator.

Let me know if you have other questions.

Joe
Was this
answer
helpful?
Yes
No
Thursday, September 3rd, 2020 AT 6:25 PM (Merged)
Tiny
ANGEL LONG
  • MEMBER
  • 17 POSTS
Long time no speak Joe!

Sorry, I've not replied. I've been put back to work and now have far less time on my hands. I'm still working on the brake light situation. Haven't gotten any further with it thus far, however I did discover something today that blew me away. The EGR valve is gone in my truck! Gone. There is the connector for the O2 sensor and the bolt that holds the valve on, but no valve. I suppose that explains a lot of the original dysfunction that I posted about, huh? Any-who, I also have an issue with the cluster display. The lights only half work and the odometer and speedometer quit working. I changed the fuse and that temporarily fixed it, but the other day my mom was driving and the radio fell out. Ever since then they've not worked. I read that a problem with the cluster is common with these models. The fix that was offered up involved removing the cluster and re-soldering any weak/damaged diodes. I'm hoping that this isn't what my problem is. Although it looks fairly bleak at this point. Could you give me any alternative answers to this problem? As always, I thank you, and appreciate any input you have on the matter.
Was this
answer
helpful?
Yes
No
Thursday, September 3rd, 2020 AT 6:25 PM (Merged)
Tiny
JACOBANDNICKOLAS
  • MECHANIC
  • 110,194 POSTS
Hi,

Welcome back. LOL Are you saying the EGR is removed? That makes no sense. As far as the cluster, I hate to ask, but I need you to start a new thread. We are trying to keep the posts specific to one topic. I hope you understand.

Let me know about the EGR.

Joe
Was this
answer
helpful?
Yes
No
Thursday, September 3rd, 2020 AT 6:25 PM (Merged)
Tiny
ANGEL LONG
  • MEMBER
  • 17 POSTS
Okay. I'll start another thread about the cluster. It's no problem. I understand, lol. But yeah, the EGR has been removed. Observe exhibit A (pic I uploaded). I'm guessing it was removed when the original owner cut the exhaust off at the cab. As you might imagine my truck is supremely loud. I plan to install an exhaust system as soon as I get the other bugs worked out.
Was this
answer
helpful?
Yes
No
Thursday, September 3rd, 2020 AT 6:25 PM (Merged)
Tiny
ANGEL LONG
  • MEMBER
  • 17 POSTS
Forgot to upload exhibit A. Lol
Was this
answer
helpful?
Yes
No
Thursday, September 3rd, 2020 AT 6:25 PM (Merged)
Tiny
JACOBANDNICKOLAS
  • MECHANIC
  • 110,194 POSTS
Hi, Angel,

I'm not sure what I'm looking at in the pic. I see the top of the shock. I attached a pic (exhibit B) LOL of the EGR. Let me know if this is what you are referring to.

Joe
Was this
answer
helpful?
Yes
No
Thursday, September 3rd, 2020 AT 6:25 PM (Merged)
Tiny
ANGEL LONG
  • MEMBER
  • 17 POSTS
Hi Joe,

I'm sorry, I took the wrong pic. I'll upload an exhibit C later when I get the time. I'm beginning to lose hope in my chances of fixing this truck. The worst part is that I still owe on it. Anyway, my mechanic friend installed fuel injectors, fan clutch and did a transmission fluid/filter change and when we started it up after it made a terrible clunking noise like something was trying to fly out of it or came off track and then after that it wouldn't turn over at all. Some of of the injectors weren't properly placed and were leaking fuel. Some of it got in the oil, but that wouldn't have caused it to not turn over right? I sure hope that the motor hasn't stuck. That'd be my luck though. We're thinking it's the starter though since we did have trouble getting it to start before. I sure hope that's the case anyway.
Was this
answer
helpful?
Yes
No
Thursday, September 3rd, 2020 AT 6:25 PM (Merged)
Tiny
JACOBANDNICKOLAS
  • MECHANIC
  • 110,194 POSTS
We'll get it running. Don't worry. Upload exhibit C when you get the chance. Also, the leaking fuel injectors won't cause the engine to lock up. However, how did it get into the oil? Where were they leaking from? Keep in mind, any fuel leak can be dangerous so be careful.

Let me know about the starter. I wish I could have heard what it was doing. I don't know if you need it, but here is a link that shows in general how to replace a starter:

https://www.2carpros.com/articles/how-to-replace-a-starter-motor

Here are the directions specific to your vehicle. The attached pics correlate with the directions.

____________________________

2002 Chevy Truck K 1500 Truck 4WD V8-5.3L VIN T
Starter Motor Replacement -2
Vehicle Starting and Charging Starting System Starter Motor Service and Repair Procedures Starter Motor Replacement -2
STARTER MOTOR REPLACEMENT -2
REMOVAL PROCEDURE

CAUTION: Refer to Battery Disconnect Caution In Service Precautions.

pic 1

1. Disconnect the negative battery cable.
2. Raise and suitably support the vehicle. Refer to Lifting and Jacking the Vehicle.

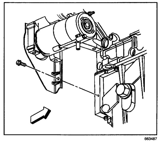
pic 2

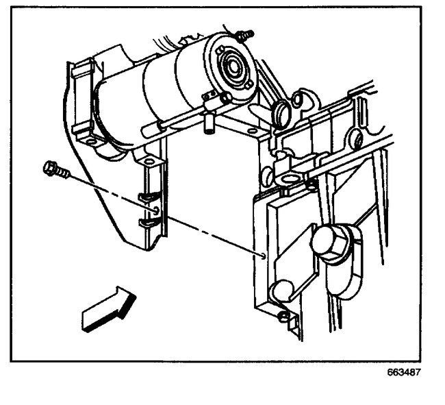
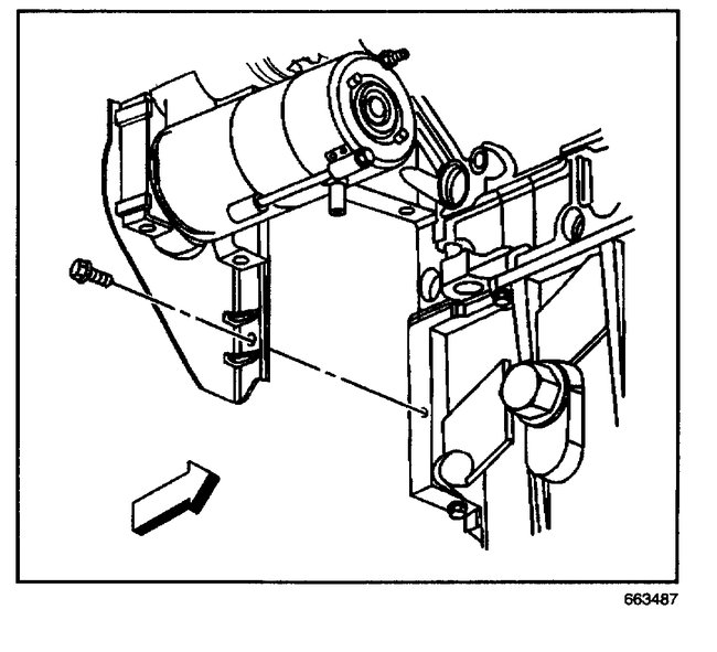
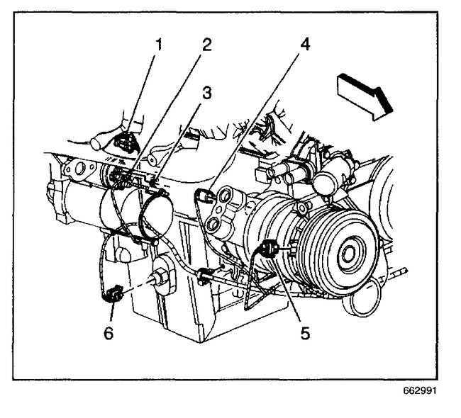
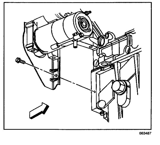
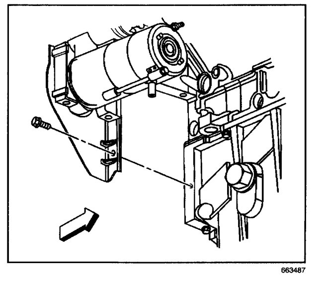
3. Remove the right transmission cover bolt.

pic 3

4. Remove the starter bolts.
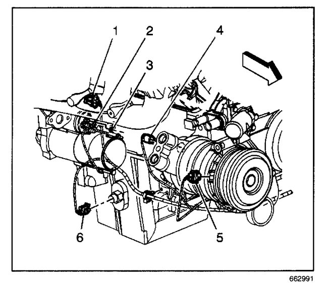
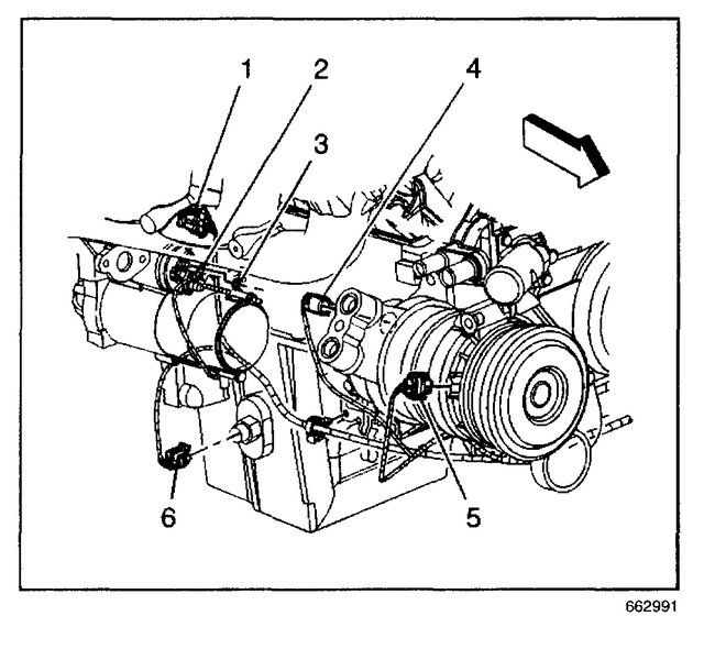
5. Disconnect the oil level sensor electrical connector.
6. Slide the starter forward until the starter clears the transmission.

pic 4

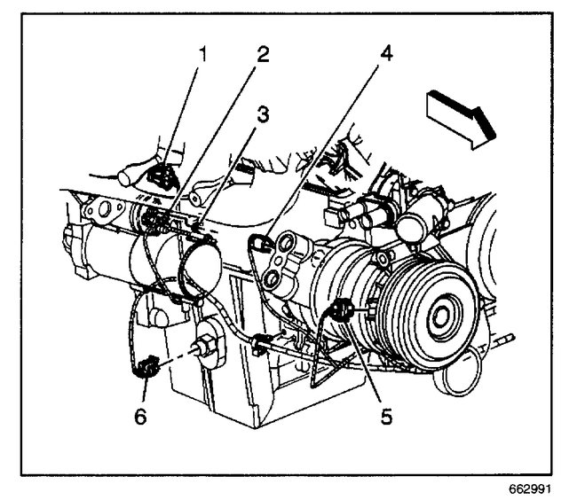
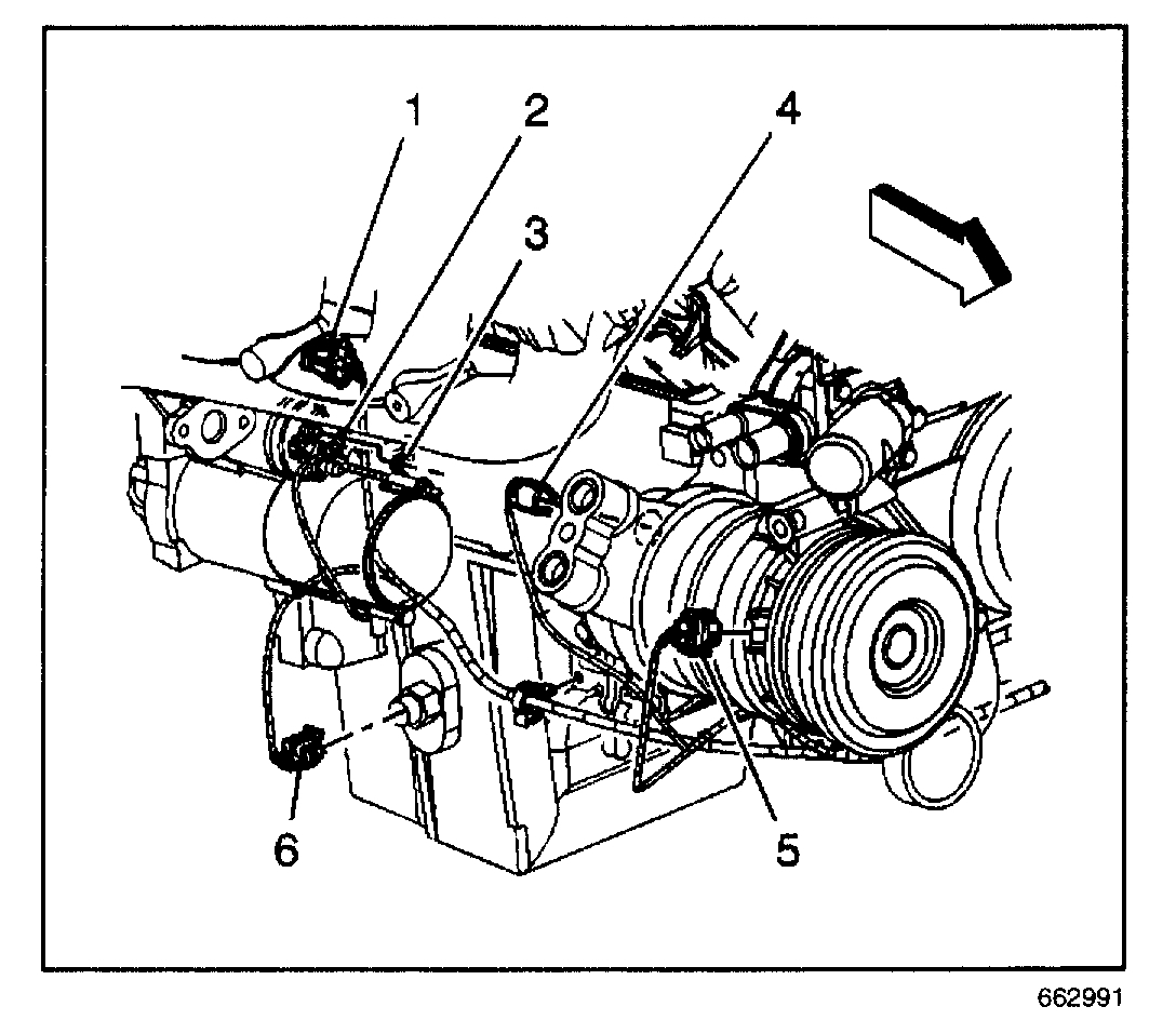
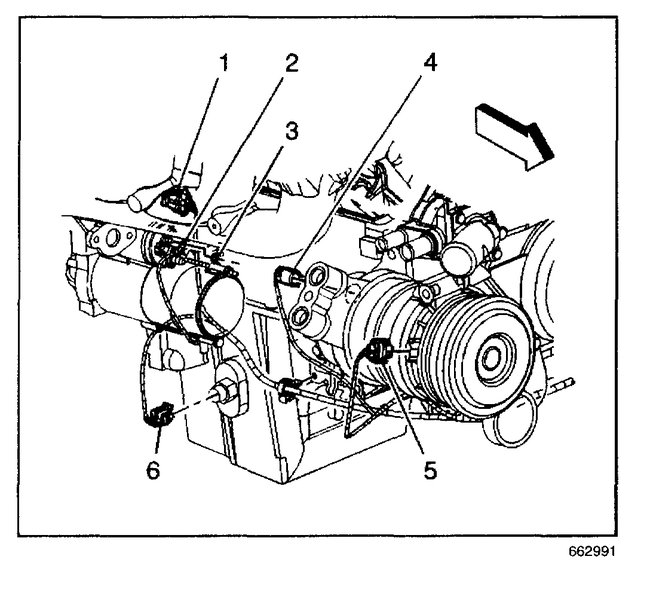
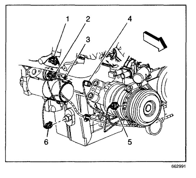
7. Remove the starter solenoid nut (3).
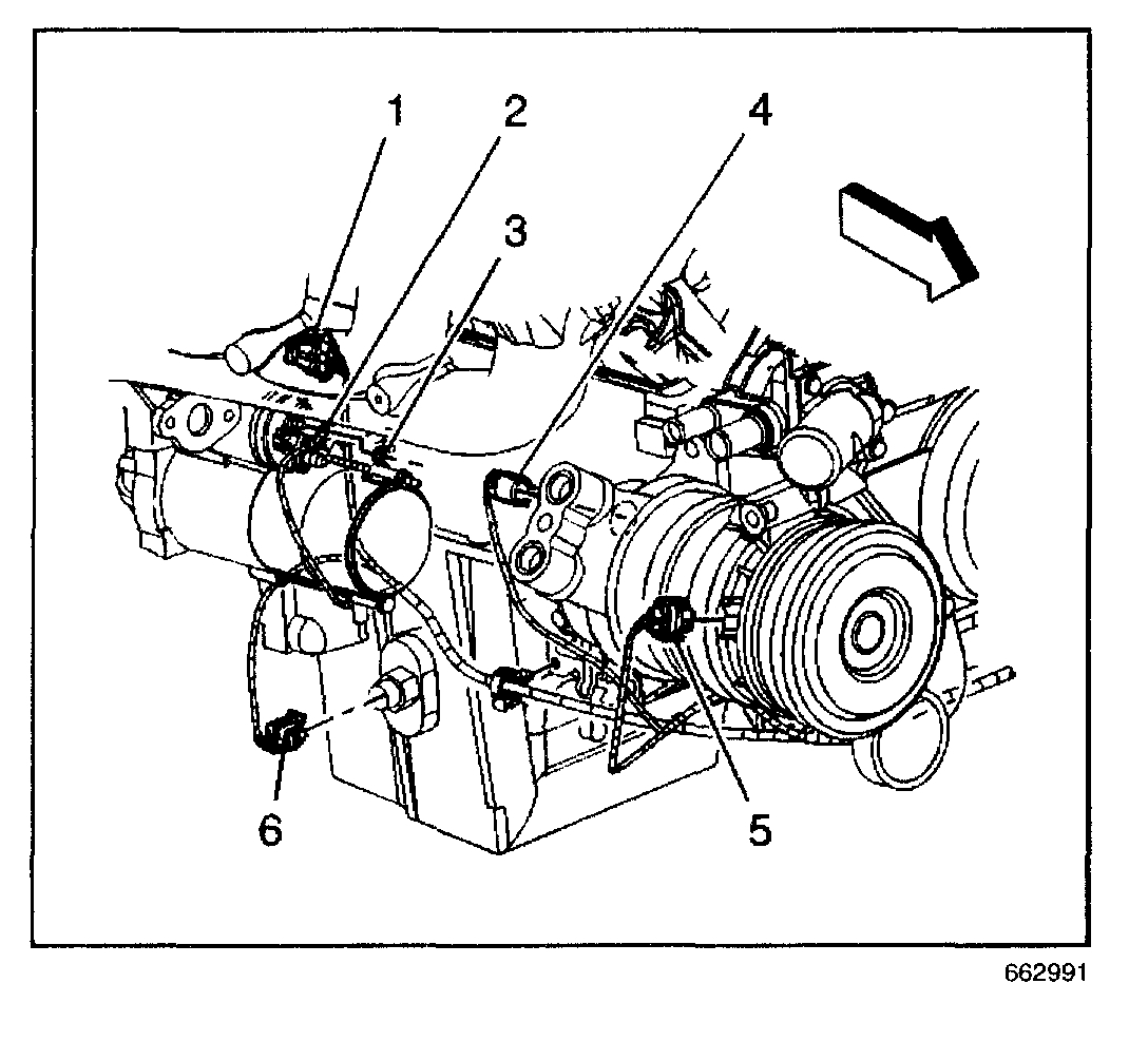
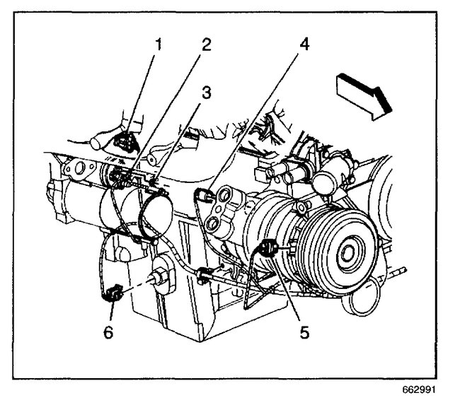
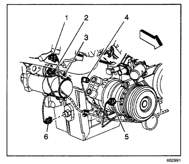
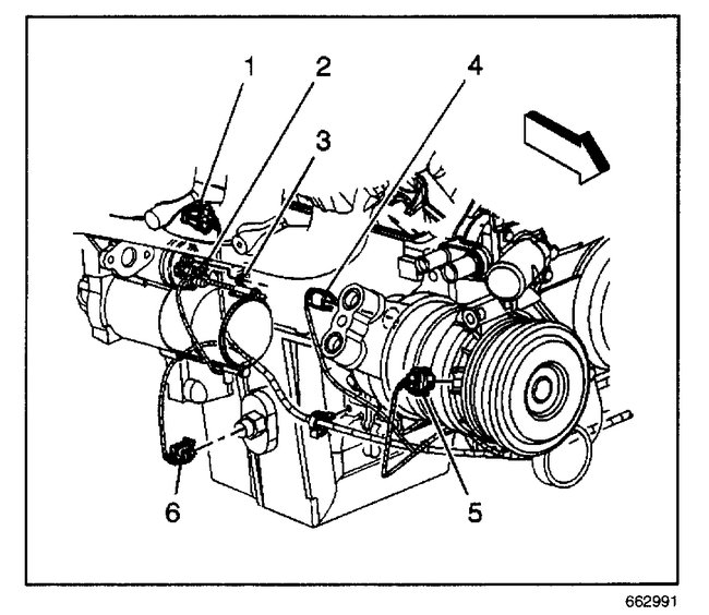
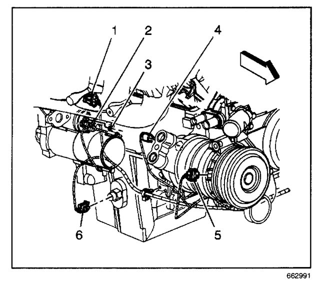
8. Remove the starter lead (2) from the solenoid stud.

pic 5

9. Remove the starter lead nut.
10. Remove the positive cable from the starter stud.
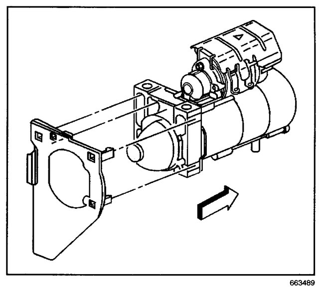
11. Place the starter on a workbench.

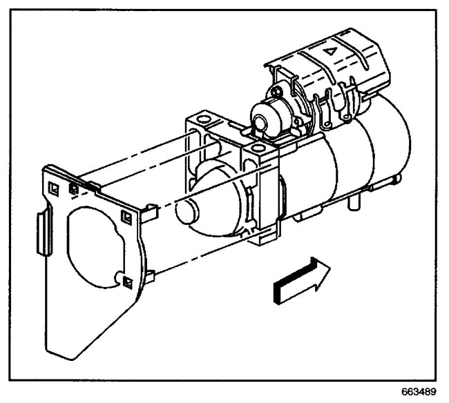
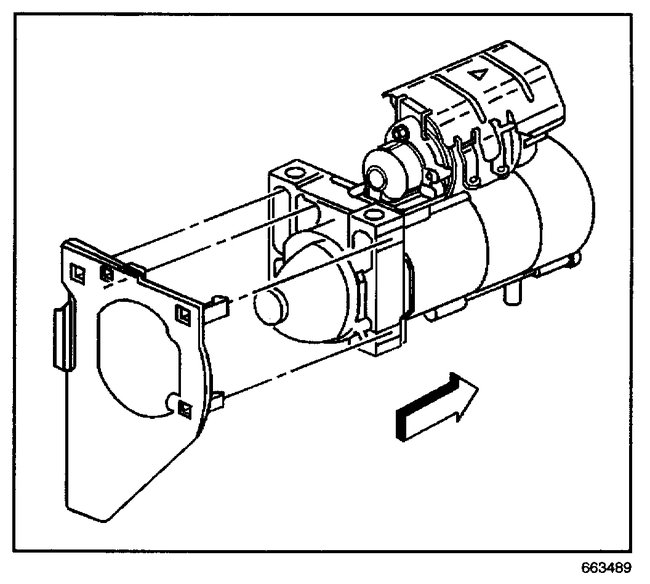
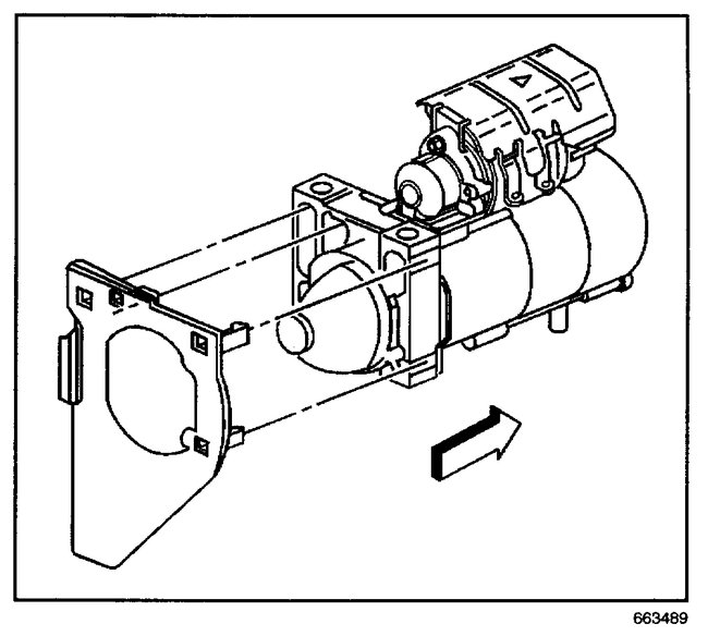
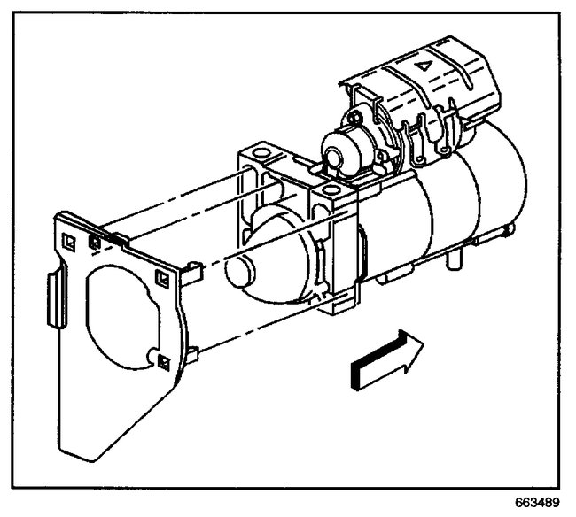
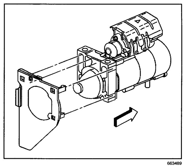
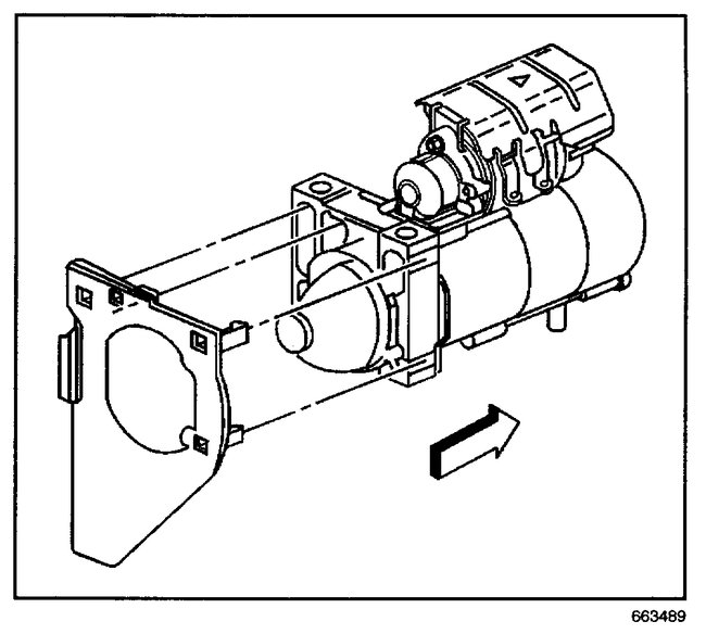
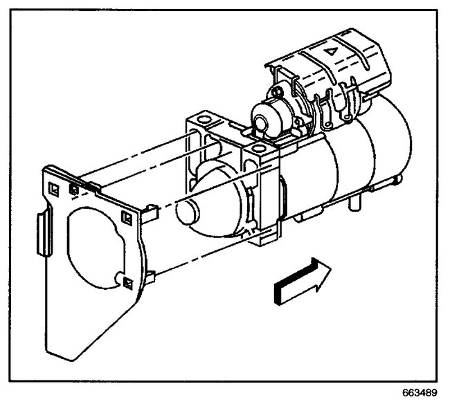
pic 6

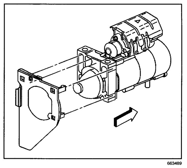
12. Unsnap the transmission cover from the starter.

pic 7

13. If necessary, remove the starter shield.

INSTALLATION PROCEDURE

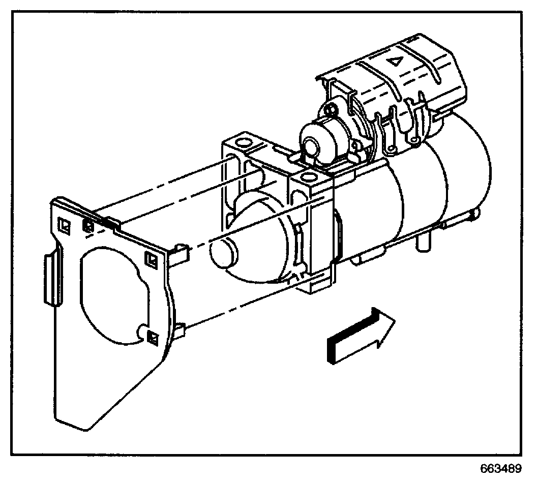
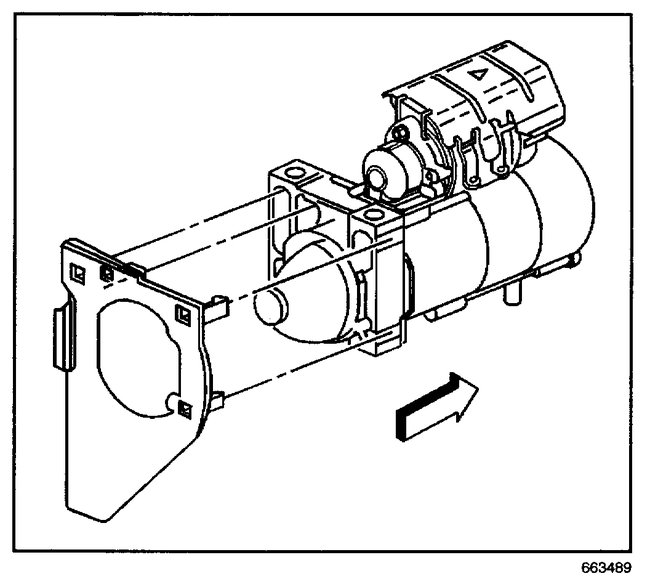
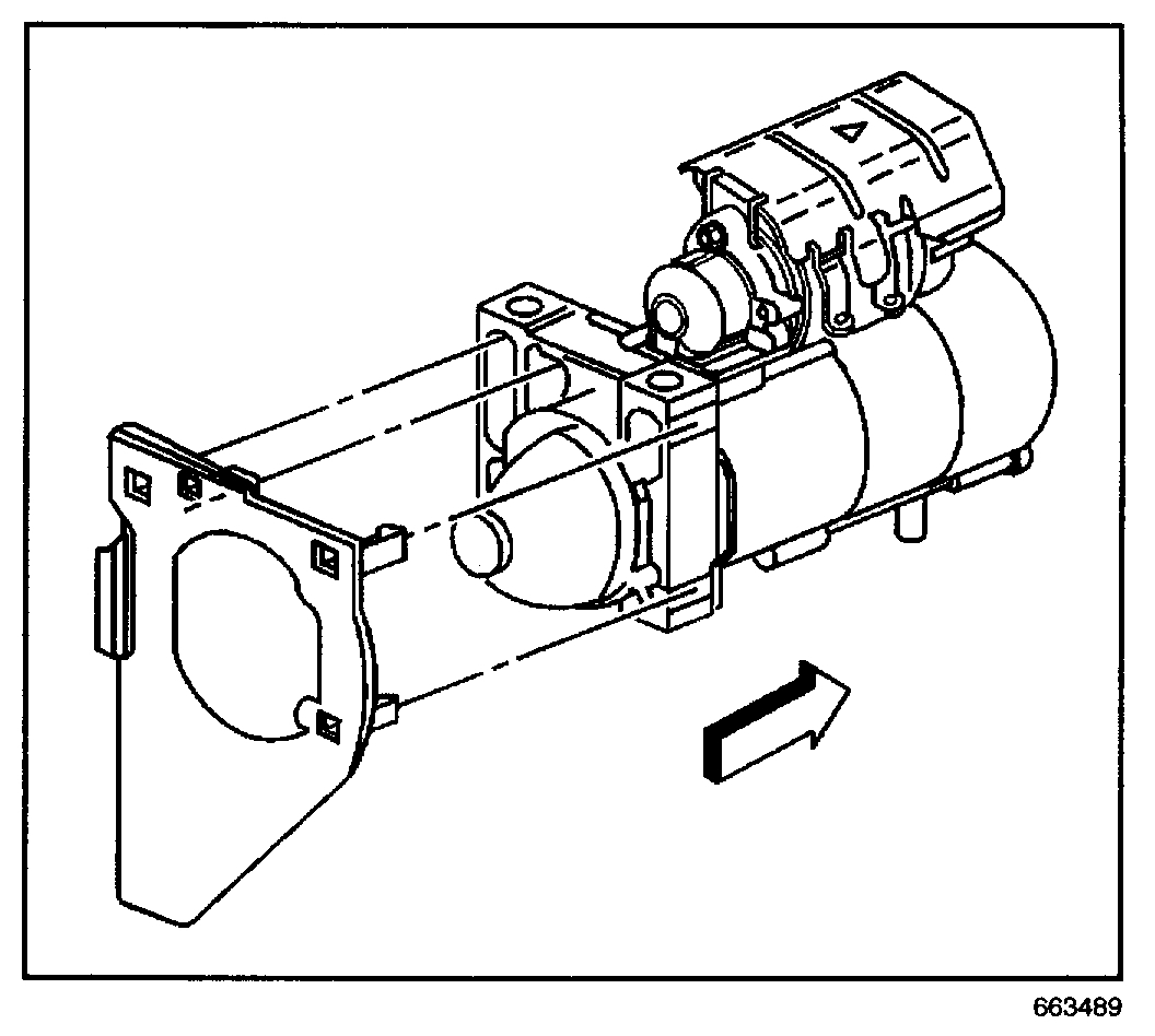
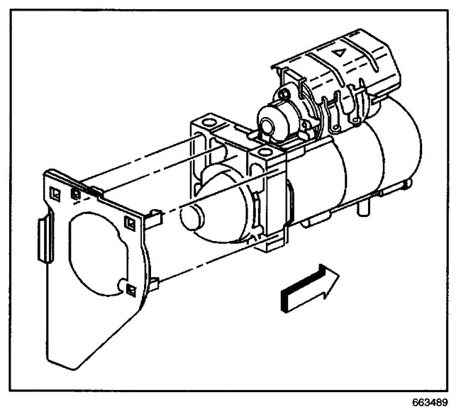
pic 8

1. If necessary, install the starter shield.

pic 9

2. Snap the transmission cover to the starter.

pic 10

3. Install the positive cable to the starter stud.

NOTE: Refer to Fastener Notice in Service Precautions.

4. Install the starter lead nut.

Tighten
Tighten the starter lead nut to 9 N.m (80 lb in).

pic 11

5. Install the starter solenoid lead (2) to the solenoid stud.
6. Install the starter solenoid nut (3).

Tighten
Tighten the starter solenoid nut to 3.4 N.m (30 lb in).

pic 12

7. Snap the transmission cover onto the starter.
8. Slide the starter rearward.
9. Install the starter bolts.

Tighten
Tighten the starter bolts to 50 N.m (37 lb ft).

10. Connect the oil level sensor electrical connector.

pic 13

11. Install the right transmission cover bolt.

Tighten
Tighten the transmission cover bolt to 9 N.m (80 lb in).

12. Lower the vehicle.

pic 14

13. Connect the negative battery cable.

___________________

Keep in touch.

Take care,
Joe

Was this
answer
helpful?
Yes
No
Thursday, September 3rd, 2020 AT 6:25 PM (Merged)

Please login or register to post a reply.