Battery light on?

Tiny
STINGMD
  • MEMBER
  • 2007 CHEVROLET SILVERADO
  • 0.8L
  • V8
  • 4WD
  • AUTOMATIC
  • 70,000 MILES
I have a battery light on I was wondering what I should do?
Monday, November 2nd, 2015 AT 11:13 AM

25 Replies

Tiny
WRENCHTECH
  • MECHANIC
  • 20,761 POSTS
Hello,

It sounds like you have an alternator that needs to be replaced but to be sure here is a guide to confirm the issue with a guide to help walk you through the alternator replacement if needed

https://www.2carpros.com/articles/how-to-check-a-car-alternator

and

https://www.2carpros.com/articles/how-to-replace-an-alternator

Please run down these guides and diagrams and report back.
Was this
answer
helpful?
Yes
No
Monday, November 2nd, 2015 AT 12:19 PM
Tiny
RKAUSTIN
  • MEMBER
  • 2 POSTS
An alternator cost me $102.00 for an AC Delco Unit. I love this site.
Was this
answer
helpful?
Yes
No
Saturday, August 17th, 2019 AT 1:47 PM
Tiny
NACHOSS
  • MEMBER
  • 6 POSTS
  • 2006 CHEVROLET SILVERADO
  • 6.0L
  • V8
  • 2WD
  • AUTOMATIC
  • 140,000 MILES
My truck listed above SS has a battery light on and it is not the alternator or the battery per AutoZone. They load tested and all came back good. What would I need to look at next and are there any tools I will need to test things myself? I read a post that said could be BCM? Could be a fuse? Cluster is newly rebuilt and oil pressure was bad when cluster was put in changed sending unit and gauge reads good now so trying to pin point my problems. Thanks in advance.
Was this
answer
helpful?
Yes
No
+2
Thursday, September 3rd, 2020 AT 6:23 PM (Merged)
Tiny
JACOBANDNICKOLAS
  • MECHANIC
  • 110,192 POSTS
Hi,

Is the alternator charging the battery? Do me a favor. Try this simple test to confirm charging. All you need is a multi meter or volt meter.

https://www.2carpros.com/articles/how-to-check-a-car-alternator

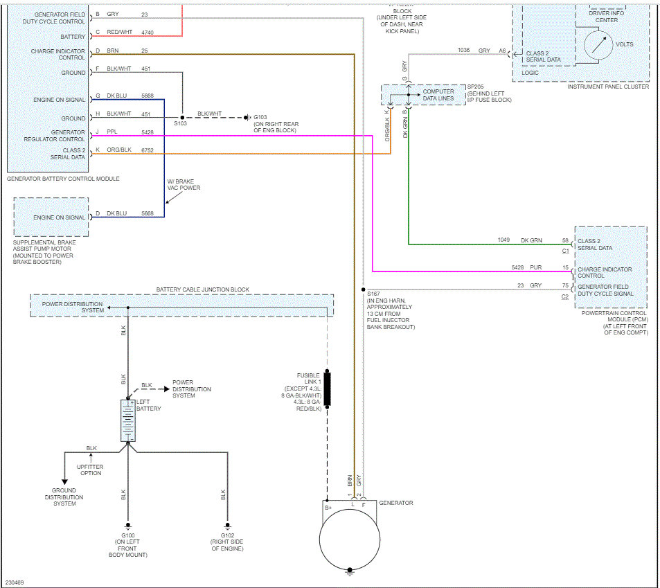
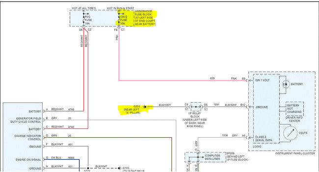
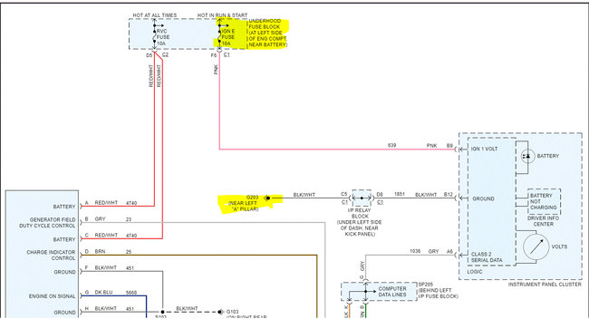
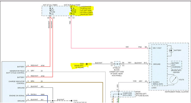
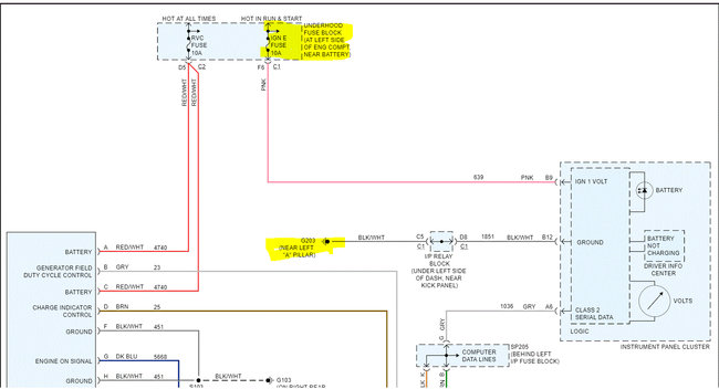
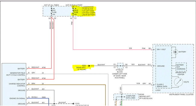
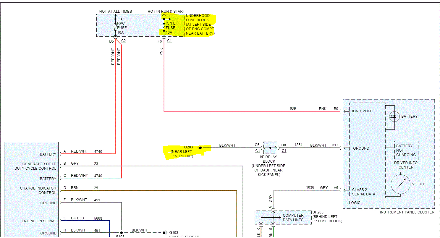
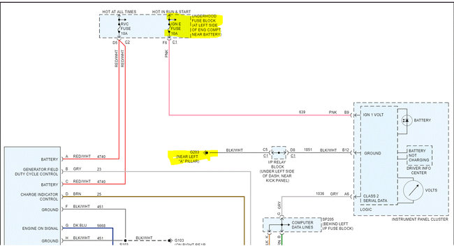
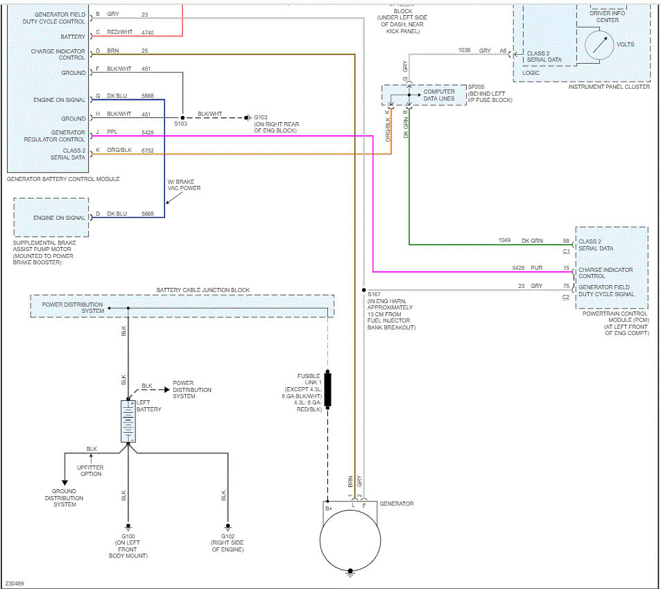
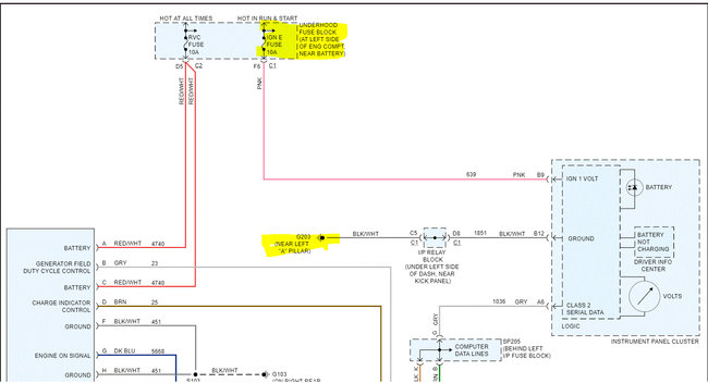
With the engine off, you should be right around 12v at the battery. With it running it should be near 14v. If it is charging, then there are a few things to check. I attached two pics below of the charging system. In the first pic, I highlighted a fuse to check and also a ground.

Do that first and let me know what you find.

Joe

Was this
answer
helpful?
Yes
No
+1
Thursday, September 3rd, 2020 AT 6:23 PM (Merged)
Tiny
NACHOSS
  • MEMBER
  • 6 POSTS
Vehicle off voltage is between 12.6 and 13. Vehicle on is around 14.4. AC on stereo on vehicle is around 15 volts. Fuse you highlighted is good I don’t see the ground wire or relay under dash next to kick panel going toward a pillar.
Was this
answer
helpful?
Yes
No
+1
Thursday, September 3rd, 2020 AT 6:23 PM (Merged)
Tiny
NACHOSS
  • MEMBER
  • 6 POSTS
Oh, and voltage stays the same when idle is around 1,500 forgot to put that in there.
Was this
answer
helpful?
Yes
No
+1
Thursday, September 3rd, 2020 AT 6:23 PM (Merged)
Tiny
JACOBANDNICKOLAS
  • MECHANIC
  • 110,192 POSTS
Are you able to check for power to the pink wire going to the instrument cluster. We could have a bad connection or damaged wire. I'm asking this because if the fuse is good, the next think to check is if power is making it to the IPC.

Let me know.
Joe
Was this
answer
helpful?
Yes
No
+2
Thursday, September 3rd, 2020 AT 6:23 PM (Merged)
Tiny
NACHOSS
  • MEMBER
  • 6 POSTS
I apologize for the long hiatus just finally got time to do this. I checked the pink wire at the connector to the cluster with key on and I get 12.23 volts. Truck running I get just over 14, like 14.10.
Was this
answer
helpful?
Yes
No
+1
Thursday, September 3rd, 2020 AT 6:23 PM (Merged)
Tiny
JACOBANDNICKOLAS
  • MECHANIC
  • 110,192 POSTS
Okay, can you check for ground to the black wire. Basically check for continuity to ground. If there is ground, I suspect something has failed in the cluster.
Was this
answer
helpful?
Yes
No
+1
Thursday, September 3rd, 2020 AT 6:23 PM (Merged)
Tiny
NACHOSS
  • MEMBER
  • 6 POSTS
Stupid question, which black wire?
Was this
answer
helpful?
Yes
No
+1
Thursday, September 3rd, 2020 AT 6:23 PM (Merged)
Tiny
NACHOSS
  • MEMBER
  • 6 POSTS
There is a black wire with a white stripe when I test that one I get a -0.03. The all black ground under it I test that wire and get a -0.06.
Was this
answer
helpful?
Yes
No
+1
Thursday, September 3rd, 2020 AT 6:23 PM (Merged)
Tiny
RWLUFKIN
  • MEMBER
  • 1 POST
  • 2006 CHEVROLET SILVERADO
  • 6 CYL
  • 2WD
  • AUTOMATIC
  • 180,000 MILES
My Alternator went out while on my way to work. The Battery light come on solid as it should have. But after my mechanic replaced the defective Alternator now the Battery light flashes on and off while driving and then goes solid. I had the Battery replaced and the Battery light still flashes and then goes solid. The voltage is 14.1. No fault codes. Any solutions to this problem. Thanks, Robert W.
Was this
answer
helpful?
Yes
No
-1
Thursday, September 3rd, 2020 AT 6:23 PM (Merged)
Tiny
MERLIN2021
  • MECHANIC
  • 17,250 POSTS
My thought is either corrosion on the battery cables, especially the negative, check for voltage drop on the both cables. Shut off the truck. Measure battery voltage, then measure the negative cable at the block and + battery post, if not the same as battery voltage replace the cable, do the same on positive cable but touch _ post, readings should be battery voltage. If OK re check connection to alternator, and check small ground spur wire to the fender if you have one. Also when you say no codes, did you scan it with a tool capable of reading B and U codes? Or with a generic tool for P codes? B and U codes cant be read with generic tools and do not set the service engine light. This truck has a generator battery control module that monitors the charging system. And the first step is ALWAYS to scan.
Was this
answer
helpful?
Yes
No
Thursday, September 3rd, 2020 AT 6:23 PM (Merged)
Tiny
JACOBANDNICKOLAS
  • MECHANIC
  • 110,192 POSTS
It is the black/white one. Disconnect the battery when checking for continuity. Power is showing negative, so somehow the battery polarity is getting reversed. It is likely because the battery is connected.
Was this
answer
helpful?
Yes
No
+2
Thursday, September 3rd, 2020 AT 6:23 PM (Merged)
Tiny
JOHN WILKINSON
  • MEMBER
  • 1 POST
  • 2006 CHEVROLET SILVERADO
  • 5.3L
  • V8
  • 4WD
  • AUTOMATIC
  • 250,000 MILES
Started truck after work and barely turned over. Drove fine on the way home. Got home did not have enough charge to turn over. Jump started. Checked voltage while running. Was between 13-14 volts. Replaced battery. Everything worked great. One week later battery light comes on but everything is working fine. Tested alternator 13.70v same result under load with lights and A/C. I did test for A/C voltage and got 0.033. Your video said to test for that. Is that enough to need a replacement? I thought maybe that is what killed my last battery.
Was this
answer
helpful?
Yes
No
Thursday, September 3rd, 2020 AT 6:23 PM (Merged)
Tiny
KASEKENNY
  • MECHANIC
  • 18,907 POSTS
Hi,

I assume you are talking about the diode test when you got .033 volts AC at 1200 RPM?

If that is the case, then yes a diode has failed and you need to replace the alternator. This will cause your battery to fail and a new battery on a bad alternator would last about a week depending on the load and use.

The battery light simply means there is not sufficient voltage present so it is normally the battery or alternator so I think you have enough to feel confident that the alternator will fix this.

https://www.2carpros.com/articles/how-to-check-a-car-alternator

Let me know if you have questions. Thanks
Was this
answer
helpful?
Yes
No
+1
Thursday, September 3rd, 2020 AT 6:23 PM (Merged)
Tiny
2CP-ARCHIVES
  • MEMBER
  • 4,540 POSTS
  • 2005 CHEVROLET SILVERADO
  • 111,736 MILES
For the past year my red battery light comes on sometimes when I drive.
Mostly during the daytime. When I stop a restart the motor it goes out sometime the rest or the day and sometime get come back on in a few miles. I have had the alternator check several times by serval people and they say its OK. It's only gone dead one time and that was in the beginning about a year or so ago I need help

Ray
Was this
answer
helpful?
Yes
No
Thursday, September 3rd, 2020 AT 6:23 PM (Merged)
Tiny
CARADIODOC
  • MECHANIC
  • 34,463 POSTS
The charging system has to be tested while the light is on and the problem is occurring, otherwise, of course it will test okay. GM has WAY more trouble with their generators than anyone else, but intermittent problems are not common. Usually they just fail. When they do, to prevent a lot of repeat problems, replace the battery at the same time unless it is less than about two years old.
Was this
answer
helpful?
Yes
No
+1
Thursday, September 3rd, 2020 AT 6:23 PM (Merged)
Tiny
PANDA71
  • MEMBER
  • 1 POST
  • 2005 CHEVROLET SILVERADO
  • V8
  • 2WD
  • AUTOMATIC
  • 27,000 MILES
My battery light stays on what could it be. Truck runs fine no other problems
Was this
answer
helpful?
Yes
No
+1
Thursday, September 3rd, 2020 AT 6:23 PM (Merged)
Tiny
BLUELIGHTNIN6
  • MECHANIC
  • 16,542 POSTS
The battery light usually indicates a problem with the charging system. You need to have your battery and alternator tested. Most auto part stores such as AutoZone or Advance Auto Parts will test them for free, on or off of the vehicle.

If both test good then check the battery terminals and cables for corrosion and ensure they are tightened properly.

This guide can help

https://www.2carpros.com/articles/everything-goes-dead-when-engine-is-cranked

Thanks for using 2carpros.com!
Was this
answer
helpful?
Yes
No
+2
Thursday, September 3rd, 2020 AT 6:23 PM (Merged)

Please login or register to post a reply.