Alternator fuse keeps blowing

Tiny
DOUGIEP15
  • MEMBER
  • 13 POSTS
Used a test light on my starter solenoid not sure if that plays a factor.
Was this
answer
helpful?
Yes
No
Friday, November 6th, 2020 AT 5:55 PM
Tiny
KASEKENNY
  • MECHANIC
  • 18,907 POSTS
Just to jump in and answer that question. It appears that is the control wire on the starter. You should only have 12 volts on that when you are cranking the engine. So if you were not cranking the engine when you tested with with your test light then it would not light up.
Was this
answer
helpful?
Yes
No
Friday, November 6th, 2020 AT 6:11 PM
Tiny
DOUGIEP15
  • MEMBER
  • 13 POSTS
Thanks for the response, in regards to the picture I posted, I was not cranking the engine.
Was this
answer
helpful?
Yes
No
Friday, November 6th, 2020 AT 6:22 PM
Tiny
JACOBANDNICKOLAS
  • MECHANIC
  • 110,189 POSTS
Hi,

That wire only gets 12v when the key is in the start position. So what you found is normal. Have you checked the connection at the alternator? If you have and it's good, remove the alternator and have it bench tested at a parts store. Most will do it for free.

Again, since the fuse only blows when the alternator is connected, then it is most likely the alternator or the connector.

Let me know.
Joe
Was this
answer
helpful?
Yes
No
Friday, November 6th, 2020 AT 6:26 PM
Tiny
DOUGIEP15
  • MEMBER
  • 13 POSTS
Not sure if this would cause the alternator fuse to keep blowing. I followed the cord from what you see in the picture all the way up to the instrument cluster.
Was this
answer
helpful?
Yes
No
Saturday, November 7th, 2020 AT 3:34 PM
Tiny
JACOBANDNICKOLAS
  • MECHANIC
  • 110,189 POSTS
What wire is that in pic 1? Where does it go? That certainly needs attention.

Let me know.
Joe
Was this
answer
helpful?
Yes
No
Saturday, November 7th, 2020 AT 3:39 PM
Tiny
DOUGIEP15
  • MEMBER
  • 13 POSTS
Hey Joe, that burnt wire leads up into the instrument cluster.
Was this
answer
helpful?
Yes
No
Saturday, November 7th, 2020 AT 3:42 PM
Tiny
JACOBANDNICKOLAS
  • MECHANIC
  • 110,189 POSTS
If you shield it, does the fuse still blow?
Was this
answer
helpful?
Yes
No
Saturday, November 7th, 2020 AT 3:45 PM
Tiny
DOUGIEP15
  • MEMBER
  • 13 POSTS
Going to try right now.
Was this
answer
helpful?
Yes
No
Saturday, November 7th, 2020 AT 4:06 PM
Tiny
DOUGIEP15
  • MEMBER
  • 13 POSTS
Still blows when I shield it.
Was this
answer
helpful?
Yes
No
Saturday, November 7th, 2020 AT 4:26 PM
Tiny
JACOBANDNICKOLAS
  • MECHANIC
  • 110,189 POSTS
I was hoping that was the issue. However, it needs repaired regardless.

Have you checked at the alternator (plug) or had the alternator itself bench tested?
Was this
answer
helpful?
Yes
No
Saturday, November 7th, 2020 AT 4:45 PM
Tiny
DOUGIEP15
  • MEMBER
  • 13 POSTS
Took the wires that go from the starter solenoid to the alternator apart and inspected. Everything seems fine but haven’t gotten it bench tested yet.
Was this
answer
helpful?
Yes
No
Saturday, November 7th, 2020 AT 8:18 PM
Tiny
JACOBANDNICKOLAS
  • MECHANIC
  • 110,189 POSTS
Hi,

I'm more interested in the yellow wire between the fuse and the alternator. Have you inspected it along with the connector?

Let me know.
Joe
Was this
answer
helpful?
Yes
No
Sunday, November 8th, 2020 AT 4:12 PM
Tiny
DOUGIEP15
  • MEMBER
  • 13 POSTS
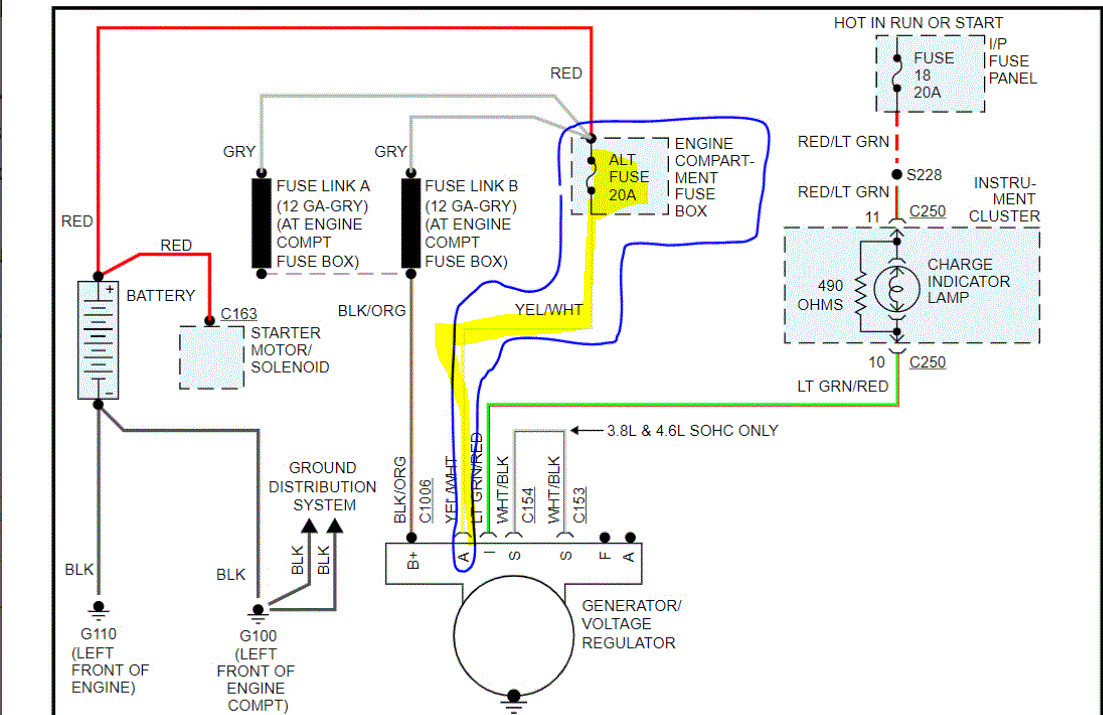
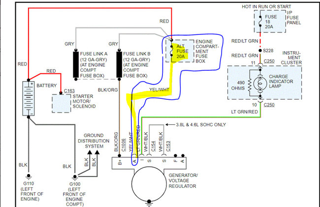
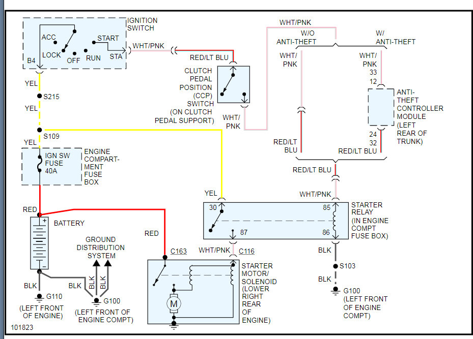
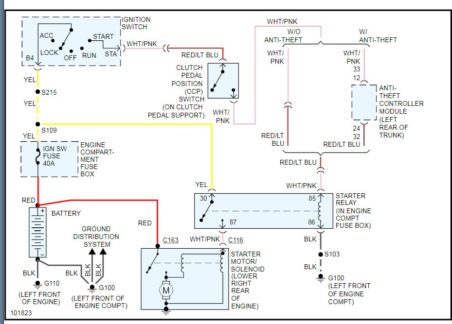
This is the diagram for my 2003 Ford F-150, I’m bringing my alternator to do bench test tomorrow after work.
Was this
answer
helpful?
Yes
No
Sunday, November 8th, 2020 AT 6:04 PM
Tiny
JACOBANDNICKOLAS
  • MECHANIC
  • 110,189 POSTS
Hi,

Sounds like a plan. Let me know what you find. Also, when looking at your schematic, it's a bit blurry. However, it looks the same. Is there something different you are seeing?

Joe
Was this
answer
helpful?
Yes
No
Sunday, November 8th, 2020 AT 7:26 PM
Tiny
DOUGIEP15
  • MEMBER
  • 13 POSTS
Hey, just wanted to thank you for your time. I got my alternator bench tested and it was fried. Got a new one put the fuse in good to go.
Was this
answer
helpful?
Yes
No
+1
Thursday, November 12th, 2020 AT 3:13 PM
Tiny
JACOBANDNICKOLAS
  • MECHANIC
  • 110,189 POSTS
Hi,

You are very welcome. I had a feeling it was either the connector at the alternator or the alternator itself. Regardless, good job. I'm glad you got it working again.

Please feel free to come back anytime in the future. You are always welcome.

Take good care of yourself,

Joe
Was this
answer
helpful?
Yes
No
+2
Thursday, November 12th, 2020 AT 6:44 PM

Please login or register to post a reply.