Alternator fuse keeps blowing

1998 FORD MUSTANG
125,000 MILES • 4.6L • V8 • 2WD • MANUAL
Avatar
BRIDGES77
  • MEMBER
  • 35 POSTS
My battery light came on and the next day or 2 it shut off on me at a light. Replaced the alternator and battery. Also replaced the pig tail going to the alternator it was brittle and loose. Fuse wouldn’t blow right away. Now it blows when I put the fuse in. I have a diagram for the charging system, can you tell me the color wires and where they could be shorted? Can the short be on another circuit affecting this too? Thanks
Mar 2, 2020 at 4:31 PM
Advertisement
Repair Safety Notice: This information is for general instructional purposes only. Vehicle repair can be dangerous. Verify all information, follow manufacturer service procedures, use proper tools and safety equipment, and consult a qualified repair shop when needed.
Avatar
JACOBANDNICKOLAS
  • AUTOMOTIVE REPAIR CONTRIBUTOR
  • 110,190 POSTS
Hi,

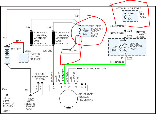
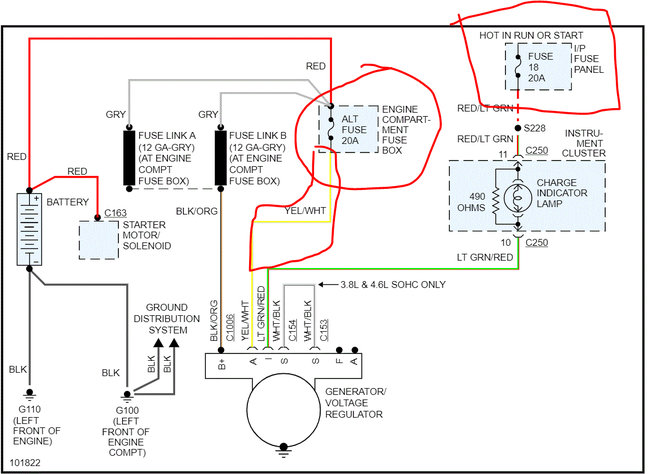
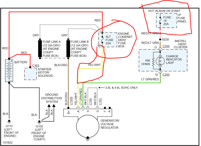
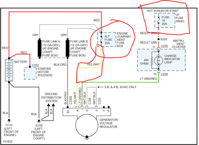
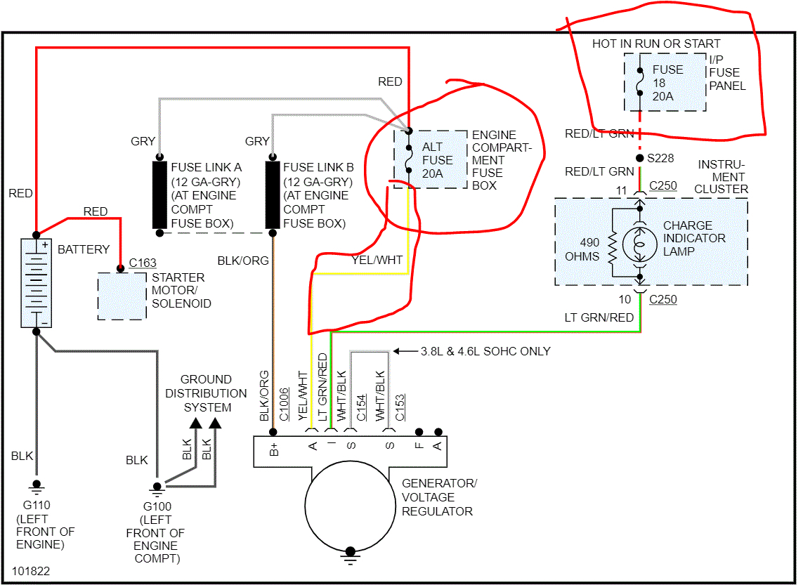
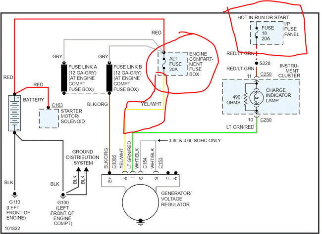
I want to confirm which fuse is blowing. I assume it is the 20 ALT fuse. If I am correct, disconnect the battery and check to see if there is continuity to ground from the yellow/white wire at the alt. (See pic 1) I attached what I have as far as a schematic as well.

Here are a few links you may find helpful:

https://www.2carpros.com/articles/how-to-use-a-test-light-circuit-tester

https://www.2carpros.com/articles/how-to-use-a-voltmeter

https://www.2carpros.com/articles/how-to-check-wiring

If it is blowing as soon as you put the fuse in, there is a dead short to ground. So, confirm none of the pins in the new connector are damaged. I suspect the yellow/white wire is toughing a ground point.

Let me know.

Joe

Mar 2, 2020 at 6:33 PM
Avatar
BRIDGES77
  • MEMBER
  • 35 POSTS
Yes. That is the correct fuse, I will run the tests you gave me and report back. Thanks again for your time.
Mar 3, 2020 at 4:55 AM
Advertisement
Avatar
JACOBANDNICKOLAS
  • AUTOMOTIVE REPAIR CONTRIBUTOR
  • 110,190 POSTS
You are very welcome. Let me know what you find. Since it is blowing the fuse immediately, I suspect there is a short in that wire or internal in the alternator. You could disconnect that wire from the alt to see if it still blows if you suspect it is internal.

Let me know.
Joe
Mar 3, 2020 at 6:43 PM
Avatar
BRIDGES77
  • MEMBER
  • 35 POSTS
It only blows when I hook the pig tail to the alternator. My helper seen a flash inside the alternator just before the fuse blew. Is there anything that can make the alternator go bad? This is my second one.
Mar 4, 2020 at 1:00 PM
Advertisement
Avatar
KENW1
  • AUTOMOTIVE REPAIR CONTRIBUTOR
  • 213 POSTS
Thanks for visiting 2CarPros.

Yes, the alternator can short internally and cause this. It is not uncommon if these are re-manufactured units. I would also suggest replacing the pigtail to the alternator if you haven't already. The new ones usually come with the pigtail.
Mar 4, 2020 at 5:59 PM
Avatar
JACOBANDNICKOLAS
  • AUTOMOTIVE REPAIR CONTRIBUTOR
  • 110,190 POSTS
Something is shorted internally. If this is a remanufactured alt, get a different brand. I always get a new one. It doesn't have to be an OEM alt, but I never have luck with the remanufactured ones. Was this replacement remanufactured?

_____________________________
Here is a link that explains removal and replacement in general

https://www.2carpros.com/articles/how-to-replace-an-alternator

________________________________

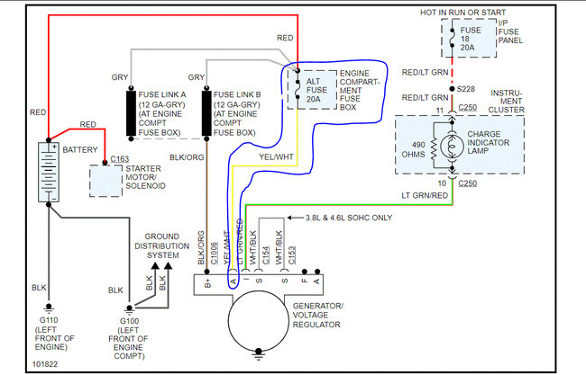
Directions from alldata / Pic 1 correlates with the directions.


REMOVAL
1. Disconnect battery ground cable.
2. Disconnect the wire harness attachments to the generator (GEN) and voltage regulator.
3. Disengage the generator drive belt from the generator pulley.
4. Remove retaining bolts and generator mounting bracket.
5. Remove the mounting bolts and the generator.

INSTALLATION
1. Position the generator on the engine.
2. Install the generator mounting bolts. Tighten bolts to 20-30 N.m (15-22 lb-ft.).
3. Install generator mounting bracket and retaining bolts. Tighten bolts to 8-12 N.m (71-106 lb-in).
4. Install the drive belt over the generator pulley.
5. Connect the voltage regulator wiring and output wire to the generator and voltage regulator. Tighten output terminal nut to 7-9 N.m (62-79 lb-in).
6. Connect battery ground cable.

_________________________

If he saw the short in the alternator, something has failed. Remove the alt and have it bench tested at the parts store. If it is bad (and I believe it is), get a different brand and if possible, stay away from the remanufactured ones.

Let me know if this takes care of the problem.

Take care,
Joe
Mar 4, 2020 at 6:01 PM
Avatar
BRIDGES77
  • MEMBER
  • 35 POSTS
Okay, thanks. I will have it tested today. The first alternator was a brand new unit, it failed so I bought a re-manufactured one, so if I followed my yellow/white wire and found no shorts, or breaks in the wire, this has to point to a bad alternator correct? What else could cause the alt to die if everything else is working properly? Thanks again, you guys are great!
Mar 5, 2020 at 2:50 AM
Avatar
JACOBANDNICKOLAS
  • AUTOMOTIVE REPAIR CONTRIBUTOR
  • 110,190 POSTS
I say it is the alternator. Something internal may have come apart causing a direct short to ground. Since your friend saw a spark in the alternator, that is most likely where the problem is located.

Let me know the results of the bench test.

Joe
Mar 5, 2020 at 5:32 PM
Avatar
BRIDGES77
  • MEMBER
  • 35 POSTS
It failed the bench test and I bought a high output brand new alternator. Put it in and it is fixed. So word to the wise just because you buy a new part from the parts store doesn’t mean it’s good. :( but thank you guys for all the help, you are the best!
Mar 5, 2020 at 5:35 PM
Avatar
JACOBANDNICKOLAS
  • AUTOMOTIVE REPAIR CONTRIBUTOR
  • 110,190 POSTS
You are very welcome and I couldn't agree more with you. New parts are bad more often than people know. When it comes to electronics, such as this, it is a good idea to spend a couple more dollars and get something good.

Take care of yourself and let us know if you need help in the future.

Joe
Mar 5, 2020 at 6:47 PM
Avatar
BRIDGES77
  • MEMBER
  • 35 POSTS
I definitely will, thanks again.
Mar 6, 2020 at 4:29 AM
Avatar
JACOBANDNICKOLAS
  • AUTOMOTIVE REPAIR CONTRIBUTOR
  • 110,190 POSTS
Happy to help.
Mar 6, 2020 at 10:25 PM
Avatar
DOUGIEP15
  • MEMBER
  • 13 POSTS
i'm having the same problem right now. i have a new alternator and new battery, the 20A fuse keeps blowing as soon as it touches.
Nov 2, 2020 at 5:36 PM
Avatar
JACOBANDNICKOLAS
  • AUTOMOTIVE REPAIR CONTRIBUTOR
  • 110,190 POSTS
Hi,

Disconnect the alternator (make sure to shield the power wires from shorting) and plug the fuse in to see if it still blows.

Let me know.

Joe
Nov 2, 2020 at 6:32 PM
Avatar
DOUGIEP15
  • MEMBER
  • 13 POSTS
Hey Joe,

I disconnected neg battery cable, disconnected alternator plugged in 20A fuse then reconnected everything and as soon as I put the negative battery cable back on the fuse blew as soon as cable came into contact with battery post.

Thanks in advance, Doug
Nov 2, 2020 at 7:43 PM
Avatar
JACOBANDNICKOLAS
  • AUTOMOTIVE REPAIR CONTRIBUTOR
  • 110,190 POSTS
Hi,

Then it's not the alternator. I suspect (since it was disconnected) the problem is between the fuse and alternator.

Take a look at the attached pic. (note I am looking at a GT model 4.6L) Note that the power comes from the battery to the fuse, through the fuse, and into the yellow wire with a white tracer and then to the alternator.

So, if with the alternator disconnected that fuse blows, it has to come after the fuse which is the aforementioned wire. You need to check to see if it is shorted to ground. Check the wire, the connector, and everything you can on that wire. Or, with the battery disconnected, check to see if there is continuity to ground in that wire. There shouldn't be if it is disconnected.

Let me know what you find.

Joe
Nov 3, 2020 at 6:29 PM
Avatar
DOUGIEP15
  • MEMBER
  • 13 POSTS
The fuse doesn't blow when the alternator is un-hooked, but as soon i plug the connections back on it blows.
Nov 4, 2020 at 1:06 PM
Avatar
JACOBANDNICKOLAS
  • AUTOMOTIVE REPAIR CONTRIBUTOR
  • 110,190 POSTS
That leads me to believe the short is either in the connector or the alternator itself. Check the plug to make sure none of the pins are damaged, bent, as well as on the alternator.

If the wiring is good, then I would replace the alternator.

Let me know.
JOe
Nov 4, 2020 at 6:22 PM
Avatar
DOUGIEP15
  • MEMBER
  • 13 POSTS
Thanks Joe, I believe I need to change the connectors one of them look best up. I’ll let you know.
Nov 4, 2020 at 8:43 PM
Avatar
JACOBANDNICKOLAS
  • AUTOMOTIVE REPAIR CONTRIBUTOR
  • 110,190 POSTS
Sounds good. Let me know what you find. I'm interested in knowing if that is where the problem is.

Take care,
Joe
Nov 5, 2020 at 3:36 PM
Avatar
DOUGIEP15
  • MEMBER
  • 13 POSTS
Used a test light on my starter solenoid not sure if that plays a factor.
Nov 6, 2020 at 5:55 PM
Avatar
KASEKENNY
  • AUTOMOTIVE REPAIR CONTRIBUTOR
  • 18,907 POSTS
Just to jump in and answer that question. It appears that is the control wire on the starter. You should only have 12 volts on that when you are cranking the engine. So if you were not cranking the engine when you tested with with your test light then it would not light up.
Nov 6, 2020 at 6:11 PM
Avatar
DOUGIEP15
  • MEMBER
  • 13 POSTS
Thanks for the response, in regards to the picture I posted, I was not cranking the engine.
Nov 6, 2020 at 6:22 PM
Avatar
JACOBANDNICKOLAS
  • AUTOMOTIVE REPAIR CONTRIBUTOR
  • 110,190 POSTS
Hi,

That wire only gets 12v when the key is in the start position. So what you found is normal. Have you checked the connection at the alternator? If you have and it's good, remove the alternator and have it bench tested at a parts store. Most will do it for free.

Again, since the fuse only blows when the alternator is connected, then it is most likely the alternator or the connector.

Let me know.
Joe
Nov 6, 2020 at 6:26 PM
Avatar
DOUGIEP15
  • MEMBER
  • 13 POSTS
Not sure if this would cause the alternator fuse to keep blowing. I followed the cord from what you see in the picture all the way up to the instrument cluster.
Nov 7, 2020 at 3:34 PM
Avatar
JACOBANDNICKOLAS
  • AUTOMOTIVE REPAIR CONTRIBUTOR
  • 110,190 POSTS
What wire is that in pic 1? Where does it go? That certainly needs attention.

Let me know.
Joe
Nov 7, 2020 at 3:39 PM
Avatar
DOUGIEP15
  • MEMBER
  • 13 POSTS
Hey Joe, that burnt wire leads up into the instrument cluster.
Nov 7, 2020 at 3:42 PM
Avatar
JACOBANDNICKOLAS
  • AUTOMOTIVE REPAIR CONTRIBUTOR
  • 110,190 POSTS
If you shield it, does the fuse still blow?
Nov 7, 2020 at 3:45 PM
Avatar
DOUGIEP15
  • MEMBER
  • 13 POSTS
Going to try right now.
Nov 7, 2020 at 4:06 PM
Avatar
DOUGIEP15
  • MEMBER
  • 13 POSTS
Still blows when I shield it.
Nov 7, 2020 at 4:26 PM
Avatar
JACOBANDNICKOLAS
  • AUTOMOTIVE REPAIR CONTRIBUTOR
  • 110,190 POSTS
I was hoping that was the issue. However, it needs repaired regardless.

Have you checked at the alternator (plug) or had the alternator itself bench tested?
Nov 7, 2020 at 4:45 PM
Avatar
DOUGIEP15
  • MEMBER
  • 13 POSTS
Took the wires that go from the starter solenoid to the alternator apart and inspected. everything seems fine but haven’t gotten it bench tested yet.
Nov 7, 2020 at 8:18 PM
Avatar
JACOBANDNICKOLAS
  • AUTOMOTIVE REPAIR CONTRIBUTOR
  • 110,190 POSTS
Hi,

I'm more interested in the yellow wire between the fuse and the alternator. Have you inspected it along with the connector?

Let me know.
Joe
Nov 8, 2020 at 4:12 PM
Avatar
DOUGIEP15
  • MEMBER
  • 13 POSTS
This is the diagram for my 2003 Ford F-150, I’m bringing my alternator to do bench test tomorrow after work.
Nov 8, 2020 at 6:04 PM
Avatar
JACOBANDNICKOLAS
  • AUTOMOTIVE REPAIR CONTRIBUTOR
  • 110,190 POSTS
Hi,

Sounds like a plan. Let me know what you find. Also, when looking at your schematic, it's a bit blurry. However, it looks the same. Is there something different you are seeing?

Joe
Nov 8, 2020 at 7:26 PM
Avatar
DOUGIEP15
  • MEMBER
  • 13 POSTS
Hey, just wanted to thank you for your time. I got my alternator bench tested and it was fried. got a new one put the fuse in good to go.
Nov 12, 2020 at 3:13 PM
Avatar
JACOBANDNICKOLAS
  • AUTOMOTIVE REPAIR CONTRIBUTOR
  • 110,190 POSTS
Hi,

You are very welcome. I had a feeling it was either the connector at the alternator or the alternator itself. Regardless, good job. I'm glad you got it working again.

Please feel free to come back anytime in the future. You are always welcome.

Take good care of yourself,

Joe
Nov 12, 2020 at 6:44 PM