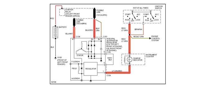
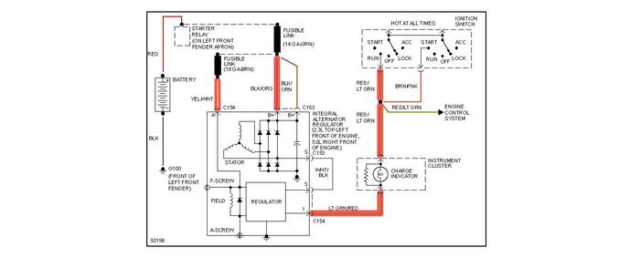
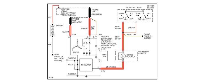
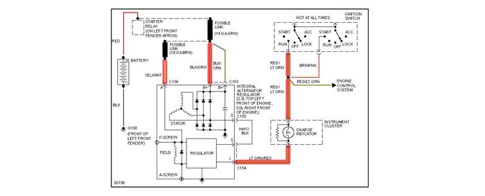
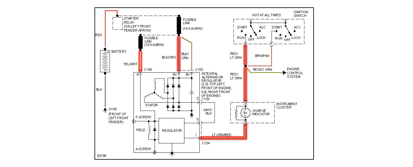
Tuesday, March 13th, 2012 AT 9:47 PM
So I just replaced the alternator in my 5.0 mustang but it still won't charge the battery does anyone know what it could be? Wiring?



