A/C light flashing

Tiny
JUSTIN504
  • MEMBER
  • 1996 TOYOTA AVENSIS
  • 2WD
  • AUTOMATIC
  • 202,000 MILES
I have a 1996 Toyota Ipsum (also called a Corolla, Picnic and Avensis Verso). When I turn on air conditioner, the compressor kicks on, the rpm's go up, and then compressor kicks off, and A/C light begins blinking. I am hoping to find out any information regarding how to diagnose, read codes, or fix this issue. I don't know much about car mechanics, but know how to use tools, so am just hoping to fix myself. Any answers are much appreciated and laymen terms will really help.

Thank you very much!
Saturday, December 15th, 2018 AT 3:35 PM

17 Replies

Tiny
KEN L
  • MASTER CERTIFIED MECHANIC
  • 55,322 POSTS
When the system blinks it usually means you are low on charge. but to be sure here is a guide to help walk you through the service:

https://www.2carpros.com/articles/air-conditioner-how-to-add-freon

Please run down this guide and report back.

Cheers, Ken
Was this
answer
helpful?
Yes
No
+4
Monday, December 17th, 2018 AT 4:03 PM
Tiny
JUSTIN504
  • MEMBER
  • 2 POSTS
Hey Ken, the system is on full charge. I turn the car on, turn ac on full blast, connect gauge and it shoots to the red.
Was this
answer
helpful?
Yes
No
+2
Tuesday, December 18th, 2018 AT 10:05 PM
Tiny
KEN L
  • MASTER CERTIFIED MECHANIC
  • 55,322 POSTS
That's not right did you have it connected to the low side? Can you upload a picture of the port used? The system is overcharged? Check out this guide.

https://www.2carpros.com/articles/re-charge-an-air-conditioner-system

Please run down this guide and report back.
Was this
answer
helpful?
Yes
No
Wednesday, December 19th, 2018 AT 12:06 PM
Tiny
FLOBS
  • MEMBER
  • 6 POSTS
I know this is a fairly old thread but a correction is necessary.
On this car at least a flashing A/C LED does not entail low on charge. If low on charge the LED remains continuously illuminated but the A/C unit/compressor does not engage.
If the compressor does not engage full charge can not be determined and one risks over charging the A/C circuit.
If the A/C LED flashes assure the magnetic clutch isn't slipping (causing the lock sensor to cut the power) other than that it will probably be an electrical problem, faulty Evaporator sensor, or Lock sensor, wiring to these sensors or A/C control module blown (in my case there was no Voltage going to either of the sensors mentionned which indicates a blown A/C control module).

Btw this idea that a flashing light means low charge I believe is strange my daughters Renault was low on charge and the compressor wouldn't engage yet the LED came on. The pressure switch is on or off and doesn't require the intervention of a control unit (so why would the control unit signal it (though this could well be the case with modern cars it really is unnecessary and in fact confuses the issues).
Was this
answer
helpful?
Yes
No
+1
Thursday, July 15th, 2021 AT 10:12 AM
Tiny
KASEKENNY
  • MECHANIC
  • 18,907 POSTS
Thanks FLOBS for the addition to this post as that is good info.

You are correct that a flashing light does not directly mean that the system is low on charge. Meaning if the light is flashing then you need to add freon and that is the only solution.

However, Ken said it "usually" means it is low on charge and this is accurate.

The flashing light means that the HVAC control module has shut off the compressor because it is seeing an issue that could damage the compressor if it continues to run. This includes high and low system pressures or any of the issues that you mentioned as well.

On this site, the most common cause of A/C issues is by far incorrect charged systems. This mostly started when the "DIY fill cans" became popular. The reason is, when people have an A/C issue, they get a can and fill their system assuming that it is low and then they overcharge it.

So we have found that we need to start with checking the charge of the system just to make sure that is correct before we get down the road on something else.

This vehicle has a dual pressure sensor so if the system is low or high it will tell the HVAC module and it will cut the compressor. However, it will flash the AC light if the charge is low enough that the switch cut it off.

In this case, the member informed us that as soon as they put the gauge on it went straight to the red, which means it was overcharged and most likely tripped the high pressure switch and the module cut the compressor. At this point, it will flash the A/C light telling you that it cut the compressor due to an issue.

While we don't know the result as they never came back, it is pretty safe with that info to know he probably corrected the pressures and it corrected the issue.

You are correct that this can also be due to an electrical issue or sensor issue but there is not one correction for this flashing light.

Because of that, it is advisable for anyone who has a flashing light or other A/C performance issue to start with checking pressures. This is just a basic system check that can often put us on the right path if the pressure is correct or not. No different then telling someone to check their oil level when the oil light comes on.

Let us know if there are issues we can help you with in the future. Thanks
Was this
answer
helpful?
Yes
No
+2
Friday, July 16th, 2021 AT 2:07 PM
Tiny
FLOBS
  • MEMBER
  • 6 POSTS
Thanks KaseKenny1 good reply particularly for a high charge situation.
As you might gather I have a problem with my air conditioning.
I have a Toyota picnic 2.0L 16V (July 1999 european model).
All started a while back the aircon would work for a while then the A/C LED would start flashing. If I turned it off and on again it would work again for a while. Eventually it degraded to a situation where the compressor would engage and then almost immediately stop (with the LED flashing.
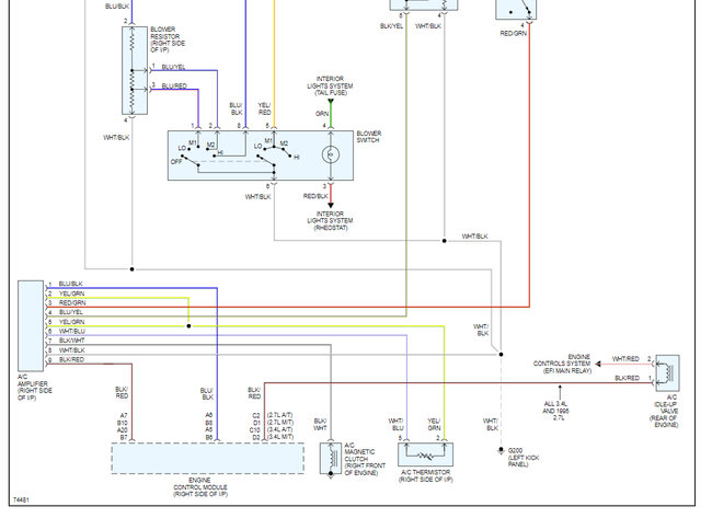
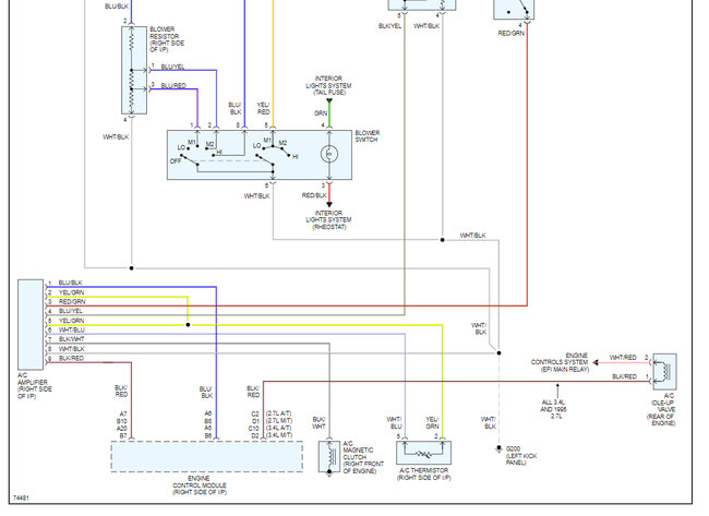
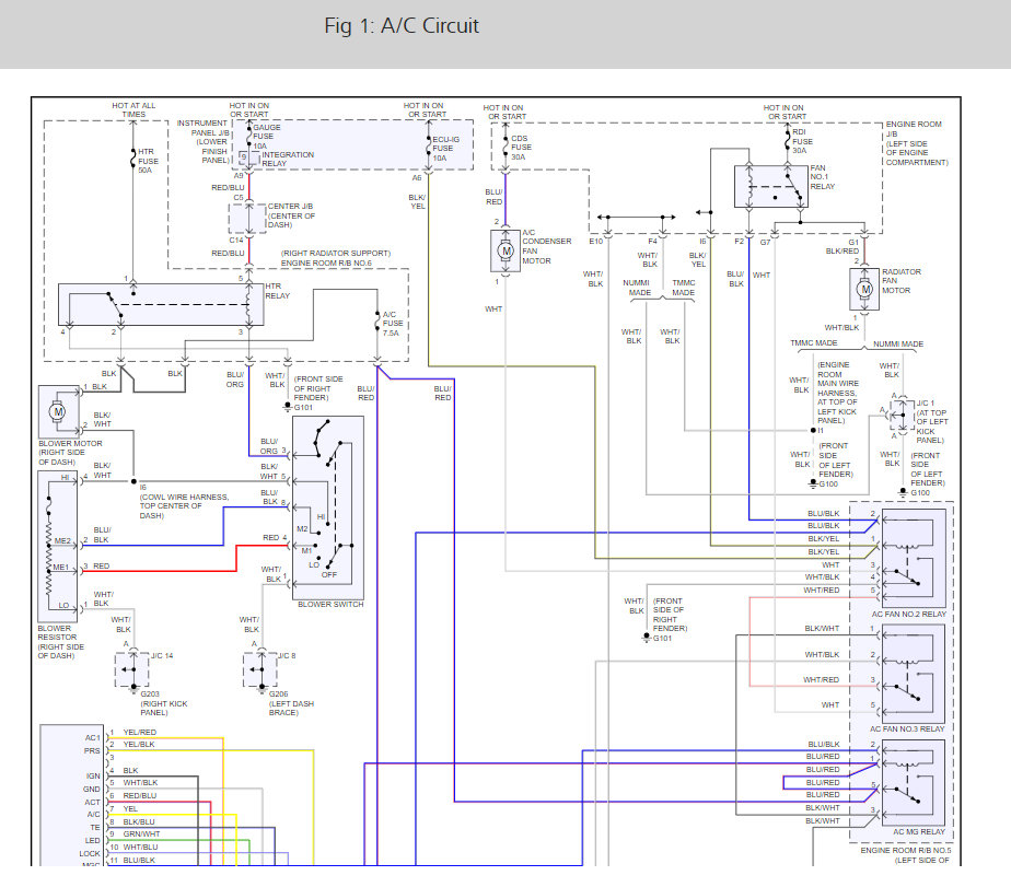
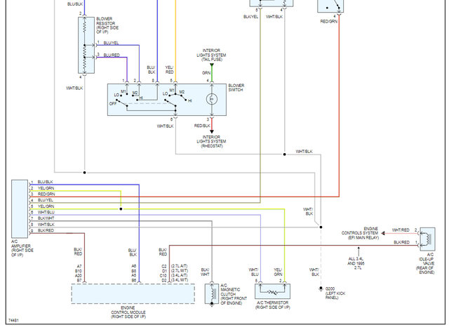
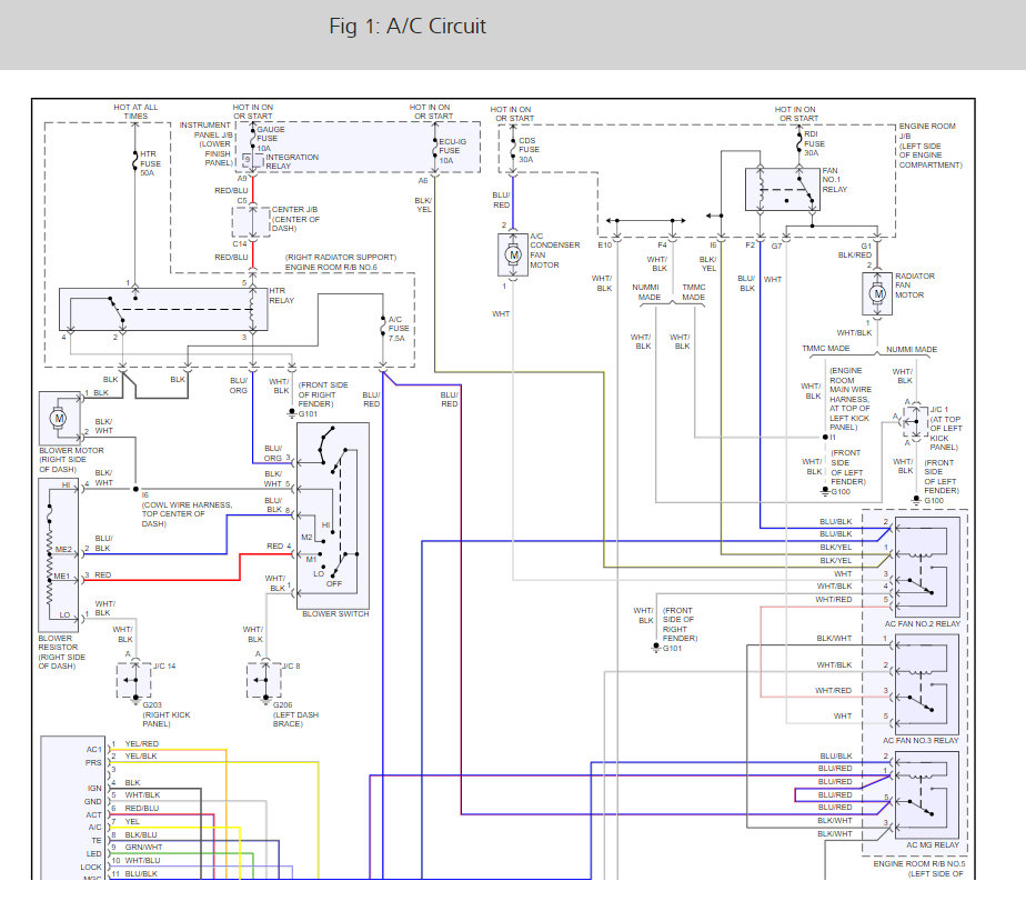
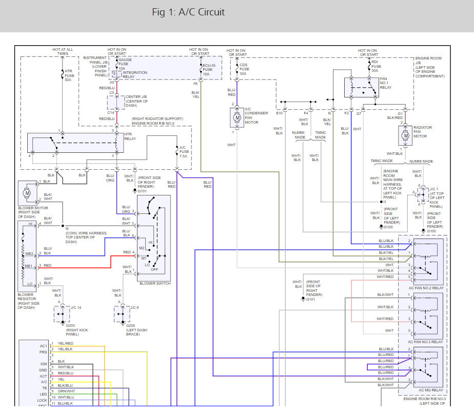
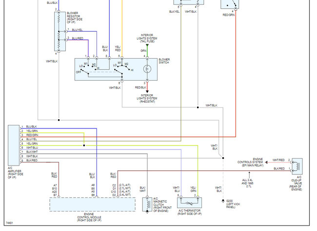
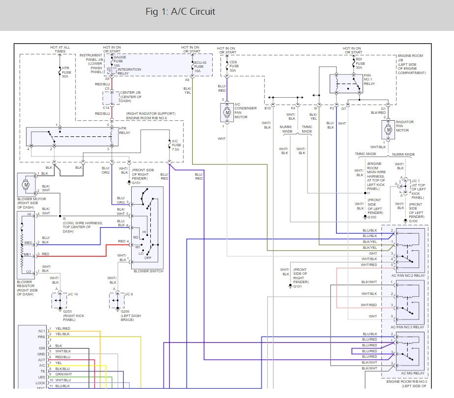
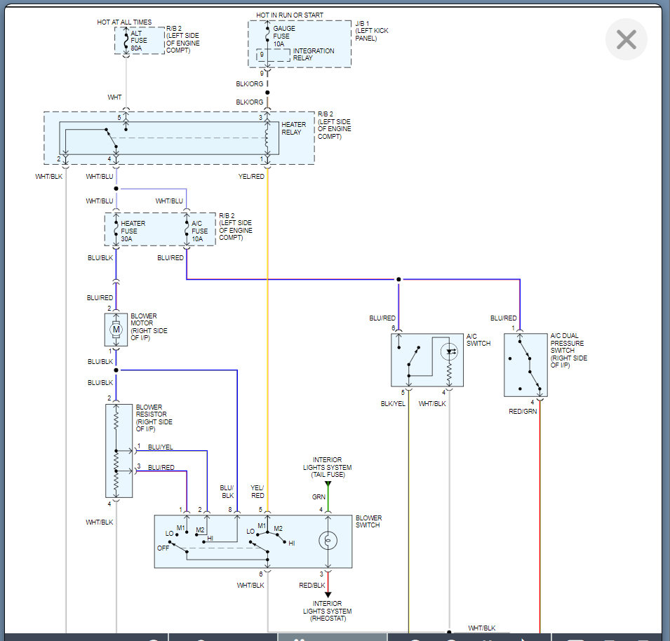
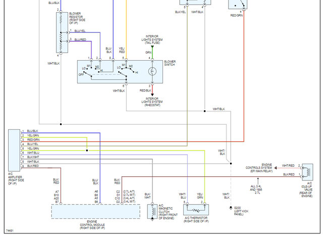
I have a circuit diagram of the electrical system for a RAV4 which seems identical except for in my system there is no 'conventional' magnetic clutch relay (the wires that enter and exit this on my car go straight in and out of the cabin fuse box so I presume it is controlled by a semiconductor fuse inside this).
I tested the lock sensor resistance (205ohms which is good for the compressor model and identical to the new compressor I picked up (I thought the clutch might be slipping)) the evaporator thermistor seems good (though as it's under the dash I haven't ventured to testing it fully) at approx 25°C (1.5Kohms) it gives a resistance within parameters and drops with increasing temperatures).
The wiring to and from the 12 pin A/C Amplifier (A/C control module) is good (zero resistance across wires and no shorting)
I have still to verify the wiring to and from the cabin fuse box (I need to verify as I noticed a possible short but when I tested again it did not manifest itself).
At present I am thinking along 3 lines:
1) Blown A/C amplifier (took the box out and the circuitry 'looked' good nothing evident to really suggest this).
2) Signals of rpm from ECU to A/C amplifier being off (is this possible?) Would need an oscilloscope to check this.
3 The circuitry within the cabin fuse box (semiconductor fuse?) Is switching due to being degraded or a veritable short fusing somewhere. This I need to check more and if I conclude there is no shorting in the harness the I a thinking I could replace/test with a conventional relay (i.E rewire to a relay switch which could also verify a short circuit as the 7.5A A/C fuse would blow).
What council can you give me?
I have been at a loss for a while (not finding a magnetic clutch relay really flummoxed me as well as confusing advice from internet searches and mechanics lol).
Was this
answer
helpful?
Yes
No
+1
Thursday, July 22nd, 2021 AT 4:44 AM
Tiny
KASEKENNY
  • MECHANIC
  • 18,907 POSTS
Just to start, have you confirmed your pressure is correct? Or at least jump the compressor with 12 volts and see if it comes on and blows cold. That would be a good indicator that this is okay. If it is and this is happening then you are on the right path that this is most likely something to do with the amplifier or the amp itself.

So based on that, we are going to have to check the voltages at the AC amplifier with the AC on. Basically we need to see what voltage is there and then that will tell us what direction to go. It is much more effective then just inspecting the wiring or checking different circuits looking for an issue.

We need specific voltage at the AC amp in order for it to work so let's see what we don't have and go from there.
Was this
answer
helpful?
Yes
No
+2
Thursday, July 22nd, 2021 AT 7:26 AM
Tiny
FLOBS
  • MEMBER
  • 6 POSTS
There is pressure in the system now (the technicien left it in so I could test things out).
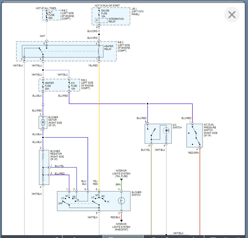
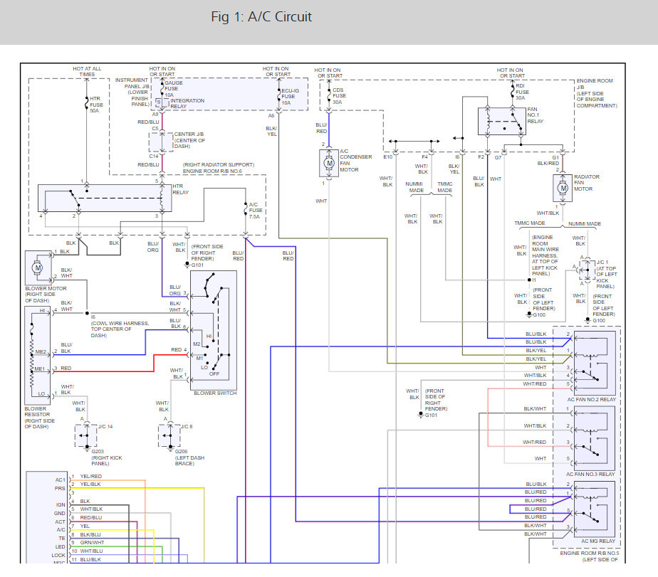
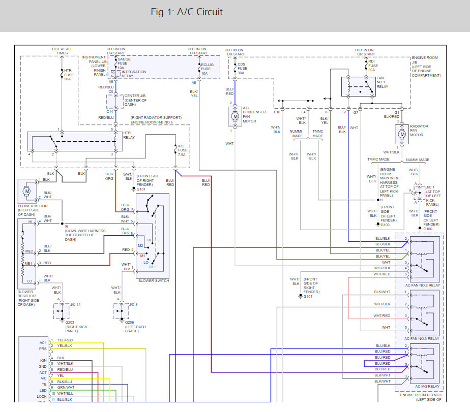
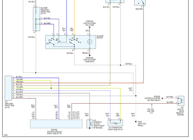
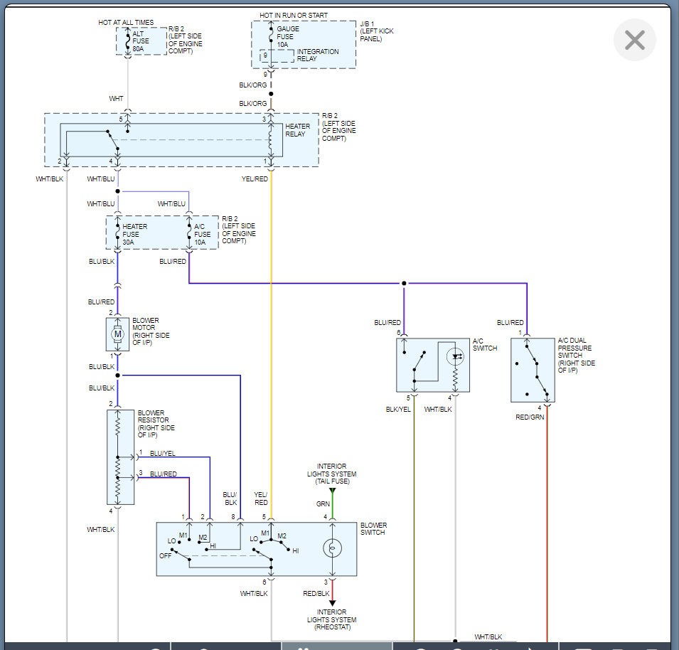
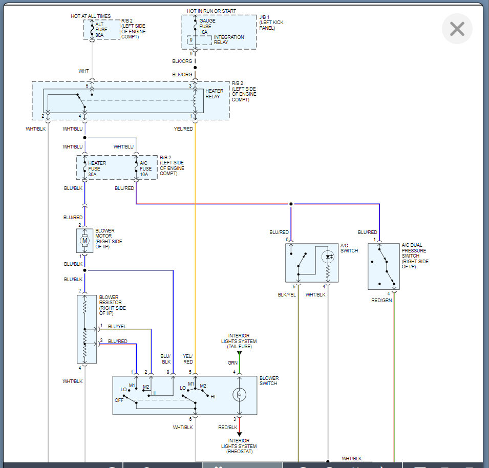
The wiring schematic I am using is from this thread: https://www.2carpros.com/questions/ac-amplifier-harness-wiring-colours (see bottom of reply)
However there are differences (wire colors and locations are different and most importantly there is no magnetic clutch relay (also A/C circuit is hot in on or start) so it's complicated for me.
So testing the voltages across the A/C amplifier I get:
GND (5) to A/C (7) 13.6V blower ON A/C switch ON
GND (5) to PRS (2) 11.4V in start 13.7V engine running and all other conditions
SG (12) to TE (8) 0.58V ???
SG (12) to Lock (10) 0V ???
GND (5) to MGC (11) 11.4V in start, 13.6V engine running, 0V blower ON A/C switch ON.
GND (5) to (LED (9) 2.7V Blower ON A/C ON then when flashing variable (3.6 to 9.6V).

Am I correct in thinking:
There should be 12V across the LOCK sensor?
Isn't 0.58V across the evaporator TEMPERATURE sensor very low?

Hence the A/C amplifier is in question!

Edit: the system only operates for a very short time before the A/C LED starts flashing and the compressor stops.

Was this
answer
helpful?
Yes
No
+1
Sunday, July 25th, 2021 AT 7:03 AM
Tiny
KASEKENNY
  • MECHANIC
  • 18,907 POSTS
Okay. So when you are testing pin 12 to pin 8 for voltage, you are doing what is called a voltage drop across whatever component is on this circuit.

So you are finding that the Evap pressure sensor actually uses.58 volts to operate but you are not finding out what the sensor is telling the AC amp. To find out what the sensor is telling the module you need to check pin 8 to ground.

The way that circuit works is the pin 12 is a signal circuit which should be 5 volts. Then this 5 volts passes through the evap sensor and returns to the AC amp where it tells it what the temp sensor is reading. This will be on a scale from.5 volts to 4.5 volts due to the sensor requiring a small amount of voltage to operate (which is the.58 volts that you are finding with the voltage drop test).

So we need to see what the volt is from the sensor using this test and we can go from there. The same pin 10. You are getting 0 volts because this signal circuit is not connected to the clutch so it is basically an open circuit.
Was this
answer
helpful?
Yes
No
+1
Sunday, July 25th, 2021 AT 7:35 AM
Tiny
FLOBS
  • MEMBER
  • 6 POSTS
From what I can gather SG pin (12) is signal ground the signal wire is TE pin (8) for evaprorator temperature sensor. From what you are saying 0.58V could be a good reading (temperature at the sensor is well over 40°C where I have the car (I have 30°C in the house). I tested TE pin (8) to GND pin (5) and other grounds and got the same reading. Even if the compressor only works a very short time the voltage from TE pin (8) does increase slightly each time the A/C is activated).
SG pin (12) to any ground always gives 0V as does the wire at the compressor when disconnected.
LOCK pin (10) always gives 0V to any ground (I also tested the LOCK wire at the compressor and got 0V to ground in theory this should have given either 5V or 12V for a short time at least).
At first I also thought the SG pin (12) was the 5V 'power' supply however that doesn't appear to be the case though I stand to be corrected (it's very confusing to me).
Was this
answer
helpful?
Yes
No
Sunday, July 25th, 2021 AT 8:33 AM
Tiny
KASEKENNY
  • MECHANIC
  • 18,907 POSTS
The problem is, these wiring diagrams are not exact to your truck. We don't have one for this specific vehicle so this is going to continue to be confusing until we get one for your vehicle.
Was this
answer
helpful?
Yes
No
Sunday, July 25th, 2021 AT 7:39 PM
Tiny
FLOBS
  • MEMBER
  • 6 POSTS
Update:
I gave it a rest for a moment.
A friend had a quick look and said no juice was arriving to the magnetic clutch. I then tested the voltages going to the magnetic clutch and A/C fan relay.
I recorded that only 3.5V max. Was being sent to the magnetic clutch which surely isn't enough.
No voltage was being sent to the A/C fan relay.
Note that the A/C controll module sends a signal. I have also checked the wiring and harness which is good.
So whatever is going on in the fuse box it recieves a signal but doesn't send out the voltage necessary to 'switch' either the magnetic clutch or the A/C fan relay.
I am going to look for a replacement fuse box to test the theory that the problem lies there.

(As discussed before there is no conventionnal magnetic clutch relay in the circuit, this function is surely within the fuse box (probably a 'semi-conductor' switch system?).

Will get back once the replacement has been done.
Was this
answer
helpful?
Yes
No
Thursday, August 5th, 2021 AT 3:29 AM
Tiny
KASEKENNY
  • MECHANIC
  • 18,907 POSTS
Thank you for the update. Based on that, I think you are right on it.

Please let us know how this turns out.

Thanks again.
Was this
answer
helpful?
Yes
No
Friday, August 6th, 2021 AT 7:52 AM
Tiny
FLOBS
  • MEMBER
  • 6 POSTS
So I swapped out the fuse box and replaced it with a second hand one I picked up for15 euros (excluding postage).
Good news all is good the air conditioning works.
So it was a component in the fuse box that acts as the magnetic clutch relay.
Now all is working I'm going to take the old fuse box apart (something I didn't want to risk until I had a replacement) and see if there is anything evident wrong with it (I doubt I will see anything but who knows).
Anyway really please, thanks for the help, helped push me in the right direction. Though the biggest problem was not having a correct wiring diagram so not knowing where/what the magnetic clutch relay was above all as there wasn't one.
I'll get back if I see a connection or burnt out component in the fuse box.
Was this
answer
helpful?
Yes
No
+1
Friday, August 13th, 2021 AT 5:49 AM
Tiny
KASEKENNY
  • MECHANIC
  • 18,907 POSTS
That is great! I am sure this info will help others. I totally understand but you did an excellent job in sticking with this and saved yourself a ton of money in having a shop figure this out.

Thanks for sticking with us and keep us updated with what you found.

Please come back in the future.
Was this
answer
helpful?
Yes
No
+1
Friday, August 13th, 2021 AT 7:11 PM
Tiny
FABIEN.LEMARCHAND
  • MEMBER
  • 5 POSTS
Hi,

I have exactly the same problem!
Everything was checked by a pro and there was no solution.

Can you tell me which fuse box did you changed, or what component is the cause?

Thanks,
Fabien
Was this
answer
helpful?
Yes
No
Saturday, September 10th, 2022 AT 4:30 AM
Tiny
JACOBANDNICKOLAS
  • MECHANIC
  • 110,192 POSTS
Hi,

I'm sorry, but the person never replied with that information. This model isn't offered in the US, so I have no pics of fuse boxes.

After reading through everything, the fuse box in question will hold the relays for the A/C compressor clutch and the condenser fan motor. Are you able to locate those things?

Let me know.

Joe
Was this
answer
helpful?
Yes
No
Saturday, September 10th, 2022 AT 7:40 PM

Please login or register to post a reply.