AC amplifier harness wiring colors

1998 TOYOTA COROLLA
250 MILES • 1.3L
Avatar
PANGISANI MOYO
  • MEMBER
  • 1 POST
Wiring color codes for 14 pin AC amp connector.
.
Nov 29, 2018 at 9:22 AM
Repair Safety Notice: This information is for general instructional purposes only. Vehicle repair can be dangerous. Verify all information, follow manufacturer service procedures, use proper tools and safety equipment, and consult a qualified repair shop when needed.
Advertisement
Avatar
DANNY L
  • CAR REPAIR CONTRIBUTOR
  • 5,648 POSTS
Hello I am Danny,

Here is the wiring diagram you requested. I have attached a full size complete diagram and the second is a close up of the Amplifier. I have also attached a tutorial for you to view. Hope this helps and thanks for using 2CarPros.
Danny-

https://www.2carpros.com/articles/how-to-check-wiring
Nov 29, 2018 at 7:10 PM
Advertisement
Avatar
MIKI#
  • MEMBER
  • 10 POSTS
Hello Danny,
Thank you for this!
Could you kindly share a higher resolution of the full sized diagram. It's exactly what I'm looking for but currently stuck as it's impossible to see the print.
Aug 22, 2019 at 9:17 PM
Avatar
STRAILER
  • CAR REPAIR CONTRIBUTOR
  • 54,189 POSTS
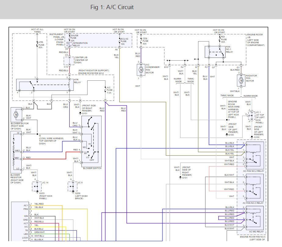
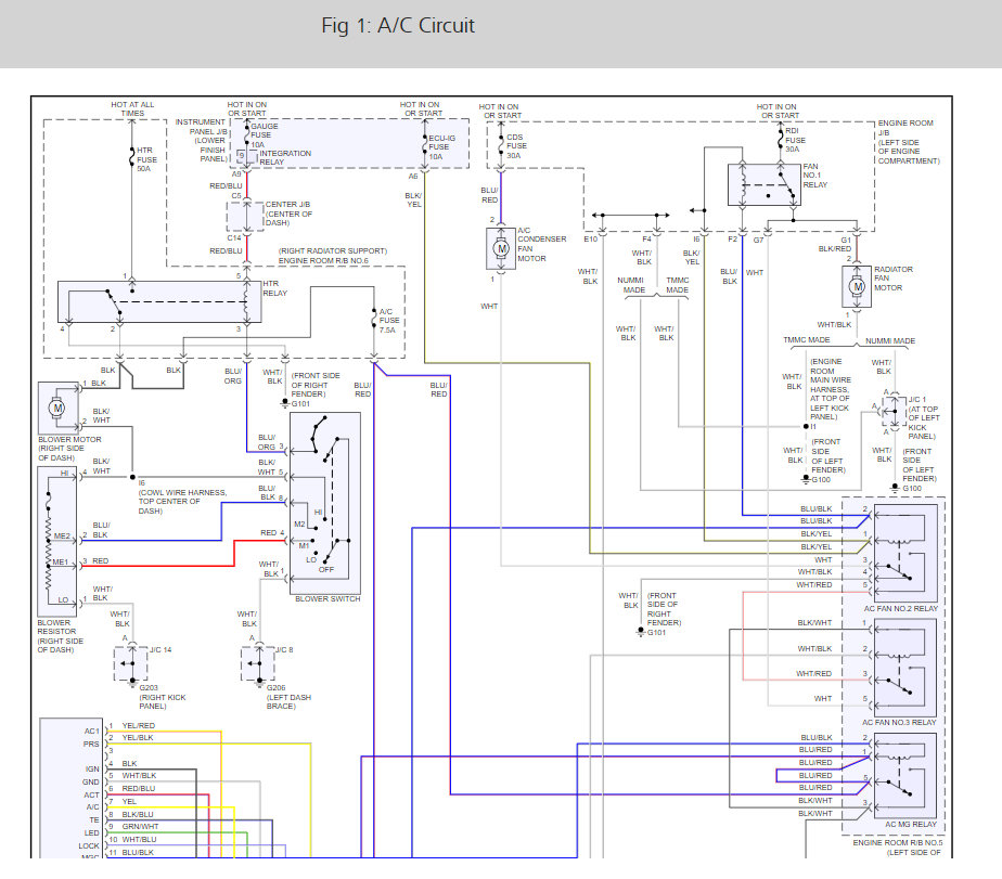
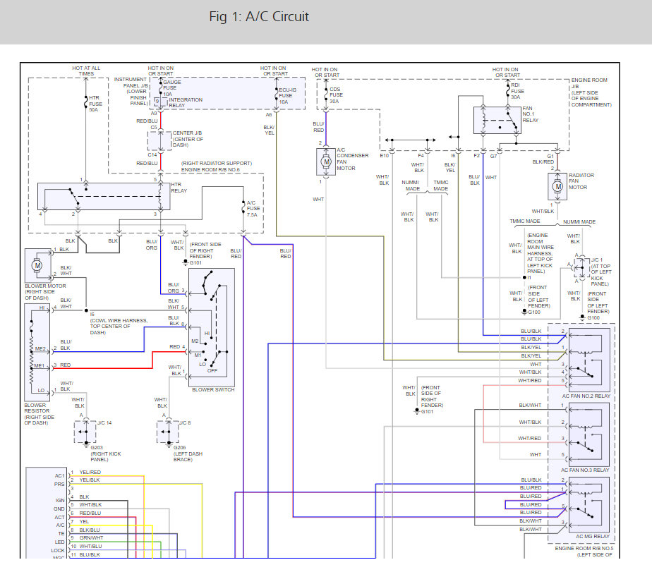
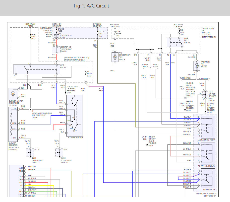
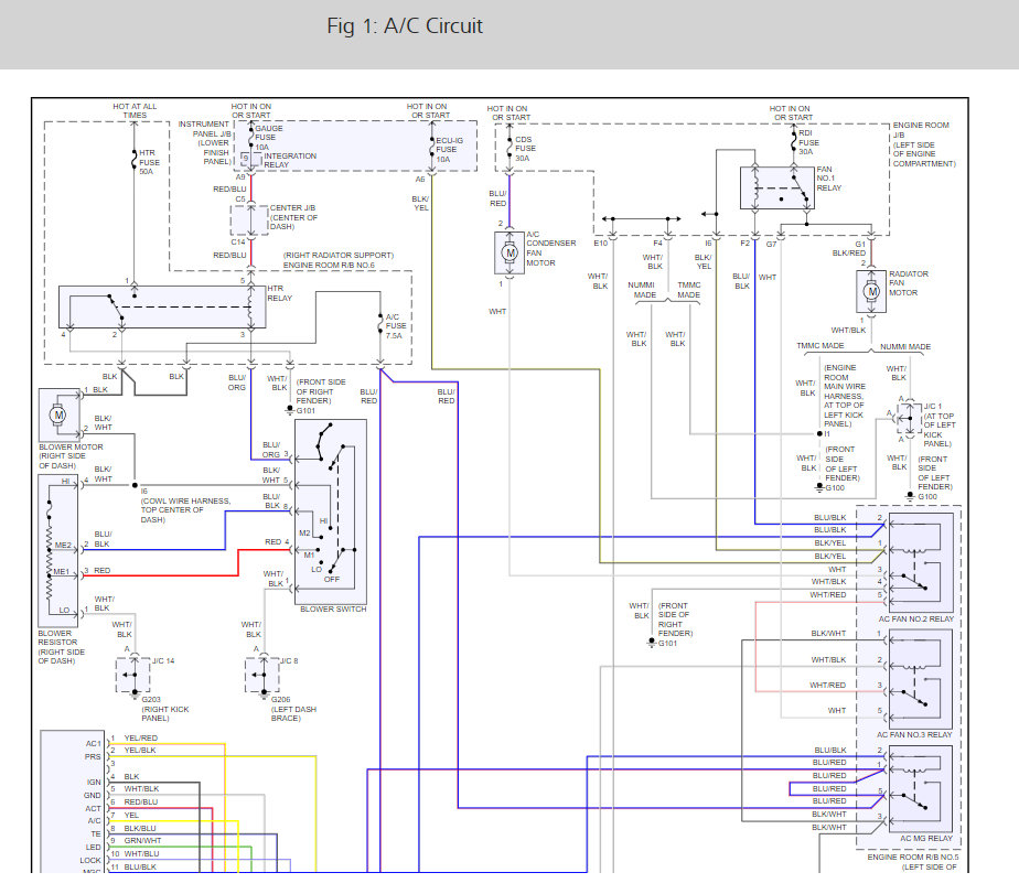
Here are the air conditioner wiring diagrams you requested. Check out the diagrams (below). Please let us know if you need anything else to get the problem fixed.
Aug 26, 2019 at 1:08 PM
Avatar
MIKI#
  • MEMBER
  • 10 POSTS
Thanks a heap Ken!
I am doing the A/C wiring on a 1999 Toyota 7AFE engine modified into a Land Rover Freelander. It has been running fine, only the A/C not working.
I have today wired almost everything to the A/C amp correct but the only missing component is the magnetic compressor lock sensor (the 7AFE compressor is missing this sensor).
Is there a way of bypassing this or getting an alternate signal to spoof the A/C amplifier, say from the CKP sensor or tachometer signal?
Aug 27, 2019 at 5:55 AM
Avatar
STRAILER
  • CAR REPAIR CONTRIBUTOR
  • 54,189 POSTS
That is hard to say, the only thing is to try it to see if it works. Please let me know what happens.
Aug 27, 2019 at 11:14 AM